SN02D12-502-MC1856 (Nº de pedido 089550)

Série SN... 12 mm mecânico

  • Distância do tucho 12 mm
  • Forma construtiva da carcaça na vertical, flange pequeno
  • Grau de proteção IP67 conforme IEC 60529
SN02D12-502-MC1856 (Nº de pedido 089550)

Descrição

Elemento de comutação

ES 502 E

Elemento de comutação rápida 1 N/F + 1 N/A

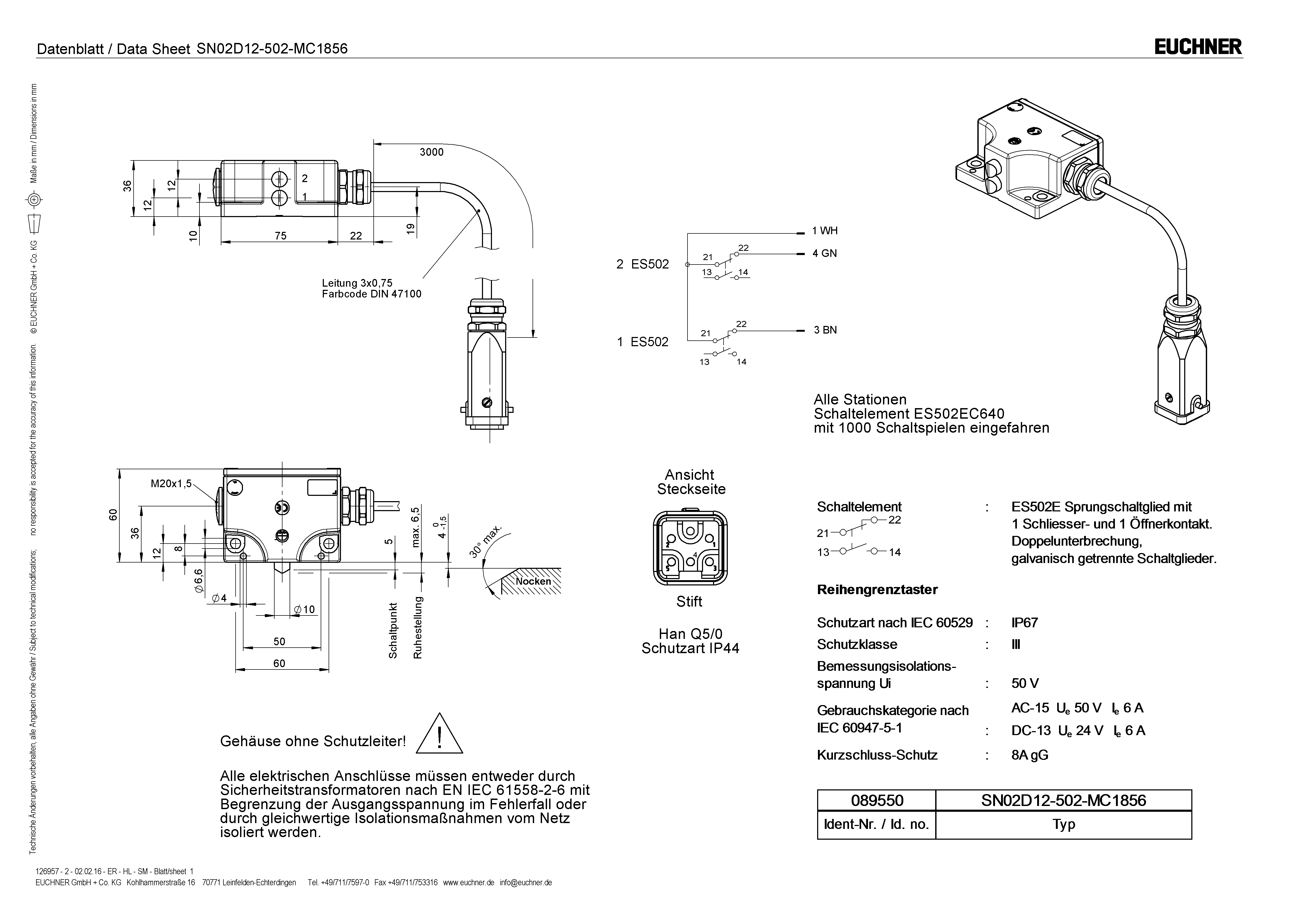
Desenho com dimensões
Desenho com dimensões
Esquema de conexão ES 502 E
Esquema de conexão ES 502 E
Esquema de conexão
Esquema de conexão

Desenhos dimensionais

Desenhos dimensionais
1Cabo 3x0,75, código da cor DIN 47100
2Ponto de comutação
3Posição de repouso
4Excêntrico
5Vista pelo lado de encaixe
6Pino Han Q5/0 grau de proteção IP44
7Elemento de comutação: ES502E elemento de comutação de ação rápida com 1 contato de trabalho e 1 contato de abertura. Interrupção dupla, elementos de comutação separados galvanicamente.
8Carcaça sem condutor de proteção!

Exemplos de conexão

Exemplos de conexão

Exemplos de conexão

Exemplos de conexão

Dados técnicos

Aprovações

CCC2024010305643587_MultipleLimitSwitchc_UL_us_E155795_3/6

Valores de conexão elétrica

Hedging max. 8 A gG
Tensão nominal de isolamento Ui 50 V
Tensão nominal de impulso Uimp 2 kV
Categoria de uso
AC-15 6 A 50 V
DC-13 6 A 24 V
Corrente de comutação
No mín. a CC 12 V min. 10 mA

Valores mecânicos e ambiente

Anfahrgeschwindigkeit 0.01 ... 40 m/min
Tipo de conexão 1 x Conector de encaixe Han Q5/0 (Conector de encaixe Harting Han Q5/0, 5 pinos, somente o pino 1,3 e 4 atribuídos, com cabo de 3000 mm (3x0,75mm²). Montado à direita.)
Quantidade de contatos de abertura 2
Quantidade de elementos de comutação 2
Quantidade de contatos de trabalho 2
Forma construtiva fixa
Elemento de acionamento Tucho de teto
Força de acionamento min. 20 N
Posição de montagem qualquer
Temperatura de armazenamento -25 ... 80 °C
Vida mecânica 30 x 10⁶
Tempo de salto do contato max. 3 ms
Princípio de troca Elemento de comutação rápida
Precisão do ponto de comutação ± 0,002 (A precisão do ponto de comutação reprodutível refere-se ao curso axial do tucho e elemento de comutação ES 502 E submetido a aprox. 2000 ciclos de comutação.)
Schließzeit max. 4 ms
Classe de proteção IP67 (Somente em estado encaixado com o conector correspondente pertinente)
Distância do tucho 12 mm
Temperatura ambiente -5 ... 80 °C
Material
Contato Liga de prata, flash de ouro
Caixa Fundição de alumínio anodizado

Diversos

Número C
C1856
Informações adicionais Carcaça sem condutor de proteção! (Todas as conexões elétricas devem ser isoladas da rede, ou através de transformadores de segurança conforme EN IEC 61558-2-6 com limitação da tensão de saída em caso de falha, ou através de medidas de isolamento equivalentes.)

Downloads

Pacote completo

Efetuar o download de todos os documentos importantes com um clique

Contém

  • O manual de instruções e, eventualmente, o seu complemento ou as breves instruções
  • Eventualmente as fichas técnicas como complemento do manual de instruções
  • A declaração de conformidade
Efetuar o download do pacote completo (ZIP, 2,0 MB)

Documentos isolados

Outros documentos

Dados de encomenda

Nº de pedido 089550
Designação do artigo SN02D12-502-MC1856
Peso bruto 0,578kg
Número da tarifa alfandegária 85365019000
ECLASS 27-27-06-02 Multi-position switch