ZSA2B2G10A (Order no. 055411)
ZSA, 3-stage with cable
- Housing G1
- 3-stage function
- Straight connecting cable, 10 m

Description
Switching element
2210 | 1 NO/NC |
Cable
The high-quality connecting cables (individual screening of the safety contacts) are available in a straight version.
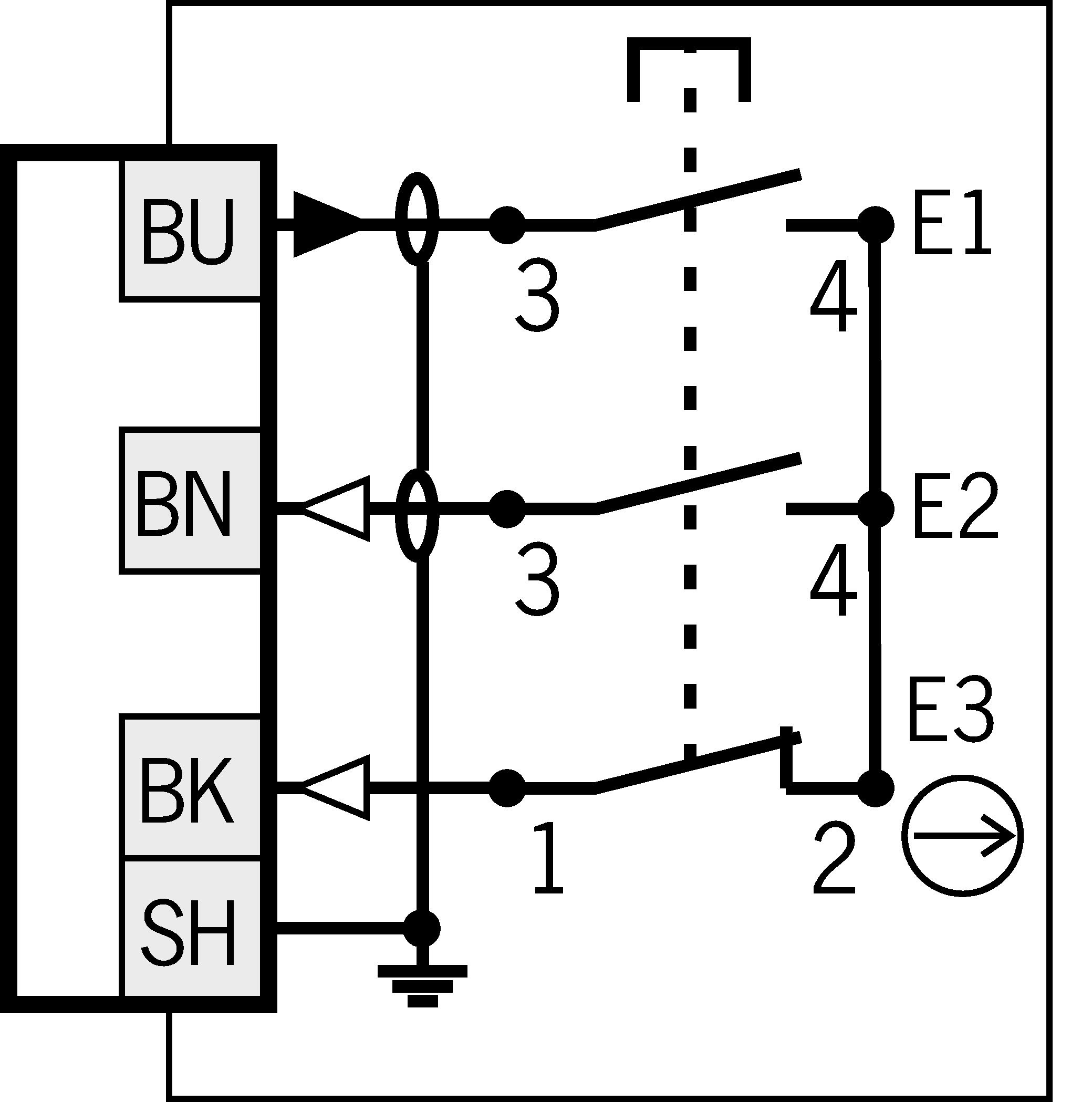
3-stage function
Enabling function is active only in the second stage (center position, actuating point). If the pushbutton is released or pushed further (panic function), the enabling is removed (dependent on the wiring, see function sequence).



Dimensional drawings

Connection examples

Shift travel diagrams

![]() | closed, enabling |
![]() | closed |
![]() | open |
Technical data
Approvals



Electrical connection values
| Fuse | max. 2 A gG |
| Connecting cable | 3x0.75 mm² (2 cores screened) |
| rated conditional short-circuit current | 100 A |
| Rated insulation voltage Ui | 250 V |
| Rated impulse voltage Uimp | 2.5 kV |
| Utilization category | |
| DC-13 | 2 A 24 V |
| AC-15 | 2 A 230 V |
| Switching voltage | |
| min. at 10 mA | 12 V |
| Switching current | |
| min. at 24 V | 1 mA |
| Switching characteristics | 3-stage enabling switch |
| Degree of contamination (external, according to EN 60947-1) | 3 |
Mechanical values and environment
| Connection type | flying lead |
| Number of NO contacts | 2 |
| Number of positively driven contacts | 1 |
| Storage temperature | -25 ... 70 °C |
| Cable length | |
| straight | 10 m |
| Mechanical life | |
| Position 1-2-1 | 0.1 x 10⁶ |
| Position 1-2-3-1 | 0.1 x 10⁶ |
| Switching principle | Slow-action contact element |
| Degree of protection | IP67 |
| Ambient temperature | -5 ... 50 °C |
| Material | Plastic |
Characteristic values according to EN ISO 13849-1 and EN IEC 62061
| B10D | Mission time | |
|---|---|---|
| Enabling switch | 0.39x106 | 20 y |
Miscellaneous
| in compliance with | 60947-5-8 |
Accessories
Downloads
Complete package
Download all important documents with a single click.
Content:
- The operating instructions and any additions to the operating instructions or brief instructions
- Any data sheets to supplement the operating instructions
- The declaration of conformity
Single Documents
Other Documents
CAD/eCAD
Ordering data
| Ordernumber | 055411 |
| Item designation | ZSA2B2G10A |
| Gross weight | 1,084kg |
| Customs tariff number | 85365019000 |
| ECLASS | 27-37-12-38 Agreement switch |
1 NO (additional monitoring contact)




