ZSA2-2 (Order no. 070735)
Choose content
Enabling switch kit ZSA, 3-stage
- Housing G1
- 3-stage function
- Kit without connecting cable

Description
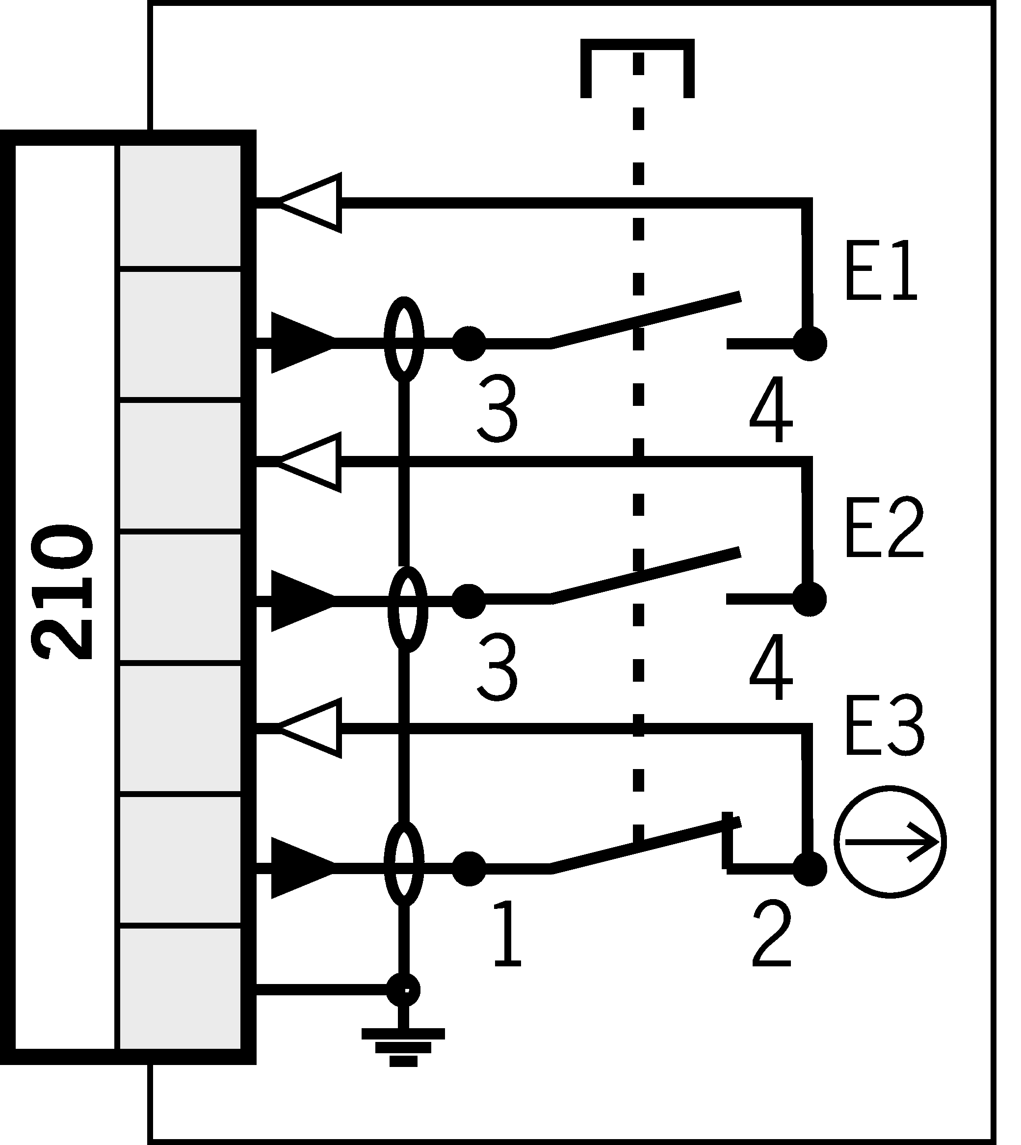
Switching element
210 | 2NO+1NC |
3-stage function
Enabling function is active only in the second stage (center position, actuating point). If the pushbutton is released or pushed further (panic function), the enabling is removed (dependent on the wiring, see function sequence).



Dimensional drawings

Connection examples

Shift travel diagrams

![]() | closed, enabling |
![]() | closed |
![]() | open |
Technical data
Approvals



Electrical connection values
| Fuse | max. 4 A gG |
| rated conditional short-circuit current | 100 A |
| Rated insulation voltage Ui | 250 V |
| Rated impulse voltage Uimp | 2.5 kV |
| Utilization category | |
| DC-13 | 3 A 24 V |
| AC-15 | 4 A 230 V |
| Switching voltage | |
| min. at 10 mA | 12 V |
| Switching current | |
| min. at 24 V | 1 mA |
| Switching characteristics | 3-stage enabling switch |
| Degree of contamination (external, according to EN 60947-1) | 3 |
Mechanical values and environment
| Connection type | Tab connector 2.8 x 0.8 IEC 760, cable Ø 3.5...8.0 mm |
| Number of NO contacts | 2 |
| Number of positively driven contacts | 1 |
| Storage temperature | -25 ... 70 °C |
| Mechanical life | |
| Position 1-2-3-1 | 0.1 x 10⁶ |
| Position 1-2-1 | 0.1 x 10⁶ |
| Switching principle | Slow-action contact element |
| Degree of protection | IP65 |
| Ambient temperature | -5 ... 50 °C |
| Material | Plastic |
Characteristic values according to EN ISO 13849-1 and EN IEC 62061
| B10D | Mission time | |
|---|---|---|
| Enabling switch | 0.39x106 | 20 y |
Miscellaneous
| in compliance with | 60947-5-8 |
Accessories
Downloads
Complete package
Download all important documents with a single click.
Content:
- The operating instructions and any additions to the operating instructions or brief instructions
- Any data sheets to supplement the operating instructions
- The declaration of conformity
Download Complete Package (ZIP, 1,4 MB)
Single Documents
Declarations of conformity
EU-Konformitätserklärung
Doc. no.
Version
Language
Size
EU-Konformitätserklärung
Doc. no.
EDC2109392
Version
Language
Size
0,2 MB
UKCA-Konformitätserklärung
Doc. no.
Version
Language
Size
UKCA-Konformitätserklärung
Doc. no.
EDC20001579
Version
Language
Size
0,1 MB
Instructions
Operating Instructions Enabling Switch ZSA/ZSR
Doc. no.
Version
Language
Size
Operating Instructions Enabling Switch ZSA/ZSR
Doc. no.
2092781
Version
07-11/25
Language
Size
0,6 MB
Mode d’emploi Commande d’assentiment ZSA/ZSR
Doc. no.
2092781
Version
07-11/25
Language
Size
0,6 MB
Manual de instrucciones Pulsador de validación ZSA/ZSR
Doc. no.
2092781
Version
07-11/25
Language
Size
0,6 MB
Betriebsanleitung Zustimmtaster ZSA/ZSR
Doc. no.
2092781
Version
07-11/25
Language
Size
0,6 MB
Istruzioni di impiego Pulsanti di consenso ZSA/ZSR
Doc. no.
2092781
Version
07-11/25
Language
Size
0,6 MB
Other Documents
Approvals and certificates
CCC
Doc. no.
Version
Language
Size
CCC
Doc. no.
20001849
Version
Language
Size
0,0 MB
DGUV
Doc. no.
Version
Language
Size
DGUV
Doc. no.
Version
Language
Size
3,4 MB
WEEE
Doc. no.
Version
Language
Size
WEEE
Doc. no.
ECO20001806
Version
Language
Size
0,1 MB
c UL us
Doc. no.
Version
Language
Size
c UL us
Doc. no.
Version
Language
Size
0,2 MB
Sales documents
Commandes d’Assentiment ZS
Doc. no.
Version
Language
Size
Commandes d’Assentiment ZS
Doc. no.
097367
Version
09-02/21
Language
Size
10,2 MB
Enabling switches ZS
Doc. no.
Version
Language
Size
Enabling switches ZS
Doc. no.
095690
Version
09-02/21
Language
Size
10,1 MB
Zustimmtaster ZS
Doc. no.
Version
Language
Size
Zustimmtaster ZS
Doc. no.
095689
Version
09-02/21
Language
Size
10,2 MB
ePlan macros
EUC.070735
Doc. no.
Version
Language
Size
EUC.070735
Doc. no.
Version
Language
Size
0,1 MB
CAD/eCAD
Ordering data
| Ordernumber | 070735 |
| Item designation | ZSA2-2 |
| Gross weight | 0,2kg |
| Customs tariff number | 85365019000 |
| ECLASS | 27-37-12-38 Agreement switch |






