KCA4C004C000000DV0WP188V1 (Best. Nr. 105727)
Inhalte wählen
Baureihe KC...
- Flachsteckeranschluss 2,8 x 0,5
- 2 Betätigungsrichtungen
- Leuchtdrucktaster im Griff (D)
- Faltenbalg für Einbau (W)

Beschreibung








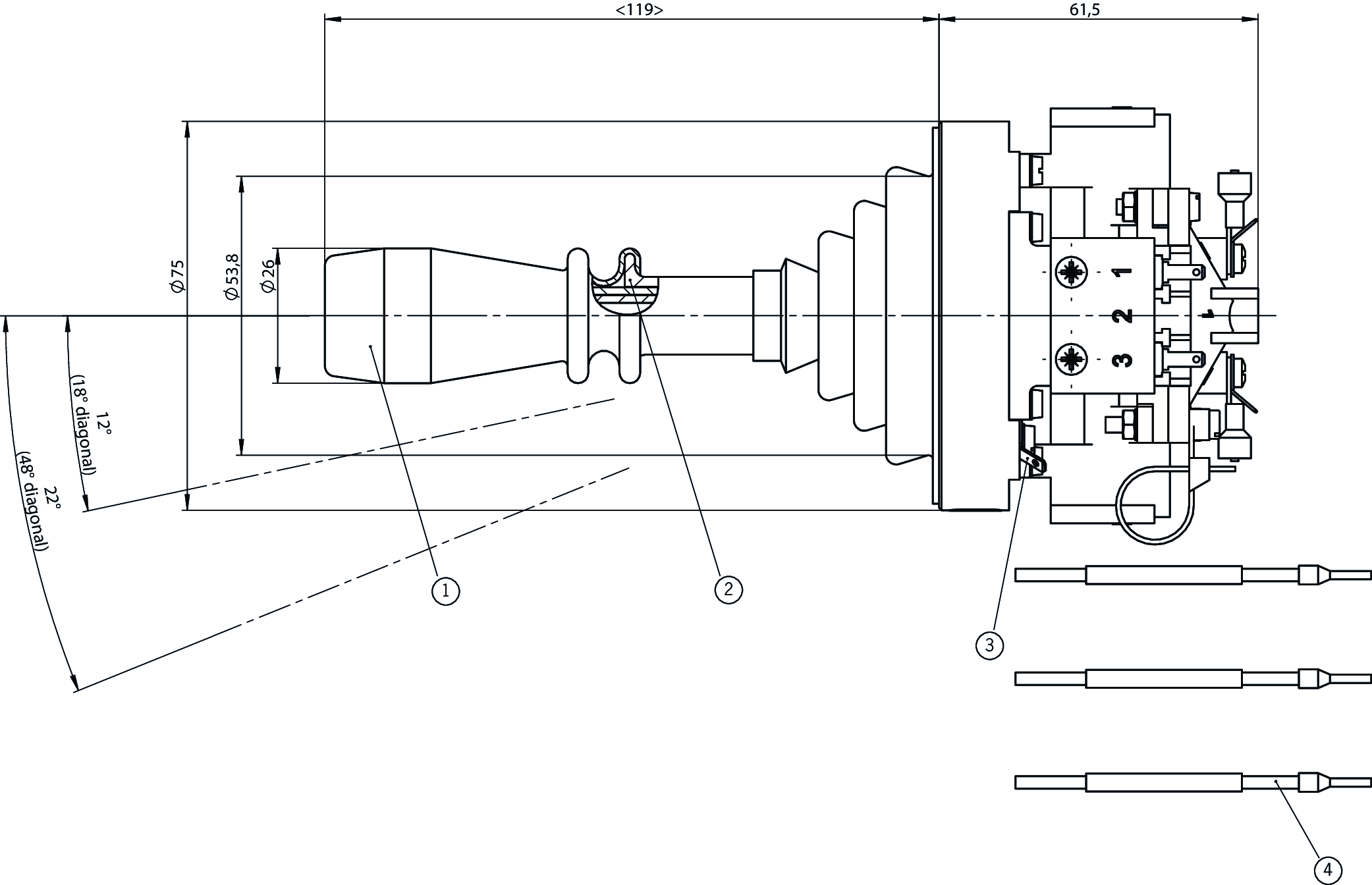
Funktionszeichnungen

Funktionszeichnungen

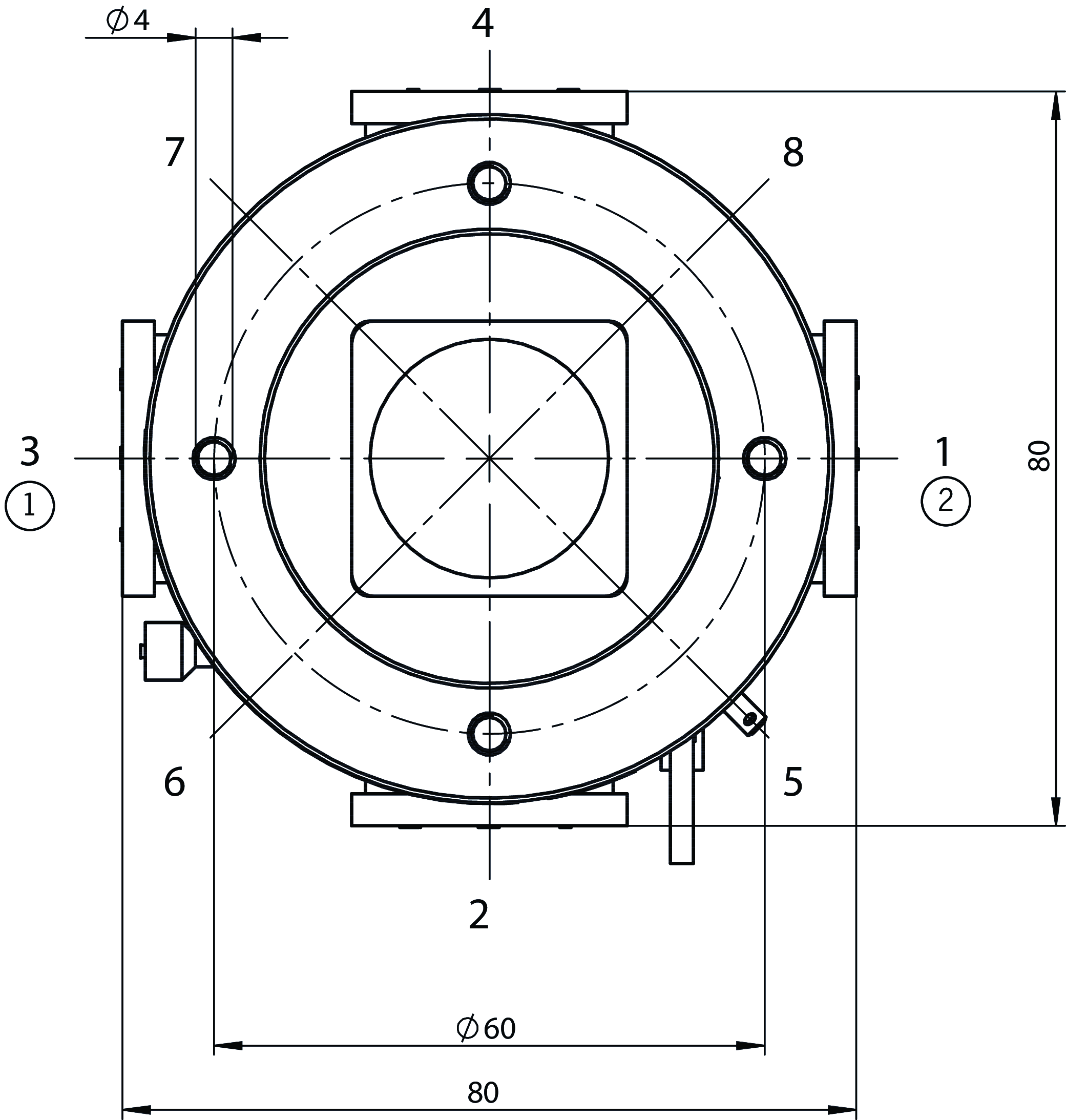
Maßzeichnungen

Maßzeichnungen

| 1 | Drucktaster D |
| 2 | Verriegelung V |
| 3 | Erdanschluss |
| 4 | 8 Litzen 0,75mm² mit Aderendhülsen 600 lang |
Anschlussbeispiele

Anschlussbeispiele

| 1 | Drucktaster D |
| 2 | Drucktaster D |
| 3 | Linkslauf (3/Kammer 1) |
| 4 | Linkslauf (1/Kammer 1) |
Anschlussbeispiele

Anschlussbeispiele

Technische Daten
Zulassungen


Elektrische Anschlusswerte
| Absicherung | T6/F10 |
| Bemessungsisolationsspannung Ui | 250 V |
| Bemessungsstoßspannung Uimp | 2.5 kV |
| Gebrauchskategorie | |
| AC-15 | 230V 4A |
| DC-13 | 24V 2A |
| Schaltspannung | min. 10 V |
| Schaltstrom | |
| (bei 24V) | min. 12 mA |
| Drucktaster im Griff | |
| Gebrauchskategorie | |
| DC-13 | 24V 1A |
| AC-15 | 230V 2A |
| Schaltspannung | min. 10 V |
| Schaltstrom | min. 3 mA bei 5V |
Mechanische Werte und Umgebung
| Anschlussart | Flachsteckanschluss 2,8 x 0,5 IEC 760 |
| Anzahl Meldekontakte | max. 4 4 (2 Richtungen x 2 Schaltelemente) |
| Betätigungsrichtungen | max. 2 max. 3 Stellungen (0-1-2) je nach Type pro Richtung möglich |
| Lagertemperatur | -25 ... 70 °C |
| Mechanische Lebensdauer | 1 x 10⁶ |
| Montageausschnitt | Ø 52 mm |
| Schaltprinzip | Wechsler C IEC 947-5-1 (Sprungschalter, Bauform ES556) |
| Schutzart | |
| frontseitig mit Faltenbalg | IP65 (Ausführung W) |
| Umgebungstemperatur | -25 ... 65 °C |
| Werkstoff | |
| Schalthebel Stahl verzinkt | |
| Kontakt | Silberlegierung |
| Gehäuse Thermoplast/Aluminium | |
| Faltenbalg Elastomer schwarz (PAK arm) | |
| Drucktaster im Griff | |
| Schaltprinzip | 2 Schliesser |
Verschiedenes
| P- Nummer | |
| P188 | (Leuchtdrucktaster Fa. Idec mit 2 Schliessern, Verdrahtung mit 600mm langen Litzen mit Aderendhülsen) |
| Zusätzliches Merkmal | |
| Drucktaster im Griff | |
| Faltenbalg W für Einbau | |
| Verriegelung in O-Stellung |
Downloads
Gesamtpaket
Alle wichtigen Dokumente mit einem Klick downloaden.
Enthält:
- Die Betriebsanleitung und ggf. Ergänzungen zur Betriebsanleitung oder Kurzanleitungen
- Ggf. Datenblätter als Ergänzung zur Betriebsanleitung
- Die Konformitätserklärung
Gesamtpaket herunterladen (ZIP, 0,3 MB)
Einzeldokumente
Konformitätserklärungen
EU-Konformitätserklärung
Dok.-Nr.
Version
Sprache
Größe
EU-Konformitätserklärung
Dok.-Nr.
Version
Sprache
Größe
0,2 MB
UKCA-Konformitätserklärung
Dok.-Nr.
Version
Sprache
Größe
UKCA-Konformitätserklärung
Dok.-Nr.
EDC20001504
Version
Sprache
Größe
0,1 MB
Sonstige Dokumente
Zulassungen und Bescheinigungen
CCC
Dok.-Nr.
Version
Sprache
Größe
CCC
Dok.-Nr.
20001849
Version
Sprache
Größe
0,0 MB
DNV-TAA000007E_rev.2
Dok.-Nr.
Version
Sprache
Größe
DNV-TAA000007E_rev.2
Dok.-Nr.
Version
Sprache
Größe
0,2 MB
WEEE
Dok.-Nr.
Version
Sprache
Größe
WEEE
Dok.-Nr.
ECO20001806
Version
Sprache
Größe
0,1 MB
Bestelldaten
| Bestellnummer | 105727 |
| Artikelbezeichnung | KCA4C004C000000DV0WP188V1 |
| Bruttogewicht | 0,62kg |
| Zolltarifnummer | 85365019000 |
| ECLASS | 27-37-14-04 Steuerschalter, Joystick |
