AnasayfaProductsPosition switches and multiple limit switchesMultiple limit switch, upright SNSN02D16-502-MC1938
SN02D16-502-MC1938 (Sip. No. 088162)
Choose content
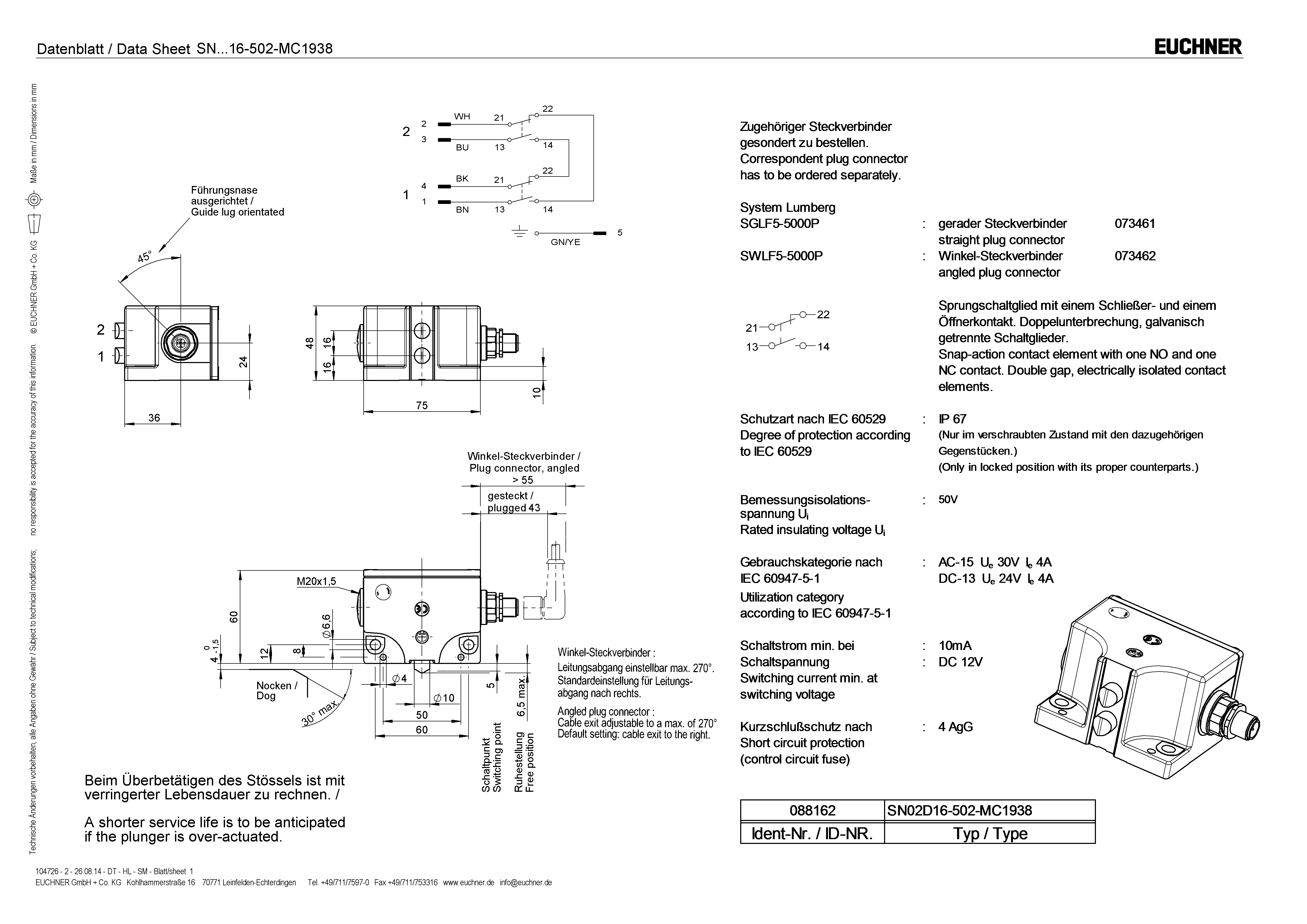
Series SN... 16 mm, mechanical
- Plunger spacing 16 mm
- Upright housing, small flange
- Degree of protection IP67 according to IEC 60529

Açıklama
Switching element
ES 502 E | Snap-action switching contact 1 NC + 1 NO |



Dimensional drawings

| 1 | Guide lug aligned |
| 2 | Free position |
| 3 | Operating point |
| 4 | Dog |
| 5 | Right-angle plug connector |
| 6 | In the inserted and screwed tight state |
| 7 | Right-angle plug connector: cable outlet adjustable max. 270° Default setting for cable outlet to the right. |
| 8 | A shorter mechanical life is to be anticipated if the plunger is over-actuated. |
| 9 | Snap-action switching contact with one NO contact and one NC contact. Double gap contacts, electrically isolated switching contacts. |
Connection examples

Connection examples

Teknik Veriler
Approvals


Electrical connection values
| Fuse | max. 4 A gG |
| Rated insulation voltage Ui | 50 V |
| Rated impulse voltage Uimp | 1.5 kV |
| Utilization category | |
| DC-13 | 4 A 24 V |
| AC-15 | 4 A 30 V |
| Switching current | |
| min. at DC 12V | min. 10 mA |
| thermal rated current Ith | 4 A |
Mechanical values and environment
| Anfahrgeschwindigkeit | 0.01 ... 40 m/min |
| Connection type | |
| 1 x | Plug connector M12 (5-pin, right) |
| Number NC contacts | 2 |
| Number of switching elements | 2 |
| Number of NO contacts | 2 |
| Design | upright |
| Actuating element | Chisel plunger (Operating point accuracy ± 0.002. The reproducible operating point accuracy refers to the axial travel of the plunger after the switching element ES 502 E has been run-in with approx. 2,000 operating cycles.) |
| Actuating force | min. 20 N |
| Installation orientation | any |
| Storage temperature | -25 ... 80 °C |
| Mechanical life | 30 x 10⁶ |
| Contact bounce time | max. 3 ms |
| Switching principle | Snap-action switching contact |
| Schließzeit | max. 4 ms |
| Degree of protection | IP67 (In the inserted and screwed tight state) |
| Plunger spacing | 16 mm |
| Ambient temperature | -5 ... 80 °C |
| Material | |
| Housing | Die-cast aluminum, anodized |
| Contact | Silver alloy, gold flashed |
Miscellaneous
| C number | |
| C1938 |
İndirme
Komple paket
Tüm önemli belgeleri tek bir tıklama ile indirin.
İçerik:
- Kullanım talimatları ve kullanım talimatlarına veya kısa talimatlara yapılan tüm eklemeler
- Kullanım talimatlarını tamamlayan tüm veri sayfaları
- Uygunluk beyanı
Paketin tamamını indirin (ZIP, 2,0 MB)
Tek Belgeler
Declarations of conformity
EU-Konformitätserklärung
Dok. No.
Versiyon
Dil
Boyut
EU-Konformitätserklärung
Dok. No.
EDC2539628
Versiyon
Dil
Boyut
0,2 MB
UKCA-Konformitätserklärung
Dok. No.
Versiyon
Dil
Boyut
UKCA-Konformitätserklärung
Dok. No.
EDC20001551
Versiyon
Dil
Boyut
0,1 MB
Instructions
Operating Instructions Precision Multiple Limit Switches SN 12/16 mm
Dok. No.
Versiyon
Dil
Boyut
Operating Instructions Precision Multiple Limit Switches SN 12/16 mm
Dok. No.
2032308
Versiyon
02/26
Dil
Boyut
0,6 MB
Mode d’emploi Boîtiers multipistes de précision SN 12/16 mm
Dok. No.
2032308
Versiyon
02/26
Dil
Boyut
0,6 MB
Manual de instrucciones Final de carrera múltiple de precisión SN 12/16 mm
Dok. No.
2032308
Versiyon
02/26
Dil
Boyut
0,6 MB
Betriebsanleitung Präzisions-Reihengrenztaster SN 12/16 mm
Dok. No.
2032308
Versiyon
02/26
Dil
Boyut
0,6 MB
Istruzioni di impiego Finecorsa multipli di precisione SN 12/16 mm
Dok. No.
2032308
Versiyon
02/26
Dil
Boyut
0,6 MB
使用说明书 精密组合行程开关 SN 12/16 mm
Dok. No.
2032308
Versiyon
02/26
Dil
Boyut
1,0 MB
Diğer Belgeler
Approvals and certificates
CCC
Dok. No.
Versiyon
Dil
Boyut
CCC
Dok. No.
20001849
Versiyon
Dil
Boyut
0,0 MB
WEEE
Dok. No.
Versiyon
Dil
Boyut
WEEE
Dok. No.
ECO20001806
Versiyon
Dil
Boyut
0,1 MB
c UL us
Dok. No.
Versiyon
Dil
Boyut
c UL us
Dok. No.
Versiyon
Dil
Boyut
0,3 MB
Sales documents
Position Switches and Multiple Limit Switches
Dok. No.
Versiyon
Dil
Boyut
Position Switches and Multiple Limit Switches
Dok. No.
157836
Versiyon
01-03/18
Dil
Boyut
4,1 MB
Interrupteurs de position et boîtiers multipistes
Dok. No.
157837
Versiyon
01-03/18
Dil
Boyut
4,1 MB
Positionsschalter und Reihengrenztaster
Dok. No.
157835
Versiyon
01-03/18
Dil
Boyut
4,1 MB
Sipariş verileri
| Sip. No. | 088162 |
| Makale adı | SN02D16-502-MC1938 |
| Ağırlık | 0,45kg |
| Gümrük sınıfı | 85365019000 |
| ECLASS | 27-27-06-02 Multi-position switch |


