HomeProdutosInterruptor de posição e chave de fim de curso múltiplaChave de fim de curso múltipla, em pé SNSN04R12-514-MC2188
SN04R12-514-MC2188 (Nº de pedido 100266)
Escolha o conteúdo
Série SN... 12 mm mecânico
- Distância do tucho 12 mm
- Forma construtiva da carcaça na vertical, flange pequeno
- Grau de proteção IP67 conforme IEC 60529

Descrição
Elementos de comutação
ES 514 | Elemento de comutação rápida 1 N/F |
No caso de utilização dos elementos de comutação, até atingir o curso de abertura forçada, a distância dos excêntricos
deve ser respeitada. Os excêntricos devem ser montados com união positiva conforme EN ISO 14119, ou seja, rebitados, soldados ou protegidos de outro modo contra a soltura.


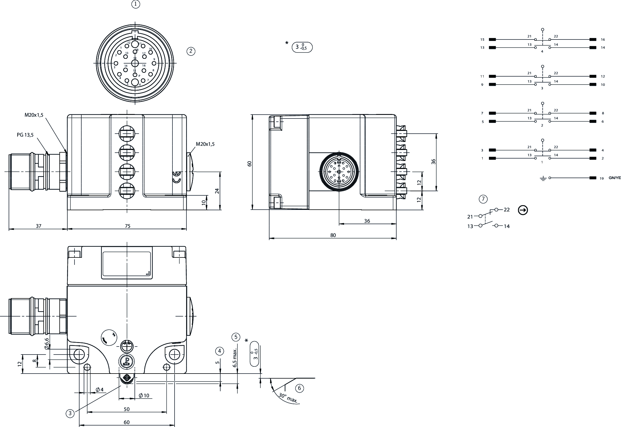
Desenhos dimensionais

| * | Para atingir o trajeto de separação, a distância do excêntrico de comando deve ser respeitada. Os elementos de acionamento, como por ex., as réguas de aproximação de excêntricos devem ser montados com união positiva, isto é, rebitados, soldados ou protegidos de outro modo contra uma soltura. |
| 1 | Vista pelo lado de encaixe |
| 2 | Sem conector correspondente |
| 3 | Tucho de roletes com rolamento de esferas+mola macia |
| 4 | Ponto de comutação |
| 5 | Posição de repouso |
| 6 | Excêntrico |
| 7 | Elemento de comutação ES514 com função de ação rápida: 1 Contato de trabalho e 1 contato de abertura de condução forçada com interrupção dupla e ponte de comutação separada galvanicamente. |
Exemplos de conexão

Dados técnicos
Aprovações


Valores de conexão elétrica
| Hedging | max. 6 A gG |
| Tensão nominal de isolamento Ui | 50 V |
| Tensão nominal de impulso Uimp | 1.5 kV |
| Categoria de uso | |
| DC-13 | 6 A 24 V |
| Corrente de comutação | |
| No mín. a CC 24 V | min. 5 mA |
| Corrente nominal térmica Ith | 6 A |
Valores mecânicos e ambiente
| Anfahrgeschwindigkeit | 0.01 ... 120 m/min |
| Tipo de conexão | 1 x Conector de encaixe 16+3 pinos. (Tomada embutida de sinais 16+3 pinos, proteção contra vibração, empresa INTERCONTEC Nº de encomenda: A EG A 561 MR 93 00 2053 000, contatos D = 1 mm + 1 x 1,5 mm, montada a esquerda. Cabeamento 0,5 mm² + 1 x conexão à terra 0,75 mm²) |
| Quantidade de elementos de comutação | 4 |
| Quantidade de contatos de trabalho | 4 |
| Quantidade de contatos de abertura forçada | 4 |
| Forma construtiva | fixa |
| Elemento de acionamento | e de roldana (Rolamento de esfera) |
| Força de acionamento | min. 25 N |
| Posição de montagem | qualquer |
| Temperatura de armazenamento | -25 ... 80 °C |
| Vida mecânica | 1 x 10⁶ |
| Tempo de salto do contato | max. 3 ms |
| Diâmetro dos rolos | 8 mm |
| Princípio de troca | Elemento de comutação rápida |
| Schließzeit | max. 5 ms |
| Classe de proteção | IP67 (Somente em estado aparafusado com o conector correspondente pertinente) |
| Distância do tucho | 12 mm |
| Temperatura ambiente | -5 ... 80 °C |
| Material | |
| Contato | Liga de prata, flash de ouro |
| Caixa | Fundição de alumínio anodizado |
Valores característicos de acordo com EN ISO 13849-1 e EN IEC 62061
| B10D | 2 x 10⁶ |
Diversos
| Número C | |
| C2188 |
Downloads
Pacote completo
Efetuar o download de todos os documentos importantes com um clique
Contém
- O manual de instruções e, eventualmente, o seu complemento ou as breves instruções
- Eventualmente as fichas técnicas como complemento do manual de instruções
- A declaração de conformidade
Efetuar o download do pacote completo (ZIP, 1,8 MB)
Documentos isolados
Declarações de conformidade
EU-Konformitätserklärung
Nº do doc.
Versão
Idioma
Tamanho
EU-Konformitätserklärung
Nº do doc.
EDC2539628
Versão
Idioma
Tamanho
0,2 MB
UKCA-Konformitätserklärung
Nº do doc.
Versão
Idioma
Tamanho
UKCA-Konformitätserklärung
Nº do doc.
EDC20001551
Versão
Idioma
Tamanho
0,1 MB
Instruções
Operating Instructions Precision Multiple Limit Switches SN 12/16 mm
Nº do doc.
Versão
Idioma
Tamanho
Operating Instructions Precision Multiple Limit Switches SN 12/16 mm
Nº do doc.
2032308
Versão
02/26
Idioma
Tamanho
0,6 MB
Mode d’emploi Boîtiers multipistes de précision SN 12/16 mm
Nº do doc.
2032308
Versão
02/26
Idioma
Tamanho
0,6 MB
Manual de instrucciones Final de carrera múltiple de precisión SN 12/16 mm
Nº do doc.
2032308
Versão
02/26
Idioma
Tamanho
0,6 MB
Betriebsanleitung Präzisions-Reihengrenztaster SN 12/16 mm
Nº do doc.
2032308
Versão
02/26
Idioma
Tamanho
0,6 MB
Istruzioni di impiego Finecorsa multipli di precisione SN 12/16 mm
Nº do doc.
2032308
Versão
02/26
Idioma
Tamanho
0,6 MB
使用说明书 精密组合行程开关 SN 12/16 mm
Nº do doc.
2032308
Versão
02/26
Idioma
Tamanho
1,0 MB
Outros documentos
Aprovações e certificados
CCC
Nº do doc.
Versão
Idioma
Tamanho
CCC
Nº do doc.
20001849
Versão
Idioma
Tamanho
0,0 MB
WEEE
Nº do doc.
Versão
Idioma
Tamanho
WEEE
Nº do doc.
ECO20001806
Versão
Idioma
Tamanho
0,1 MB
c UL us
Nº do doc.
Versão
Idioma
Tamanho
c UL us
Nº do doc.
Versão
Idioma
Tamanho
0,3 MB
Documentos de venda
Position Switches and Multiple Limit Switches
Nº do doc.
Versão
Idioma
Tamanho
Position Switches and Multiple Limit Switches
Nº do doc.
157836
Versão
01-03/18
Idioma
Tamanho
4,1 MB
Interrupteurs de position et boîtiers multipistes
Nº do doc.
157837
Versão
01-03/18
Idioma
Tamanho
4,1 MB
Positionsschalter und Reihengrenztaster
Nº do doc.
157835
Versão
01-03/18
Idioma
Tamanho
4,1 MB
Dados de encomenda
| Nº de pedido | 100266 |
| Designação do artigo | SN04R12-514-MC2188 |
| Peso bruto | 0,674kg |
| Número da tarifa alfandegária | 85365019000 |
| ECLASS | 27-27-06-02 Multi-position switch |
+ 1 N/A

