HomeProdutosInterruptor de posição e chave de fim de curso múltiplaChave de fim de curso múltipla, em pé SNSN02D12-514-M
SN02D12-514-M (Nº de pedido 091096)
Escolha o conteúdo
Série SN... 12 mm mecânico
- Distância do tucho 12 mm
- Forma construtiva da carcaça na vertical, flange pequeno
- Grau de proteção IP67 conforme IEC 60529

Descrição
Elemento de comutação
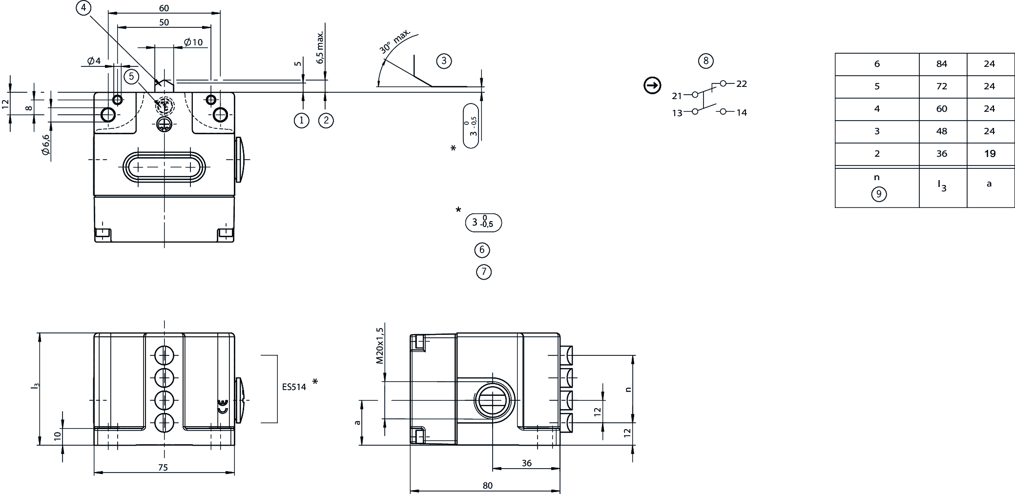
ES 514 | Elemento de comutação rápida 1 N/F |
No caso de utilização dos elementos de comutação, até atingir o curso de abertura forçada, a distância dos excêntricos
deve ser respeitada. Os excêntricos devem ser montados conforme a EN ISO14119 com união positiva, isto é, rebitados, soldados ou protegidos de outro modo contra a soltura.


Desenhos dimensionais

| * | Elemento de comutação de segurança ES514 com separação forçada. Função de separação forçada depende do respeito desta dimensão. |
| 1 | Ponto de comutação |
| 2 | Posição de repouso |
| 3 | Excêntrico |
| 4 | Conforme a versão |
| 5 | Etiqueta auto adesiva 041734 colada. |
| 6 | Os atuadores (excêntricos) devem ser ligados por união positiva com a máquina. |
| 7 | A chave somente pode ser substituída pelo mesmo tipo. |
| 8 | Elemento de comutação ES514 com função de ação rápida: 1 Contato de trabalho e 1 contato de abertura de condução forçada com interrupção dupla e ponte de comutação separada galvanicamente. |
| 9 | Quantidade de tuchos |
Exemplos de conexão

Dados técnicos
Aprovações


Valores de conexão elétrica
| Hedging | max. 6 A gG |
| Seção transversal da conexão | 0.34 ... 1.5 mm² |
| Tensão nominal de isolamento Ui | 250 V |
| Tensão nominal de impulso Uimp | 4 kV |
| Categoria de uso | |
| AC-15 | 2,5 A 230 V |
| DC-13 | 6 A 24 V |
| Corrente de comutação | |
| No mín. a CC 24 V | min. 5 mA |
| Corrente nominal térmica Ith | 10 A |
Valores mecânicos e ambiente
| Anfahrgeschwindigkeit | 0.01 ... 40 m/min |
| Tipo de conexão | |
| 2 x | M20 x 1,5 |
| Quantidade de elementos de comutação | 2 |
| Quantidade de contatos de trabalho | 2 |
| Quantidade de contatos de abertura forçada | 2 |
| Forma construtiva | fixa |
| Elemento de acionamento | Tucho de teto |
| Força de acionamento | min. 30 N |
| Posição de montagem | qualquer |
| Temperatura de armazenamento | -25 ... 80 °C |
| Vida mecânica | 1 x 10⁶ |
| Princípio de troca | Elemento de comutação rápida (Tempo de fecho ≤ 5 ms tempo de salto do contato ≤ 3 ms) |
| Classe de proteção | IP67 |
| Distância do tucho | 12 mm |
| Temperatura ambiente | -5 ... 80 °C |
| Material | |
| Contato | Liga de prata, flash de ouro |
| Caixa | Fundição de alumínio anodizado |
Valores característicos de acordo com EN ISO 13849-1 e EN IEC 62061
| B10D | 2 x 10⁶ |
Downloads
Pacote completo
Efetuar o download de todos os documentos importantes com um clique
Contém
- O manual de instruções e, eventualmente, o seu complemento ou as breves instruções
- Eventualmente as fichas técnicas como complemento do manual de instruções
- A declaração de conformidade
Efetuar o download do pacote completo (ZIP, 1,7 MB)
Documentos isolados
Declarações de conformidade
EU-Konformitätserklärung
Nº do doc.
Versão
Idioma
Tamanho
EU-Konformitätserklärung
Nº do doc.
EDC2539628
Versão
Idioma
Tamanho
0,2 MB
UKCA-Konformitätserklärung
Nº do doc.
Versão
Idioma
Tamanho
UKCA-Konformitätserklärung
Nº do doc.
EDC20001551
Versão
Idioma
Tamanho
0,1 MB
Instruções
Operating Instructions Precision Multiple Limit Switches SN 12/16 mm
Nº do doc.
Versão
Idioma
Tamanho
Operating Instructions Precision Multiple Limit Switches SN 12/16 mm
Nº do doc.
2032308
Versão
02/26
Idioma
Tamanho
0,6 MB
Mode d’emploi Boîtiers multipistes de précision SN 12/16 mm
Nº do doc.
2032308
Versão
02/26
Idioma
Tamanho
0,6 MB
Manual de instrucciones Final de carrera múltiple de precisión SN 12/16 mm
Nº do doc.
2032308
Versão
02/26
Idioma
Tamanho
0,6 MB
Betriebsanleitung Präzisions-Reihengrenztaster SN 12/16 mm
Nº do doc.
2032308
Versão
02/26
Idioma
Tamanho
0,6 MB
Istruzioni di impiego Finecorsa multipli di precisione SN 12/16 mm
Nº do doc.
2032308
Versão
02/26
Idioma
Tamanho
0,6 MB
使用说明书 精密组合行程开关 SN 12/16 mm
Nº do doc.
2032308
Versão
02/26
Idioma
Tamanho
1,0 MB
Outros documentos
Aprovações e certificados
CCC
Nº do doc.
Versão
Idioma
Tamanho
CCC
Nº do doc.
20001849
Versão
Idioma
Tamanho
0,0 MB
WEEE
Nº do doc.
Versão
Idioma
Tamanho
WEEE
Nº do doc.
ECO20001806
Versão
Idioma
Tamanho
0,1 MB
c UL us
Nº do doc.
Versão
Idioma
Tamanho
c UL us
Nº do doc.
Versão
Idioma
Tamanho
0,3 MB
Documentos de venda
Position Switches and Multiple Limit Switches
Nº do doc.
Versão
Idioma
Tamanho
Position Switches and Multiple Limit Switches
Nº do doc.
157836
Versão
01-03/18
Idioma
Tamanho
4,1 MB
Interrupteurs de position et boîtiers multipistes
Nº do doc.
157837
Versão
01-03/18
Idioma
Tamanho
4,1 MB
Positionsschalter und Reihengrenztaster
Nº do doc.
157835
Versão
01-03/18
Idioma
Tamanho
4,1 MB
CAD/eCAD
Dados de encomenda
| Nº de pedido | 091096 |
| Designação do artigo | SN02D12-514-M |
| Peso bruto | 0,379kg |
| Número da tarifa alfandegária | 85365019000 |
| ECLASS | 27-27-06-02 Multi-position switch |
+ 1 N/A
