HomeProdutosChave de segurança codificada por solenóideCabeças de leitura CMS com contatos ReedCMS-R-BZB-05P
CMS-R-BZB-05P (Nº de pedido 103869)
Escolha o conteúdo
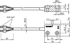
Cabeças de leitura na forma construtiva B para ESM, PUR
- Em combinação com os dispositivos de avaliação ESM-BA...
- Versão quadrada 36 x 26 mm
- Cabo de conexão
- Tipo de cabo: PUR

Descrição
Diagrama de resposta na forma construtiva B
CMS-R-BZB
- Distância típica de ligação
- Distância típica de desligamento


Desenhos dimensionais

Exemplos de conexão

Dados técnicos
Aprovações

Valores de conexão elétrica
| Hedging | |
| Alimentação de tensão / contatos de segurança, proteção externa do contato | Fusível lento de 10 A gG (O parâmetro depende dos dispositivos de avaliação ESM-BA2.. e ESM-BA3..) |
| Corrente de curto-circuito nominal condicional | 100 A (O parâmetro depende dos dispositivos de avaliação ESM-BA2.. e ESM-BA3..) |
| Freqüência de comutação elétrica | |
| com I_min = 10 mA | max. 5 Hz (O parâmetro depende dos dispositivos de avaliação ESM-BA2.. e ESM-BA3..) |
| Tensão de comutação | |
| CC | 24 ... 35 V |
| Tensão de comutação conforme UL | |
| Conforme UL Classe 2 | max. 24 V AC/DC |
| Corrente de comutação | max. 100 mA |
| Comportamento de comutação | paralelo |
| Retardo de comutação a partir da alteração de estado | max. 26 ms |
Valores mecânicos e ambiente
| Tipo de conexão | cabo encapsulado firme com manga de fio 0,34mm2 |
| Quantidade de contatos de trabalho | 2 Contatos de trabalho com fusível, com respectivamente 100 mA |
| Torque de aperto | 0.4 ... 0.5 Nm |
| Forma construtiva | B |
| Posição de montagem | qualquer |
| Temperatura de armazenamento | -25 ... 70 °C |
| Comprimento do cabo | 5 m |
| Vida mecânica | 100 x 10⁶ |
| Classe de proteção | IP67 |
| Temperatura ambiente | -20 ... 60 °C |
| Material | |
| Material do cabo | PUR |
| Caixa | PPS reforçado com fibra de vidro |
| Modo de atuação | magnético, contato Reed |
Valores característicos de acordo com EN ISO 13849-1 e EN IEC 62061
| null | |
| B10D | 20 x 10⁶ |
Diversos
| Normas cumpridas | EN ISO 13849-1: 2015; EN 62061: 2005 + AC: 2010 + A1: 2013 + A2: 2015; EN ISO 14119: 2013; IEC 60947-5-3: 2013 |
Em combinação com a cabeça de leitura ESM-BA201, ESM-BA202, ESM-BA203, ESM-BA301, ESM-BA302, ESM-BA303, ESM-BA201P, ESM-BA301P e o atuador CMS-M-BH
| Distância segura de desligamento sar | 20 mm (O intervalo de desligamento seguro s_ar corresponde ao intervalo de reset.) |
| Distância de comutação segura sao | |
| Com desvio do centro m=0 | min. 7 mm (Indicação de valor somente, se não houver nenhum material ferromagnético nas proximidades da cabeça de leitura e do atuador.) |
Acessórios
Downloads
Pacote completo
Efetuar o download de todos os documentos importantes com um clique
Contém
- O manual de instruções e, eventualmente, o seu complemento ou as breves instruções
- Eventualmente as fichas técnicas como complemento do manual de instruções
- A declaração de conformidade
Efetuar o download do pacote completo (ZIP, 2,8 MB)
Documentos isolados
Instruções
Operating Instructions Read Heads/Actuators CMS for Safety Relays ESM
Nº do doc.
Versão
Idioma
Tamanho
Operating Instructions Read Heads/Actuators CMS for Safety Relays ESM
Nº do doc.
2096881
Versão
04/26
Idioma
Tamanho
0,9 MB
Mode d’emploi Têtes de lecture / actionneurs CMS pour relais de sécurité ESM
Nº do doc.
2096881
Versão
04/26
Idioma
Tamanho
1,0 MB
Manual de instrucciones Cabezas de lectura/actuadores CMS para relés de seguridad ESM
Nº do doc.
2096881
Versão
04/26
Idioma
Tamanho
1,0 MB
Betriebsanleitung Leseköpfe/Betätiger CMS für Sicherheitsrelais ESM
Nº do doc.
2096881
Versão
04/26
Idioma
Tamanho
1,0 MB
사용 설명서 CMS 계열 읽기 헤드/액추에이터, ESM 계열 안전 릴레이의 경우
Nº do doc.
2096881
Versão
04/26
Idioma
Tamanho
1,0 MB
Outros documentos
Aprovações e certificados
TUEV Rheinland
Nº do doc.
Versão
Idioma
Tamanho
TUEV Rheinland
Nº do doc.
Versão
Idioma
Tamanho
0,6 MB
WEEE
Nº do doc.
Versão
Idioma
Tamanho
WEEE
Nº do doc.
ECO20001806
Versão
Idioma
Tamanho
0,1 MB
c UL us
Nº do doc.
Versão
Idioma
Tamanho
c UL us
Nº do doc.
Versão
Idioma
Tamanho
1,0 MB
Documentos de venda
Interrupteurs de sécurité à codage magnétique CMS
Nº do doc.
Versão
Idioma
Tamanho
Interrupteurs de sécurité à codage magnétique CMS
Nº do doc.
090606
Versão
10-11/20
Idioma
Tamanho
5,8 MB
Macros ePlan
EUC.103869
Nº do doc.
Versão
Idioma
Tamanho
EUC.103869
Nº do doc.
Versão
Idioma
Tamanho
0,0 MB
Dados de encomenda
| Nº de pedido | 103869 |
| Designação do artigo | CMS-R-BZB-05P |
| Peso bruto | 0,259kg |
| Número da tarifa alfandegária | 85389099990 |
| ECLASS | 27-27-24-02 Safety-related magnetic proximity switch |


