CET2-AR-CRA-CH-50F-SG-C2312-109941 (Nº de pedido 109941)
Chave de segurança com bloqueio CET-AR-..., RFID, conector de plugue M12, destravamento de fuga
- Princípio do circuito aberto
- Multicode
- Bloqueio de proteção da saída de monitoramento OUT
- 2 conectores de plugue M12, 5 pinos e 8 pinos
- Destravamento de fuga, 105 mm de comprimento

Descrição
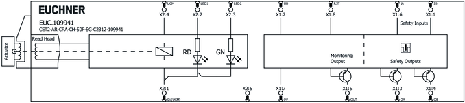
Princípio de bloqueio
Corrente de operação (energia para bloquear): Em um protetor com bloqueio conforme o princípio de circuito aberto, o protetor é bloqueado até que a alimentação de corrente para o solenoide de bloqueio seja interrompida. O destravamento é efetuado por força de mola. Esse bloqueio também é conhecido como bloqueio elétrico.
Avaliação Multicode
O sistema verifica se o tipo de atuador pode ser reconhecido pelo sistema (avaliação multicódigo). O sistema tem um nível de codificação baixo. Todo atuador adequado é reconhecido pela chave.
Características de segurança
Graças a duas saídas de segurança redundantes (saídas semicondutoras) com monitoramento interno, o dispositivo é adequado para
- Categoria 4 /PL e de acordo com a norma EN 13849-1
- SIL 3 de acordo com a norma EN IEC 62061 Tabela 4
As saídas OSSD usadas verificam sua função quanto a curtos-circuitos e circuitos cruzados com pulsos de teste.
Destravamento de fuga
Serve, em caso de perigo, para destravar o bloqueio sem meios auxiliares a partir da área de perigo.
Indicação de LED
ESTADO DO LED | LED de estado |
LED DIA | LED de diagnóstico |
LED 1 rd. | pode ser atribuído livremente |
LED 2 gn | pode ser atribuído livremente |
Diagrama de contatos
Acessórios necessários
O atuador não está incluído no fornecimento.
A chave de segurança só pode ser operada em conjunto com os atuadores fornecidos para esse fim.



Desenhos dimensionais

Exemplos de conexão

Dados técnicos
Aprovações

Espaço de trabalho
| Precisão de repetição R | 10 % |
Valores de conexão elétrica
| Hedging | |
| externo (tensão de serviço UCM) | 0.5 ... 8 A |
| externo (tensão de serviço UB) | 0.25 ... 8 A |
| Cabo de conexão | |
| Solenóide | 11 W |
| Tensão de operação CC | |
| UB | 24 V DC -15% ... +15% protegido contra polaridade reversa, regulado, ondulação restante<5%, PELV |
| LED1 , LED2 | 24 V DC -15% V DC ... +10% V DC |
| Requisitos de proteção CEM | de acordo com EN IEC 60947-5-3 |
| Categoria de uso | |
| DC-13 | 24 V 200mA (Cuidado: As saídas devem ser protegidas com um diodo de roda livre no caso de cargas indutivas) |
| Tensão operacional do solenóide CC | |
| UCM | 24 V DC -15% ... +10% protegido contra polaridade reversa, regulado, ondulação restante<5%, PELV |
| Duração de ligação do solenóide ED | 100 % |
| Tempo de risco conforme EN 60947-5-3 | max. 400 ms |
| Tempo de risco de acordo com a norma EN 60947-5-3, extensão para cada unidade adicional | max. 5 ms |
| Carga de comutação | |
| Conforme UL | 24 V CC, Class 2 (Consultar as alternativas no manual de operação) |
| Classe de proteção | III |
| Consumo de corrente | |
| IB | 80 mA |
| ICM | 450 mA |
| Duração do pulso de teste | max. 1 ms |
| Grau de contaminação (externo, conforme EN 60947-1) | 3 |
| Saída de monitoração OUT | |
| Tipo de saída | Saída semicondutor, comutando em p, protegida contra curto-circuito |
| Tensão de saída | |
| OUT | 0.8xUB ... UB V DC |
| Corrente de saída | |
| OUT | 1 ... 50 mA |
| Saídas de segurança OA / OB | |
| Tipo de saída | Saídas de semicondutor, comutando em p, protegido contra curto-circuito |
| Tensão de saída | |
| LOW U(OA,OB) | 0 ... 1 V DC |
| HIGH U(OA,OB) | UB-1.5V ... UB V DC (Valores com uma corrente de comutação de 50 mA não se considerando o comprimento do cabo.) |
| Corrente de saída | |
| em cada saída de segurança | 1 ... 200 mA |
| Tempo de discrepância | |
| Ambas as saídas de segurança | max. 10 ms |
| Tempo de ligação | |
| Saídas de segurança | 400 ms |
| Corrente residual Ir | max. 0.25 mA |
Valores mecânicos e ambiente
| Anfahrgeschwindigkeit | max. 20 m/min |
| Tipo de conexão | 2 Conectores de encaixe M12, 5 e 8 pinos |
| Retardo de prontidão | 10 s |
| Posição de montagem | qualquer |
| Frequência de comutação | max. 0.5 Hz |
| Grau de liberdade X | ±5 mm |
| Grau de liberdade Y | ±5 mm |
| Grau de liberdade Z | ±4 mm |
| Temperatura de armazenamento | -25 ... 70 °C |
| Vida mecânica | 2 x 10⁶ |
| Resistência ao choque e a oscilação | de acordo com EN IEC 60947-5-3 |
| Classe de proteção | IP67 (Em estado encaixado e travado) |
| Temperatura ambiente | |
| com UB = 24V CC | -20 ... 55 °C |
| Material | |
| Rampa | aço inoxidável |
| Carcaça da chave de segurança | Fundição de alumínio |
| Força de bloqueio Fmax | 6500 N |
| Força de bloqueio FZh | 5000 N |
| Princípio de bloqueio | Princípio do circuito aberto |
Valores característicos de acordo com EN ISO 13849-1 e EN IEC 62061
| PL | SIL máximo | PFHD | Categoria | Duração de uso | |
|---|---|---|---|---|---|
| Monitoração do bloqueio | PL e | - | 3.1x10-9 | 4 | 20 y |
Diversos
| Número C | |
| C2312 | Destravamento de fuga prolongado |
| Notas para aprovação UL | Operação somente com a alimentação de tensão UL-Class 2 ou medidas similares, consultar o manual de operação |
Acessórios

AM-C-SW4-V3-161344
- Inserções de plástico para os parafusos de sextavado interno de abertura da chave SW4
- Proteção eficiente contra a manipulação para a fixação das chaves de segurança
- Encontram-se anexadas à embalagem as inserções para 18 parafusos

AM-C-SW5-V3-161348
- Inserções de plástico para os parafusos de sextavado interno de abertura da chave SW5
- Proteção eficiente contra a manipulação para a fixação das chaves de segurança
- Encontram-se anexadas à embalagem as inserções para 18 parafusos

C-M12F05-05X034PU01,5-M12M05-159356
- Conector fêmea M12 sobre o conector de encaixe M12, 5 pinos
- Conector fêmea e de encaixe reto
- Cabo de conexão de acordo com o padrão AIDA
- Cabo PUR, cor do invólucro cinza
- Comprimento do cabo 1,5 m

C-M12F05-05X034PU01,5-M12M05-159363
- Conector fêmea M12 sobre o conector de encaixe M12, 5 pinos
- Conector fêmea e de encaixe reto
- Cabo de conexão de acordo com o padrão AIDA
- Cabo PUR, cor do invólucro amarela
- Comprimento do cabo 1,5 m

C-M12F05-05X034PU10,0-M12M05-119947
- Conector fêmea M12 sobre o conector de encaixe M12, 5 pinos
- Conector fêmea e de encaixe reto
- Cabo PUR
- Comprimento do cabo 10 m

C-M12F05-05X034PV10,0-M12M05-100181
- Conector fêmea M12 sobre o conector de encaixe M12, 5 pinos
- Conector fêmea e de encaixe reto
- Cabo de PVC
- Comprimento do cabo 10 m

C-M12F05-05X034PU10,0-M12M05-159360
- Conector fêmea M12 sobre o conector de encaixe M12, 5 pinos
- Conector fêmea e de encaixe reto
- Cabo de conexão de acordo com o padrão AIDA
- Cabo PUR, cor do invólucro cinza
- Comprimento do cabo 10 m

C-M12F05-05X034PU10,0-M12M05-159920
- Conector fêmea M12 sobre o conector de encaixe M12, 5 pinos
- Conector fêmea e de encaixe reto
- Cabo de conexão de acordo com o padrão AIDA
- Cabo PUR, cor do invólucro amarela
- Comprimento do cabo 10 m

C-M12F05-05X034PU15,0-M12M05-159361
- Conector fêmea M12 sobre o conector de encaixe M12, 5 pinos
- Conector fêmea e de encaixe reto
- Cabo de conexão de acordo com o padrão AIDA
- Cabo PUR, cor do invólucro cinza
- Comprimento do cabo 15 m

C-M12F05-05X034PU15,0-M12M05-159921
- Conector fêmea M12 sobre o conector de encaixe M12, 5 pinos
- Conector fêmea e de encaixe reto
- Cabo de conexão de acordo com o padrão AIDA
- Cabo PUR, cor do invólucro amarela
- Comprimento do cabo 15 m

C-M12F05-05X034PU01,0-M12M05-159355
- Conector fêmea M12 sobre o conector de encaixe M12, 5 pinos
- Conector fêmea e de encaixe reto
- Cabo de conexão de acordo com o padrão AIDA
- Cabo PUR, cor do invólucro cinza
- Comprimento do cabo 1 m

C-M12F05-05X034PU01,0-M12M05-159362
- Conector fêmea M12 sobre o conector de encaixe M12, 5 pinos
- Conector fêmea e de encaixe reto
- Cabo de conexão de acordo com o padrão AIDA
- Cabo PUR, cor do invólucro amarela
- Comprimento do cabo 1 m

C-M12F05-05X034PU20,0-M12M05-119971
- Conector fêmea M12 sobre o conector de encaixe M12, 5 pinos
- Conector fêmea e de encaixe reto
- Cabo PUR
- Comprimento do cabo 20 m

C-M12F05-05X034PV20,0-M12M05-100182
- Conector fêmea M12 sobre o conector de encaixe M12, 5 pinos
- Conector fêmea e de encaixe reto
- Cabo de PVC
- Comprimento do cabo 20 m

C-M12F05-05X034PU03,0-M12M05-159357
- Conector fêmea M12 sobre o conector de encaixe M12, 5 pinos
- Conector fêmea e de encaixe reto
- Cabo de conexão de acordo com o padrão AIDA
- Cabo PUR, cor do invólucro cinza
- Comprimento do cabo 3 m

C-M12F05-05X034PU03,0-M12M05-159364
- Conector fêmea M12 sobre o conector de encaixe M12, 5 pinos
- Conector fêmea e de encaixe reto
- Cabo de conexão de acordo com o padrão AIDA
- Cabo PUR, cor do invólucro amarela
- Comprimento do cabo 3 m

C-M12F05-05X034PU05,0-M12M05-119932
- Conector fêmea M12 sobre o conector de encaixe M12, 5 pinos
- Conector fêmea e de encaixe reto
- Cabo PUR
- Comprimento do cabo 5 m

C-M12F05-05X034PV05,0-M12M05-100180
- Conector fêmea M12 sobre o conector de encaixe M12, 5 pinos
- Conector fêmea e de encaixe reto
- Cabo de PVC
- Comprimento do cabo 5 m

C-M12F05-05X034PU05,0-M12M05-159358
- Conector fêmea M12 sobre o conector de encaixe M12, 5 pinos
- Conector fêmea e de encaixe reto
- Cabo de conexão de acordo com o padrão AIDA
- Cabo PUR, cor do invólucro cinza
- Comprimento do cabo 5 m

C-M12F05-05X034PU05,0-M12M05-159365
- Conector fêmea M12 sobre o conector de encaixe M12, 5 pinos
- Conector fêmea e de encaixe reto
- Cabo de conexão de acordo com o padrão AIDA
- Cabo PUR, cor do invólucro amarela
- Comprimento do cabo 5 m

C-M12F05-05X034PU08,0-M12M05-159359
- Conector fêmea M12 sobre o conector de encaixe M12, 5 pinos
- Conector fêmea e de encaixe reto
- Cabo de conexão de acordo com o padrão AIDA
- Cabo PUR, cor do invólucro cinza
- Comprimento do cabo 8 m

C-M12F05-05X034PU08,0-M12M05-159919
- Conector fêmea M12 sobre o conector de encaixe M12, 5 pinos
- Conector fêmea e de encaixe reto
- Cabo de conexão de acordo com o padrão AIDA
- Cabo PUR, cor do invólucro amarela
- Comprimento do cabo 8 m

C-M12F08-08X025PU10,0-MA-115113
- Conector fêmea M12, 8 pinos
- Conector de encaixe reto
- Cabo PUR
- Comprimento do cabo 10 m
- Com extremidade aberta do cabo

C-M12F08-08X025PV10,0-MA-100178
- Conector fêmea M12, 8 pinos
- Conector de encaixe reto
- Cabo de PVC
- Comprimento do cabo 10 m
- Com extremidade aberta do cabo

C-M12F08-08X025PU20,0-MA-115114
- Conector fêmea M12, 8 pinos
- Conector de encaixe reto
- Cabo PUR
- Comprimento do cabo 20 m
- Com extremidade aberta do cabo

C-M12F08-08X025PV20,0-MA-100179
- Conector fêmea M12, 8 pinos
- Conector de encaixe reto
- Cabo de PVC
- Comprimento do cabo 20 m
- Com extremidade aberta do cabo

C-M12F08-08X025PU30,0-MA-115257
- Conector fêmea M12, 8 pinos
- Conector de encaixe reto
- Cabo PUR
- Comprimento do cabo 30 m
- Com extremidade aberta do cabo

C-M12F08-08X025PV30,0-MA-115116
- Conector fêmea M12, 8 pinos
- Conector de encaixe reto
- Cabo de PVC
- Comprimento do cabo 30 m
- Com extremidade aberta do cabo

C-M12F08-08X025PU05,0-MA-115112
- Conector fêmea M12, 8 pinos
- Conector de encaixe reto
- Cabo PUR
- Comprimento do cabo 5 m
- Com extremidade aberta do cabo

C-M12F08-08X025PV05,0-MA-100177
- Conector fêmea M12, 8 pinos
- Conector de encaixe reto
- Cabo de PVC
- Comprimento do cabo 5 m
- Com extremidade aberta do cabo

C-M12F05-05X025PU10,0-MA-113187
- Conector fêmea M12, 5 pinos
- Conector de encaixe angular
- Cabo PUR
- Comprimento do cabo 10 m
- Saída do cabo A (à direita)
- Com extremidade aberta do cabo

C-M12F05-05X025PU10,0-MA-113190
- Conector fêmea M12, 5 pinos
- Conector de encaixe angular
- Cabo PUR
- Comprimento do cabo 10 m
- Saída do cabo C (à esquerda)
- Com extremidade aberta do cabo

C-M12F08-08X025PU10,0-MA-113188
- Conector fêmea M12, 8 pinos
- Conector de encaixe angular
- Saída do cabo A (à direita)
- Cabo PUR
- Comprimento do cabo 10 m
- Com extremidade aberta do cabo

C-M12F08-08X025PU10,0-MA-113189
- Conector fêmea M12, 8 pinos
- Conector de encaixe angular
- Saída do cabo C (à esquerda)
- Cabo PUR
- Comprimento do cabo 10 m
- Com extremidade aberta do cabo

C-M12F08-08X025PU20,0-MA-120998
- Conector fêmea M12, 8 pinos
- Conector de encaixe angular
- Saída do cabo A (à direita)
- Cabo PUR
- Comprimento do cabo 20 m
- Com extremidade aberta do cabo

C-M12F08-08X025PU20,0-MA-120999
- Conector fêmea M12, 8 pinos
- Conector de encaixe angular
- Saída do cabo C (à esquerda)
- Cabo PUR
- Comprimento do cabo 20 m
- Com extremidade aberta do cabo

C-M12F05-05X034PU10,0-MA-113640
- Conector fêmea M12, 5 pinos
- Conector de encaixe reto
- Cabo PUR
- Comprimento do cabo 10 m
- Com extremidade aberta do cabo

C-M12F05-05X034PV10,0-MA-100184
- Conector fêmea M12, 5 pinos
- Conector de encaixe reto
- Cabo de PVC
- Comprimento do cabo 10 m
- Com extremidade aberta do cabo

C-M12F05-05X034PU20,0-MA-113682
- Conector fêmea M12, 5 pinos
- Conector de encaixe reto
- Cabo PUR
- Comprimento do cabo 20 m
- Com extremidade aberta do cabo

C-M12F05-05X034PV20,0-MA-100185
- Conector fêmea M12, 5 pinos
- Conector de encaixe reto
- Cabo de PVC
- Comprimento do cabo 20 m
- Com extremidade aberta do cabo

C-M12F05-05X034PU05,0-MA-113620
- Conector fêmea M12, 5 pinos
- Conector de encaixe reto
- Cabo PUR
- Comprimento do cabo 5 m
- Com extremidade aberta do cabo

C-M12F05-05X034PV05,0-MA-100183
- Conector fêmea M12, 5 pinos
- Conector de encaixe reto
- Cabo de PVC
- Comprimento do cabo 5 m
- Com extremidade aberta do cabo

AC-YD-V0,2-SBB-111696
- Para conexão em série de chaves de segurança AR/BR em cadeias de chaves
- Distribuidor em Y M12 com cabo de conexão, 2 x 5 pinos, 1 x 8 pinos
- Conector de encaixe reto
- Cabo de PVC
- Comprimento do cabo 0,2 m

AC-YD-V1,0-SBB-112395
- Para conexão em série de chaves de segurança AR/BR em cadeias de chaves
- Distribuidor em Y M12 com cabo de conexão, 2 x 5 pinos, 1 x 8 pinos
- Conector de encaixe reto
- Cabo de PVC
- Comprimento do cabo 1 m

C-M12F05-05X025PU10,0-M12M05-115565
- Conector fêmea M12, 5 pinos (angular) sobre o conector de encaixe M12 (reto)
- Conector de encaixe em ambos os lados
- Cabo PUR
- Comprimento do cabo 10 m
- Saída do cabo A (à direita)

C-M12F05-05X025PU10,0-M12M05-115566
- Conector fêmea M12, 5 pinos (angular) sobre o conector de encaixe M12 (reto)
- Conector de encaixe em ambos os lados
- Cabo PUR
- Comprimento do cabo 10 m
- Saída do cabo C (à esquerda)
Downloads
Pacote completo
Efetuar o download de todos os documentos importantes com um clique
Contém
- O manual de instruções e, eventualmente, o seu complemento ou as breves instruções
- Eventualmente as fichas técnicas como complemento do manual de instruções
- A declaração de conformidade
Documentos isolados
Data sheet
Fiche technique
Ficha de datos
Datenblatt
数据表
データ シート
데이터 시트
Datový list
Data sheet
Fiche technique
Ficha de datos
Datenblatt
数据表
データ シート
데이터 시트
Datový list
Outros documentos
Macros ePlan
Dados de encomenda
| Nº de pedido | 109941 |
| Designação do artigo | CET2-AR-CRA-CH-50F-SG-C2312-109941 |
| Peso bruto | 1,291kg |
| Número da tarifa alfandegária | 85365019000 |
| ECLASS | 27-27-24-05 Safety-related transponder switch with guardlocking |






















