CES-AR-CR2-AH-SA-105746 (Order no. 105746)
Safety switch CES-AR-CR2-..., RFID, connection cable, connecting cable PUR with plug connector(s) M12
- Unicode
- Monitoring output door position OUT
- Connecting cable PUR, 1 m, plug connector M12, 8-core
- Door hinge right

Description
Typical operating distance
(Actuator CES-A-BLN... in conjunction with safety switch CES-AP-C.2-... in case of mounting on plastic)
For a side approach direction for the actuator and safety switch, a minimum distance of s = 6 mm must be maintained so that the actuating range of the side lobes is not entered.
Attention:
The actuating range may vary depending on the actuator, substrate material and installation situation. Further actuating ranges can be found in the operating instructions.
Unicode evaluation
Each actuator is highly coded (unicode). The switch detects only taught-in actuators. Additional actuators can be taught-in.
Only the last actuator taught-in is detected.
Safety characteristics
Thanks to two redundant safety outputs (semiconductor outputs) with internal monitoring, the device is suitable for:
- Category 4 /PL e according to EN 13849-1
- SIL 3 according to EN IEC 62061 Table 4
The OSSD outputs used check their function for short circuits and short circuits with test pulses.
LED indicator
STATE | Status LED |
DIA | Diagnostics LED |
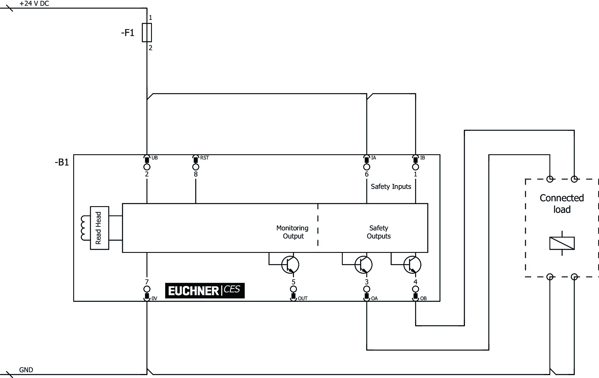
Terminal assignment
Scope of delivery
- 2 x safety screws M4x14
Accessories required
Actuator is not included.


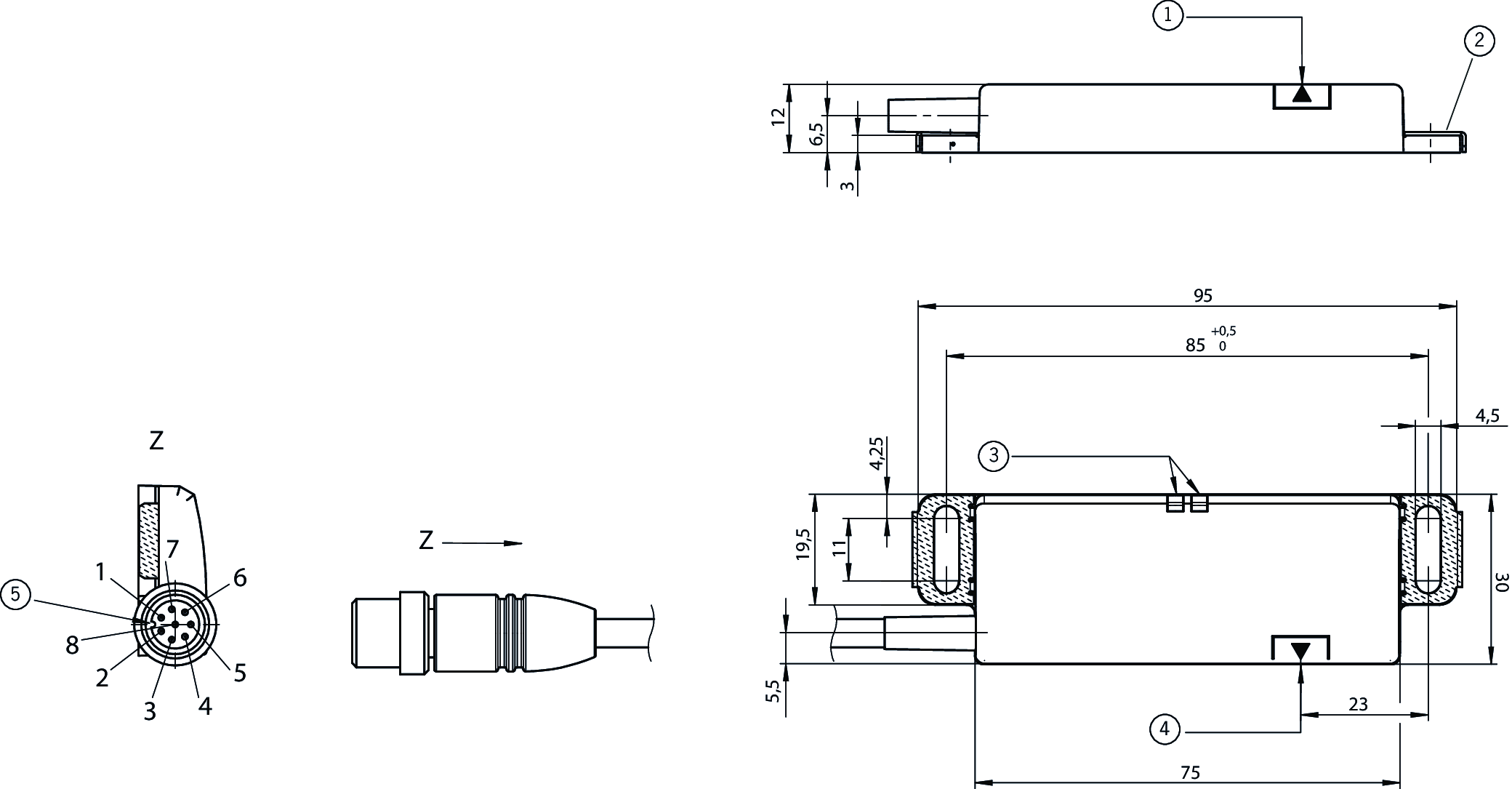
Dimensional drawings

| 1 | Active face |
| 2 | Fastening lug with reinforcement plate |
| 3 | LED status indication |
| 4 | Active face |
| 5 | Coding lug |
Connection examples

Technical data
Approvals

Workspace
| Repeat accuracy R | |
| according to EN 60947-5-2 | 10 % |
Electrical connection values
| Fuse | |
| external (operating voltage) | 0.25 ... 8 A |
| Rated insulation voltage Ui | 75 V |
| Rated impulse voltage Uimp | 1.5 kV |
| Operating voltage DC | |
| UB | 24 V DC -15% ... +15% regulated, residual ripple<5% |
| Turn-on time | |
| Safety outputs | max. 400 ms |
| EMC protection requirements | Acc. to EN IEC 60947-5-3 |
| Risk time according to EN 60947-5-3 | max. 260 ms |
| Risk time according to EN 60947-5-3, extension for each additional device | max. 5 ms |
| Safety class | III |
| Current consumption | max. 50 mA (without taking into account the load currents on the monitoring output and the safety outputs) |
| Degree of contamination (external, according to EN 60947-1) | 3 |
| Monitoring output OUT | |
| Output type | p-switching, short circuit-proof |
| Output voltage | 0.8 x UB ... UB V DC |
| Switching current | max. 50 mA |
| Safety outputs OA / OB | |
| Output type | Semiconductor outputs, p-switching, short circuit-proof |
| Output voltage | |
| HIGH U(OA,OB) | UB-1.5V ... UB V DC (Values at a switching current of 50 mA without taking into account the cable lengths.) |
| LOW U(OA,OB) | 0 ... 1 V DC |
| rated conditional short-circuit current | 100 A |
| Discrepancy time | max. 10 ms |
| Utilization category | |
| DC-13 | 24V 200mA (Caution: outputs must be protected with a free-wheeling diode in case of inductive loads.) |
| Off-state current Ir | max. 0.25 mA |
| Switching current | |
| per safety output | 1 ... 200 mA |
| Test pulse duration | max. 1 ms (Applies to a load with C<= 30nF and R<= 20kOhm) |
| Test pulse interval | min. 140 ms |
Mechanical values and environment
| Connection type | Connecting cable PUR, length 1 m, with plug connector M12, 8-pin |
| Tightening torque | |
| Fixing screws | max. 1 Nm |
| Ready delay | 10 s |
| Dynamic bending radius | 10 x cable diameter |
| Static bending radius | 5 x cable diameter |
| Installation orientation | any |
| Switching frequency | max. 1 Hz |
| Storage temperature | -25 ... 70 °C |
| Mounting distance | |
| between switches | min. 120 mm |
| Mounting type | Surface mounting on metal |
| Shock and vibration resistance | Acc. to EN IEC 60947-5-3 |
| Degree of protection | IP67 |
| Cable ambient temperature (dynamic) | -25 ... 65 °C |
| Cable ambient temperature (static) | -25 ... 65 °C |
| Material | |
| Housing | Plastic, PBT |
Characteristic values according to EN ISO 13849-1 and EN IEC 62061
| PL | Maximum SIL | PFHD | Category | Mission time | |
|---|---|---|---|---|---|
| Monitoring of the guard position | PL e | - | 1.9x10-9 | 4 | 20 y |
Miscellaneous
| Notices for UL approval | Operation only with UL Class 2 power supply or equivalent measures |
In combination with actuator CES-A-BDN-06-104730
| Switch-on distance | 19 mm |
| Secured switch-off distance sar | |
| in x/z direction | max. 40 mm |
| in y direction | max. 60 mm |
| Secured switching distance sao | min. 14 mm |
| Switching hysteresis | 1 ... 2 mm |
In combination with actuator CES-A-BLN-R2-100776, CES-A-BLN-U2-103450, CES-A-BLN-L2-104510, CES-A-BLN-U2-112710
| Switch-on distance | 15 mm |
| Secured switch-off distance sar | |
| in x/z direction | max. 40 mm |
| in y direction | max. 60 mm |
| Secured switching distance sao | min. 10 mm |
| Switching hysteresis | 1 ... 2 mm |
Accessories

C-M12F05-05X034PU10,0-M12M05-119947
- M12 female plug to M12 plug connector, 5-pin
- Straight female plug and plug connector
- PUR cable
- Cable length 10 m

C-M12F05-05X034PV10,0-M12M05-100181
- M12 female plug to M12 plug connector, 5-pin
- Straight female plug and plug connector
- PVC cable
- Cable length 10 m

C-M12F05-05X034PU20,0-M12M05-119971
- M12 female plug to M12 plug connector, 5-pin
- Straight female plug and plug connector
- PUR cable
- Cable length 20 m

C-M12F05-05X034PV20,0-M12M05-100182
- M12 female plug to M12 plug connector, 5-pin
- Straight female plug and plug connector
- PVC cable
- Cable length 20 m

C-M12F05-05X034PU05,0-M12M05-119932
- M12 female plug to M12 plug connector, 5-pin
- Straight female plug and plug connector
- PUR cable
- Cable length 5 m

C-M12F05-05X034PV05,0-M12M05-100180
- M12 female plug to M12 plug connector, 5-pin
- Straight female plug and plug connector
- PVC cable
- Cable length 5 m

C-M12F05-05X025PU10,0-M12M05-115565
- M12 female plug, 5-pin (angled) to M12 plug connector (straight)
- plug connectors at both ends
- PUR cable
- Cable length 10 m
- with cable exit A (right)

C-M12F05-05X025PU10,0-M12M05-115566
- M12 female plug, 5-pin (angled) to M12 plug connector (straight)
- plug connectors at both ends
- PUR cable
- Cable length 10 m
- with cable exit C (left)

AC-YD-V0,2-SBB-111696
- For the series connection of AR/BR safety switches in switch chains
- Y-distributor M12 with connecting cable, 2 x 5-pin, 1 x 8-pin
- Straight plug connector
- PVC cable
- Cable length 0.2 m

AC-YD-V1,0-SBB-112395
- For the series connection of AR/BR safety switches in switch chains
- Y-distributor M12 with connecting cable, 2 x 5-pin, 1 x 8-pin
- Straight plug connector
- PVC cable
- Cable length 1 m
Downloads
Complete package
Download all important documents with a single click.
Content:
- The operating instructions and any additions to the operating instructions or brief instructions
- Any data sheets to supplement the operating instructions
- The declaration of conformity
Single Documents
Other Documents
CAD/eCAD
Ordering data
| Ordernumber | 105746 |
| Item designation | CES-AR-CR2-AH-SA-105746 |
| Gross weight | 0,133kg |
| Customs tariff number | 85365019000 |
| ECLASS | 27-27-24-03 Safety-related transponder switch |













