C-M12F05-05X034PV50,0-MA-156064 (Order no. 156064)
Choose content
Connecting cable with straight plug connector M12, 5-pin, 50 m
- M12 female plug, 5-pin
- Straight plug connector
- PVC cable
- Cable length 50 m
- With flying lead

Description

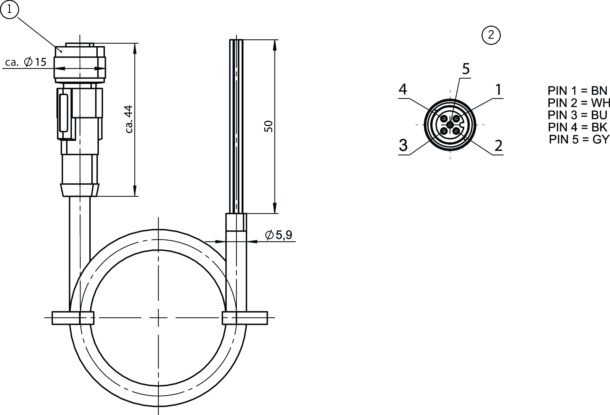
Dimensional drawings

| 1 | Female plug M12x1, 5-pin |
| 2 | Terminal assignment as seen from the connection side |
Technical data
Approvals


Electrical connection values
| Rated voltage | |
| DC | 60 V |
| Rated impulse voltage Uimp | 1.5 kV |
| Nominal current | |
| at 25 °C | 4 A |
| specific inductance | 0.53 mH/km |
| specific capacitance | 100 nF/km |
| specific conductor resistance | 58 Ω/km |
| Connection 1 | |
| Degree of contamination according to EN 60664-1 | 3 |
Mechanical values and environment
| Conductor identification | Color code |
| Conductor cross-section | 0.34 mm² |
| Number of conductors | 5 |
| Dynamic bending radius | 15 x cable diameter |
| Static bending radius | 5 x cable diameter |
| Fire behavior | flame retardant according to UL-Style 2464 |
| Storage temperature | -25 ... 80 °C |
| Cable type | straight |
| Cable diameter | |
| approx. | 5.9 mm |
| Cable length | 50 m |
| Sheath color | black |
| Drag chain suitability | No |
| Cable ambient temperature (dynamic) | -5 ... 80 °C |
| Cable ambient temperature (static) | -25 ... 80 °C |
| UV resistance | moderately UV resistant |
| Material | |
| Sheath | PVC |
| Conductor insulation | PVC |
| Conductor | Cu flexible wire bare |
| Connection 2 | |
| Conductor end | Sheath stripped |
| Connection type | flying lead |
| Connection 1 | |
| Connection type | Plug connector M12x1 |
| Connection type | Female plug |
| Tightening torque | 0.5 Nm |
| Insulating material group | I |
| Cable outlet | straight |
| Number of pins | 5 |
| Degree of protection | IP67 (in the inserted state) |
| Plug lock | Screw connection |
| Insertion cycles | 100 |
| Material | |
| Plug lock | CuZn, nickel plated |
| Plug housing | TPU |
Downloads
Complete package
Download all important documents with a single click.
Content:
- The operating instructions and any additions to the operating instructions or brief instructions
- Any data sheets to supplement the operating instructions
- The declaration of conformity
Download Complete Package (ZIP, 0,8 MB)
Single Documents
Instructions
Safety information
Doc. no.
Version
Language
Size
Safety information
Information de sécurité
Información de seguridad
Sicherheitsinformation
Informação de segurança
Informazioni sulla sicurezza
Bezpečnostní informace
Biztonsági információ
Информация за безопасност
Sikkerhedsinformation
Ohutusalane teave
Turvallisuustiedot
Πληροφορία ασφαλείας
Sigurnosne informacije
Informācija par drošību
Saugos informacija
Veiligheidsinformatie
Sikkerhetsinformasjon
Informacje o bezpieczeństwie
Säkerhetsinformation
Varnostne informacije
Bezpečnostné informácie
Güvenlik bilgisi
Informații privind siguranța
Information de sécurité
Información de seguridad
Sicherheitsinformation
Informação de segurança
Informazioni sulla sicurezza
Bezpečnostní informace
Biztonsági információ
Информация за безопасност
Sikkerhedsinformation
Ohutusalane teave
Turvallisuustiedot
Πληροφορία ασφαλείας
Sigurnosne informacije
Informācija par drošību
Saugos informacija
Veiligheidsinformatie
Sikkerhetsinformasjon
Informacje o bezpieczeństwie
Säkerhetsinformation
Varnostne informacije
Bezpečnostné informácie
Güvenlik bilgisi
Informații privind siguranța
Doc. no.
MAN20001593
Version
01-10/22
Language
Size
0,6 MB
Sicherheitsinformation
Doc. no.
MAN20001593
Version
01-10/22
Language
Size
0,2 MB
Other Documents
Approvals and certificates
WEEE
Doc. no.
Version
Language
Size
WEEE
Doc. no.
ECO20001806
Version
Language
Size
0,1 MB
c UL us
Doc. no.
Version
Language
Size
c UL us
Doc. no.
Version
Language
Size
0,4 MB
c UL us
Doc. no.
Version
Language
Size
0,2 MB
Sales documents
Barreras fotoeléctricas y cortinas fotoeléctricas LCA
Doc. no.
Version
Language
Size
Barreras fotoeléctricas y cortinas fotoeléctricas LCA
Doc. no.
157087
Version
04-02/21
Language
Size
9,5 MB
Barrières photoélectriques et rideaux lumineux LCA
Doc. no.
Version
Language
Size
Barrières photoélectriques et rideaux lumineux LCA
Doc. no.
157086
Version
04-02/21
Language
Size
9,5 MB
Lichtgitter und Lichtvorhänge LCA
Doc. no.
Version
Language
Size
Lichtgitter und Lichtvorhänge LCA
Doc. no.
157084
Version
04-02/21
Language
Size
9,6 MB
Light grids and light curtains LCA
Doc. no.
Version
Language
Size
Light grids and light curtains LCA
Doc. no.
157085
Version
04-02/21
Language
Size
9,4 MB
Light grids and light curtains LCA
Doc. no.
157085
Version
03-03/18
Language
Size
2,4 MB
Barrières photoélectriques et rideaux lumineux LCA
Doc. no.
157086
Version
03-03/18
Language
Size
2,4 MB
Barreras fotoeléctricas y cortinas fotoeléctricas LCA
Doc. no.
157087
Version
03-03/18
Language
Size
2,4 MB
Lichtgitter und Lichtvorhänge LCA
Doc. no.
157084
Version
03-03/18
Language
Size
2,5 MB
光栅和光幕LCA
Doc. no.
159698
Version
03-03/18
Language
Size
9,6 MB
Multifunctional Gate Box MGBS Slimline
Doc. no.
Version
Language
Size
Multifunctional Gate Box MGBS Slimline
Doc. no.
163691
Version
03-03/20
Language
Size
13,3 MB
Multifunctional Gate Box MGBS Slimline
Doc. no.
163692
Version
03-03/20
Language
Size
13,4 MB
Multifunctional Gate Box MGBS Slimline
Doc. no.
163693
Version
03-03/20
Language
Size
13,4 MB
Multifunctional Gate Box MGBS Slimline
Doc. no.
163690
Version
03-03/20
Language
Size
13,3 MB
製品/マルチファンクション-ゲート-ボックス- MGBS Slimline
Doc. no.
164508
Version
03-03/20
Language
Size
4,8 MB
Transponder-coded safety systems with external evaluation
Doc. no.
Version
Language
Size
Transponder-coded safety systems with external evaluation
Doc. no.
127597
Version
03-08/21
Language
Size
20,4 MB
光栅和光幕LCA
Doc. no.
Version
Language
Size
光栅和光幕LCA
Doc. no.
159698
Version
04-02/21
Language
Size
9,6 MB
ePlan macros
EUC.156064
Doc. no.
Version
Language
Size
EUC.156064
Doc. no.
Version
Language
Size
0,1 MB
Ordering data
| Ordernumber | 156064 |
| Item designation | C-M12F05-05X034PV50,0-MA-156064 |
| Gross weight | 2,54kg |
| Customs tariff number | 85444290900 |
| ECLASS | 27-06-03-04 Appliance cord (data cable) |

