C-M12F05-05X025PU10,0-M12M05-115565 (Order no. 115565)
Choose content
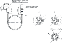
M12 extension PUR, 5-pin, plug connectors at both ends, 10 m
- M12 female plug, 5-pin (angled) to M12 plug connector (straight)
- plug connectors at both ends
- PUR cable
- Cable length 10 m
- with cable exit A (right)

Description

Dimensional drawings

Technical data
Approvals

Electrical connection values
| Operating voltage | 30 V |
| specific inductance | 0.64 mH/km |
| specific capacitance | 60 nF/km |
| specific conductor resistance | 78 Ω/km |
| Degree of contamination according to EN 60664-1 | 3 |
Mechanical values and environment
| Conductor cross-section | 0.25 mm² |
| Number of conductors | 5 |
| Dynamic bending radius | 10 x cable diameter |
| Static bending radius | 5 x cable diameter |
| Storage temperature | -25 ... 80 °C |
| Cable type | straight |
| Cable diameter | |
| approx. | 4.1 mm |
| Cable length | 10 m |
| Sheath color | black |
| Drag chain suitability | No |
| Cable ambient temperature (dynamic) | -5 ... 80 °C |
| Cable ambient temperature (static) | -25 ... 80 °C |
| Material | |
| Sheath | PUR |
| Conductor insulation | PP |
| Connection 1 | |
| Connection type | Plug connector M12x1 |
| Connection type | Female plug |
| Tightening torque | 0.5 Nm |
| Cable outlet | Angle |
| Number of pins | 5 |
| Degree of protection | IP67 |
| Plug lock | Screw connection |
| Material | |
| Plug lock | CuZn, nickel plated |
| Plug housing | TPU |
| Connection 2 | |
| Connection type | Plug connector M12x1 |
| Connection type | Male plug |
| Tightening torque | 0.5 Nm |
| Cable outlet | straight |
| Number of pins | 5 |
| Degree of protection | IP67 |
| Plug lock | Screw connection |
| Material | |
| Plug housing | TPU |
| Plug lock | CuZn, nickel plated |
Downloads
Complete package
Download all important documents with a single click.
Content:
- The operating instructions and any additions to the operating instructions or brief instructions
- Any data sheets to supplement the operating instructions
- The declaration of conformity
Download Complete Package (ZIP, 1,0 MB)
Single Documents
Declarations of conformity
EU-Konformitätserklärung
Doc. no.
Version
Language
Size
EU-Konformitätserklärung
Doc. no.
EDC20001578
Version
Language
Size
0,2 MB
Instructions
Safety information
Doc. no.
Version
Language
Size
Safety information
Information de sécurité
Información de seguridad
Sicherheitsinformation
Informação de segurança
Informazioni sulla sicurezza
Bezpečnostní informace
Biztonsági információ
Информация за безопасност
Sikkerhedsinformation
Ohutusalane teave
Turvallisuustiedot
Πληροφορία ασφαλείας
Sigurnosne informacije
Informācija par drošību
Saugos informacija
Veiligheidsinformatie
Sikkerhetsinformasjon
Informacje o bezpieczeństwie
Säkerhetsinformation
Varnostne informacije
Bezpečnostné informácie
Güvenlik bilgisi
Informații privind siguranța
Information de sécurité
Información de seguridad
Sicherheitsinformation
Informação de segurança
Informazioni sulla sicurezza
Bezpečnostní informace
Biztonsági információ
Информация за безопасност
Sikkerhedsinformation
Ohutusalane teave
Turvallisuustiedot
Πληροφορία ασφαλείας
Sigurnosne informacije
Informācija par drošību
Saugos informacija
Veiligheidsinformatie
Sikkerhetsinformasjon
Informacje o bezpieczeństwie
Säkerhetsinformation
Varnostne informacije
Bezpečnostné informácie
Güvenlik bilgisi
Informații privind siguranța
Doc. no.
MAN20001593
Version
01-10/22
Language
Size
0,6 MB
Sicherheitsinformation
Doc. no.
MAN20001593
Version
01-10/22
Language
Size
0,2 MB
Other Documents
Approvals and certificates
WEEE
Doc. no.
Version
Language
Size
WEEE
Doc. no.
ECO20001806
Version
Language
Size
0,1 MB
c UL us
Doc. no.
Version
Language
Size
c UL us
Doc. no.
Version
Language
Size
0,2 MB
Sales documents
Multifunctional Gate Box MGBS Slimline
Doc. no.
Version
Language
Size
Multifunctional Gate Box MGBS Slimline
Doc. no.
163691
Version
03-03/20
Language
Size
13,3 MB
Multifunctional Gate Box MGBS Slimline
Doc. no.
163692
Version
03-03/20
Language
Size
13,4 MB
Multifunctional Gate Box MGBS Slimline
Doc. no.
163693
Version
03-03/20
Language
Size
13,4 MB
Multifunctional Gate Box MGBS Slimline
Doc. no.
163690
Version
03-03/20
Language
Size
13,3 MB
製品/マルチファンクション-ゲート-ボックス- MGBS Slimline
Doc. no.
164508
Version
03-03/20
Language
Size
4,8 MB
Ordering data
| Ordernumber | 115565 |
| Item designation | C-M12F05-05X025PU10,0-M12M05-115565 |
| Gross weight | 0,271kg |
| Customs tariff number | 85444290900 |
| ECLASS | 27-06-03-04 Appliance cord (data cable) |
