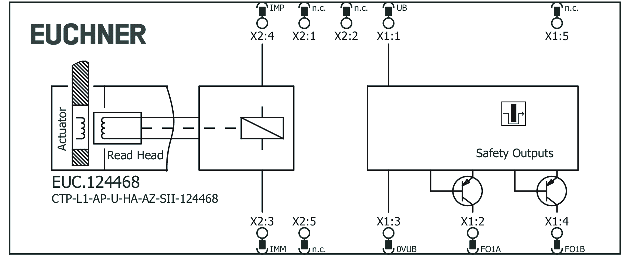
CTP-L1-AP-U-HA-AZ-SII-124468 (Order no. 124468)
Safety switch with guard locking CTP-AP, RFID, plug connector(s) M12, for connection to decentralized peripheral systems
- Closed-circuit current principle
- Unicode
- 2 x plug connector(s) M12, 5-pin, pin 5 not assigned
- for connection to decentralized peripheral systems

Description
Direct connection to decentralized peripheral systems
The connection via M12 plug connector(s) is optimized for direct connection to IP67 IO modules, such as ET200pro and ET200eco from SIEMENS, MVK from MURR and EP1957 from BECKHOFF.
Guard locking principle
Power to unlock: On a guard with guard locking based on the closed-circuit current principle, the guard is locked by spring force until the guard locking solenoid is supplied with power. Unlocking is by solenoid force. The term mechanical guard locking is also used.
Unicode evaluation
Each actuator is highly coded (unicode). The switch detects only taught-in actuators. Additional actuators can be taught-in.
Only the last actuator taught-in is detected.
Terminal assignment
Accessories required
Actuator is not included.
The safety switch can only be actuated in conjunction with the actuators provided for this purpose.
Dimensional drawings

| 1 | Auxiliary release |
| 2 | Locking screw |
| 3 | LEDs |
Connection examples

Technical data
Approvals



Workspace
| Repeat accuracy R | 10 % |
Electrical connection values
| Fuse | |
| external (operating voltage UB) | 0.25 ... 8 A |
| external (solenoid operating voltage IMP) | 0.5 ... 8 A |
| Power consumption | 6 W |
| Rated insulation voltage Ui | 50 V |
| Rated impulse voltage Uimp | 0.5 kV |
| Operating voltage DC | |
| UUB | 24 V DC -15% ... +15% reverse polarity protected, regulated, residual ripple<5%, PELV |
| EMC protection requirements | Acc. to EN IEC 60947-5-3 |
| Utilization category | |
| DC-13 | 24V 150mA (Caution: outputs must be protected with a free-wheeling diode in case of inductive loads) |
| Solenoid operating voltage DC | |
| UIMP | 24 V DC -15% ... +10% reverse polarity protected, regulated, residual ripple<5%, PELV |
| Solenoid duty cycle | 100 % |
| Switching load | |
| according to UL | 24V DC, Class 2 (alternatively, see operating instructions) |
| Safety class | III |
| Current consumption | |
| IIMP | 400 mA |
| IUB | 40 mA |
| Test pulse duration | max. 0.3 ms (Applies to a load with C<= 30nF and R<= 20kOhm) |
| Test pulse interval | min. 100 ms |
| Degree of contamination (external, according to EN 60947-1) | 3 |
| Safety outputs FO1A/FO1B | |
| Output type | 2 semiconductor outputs, p-switching, short circuit-proof |
| Output voltage | |
| HIGH U(FO1A) / U(FO1B) | UB-1.5 ... UB V DC |
| LOW U(FO1A) / U(FO1B) | 0 ... 1 V DC |
| Discrepancy time | |
| both safety outputs | max. 10 ms Acc. to EN IEC 60947-5-3 |
| Turn-on time | max. 400 ms |
| Off-state current Ir | max. 0.25 mA |
| Switching current | |
| per safety output FO1A / FO1B | 1 ... 150 mA |
Mechanical values and environment
| Anfahrgeschwindigkeit | max. 20 m/min |
| Connection type | 2 plug connectors M12, 5-pin + pin 5 not used |
| Extraction force | 20 N |
| Ready delay | max. 1 s |
| Actuating force | 10 N |
| Installation orientation | any |
| Switching frequency | max. 0.5 Hz |
| Storage temperature | -25 ... 70 °C |
| Mechanical life | 1 x 10⁶ |
| Overtravel | 5 mm |
| Retention force | 20 N |
| Shock and vibration resistance | Acc. to EN IEC 60947-5-3 |
| Degree of protection | IP67/IP69/IP69K (In the inserted and screwed tight state) |
| Ambient temperature | |
| at UB = 24 V DC | -20 ... 55 °C |
| Material | |
| Safety switch housing | Reinforced thermoplastic |
| Switch head cover | Die-cast zinc |
| Locking force Fmax | 3900 N |
| Locking force FZh | 3000 N (Fzh = Fmax/1.3, depending on the actuator used) |
| Guard locking principle | Closed-circuit current principle |
Characteristic values according to EN ISO 13849-1 and EN IEC 62061
| PL | Maximum SIL | PFHD | Category | Mission time | |
|---|---|---|---|---|---|
| Guard lock monitoring | PL e | - | 4.1x10-9 | 4 | 20 y |
| PL | Maximum SIL | Category | Mission time | |
|---|---|---|---|---|
| Control of guard locking | Depending on external control of guard locking | 20 y | ||
Miscellaneous
| Notices for UL approval | Operation only with UL Class 2 power supply or equivalent measures; see operating instructions |
Accessories

A-C-H-RL-LS-122671
- Hinged actuator for doors hinged on the left
- Two safety screws included

A-C-H-RO-LS-122675
- Hinged actuator for top-hinged doors
- Two safety screws included

A-C-H-RR-LS-122672
- Hinged actuator for doors hinged on the right
- Two safety screws included

A-C-H-RU-LS-122676
- Hinged actuator for bottom-hinged doors
- Two safety screws included

C-M12F05-05X034PU01,5-M12M05-159356
- M12 female plug to M12 plug connector, 5-pin
- Straight female plug and plug connector
- Connecting cable according to AIDA standard
- PUR cable, sheath color gray
- Cable length 1.5 m

C-M12F05-05X034PU01,5-M12M05-159363
- M12 female plug to M12 plug connector, 5-pin
- Straight female plug and plug connector
- Connecting cable according to AIDA standard
- PUR cable, sheath color yellow
- Cable length 1.5 m

C-M12F05-05X034PU10,0-M12M05-119947
- M12 female plug to M12 plug connector, 5-pin
- Straight female plug and plug connector
- PUR cable
- Cable length 10 m

C-M12F05-05X034PV10,0-M12M05-100181
- M12 female plug to M12 plug connector, 5-pin
- Straight female plug and plug connector
- PVC cable
- Cable length 10 m

C-M12F05-05X034PU10,0-M12M05-159360
- M12 female plug to M12 plug connector, 5-pin
- Straight female plug and plug connector
- Connecting cable according to AIDA standard
- PUR cable, sheath color gray
- Cable length 10 m

C-M12F05-05X034PU10,0-M12M05-159920
- M12 female plug to M12 plug connector, 5-pin
- Straight female plug and plug connector
- Connecting cable according to AIDA standard
- PUR cable, sheath color yellow
- Cable length 10 m

C-M12F05-05X034PU15,0-M12M05-159361
- M12 female plug to M12 plug connector, 5-pin
- Straight female plug and plug connector
- Connecting cable according to AIDA standard
- PUR cable, sheath color gray
- Cable length 15 m

C-M12F05-05X034PU15,0-M12M05-159921
- M12 female plug to M12 plug connector, 5-pin
- Straight female plug and plug connector
- Connecting cable according to AIDA standard
- PUR cable, sheath color yellow
- Cable length 15 m

C-M12F05-05X034PU01,0-M12M05-159355
- M12 female plug to M12 plug connector, 5-pin
- Straight female plug and plug connector
- Connecting cable according to AIDA standard
- PUR cable, sheath color gray
- Cable length 1 m

C-M12F05-05X034PU01,0-M12M05-159362
- M12 female plug to M12 plug connector, 5-pin
- Straight female plug and plug connector
- Connecting cable according to AIDA standard
- PUR cable, sheath color yellow
- Cable length 1 m

C-M12F05-05X034PU20,0-M12M05-119971
- M12 female plug to M12 plug connector, 5-pin
- Straight female plug and plug connector
- PUR cable
- Cable length 20 m

C-M12F05-05X034PV20,0-M12M05-100182
- M12 female plug to M12 plug connector, 5-pin
- Straight female plug and plug connector
- PVC cable
- Cable length 20 m

C-M12F05-05X034PU03,0-M12M05-159357
- M12 female plug to M12 plug connector, 5-pin
- Straight female plug and plug connector
- Connecting cable according to AIDA standard
- PUR cable, sheath color gray
- Cable length 3 m

C-M12F05-05X034PU03,0-M12M05-159364
- M12 female plug to M12 plug connector, 5-pin
- Straight female plug and plug connector
- Connecting cable according to AIDA standard
- PUR cable, sheath color yellow
- Cable length 3 m

C-M12F05-05X034PU05,0-M12M05-119932
- M12 female plug to M12 plug connector, 5-pin
- Straight female plug and plug connector
- PUR cable
- Cable length 5 m

C-M12F05-05X034PV05,0-M12M05-100180
- M12 female plug to M12 plug connector, 5-pin
- Straight female plug and plug connector
- PVC cable
- Cable length 5 m

C-M12F05-05X034PU05,0-M12M05-159358
- M12 female plug to M12 plug connector, 5-pin
- Straight female plug and plug connector
- Connecting cable according to AIDA standard
- PUR cable, sheath color gray
- Cable length 5 m

C-M12F05-05X034PU05,0-M12M05-159365
- M12 female plug to M12 plug connector, 5-pin
- Straight female plug and plug connector
- Connecting cable according to AIDA standard
- PUR cable, sheath color yellow
- Cable length 5 m

C-M12F05-05X034PU08,0-M12M05-159359
- M12 female plug to M12 plug connector, 5-pin
- Straight female plug and plug connector
- Connecting cable according to AIDA standard
- PUR cable, sheath color gray
- Cable length 8 m

C-M12F05-05X034PU08,0-M12M05-159919
- M12 female plug to M12 plug connector, 5-pin
- Straight female plug and plug connector
- Connecting cable according to AIDA standard
- PUR cable, sheath color yellow
- Cable length 8 m

C-M12F05-05X025PU10,0-M12M05-115565
- M12 female plug, 5-pin (angled) to M12 plug connector (straight)
- plug connectors at both ends
- PUR cable
- Cable length 10 m
- with cable exit A (right)

C-M12F05-05X025PU10,0-M12M05-115566
- M12 female plug, 5-pin (angled) to M12 plug connector (straight)
- plug connectors at both ends
- PUR cable
- Cable length 10 m
- with cable exit C (left)

AE-K-A1-DULK1-84177
- Lock unique locking
- Key removable in “unlocked” and “locked” positions

AE-K-A1-ILK1-121917
- Identical locking
- Key removable in “locked” position

AE-K-A1-IUK2-109212
- Identical locking
- Key can be removed only in “unlocked” position

AE-K-A1-IULK1-86236
- Identical locking
- Key removable in “unlocked” and “locked” positions
AE-B-A1-02,0-096230
- Can be used as escape release or emergency release
- no automatic return
- Sheath length 2 m (rope length 6 m)
AE-B-A1-02,0-F-097747
- Can be used as escape release or emergency release
- automatic return
- Sheath length 2 m (rope length 6 m)
AE-B-A1-03,0-098313
- Can be used as escape release or emergency release
- no automatic return
- Sheath length 3 m (rope length 6 m)
AE-B-A1-03,0-F-111233
- Can be used as escape release or emergency release
- automatic return
- Sheath length 3 m (rope length 6 m)
AE-B-A1-04,0-098314
- Can be used as escape release or emergency release
- no automatic return
- Sheath length 4 m (rope length 6 m)
AE-B-A1-06,0-125582
- Can be used as escape release or emergency release
- no automatic return
- Rope length 6 m (without sheath)
AE-B-A1-06,0-F-124770
- Can be used as escape release or emergency release
- automatic return
- Rope length 6 m (without sheath)

RIEGEL CTP-AC-123653
- Steel bolt
- For doors hinged on the right and left
- Can be locked in open position with padlocks
- Actuator included

RIEGEL CTP-AC-C2308-137354
- Steel bolt
- For doors hinged on the right and left
- Can be locked in open position with padlocks
- Actuator included
- Bolt without door stop, suitable for swing doors

AM-C-SW4-V3-161344
- Plastic inserts for hexagon socket screws a/f 4
- Efficient protection against tampering for safety switch mounting
- The packaging includes inserts for 18 screws

AM-C-SW5-V3-161348
- Plastic inserts for hexagon socket screws a/f 5
- Efficient protection against tampering for safety switch mounting
- The packaging includes inserts for 18 screws
Downloads
Complete package
Download all important documents with a single click.
Content:
- The operating instructions and any additions to the operating instructions or brief instructions
- Any data sheets to supplement the operating instructions
- The declaration of conformity
Single Documents
Other Documents
Fiches info
Ficha informativa
Fichas de informação
信息表
情報シート
정보 시트
Informační listy
Fiches info
Ficha informativa
Fichas de informação
信息表
情報シート
정보 시트
Informační listy
ePlan macros
Ordering data
| Ordernumber | 124468 |
| Item designation | CTP-L1-AP-U-HA-AZ-SII-124468 |
| Gross weight | 0,591kg |
| Customs tariff number | 85365019000 |
| ECLASS | 27-27-24-05 Safety-related transponder switch with guardlocking |





















