AE-L-C-H-123411 (Order no. 123411)
Choose content
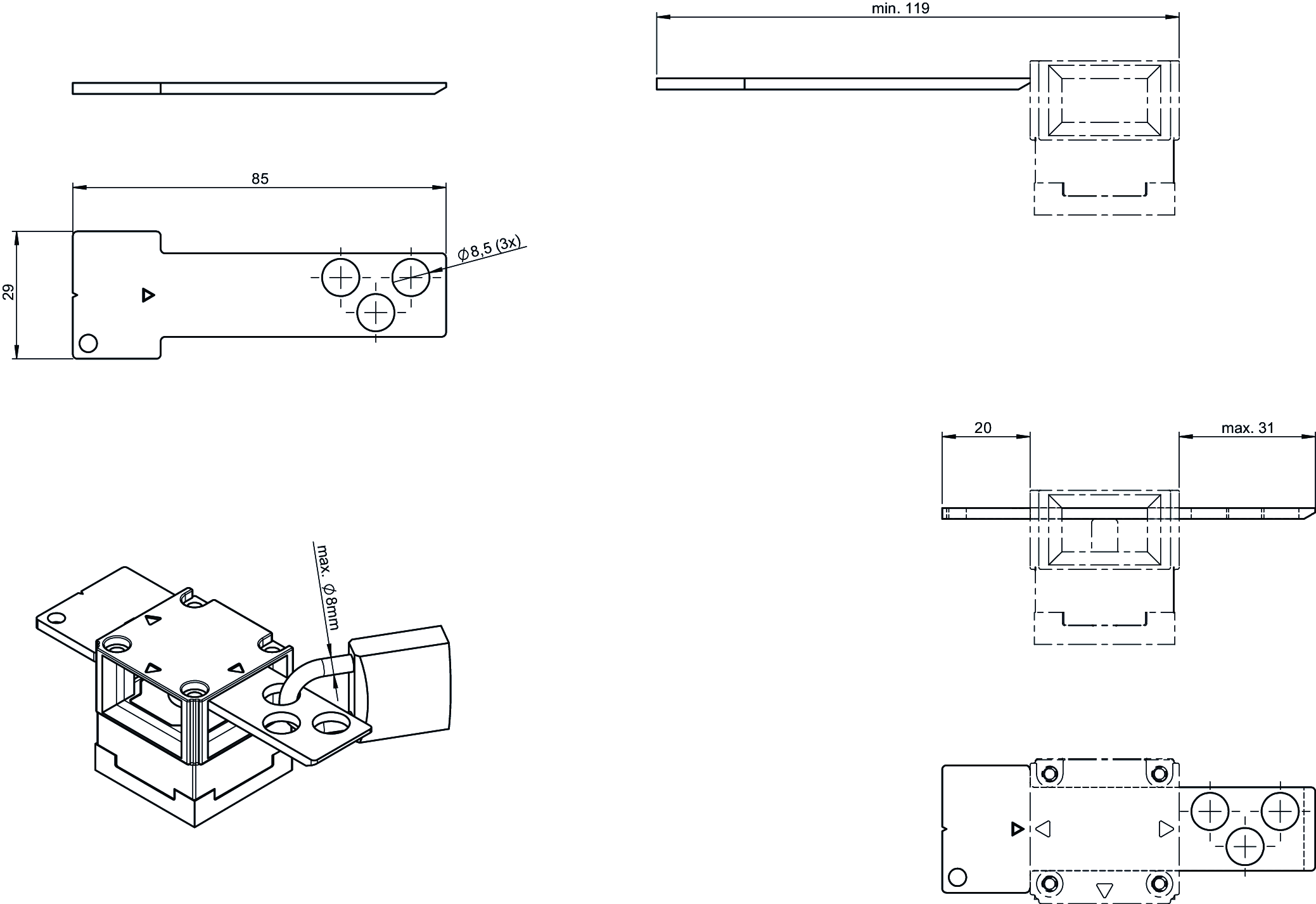
Lockout bar CTP/CTA
- Prevents unintentional closing of the door
- Can be secured with padlocks

Description
With the safety door open, it can be slid into the actuating head of the CTP instead of an actuator. Removal can be prevented using a commercially available padlock (max. 3 ea.). For the protection of persons in areas with a possible hazard.

Dimensional drawings

Technical data
Mechanical values and environment
| Number of bores | 3 |
| Pin diameter | 4 ... 8 mm |
| Storage temperature | -25 ... 70 °C |
| Material | Stainless steel |
Downloads
Complete package
Download all important documents with a single click.
Content:
- The operating instructions and any additions to the operating instructions or brief instructions
- Any data sheets to supplement the operating instructions
- The declaration of conformity
Download Complete Package (ZIP, 0,1 MB)
Single Documents
Other Documents
Sales documents
transponder-coded safety switch CTP with guard locking
Doc. no.
Version
Language
Size
transponder-coded safety switch CTP with guard locking
Doc. no.
123244
Version
12-02/18
Language
Size
2,3 MB
Interrupteur de sécurité à codage par transpondeur CTP avec interverrouillage
Doc. no.
123245
Version
12-02/18
Language
Size
2,3 MB
Interruptor de seguridad CTP codifi cado por transponder con bloqueo
Doc. no.
123246
Version
12-02/18
Language
Size
2,3 MB
Transpondercodierter Sicherheitsschalter CTP mit Zuhaltung
Doc. no.
123243
Version
12-02/18
Language
Size
2,3 MB
Info sheets
Fiches info
Ficha informativa
Fichas de informação
信息表
情報シート
정보 시트
Informační listy
Fiches info
Ficha informativa
Fichas de informação
信息表
情報シート
정보 시트
Informační listy
Doc. no.
126214
Version
12-02/18
Language
Size
2,3 MB
Finecorsa di sicurezza con codifi ca a transponder CTP con meccanismo di ritenuta
Doc. no.
126042
Version
12-02/18
Language
Size
2,3 MB
Info sheets
Fiches info
Ficha informativa
Fichas de informação
信息表
情報シート
정보 시트
Informační listy
Fiches info
Ficha informativa
Fichas de informação
信息表
情報シート
정보 시트
Informační listy
Doc. no.
158439
Version
12-02/18
Language
Size
2,4 MB
ガード・ロック付き トランスポンダー・ コード化 安全スイッ チCTP
Doc. no.
136411
Version
12-02/18
Language
Size
4,3 MB
Bezpecnostní spínac CTP s kódovaným transpondérem a jištením ochranného krytu
Doc. no.
126604
Version
12-02/18
Language
Size
2,3 MB
Kodowany RFID - wyłącznik bezpieczeństwa CTP z ryglowaniem
Doc. no.
160884
Version
12-02/18
Language
Size
2,2 MB
Kilitli RFID kodlu emniyet salteri CTP
Doc. no.
126076
Version
12-02/18
Language
Size
2,3 MB
Ordering data
| Ordernumber | 123411 |
| Item designation | AE-L-C-H-123411 |
| Gross weight | 0,038kg |
| Customs tariff number | 85389099990 |
