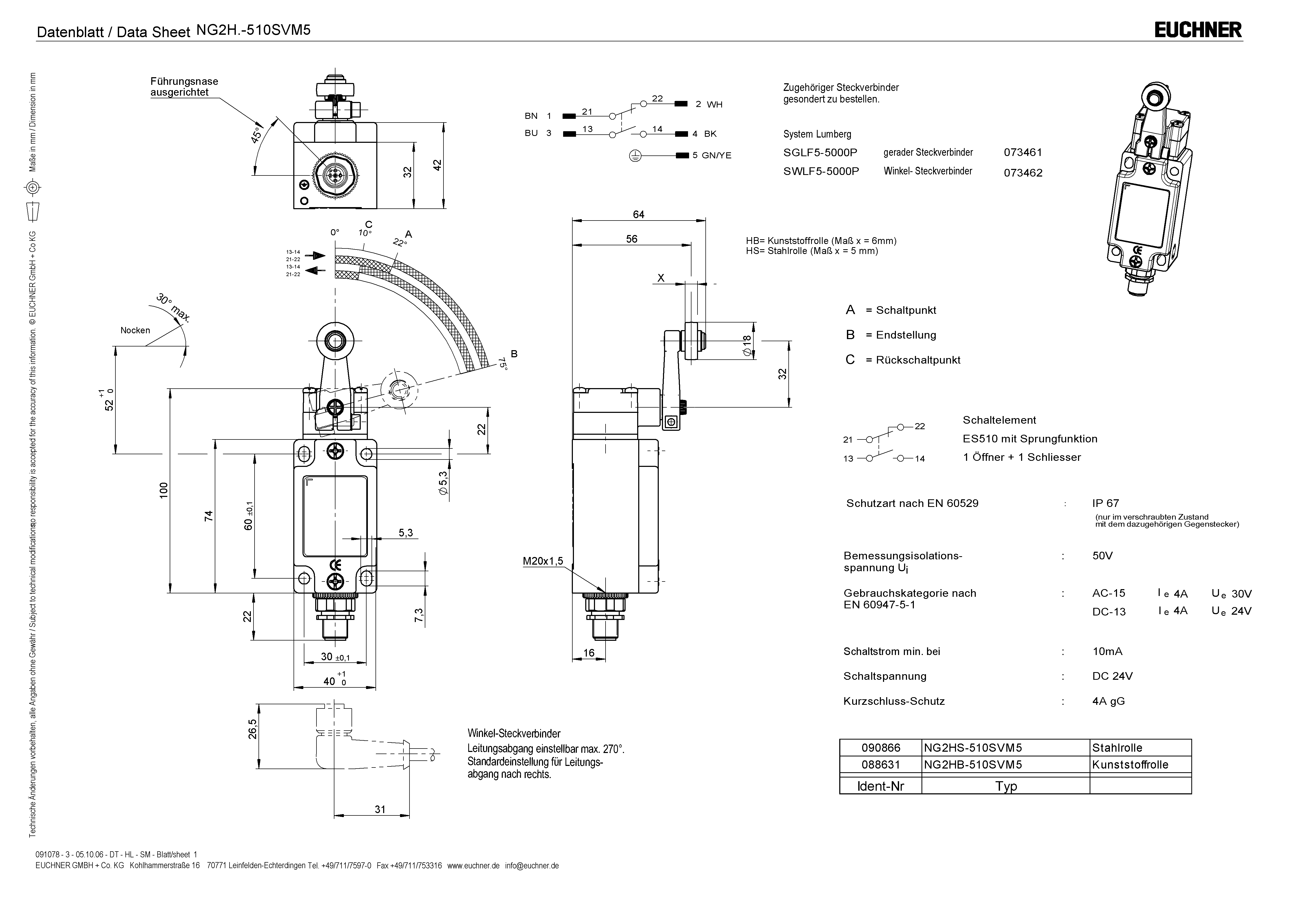
HomeProductsPosition switches and multiple limit switchesPosition switches according to EN 50041 NGNG2HB-510SVM5
NG2HB-510SVM5 (Order no. 088631)
Choose content
Position switch NG.HB, plastic roller, plug connector SVM5
- Roller lever arm HB (plastic roller)
- Plug connector M12/SVM5

Description
Switching element
510 | Snap-action switching contact 1 NC + 1 NO |
Adjustment options
Horizontal and vertical 4 x 90°
Switching direction
Switches to the right, left or both sides
Dimensional drawings

| 1 | Guide lug aligned |
| 2 | Male socket adjustable (max. 270°) |
| A | Operating point |
| B | End position |
| C | Reset point |
Connection examples

Shift travel diagrams

| A | Operating point |
| B | End position |
| C | Reset point |
![]() | Contacts closed |
![]() | Contacts open |
Technical data
Approvals


Electrical connection values
| Fuse | max. 4 A gG |
| Rated insulation voltage Ui | 50 V |
| Rated impulse voltage Uimp | 1.5 kV |
| Utilization category | |
| AC-15 | 4 A 30 V |
| DC-13 | 4 A 24 V |
| Switching current | |
| min. at DC 24V | 10 mA |
| thermal rated current Ith | 4 A |
Mechanical values and environment
| Anfahrgeschwindigkeit | 0.1 ... 300 m/min |
| Connection type | |
| 1 x | Plug connector M12 (5-pin) |
| Number of door position NC contacts | 1 |
| Number of door position NO contacts | 1 |
| Actuating element | |
| Slide bearing plastic | Roller lever arm (d roller = 18 mm, length = 32 mm) |
| Actuating force | min. 15 N |
| Installation orientation | any |
| Storage temperature | -25 ... 80 °C |
| Mechanical life | 30 x 10⁶ |
| Contact bounce time | max. 3 ms |
| Switching principle | Snap-action switching contact |
| Schließzeit | max. 4 ms |
| Degree of protection | IP67 |
| Ambient temperature | -25 ... 80 °C |
| Material | |
| Housing | Anodized die-cast alloy |
| Contact | Silver alloy, gold flashed |
Downloads
Complete package
Download all important documents with a single click.
Content:
- The operating instructions and any additions to the operating instructions or brief instructions
- Any data sheets to supplement the operating instructions
- The declaration of conformity
Download Complete Package (ZIP, 3,9 MB)
Single Documents
Declarations of conformity
EU-Konformitätserklärung
Doc. no.
Version
Language
Size
EU-Konformitätserklärung
Doc. no.
EDC2539628
Version
Language
Size
0,2 MB
UKCA-Konformitätserklärung
Doc. no.
Version
Language
Size
UKCA-Konformitätserklärung
Doc. no.
EDC20001551
Version
Language
Size
0,1 MB
Instructions
Operating Instructions Position Switch NG…
Doc. no.
Version
Language
Size
Operating Instructions Position Switch NG…
Doc. no.
2032310
Version
02/26
Language
Size
0,7 MB
Mode d’emploi Interrupteur de position NG…
Doc. no.
2032310
Version
02/26
Language
Size
0,7 MB
Manual de instrucciones Interruptor de posición NG…
Doc. no.
2032310
Version
02/26
Language
Size
0,7 MB
Betriebsanleitung Positionsschalter NG…
Doc. no.
2032310
Version
02/26
Language
Size
0,7 MB
Istruzioni di impiego Finecorsa NG…
Doc. no.
2032310
Version
02/26
Language
Size
0,7 MB
İşletim kılavuzu Konum şalteri NG…
Doc. no.
2032310
Version
02/26
Language
Size
1,2 MB
Other Documents
Approvals and certificates
CCC
Doc. no.
Version
Language
Size
CCC
Doc. no.
20001849
Version
Language
Size
0,0 MB
WEEE
Doc. no.
Version
Language
Size
WEEE
Doc. no.
ECO20001806
Version
Language
Size
0,1 MB
c UL us
Doc. no.
Version
Language
Size
c UL us
Doc. no.
Version
Language
Size
0,3 MB
Sales documents
Position Switches and Multiple Limit Switches
Doc. no.
Version
Language
Size
Position Switches and Multiple Limit Switches
Doc. no.
157836
Version
01-03/18
Language
Size
4,1 MB
Interrupteurs de position et boîtiers multipistes
Doc. no.
157837
Version
01-03/18
Language
Size
4,1 MB
Positionsschalter und Reihengrenztaster
Doc. no.
157835
Version
01-03/18
Language
Size
4,1 MB
ePlan macros
EUC.088631
Doc. no.
Version
Language
Size
EUC.088631
Doc. no.
Version
Language
Size
0,1 MB
CAD/eCAD
Ordering data
| Ordernumber | 088631 |
| Item designation | NG2HB-510SVM5 |
| Gross weight | 0,371kg |
| Customs tariff number | 85365019000 |
| ECLASS | 27-27-06-01 Position switch (Type 1) |









