N10R502AM-M (Best. Nr. 088997)
Inhalte wählen
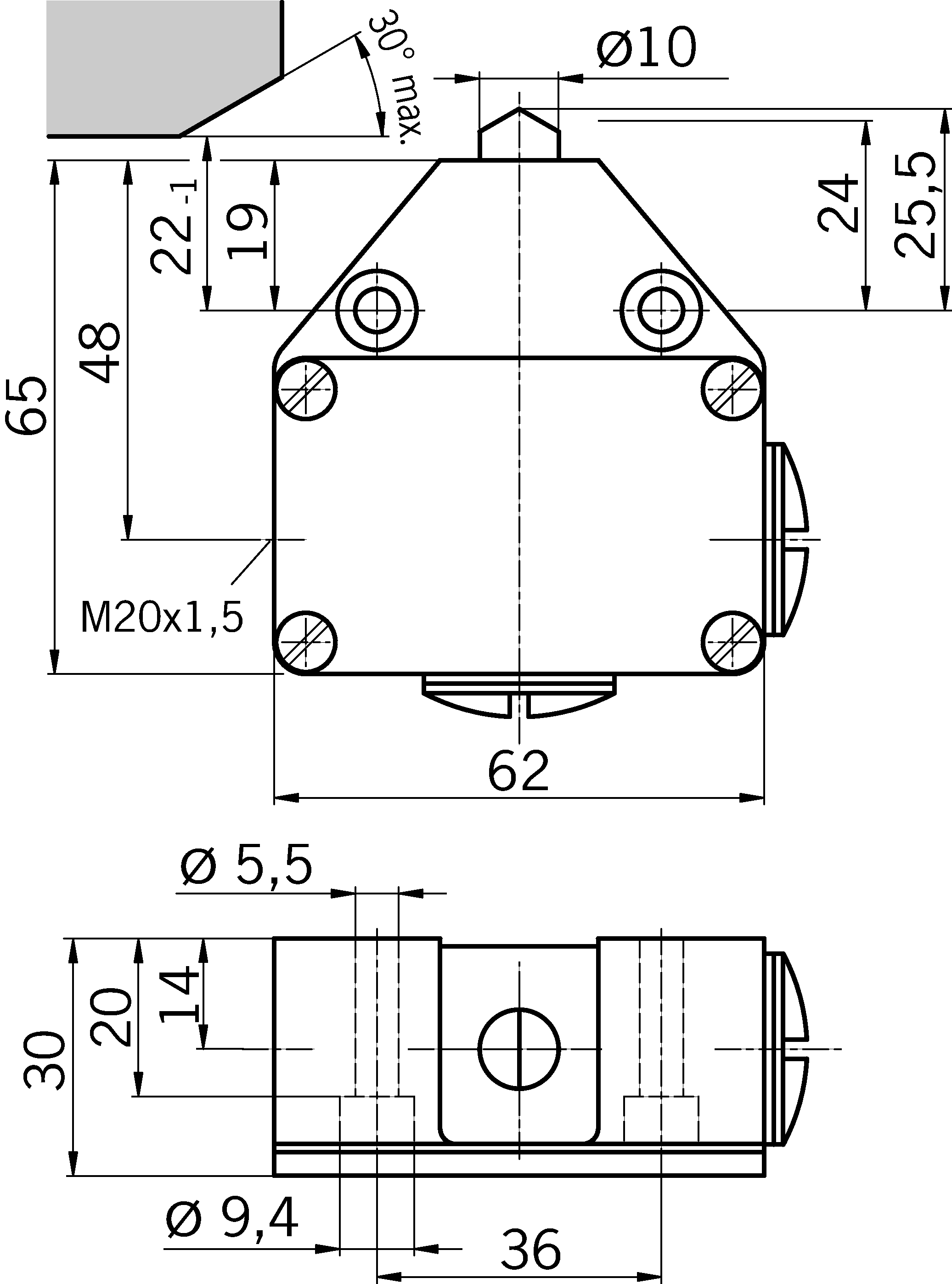
Präzisions-Einzelgrenztaster N10, Rollenstößel
- Stößelwerkstoff rostbeständiger Stahl

Beschreibung
Abbildung ähnlich


Maßzeichnungen

Anschlussbeispiele

Technische Daten
Elektrische Anschlusswerte
| Absicherung | max. 16 A gG |
| Anschlussquerschnitt | 0.34 ... 1.5 mm² |
| Bemessungsisolationsspannung Ui | 250 V |
| Bemessungsstoßspannung Uimp | 2.5 kV |
| Gebrauchskategorie | |
| AC-12 | 16A 230V |
| AC-15 | 10A 230V |
| DC-13 | 6A 24V |
| Schaltstrom | |
| min. bei DC 24V | 20 mA |
| thermischer Bemessungsstrom Ith | 10 A |
Mechanische Werte und Umgebung
| Anfahrgeschwindigkeit | 0.01 ... 80 m/min |
| Anschlussart | |
| 3 x | M20 x 1,5 |
| Anzahl Öffner Türstellung | 1 |
| Anzahl Schließer Türstellung | 1 |
| Betätigungselement | |
| Gleitlager Metall; Mit außen liegender Membran | Rollenstößel (D Rolle = 8mm) |
| Betätigungskraft | min. 20 N |
| Einbaulage | beliebig |
| Lagertemperatur | -25 ... 80 °C |
| Mechanische Lebensdauer | 30 x 10⁶ |
| Schaltprinzip | Sprungschaltglied |
| Schutzart | IP67 |
| Umgebungstemperatur | -5 ... 80 °C |
| Werkstoff | |
| Kontakt | Silberlegierung, hauchvergoldet |
| Gehäuse | Leichtmetall Druckguss anodisch oxidiert |
Downloads
Einzeldokumente
Anleitungen
Betriebsanleitung Präzisions-Einzelgrenztaster N10/N11
Dok.-Nr.
Version
Sprache
Größe
Betriebsanleitung Präzisions-Einzelgrenztaster N10/N11
Dok.-Nr.
2501867
Version
02/26
Sprache
Größe
0,5 MB
Operating Instructions Precision Single Limit Switch N10/N11
Dok.-Nr.
2501867
Version
02/26
Sprache
Größe
0,5 MB
Mode d’emploi Fins de course monopistes de précision N10/N11
Dok.-Nr.
2501867
Version
02/26
Sprache
Größe
0,5 MB
Manual de instrucciones Final de carrera unitario de precisión N10/N11
Dok.-Nr.
2501867
Version
02/26
Sprache
Größe
0,5 MB
Konformitätserklärungen
EU-Konformitätserklärung
Dok.-Nr.
Version
Sprache
Größe
EU-Konformitätserklärung
Dok.-Nr.
EDC2539628
Version
Sprache
Größe
0,2 MB
UKCA-Konformitätserklärung
Dok.-Nr.
Version
Sprache
Größe
UKCA-Konformitätserklärung
Dok.-Nr.
EDC20001551
Version
Sprache
Größe
0,1 MB
Sonstige Dokumente
Verkaufsunterlagen
Positionsschalter und Reihengrenztaster
Dok.-Nr.
Version
Sprache
Größe
Positionsschalter und Reihengrenztaster
Dok.-Nr.
157835
Version
01-03/18
Sprache
Größe
4,1 MB
Position Switches and Multiple Limit Switches
Dok.-Nr.
157836
Version
01-03/18
Sprache
Größe
4,1 MB
Interrupteurs de position et boîtiers multipistes
Dok.-Nr.
157837
Version
01-03/18
Sprache
Größe
4,1 MB
Zulassungen und Bescheinigungen
WEEE
Dok.-Nr.
Version
Sprache
Größe
WEEE
Dok.-Nr.
ECO20001806
Version
Sprache
Größe
0,1 MB
Bestelldaten
| Bestellnummer | 088997 |
| Artikelbezeichnung | N10R502AM-M |
| Bruttogewicht | 0,198kg |
| Zolltarifnummer | 85365019000 |
| ECLASS | 27-27-06-01 Positionsschalter (Bauart 1) |
