CET3-AR-CRA-CH-50F-SG-C2333-112921 (Obj. č. 112921)
Bezpečnostní spínač s ochranným zámkem CET-AR-..., RFID, konektor M12, únikové odblokování, zajišťovací vložka
- Princip klidového proudu
- Multicode
- Monitorování blokování výstupní ochrany OUT
- Signalizační výstup polohy dveří OUT D
- 2 x konektory M12, 5kolíkový a 8kolíkový
- Únikový odjišťovací prvek, délka 75 mm
- Zajišťovací mechanismus

Popis
Princip jištění
Klidový proud (Power to unlock): U ochranného krytu s jištěním na principu klidového proudu je ochranný kryt jištěn silou pružiny, dokud je do jisticího elektromagnetu přiváděn proud. Odjištění probíhá silou elektromagnetu. Tato varianta se také označuje jako mechanické jištění ochranného krytu.
Vyhodnocování typu Multicode
Systém zkontroluje, zda je typ pohonu rozpoznatelný systémem (multikódové vyhodnocení). Systém má nízkou úroveň kódování. Každý vhodný pohon je spínačem rozpoznán.
Bezpečnostní charakteristiky
Díky dvěma redundantním bezpečnostním výstupům (polovodičové výstupy) s interním monitorováním je zařízení vhodné pro.
- Kategorie 4 /PL e podle EN 13849-1
- SIL 3 podle EN IEC 62061 Tabulka 4
Použité výstupy OSSD kontrolují svou funkci na zkraty a křížové obvody pomocí testovacích impulzů.
Únikový odjišťovací prvek
V případě nebezpečí slouží k odjištění ochranného krytu z nebezpečného prostoru bez použití pomůcek.
Zajišťovací mechanismus
Zajišťovacím mechanismem lze zamezit tomu, aby nedopatřením došlo k uzavření například pracovníků údržby v nebezpečném prostoru.
Důležité: Zajišťovací mechanismus nepředstavuje bezpečnostní funkci.
Tento přístroj se zajišťovacím mechanismem nemá pomocný odjišťovací prvek.
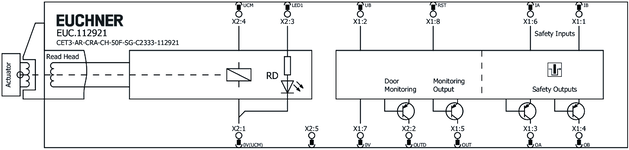
LED indikace
LED STATE | Stavová LED dioda |
LED dioda DIA | Diagnostická LED dioda |
LED 1 rd | Libovolně ovladatelná |
LED 2 gn | Svítí při zavřených dveřích |
Zapojení
Potřebné příslušenství
Aktuátor není součástí dodávky.
Bezpečnostní spínač lze ovládat pouze ve spojení s pohony určenými k tomuto účelu.



Rozměrové výkresy

Příklady připojení

Technické údaje
Schválení

Pracovní prostor
| Opakovatelná přesnost R | 10 % |
Hodnoty elektrického připojení
| Zajištění | |
| Externí (napájecí napětí UB) | 0.25 ... 8 A |
| Externí (napájecí napětí elektromagnetu UCM) | 0.5 ... 8 A |
| Příkon | |
| Elektromagnet | 11 W |
| Připojovací kabel | 30 V DC, 2 A (Pro požadavky dle kódu UL Category (CYJV/CYJV7)) |
| Napájecí napětí DC | |
| UB | 24 V DC -15% ... +15% zabezpečeno proti přepólování, regulováno, zbytkové zvlnění<5 %, PELV |
| LED | 24 V DC -15% V DC ... +10% V DC |
| Požadavky na elektromagnetickou kompatibilitu | Podle normy EN IEC 60947-5-3 |
| Kategorie použití | |
| DC-13 | 24 V, 200 mA (Varování: Při indukční zátěži musejí být výstupy chráněny nulovou diodou) |
| Napájecí napětí elektromagnetu DC | |
| UCM | 24 V DC -15% ... +10% zabezpečeno proti přepólování, regulováno, zbytkové zvlnění<5 %, PELV |
| Zatěžovatel elektromagnetu DZ | 100 % |
| Doba rizika podle normy EN 60947-5-3 | max. 400 ms |
| Riziková doba podle EN 60947-5-3, prodloužení pro každou další jednotku | max. 5 ms |
| Spínané zatížení | |
| Podle UL | 24 V DC, třída 2 (Alternativy viz návod k použití) |
| Třída ochrany | III |
| Odběr proudu | |
| IB | 80 mA |
| ICM | 450 mA |
| Doba trvání zkušebního impulzu | max. 1 ms |
| Stupeň znečištění (externí, podle EN 60947-1) | 3 |
| Signalizační výstup OUT D | |
| Druh výstupu | PNP, odolné proti zkratu |
| Výstupní napětí | |
| OUT D | 0.8xUB ... UB V DC |
| Spínací proud | |
| OUT D | 1 ... 50 mA |
| Prodleva sepnutí od změny stavu | max. 700 ms |
| Signalizační výstup OUT | |
| Druh výstupu | PNP, odolné proti zkratu |
| Výstupní napětí | |
| OUT | 0.8xUB ... UB V DC |
| Spínací proud | |
| OUT | 1 ... 50 mA |
| Prodleva sepnutí od změny stavu | max. 400 ms |
| Bezpečnostní výstupy OA/OB | |
| Druh výstupu | 2× polovodičový výstup, PNP, odolný proti zkratu |
| Výstupní napětí | |
| HIGH U(OA,OB) | UB-1.5V ... UB V DC |
| LOW U(OA,OB) | 0 ... 1 V DC |
| Doba diskrepance | |
| Obou bezpečnostních výstupů | max. 10 ms |
| Doba do zapnutí | 400 ms |
| Zbytkový proud Ir | max. 0.25 mA |
| Spínací proud | |
| Na každém bezpečnostním výstupu OA/OB | 1 ... 200 mA |
Mechanické hodnoty a prostředí
| Anfahrgeschwindigkeit | max. 20 m/min |
| Typ připojení | 2× konektor M12, 5- a 8pól. |
| Prodleva do dosažení pohotovostního stavu | 10 s |
| Montážní poloha | Libovolná |
| Frekvence spínání | max. 0.5 Hz |
| Stupeň volnosti X | ±5 mm |
| Stupeň volnosti Y | ±5 mm |
| Stupeň volnosti Z | ±4 mm |
| Teplota při skladování | -25 ... 70 °C |
| Mechanická životnost | 2 x 10⁶ |
| Odolnost proti nárazům a vibracím | Podle normy EN IEC 60947-5-3 |
| Třída ochrany | IP67 (V zapojeném a zajištěném stavu) |
| Okolní teplota | |
| Při UB = 24 V DC | -20 ... 55 °C |
| Materiál | |
| Rampa | Nerezová ocel |
| Pouzdro bezpečnostního spínače | Hliníkový tlakový odlitek |
| Držící síla Fmax | 6500 N |
| Držící síla FZh | 5000 N (FZH = FMAX/1,3) |
| Princip jištění | Princip klidového proudu |
Charakteristické hodnoty podle EN ISO 13849-1 a EN IEC 62061
| PL | Maximální SIL | PFHD | Kategorie | Doba provozu | |
|---|---|---|---|---|---|
| Monitorování jištění ochranného krytu | PL e | - | 3.1x10-9 | 4 | 20 y |
| PL | Maximální SIL | Kategorie | Doba provozu | |
|---|---|---|---|---|
| Ovládání jištění ochranného krytu | V závislosti na externím ovládání jištění ochranného krytu | 20 y | ||
Různé
| Číslo C | |
| C2333 | S namontovaným zajišťovacím mechanismem |
| Poznámky ke schválení UL | Provoz pouze s napájením opatřeným atestem UL-Class 2 nebo rovnocenným, viz návod k použití |
Příslušenství

AM-C-SW4-V3-161344
- Plastové vložky pro imbusové šrouby vel. 4
- Účinná ochrana proti neoprávněné manipulaci pro upevnění bezpečnostních spínačů
- Součástí dodávky jsou vložky pro 18 šroubů

AM-C-SW5-V3-161348
- Plastové vložky pro imbusové šrouby vel. 5
- Účinná ochrana proti neoprávněné manipulaci pro upevnění bezpečnostních spínačů
- Součástí dodávky jsou vložky pro 18 šroubů

C-M12F05-05X025PU10,0-M12M05-115565
- Zástrčka M12 s dutinkami, 5pól. (úhlová) / konektor M12 (přímý)
- Konektor z obou stran
- Kabel z PUR
- Délka kabelu 10 m
- S vývodem kabelu A (doprava)

C-M12F05-05X025PU10,0-M12M05-115566
- Zástrčka M12 s dutinkami, 5pól. (úhlová) / konektor M12 (přímý)
- Konektor z obou stran
- Kabel z PUR
- Délka kabelu 10 m
- S vývodem kabelu C (doleva)

C-M12F05-05X034PU01,5-M12M05-159356
- Zástrčka M12 s dutinkami – konektor M12, 5pól.
- Přímá spojka pro zástrčku s dutinkami a konektor
- Připojovací kabel podle standardu AIDA
- Kabel z PUR, šedý plášť
- Délka kabelu 1,5 m

C-M12F05-05X034PU01,5-M12M05-159363
- Zástrčka M12 s dutinkami – konektor M12, 5pól.
- Přímá spojka pro zástrčku s dutinkami a konektor
- Připojovací kabel podle standardu AIDA
- Kabel z PUR, žlutý plášť
- Délka kabelu 1,5 m

C-M12F05-05X034PU10,0-M12M05-119947
- Zástrčka M12 s dutinkami – konektor M12, 5pól.
- Přímá spojka pro zástrčku s dutinkami a konektor
- Kabel z PUR
- Délka kabelu 10 m

C-M12F05-05X034PV10,0-M12M05-100181
- Zástrčka M12 s dutinkami – konektor M12, 5pól.
- Přímá spojka pro zástrčku s dutinkami a konektor
- Kabel z PVC
- Délka kabelu 10 m

C-M12F05-05X034PU10,0-M12M05-159360
- Zástrčka M12 s dutinkami – konektor M12, 5pól.
- Přímá spojka pro zástrčku s dutinkami a konektor
- Připojovací kabel podle standardu AIDA
- Kabel z PUR, šedý plášť
- Délka kabelu 10 m

C-M12F05-05X034PU10,0-M12M05-159920
- Zástrčka M12 s dutinkami – konektor M12, 5pól.
- Přímá spojka pro zástrčku s dutinkami a konektor
- Připojovací kabel podle standardu AIDA
- Kabel z PUR, žlutý plášť
- Délka kabelu 10 m

C-M12F05-05X034PU15,0-M12M05-159361
- Zástrčka M12 s dutinkami – konektor M12, 5pól.
- Přímá spojka pro zástrčku s dutinkami a konektor
- Připojovací kabel podle standardu AIDA
- Kabel z PUR, šedý plášť
- Délka kabelu 15 m

C-M12F05-05X034PU15,0-M12M05-159921
- Zástrčka M12 s dutinkami – konektor M12, 5pól.
- Přímá spojka pro zástrčku s dutinkami a konektor
- Připojovací kabel podle standardu AIDA
- Kabel z PUR, žlutý plášť
- Délka kabelu 15 m

C-M12F05-05X034PU01,0-M12M05-159355
- Zástrčka M12 s dutinkami – konektor M12, 5pól.
- Přímá spojka pro zástrčku s dutinkami a konektor
- Připojovací kabel podle standardu AIDA
- Kabel z PUR, šedý plášť
- Délka kabelu 1 m

C-M12F05-05X034PU01,0-M12M05-159362
- Zástrčka M12 s dutinkami – konektor M12, 5pól.
- Přímá spojka pro zástrčku s dutinkami a konektor
- Připojovací kabel podle standardu AIDA
- Kabel z PUR, žlutý plášť
- Délka kabelu 1 m

C-M12F05-05X034PU20,0-M12M05-119971
- Zástrčka M12 s dutinkami – konektor M12, 5pól.
- Přímá spojka pro zástrčku s dutinkami a konektor
- Kabel z PUR
- Délka kabelu 20 m

C-M12F05-05X034PV20,0-M12M05-100182
- Zástrčka M12 s dutinkami – konektor M12, 5pól.
- Přímá spojka pro zástrčku s dutinkami a konektor
- Kabel z PVC
- Délka kabelu 20 m

C-M12F05-05X034PU03,0-M12M05-159357
- Zástrčka M12 s dutinkami – konektor M12, 5pól.
- Přímá spojka pro zástrčku s dutinkami a konektor
- Připojovací kabel podle standardu AIDA
- Kabel z PUR, šedý plášť
- Délka kabelu 3 m

C-M12F05-05X034PU03,0-M12M05-159364
- Zástrčka M12 s dutinkami – konektor M12, 5pól.
- Přímá spojka pro zástrčku s dutinkami a konektor
- Připojovací kabel podle standardu AIDA
- Kabel z PUR, žlutý plášť
- Délka kabelu 3 m

C-M12F05-05X034PU05,0-M12M05-119932
- Zástrčka M12 s dutinkami – konektor M12, 5pól.
- Přímá spojka pro zástrčku s dutinkami a konektor
- Kabel z PUR
- Délka kabelu 5 m

C-M12F05-05X034PV05,0-M12M05-100180
- Zástrčka M12 s dutinkami – konektor M12, 5pól.
- Přímá spojka pro zástrčku s dutinkami a konektor
- Kabel z PVC
- Délka kabelu 5 m

C-M12F05-05X034PU05,0-M12M05-159358
- Zástrčka M12 s dutinkami – konektor M12, 5pól.
- Přímá spojka pro zástrčku s dutinkami a konektor
- Připojovací kabel podle standardu AIDA
- Kabel z PUR, šedý plášť
- Délka kabelu 5 m

C-M12F05-05X034PU05,0-M12M05-159365
- Zástrčka M12 s dutinkami – konektor M12, 5pól.
- Přímá spojka pro zástrčku s dutinkami a konektor
- Připojovací kabel podle standardu AIDA
- Kabel z PUR, žlutý plášť
- Délka kabelu 5 m

C-M12F05-05X034PU08,0-M12M05-159359
- Zástrčka M12 s dutinkami – konektor M12, 5pól.
- Přímá spojka pro zástrčku s dutinkami a konektor
- Připojovací kabel podle standardu AIDA
- Kabel z PUR, šedý plášť
- Délka kabelu 8 m

C-M12F05-05X034PU08,0-M12M05-159919
- Zástrčka M12 s dutinkami – konektor M12, 5pól.
- Přímá spojka pro zástrčku s dutinkami a konektor
- Připojovací kabel podle standardu AIDA
- Kabel z PUR, žlutý plášť
- Délka kabelu 8 m

C-M12F05-05X025PU10,0-MA-113187
- Zástrčka M12 s dutinkami, 5pól.
- Úhlový konektor
- Kabel z PUR
- Délka kabelu 10 m
- Vývod kabelu A (doprava)
- Kabel s volným koncem

C-M12F05-05X025PU10,0-MA-113190
- Zástrčka M12 s dutinkami, 5pól.
- Úhlový konektor
- Kabel z PUR
- Délka kabelu 10 m
- Vývod kabelu C (doleva)
- Kabel s volným koncem

C-M12F08-08X025PU10,0-MA-113188
- Zástrčka M12 s dutinkami, 8pól.
- Úhlový konektor
- Vývod kabelu A (doprava)
- Kabel z PUR
- Délka kabelu 10 m
- Kabel s volným koncem

C-M12F08-08X025PU10,0-MA-113189
- Zástrčka M12 s dutinkami, 8pól.
- Úhlový konektor
- Vývod kabelu C (doleva)
- Kabel z PUR
- Délka kabelu 10 m
- Kabel s volným koncem

C-M12F08-08X025PU20,0-MA-120998
- Zástrčka M12 s dutinkami, 8pól.
- Úhlový konektor
- Vývod kabelu A (doprava)
- Kabel z PUR
- Délka kabelu 20 m
- Kabel s volným koncem

C-M12F08-08X025PU20,0-MA-120999
- Zástrčka M12 s dutinkami, 8pól.
- Úhlový konektor
- Vývod kabelu C (doleva)
- Kabel z PUR
- Délka kabelu 20 m
- Kabel s volným koncem

AC-YD-V0,2-SBB-111696
- Pro sériové zapojení bezpečnostních spínačů AR/BR do spínacích řetězců
- Rozdělovač Y M12 s připojovacím kabelem, 2× 5pól., 1× 8pól.
- Přímý konektor
- Kabel z PVC
- Délka kabelu 0,2 m

AC-YD-V1,0-SBB-112395
- Pro sériové zapojení bezpečnostních spínačů AR/BR do spínacích řetězců
- Rozdělovač Y M12 s připojovacím kabelem, 2× 5pól., 1× 8pól.
- Přímý konektor
- Kabel z PVC
- Délka kabelu 1 m
Ke stažení
Celé balení
Stáhněte si všechny důležité dokumenty jedním kliknutím.
Obsahuje:
- Návod k použití a příp. dodatky k návodu k použití nebo stručné návody
- Příp. datové listy jako dodatek k návodu k použití
- Prohlášení o shodě
Jednotlivé dokumenty
Ostatní dokumenty
Makra ePlan
Objednací údaje
| Obj. č. | 112921 |
| Název výrobku | CET3-AR-CRA-CH-50F-SG-C2333-112921 |
| Hmotnost brutto | 1,356kg |
| Číslo celního tarifu | 85365019000 |
| ECLASS | 27-27-24-05 Safety-related transponder switch with guardlocking |




















