HomeProdutosInterruptor de posição e chave de fim de curso múltiplaChave de fim de curso múltipla, em pé SNSN02R08-592-MC2445
SN02R08-592-MC2445 (Nº de pedido 128069)
Escolha o conteúdo
Série SN... 8 mm mecânico
- Para alta temperatura de até +125°C
- Distância do tucho 8 mm
- Forma construtiva da carcaça na vertical, com conector de encaixe M12

Descrição
Elemento de comutação
ES 592 | Elemento de comutação de ação rápida, 1 conversor do elemento de comutação padrão |



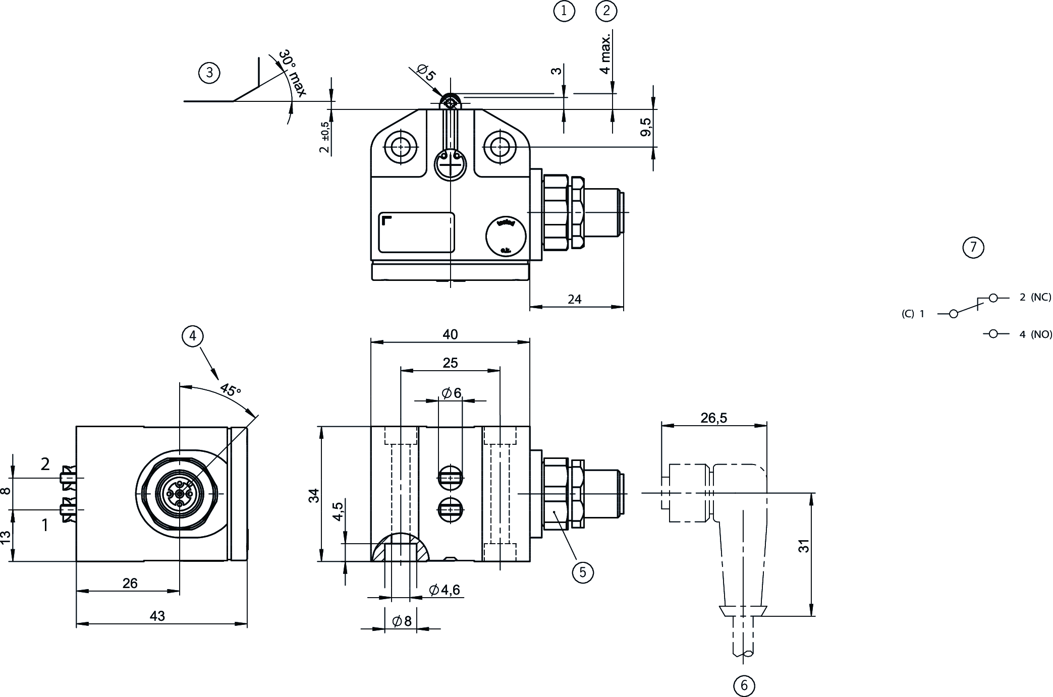
Desenhos dimensionais

| 1 | Ponto de comutação |
| 2 | Posição de repouso |
| 3 | Excêntrico |
| 4 | Ressalto de guia alinhado |
| 5 | Torque recomendado 1-1,2 Nm |
| 6 | Conector de encaixe angular: Saída do cabo ajustável em no máx. 270°. Ajuste padrão para a saída do cabo para baixo. |
| 7 | Elemento de comutação: ES592 elemento de comutação de ação rápida 1 conversor |
Exemplos de conexão

| 1 | Estação 1 |
| 2 | Estação 2 |
Exemplos de conexão

Dados técnicos
Aprovações


Valores de conexão elétrica
| Hedging | max. 2 A gG |
| Tensão nominal de isolamento Ui | 250 V |
| Tensão nominal de impulso Uimp | 1.5 kV |
| Categoria de uso | |
| DC-13 | 1 A 24 V |
| Corrente de comutação | |
| No mín. a CC 24 V | min. 10 mA |
| Classe de proteção | I |
Valores mecânicos e ambiente
| Anfahrgeschwindigkeit | 0.01 ... 50 m/min |
| Tipo de conexão | |
| 1 x | Conector de encaixe M12 x 1, ajustável, alta temperatura (5 pinos) |
| Quantidade de contatos de abertura da posição da porta | 2 |
| Quantidade de elementos de comutação | 2 |
| Quantidade de contatos de trabalho da posição da porta | 2 |
| Quantidade de comutadores | 2 |
| Forma construtiva | fixa |
| Elemento de acionamento | |
| Mancal deslizante de metal | e de roldana |
| Força de acionamento | 15 ... 20 N |
| Posição de montagem | qualquer |
| Temperatura de armazenamento | -25 ... 125 °C |
| Vida mecânica | 0.5 x 10⁶ |
| Diâmetro dos rolos | 5 mm |
| Princípio de troca | Conversor com função de ação rápida |
| Classe de proteção | IP65 |
| Distância do tucho | 8 mm |
| Temperatura ambiente | -5 ... 125 °C |
| Material | |
| Contato | Prata pura (Ag) |
| Caixa | Fundição de alumínio anodizado |
Diversos
| Informações adicionais | (Conector do cabo pertinente com cabo de conexão de TPE (PUR) para altas temperaturas de até 100°C - 30.000 h 125°C- 8.000 h / 150°C - 2.000 h deve ser encomendado separadamente.) |
Acessórios
Downloads
Pacote completo
Efetuar o download de todos os documentos importantes com um clique
Contém
- O manual de instruções e, eventualmente, o seu complemento ou as breves instruções
- Eventualmente as fichas técnicas como complemento do manual de instruções
- A declaração de conformidade
Efetuar o download do pacote completo (ZIP, 2,1 MB)
Documentos isolados
Declarações de conformidade
EU-Konformitätserklärung
Nº do doc.
Versão
Idioma
Tamanho
EU-Konformitätserklärung
Nº do doc.
EDC2539628
Versão
Idioma
Tamanho
0,2 MB
UKCA-Konformitätserklärung
Nº do doc.
Versão
Idioma
Tamanho
UKCA-Konformitätserklärung
Nº do doc.
EDC20001551
Versão
Idioma
Tamanho
0,1 MB
Instruções
Operating Instructions Precision Multiple Limit Switches GL, GS, SB, SN 8 mm
Nº do doc.
Versão
Idioma
Tamanho
Operating Instructions Precision Multiple Limit Switches GL, GS, SB, SN 8 mm
Nº do doc.
2076050
Versão
02/26
Idioma
Tamanho
0,5 MB
Mode d’emploi Boîtiers multipistes de précision GL, GS, SB, SN 8 mm
Nº do doc.
2076050
Versão
02/26
Idioma
Tamanho
0,5 MB
Manual de instrucciones Final de carrera múltiple de precisión GL, GS, SB, SN 8 mm
Nº do doc.
2076050
Versão
02/26
Idioma
Tamanho
0,5 MB
Betriebsanleitung Präzisions-Reihengrenztaster GL, GS, SB, SN 8 mm
Nº do doc.
2076050
Versão
02/26
Idioma
Tamanho
0,5 MB
Istruzioni di impiego Finecorsa multipli di precisione GL, GS, SB, SN 8 mm
Nº do doc.
2076050
Versão
02/26
Idioma
Tamanho
0,5 MB
Outros documentos
Aprovações e certificados
CCC
Nº do doc.
Versão
Idioma
Tamanho
CCC
Nº do doc.
20001849
Versão
Idioma
Tamanho
0,0 MB
WEEE
Nº do doc.
Versão
Idioma
Tamanho
WEEE
Nº do doc.
ECO20001806
Versão
Idioma
Tamanho
0,1 MB
c UL us
Nº do doc.
Versão
Idioma
Tamanho
c UL us
Nº do doc.
Versão
Idioma
Tamanho
0,3 MB
Documentos de venda
Position Switches and Multiple Limit Switches
Nº do doc.
Versão
Idioma
Tamanho
Position Switches and Multiple Limit Switches
Nº do doc.
157836
Versão
01-03/18
Idioma
Tamanho
4,1 MB
Interrupteurs de position et boîtiers multipistes
Nº do doc.
157837
Versão
01-03/18
Idioma
Tamanho
4,1 MB
Positionsschalter und Reihengrenztaster
Nº do doc.
157835
Versão
01-03/18
Idioma
Tamanho
4,1 MB
CAD/eCAD
Dados de encomenda
| Nº de pedido | 128069 |
| Designação do artigo | SN02R08-592-MC2445 |
| Peso bruto | 0,15kg |
| Número da tarifa alfandegária | 85365019000 |
| ECLASS | 27-27-06-02 Multi-position switch |



