HomeProdutosInterruptor de posição e chave de fim de curso múltiplaChave de fim de curso múltipla, em pé SNSN02D08-552-M
SN02D08-552-M (Nº de pedido 085902)
Escolha o conteúdo
Série SN... 8 mm mecânico
- Distância do tucho 8 mm
- Forma construtiva da carcaça na vertical, sem flange
- Grau de proteção IP67 conforme IEC 60529

Descrição
Elemento de comutação
ES 552 | Elemento de comutação de ação rápida, 1 conversor do elemento de comutação padrão |


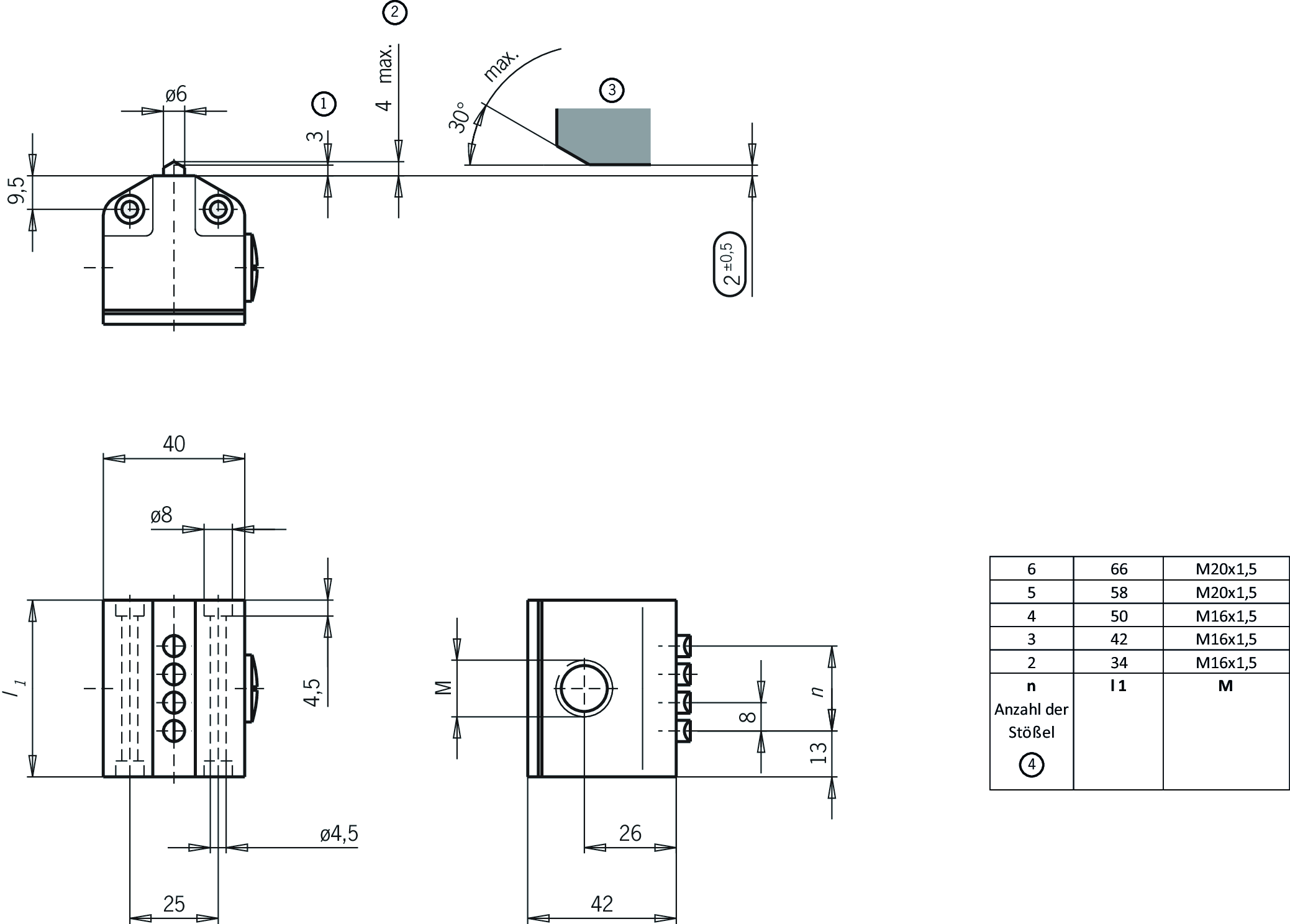
Desenhos dimensionais

| 1 | Ponto de comutação |
| 2 | Posição de repouso |
| 3 | Excêntrico |
| 4 | N Quantidade de tuchos |
Exemplos de conexão

Dados técnicos
Aprovações


Valores de conexão elétrica
| Hedging | max. 6 A gG |
| Seção transversal da conexão | 0.14 ... 1.0 mm² |
| Tensão nominal de isolamento Ui | 250 V |
| Tensão nominal de impulso Uimp | 2.5 kV |
| Categoria de uso | |
| AC-15 | 2 A 230 V |
| DC-13 | 2 A 24 V |
| Corrente de comutação | |
| No mín. a CC 24 V | min. 10 mA |
| Corrente nominal térmica Ith | 6 A |
Valores mecânicos e ambiente
| Anfahrgeschwindigkeit | 0.01 ... 20 m/min |
| Tipo de conexão | 2 x M16 x 1,5 |
| Quantidade de elementos de comutação | 2 |
| Quantidade de comutadores | 2 |
| Torque de aperto | |
| Borne roscado | max. 0.2 Nm Sextavado interno com abertura de chave 1,3 mm |
| Forma construtiva | fixa |
| Elemento de acionamento | Tucho de teto |
| Força de acionamento | min. 15 N |
| Posição de montagem | qualquer |
| Temperatura de armazenamento | -25 ... 80 °C |
| Vida mecânica | 10 x 10⁶ |
| Princípio de troca | Elemento de comutação rápida |
| Precisão do ponto de comutação | ± 0,02 (A precisão do ponto de comutação reprodutível refere-se ao curso axial do tucho e o elemento de comutação ES 552 E submetido a aprox. 2000 ciclos de comutação.) |
| Classe de proteção | IP67 |
| Distância do tucho | 8 mm |
| Temperatura ambiente | -5 ... 80 °C |
| Material | |
| Caixa | Fundição de alumínio anodizado |
| Contato | Prata pura (Ag) |
Downloads
Pacote completo
Efetuar o download de todos os documentos importantes com um clique
Contém
- O manual de instruções e, eventualmente, o seu complemento ou as breves instruções
- Eventualmente as fichas técnicas como complemento do manual de instruções
- A declaração de conformidade
Efetuar o download do pacote completo (ZIP, 1,8 MB)
Documentos isolados
Declarações de conformidade
EU-Konformitätserklärung
Nº do doc.
Versão
Idioma
Tamanho
EU-Konformitätserklärung
Nº do doc.
EDC2539628
Versão
Idioma
Tamanho
0,2 MB
UKCA-Konformitätserklärung
Nº do doc.
Versão
Idioma
Tamanho
UKCA-Konformitätserklärung
Nº do doc.
EDC20001551
Versão
Idioma
Tamanho
0,1 MB
Instruções
Operating Instructions Precision Multiple Limit Switches GL, GS, SB, SN 8 mm
Nº do doc.
Versão
Idioma
Tamanho
Operating Instructions Precision Multiple Limit Switches GL, GS, SB, SN 8 mm
Nº do doc.
2076050
Versão
02/26
Idioma
Tamanho
0,5 MB
Mode d’emploi Boîtiers multipistes de précision GL, GS, SB, SN 8 mm
Nº do doc.
2076050
Versão
02/26
Idioma
Tamanho
0,5 MB
Manual de instrucciones Final de carrera múltiple de precisión GL, GS, SB, SN 8 mm
Nº do doc.
2076050
Versão
02/26
Idioma
Tamanho
0,5 MB
Betriebsanleitung Präzisions-Reihengrenztaster GL, GS, SB, SN 8 mm
Nº do doc.
2076050
Versão
02/26
Idioma
Tamanho
0,5 MB
Istruzioni di impiego Finecorsa multipli di precisione GL, GS, SB, SN 8 mm
Nº do doc.
2076050
Versão
02/26
Idioma
Tamanho
0,5 MB
Outros documentos
Aprovações e certificados
CCC
Nº do doc.
Versão
Idioma
Tamanho
CCC
Nº do doc.
20001849
Versão
Idioma
Tamanho
0,0 MB
WEEE
Nº do doc.
Versão
Idioma
Tamanho
WEEE
Nº do doc.
ECO20001806
Versão
Idioma
Tamanho
0,1 MB
c UL us
Nº do doc.
Versão
Idioma
Tamanho
c UL us
Nº do doc.
Versão
Idioma
Tamanho
0,3 MB
Documentos de venda
Position Switches and Multiple Limit Switches
Nº do doc.
Versão
Idioma
Tamanho
Position Switches and Multiple Limit Switches
Nº do doc.
157836
Versão
01-03/18
Idioma
Tamanho
4,1 MB
Interrupteurs de position et boîtiers multipistes
Nº do doc.
157837
Versão
01-03/18
Idioma
Tamanho
4,1 MB
Positionsschalter und Reihengrenztaster
Nº do doc.
157835
Versão
01-03/18
Idioma
Tamanho
4,1 MB
CAD/eCAD
Dados de encomenda
| Nº de pedido | 085902 |
| Designação do artigo | SN02D08-552-M |
| Peso bruto | 0,13kg |
| Global Trade Item Number (GTIN) | 4047048003392 |
| Número da tarifa alfandegária | 85365019000 |
| ECLASS | 27-27-06-02 Multi-position switch |

