CES-AH-C03-AH-SM-106300 (Nº de pedido 106300)
Chave de segurança sem contato CES-AH-C03-...
- Chave de segurança com sistema eletrônico de avaliação integrado
- Correntes de carga de 3,5 A podem ser ligadas diretamente
- 2 saídas de segurança (saídas dos semicondutores)
- Categoria 3 / PL d conforme EN ISO 13849-1
- Com conector de encaixe M23
- Sentido de aproximação A (não pode ser mudado)
- Unicode

Descrição
Avaliação Unicode
Cada atuador é altamente codificado (Unicode). A chave identifica somente o atuador programado. Podem ser programados outros atuadores.
È identificado sempre apenas o último atuador programado.
Categoria conforme EN ISO 13849-1
Através de duas saídas de semicondutores estruturadas de modo redundante (saídas de segurança) com monitoração interno adequado para:
- Categoria 3 / PL d conforme EN ISO 13849-1
Cada atalho de segurança, nesta ocasião, é seguro individualmente.
Indicação de LED
STATE | LED de estado |
DIA | LED de diagnóstico |
Atenção:
Dependendo do material de base e da situação de montagem, a área de resposta pode variar.
Áreas de resposta típicas
(somente em conjunto com o atuador CES-A-BBA e CES-A-BCA)
(Somente em conjunto com o atuador CES-A-BPA)




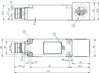
Desenhos dimensionais

| 1 | Superfície ativa |
| 2 | Mola de blindagem |
| 3 | Indicação do status de LED |
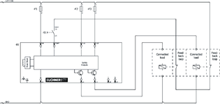
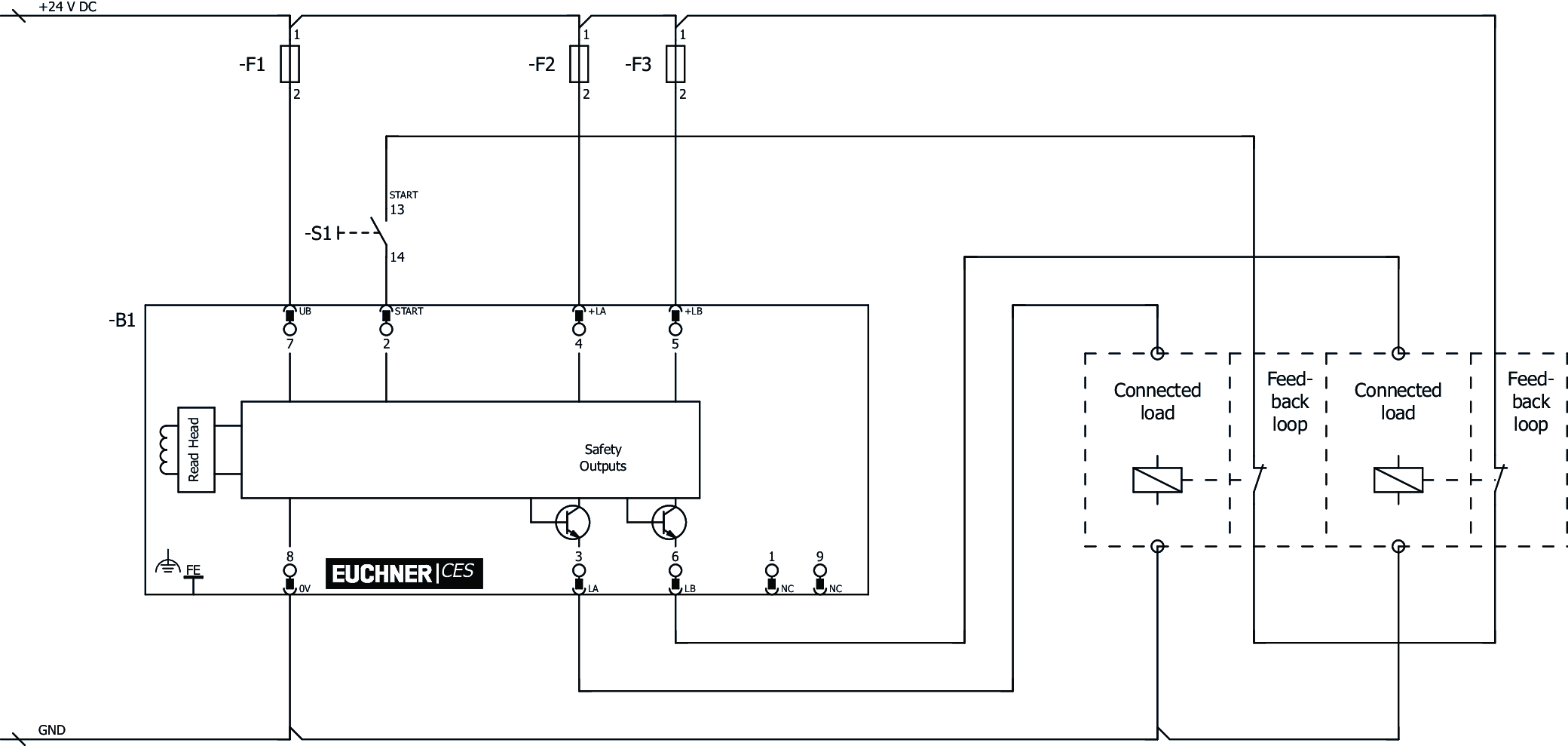
Exemplos de conexão

Exemplos de conexão

Exemplos de conexão

Dados técnicos
Espaço de trabalho
| Precisão de repetição R | |
| conforme EN 60947-5-2 | 10 % |
Elementos de operação e exibição
| Visor LED | 2 STATE ( verde ) e DIA ( vermelho ) |
Valores de conexão elétrica
| Hedging | |
| externo ( tensão de serviço, +LA e +LB ) | 0.25 ... 10 A |
| Tensão nominal de isolamento Ui | 75 V |
| Tensão nominal de impulso Uimp | 1.5 kV |
| Tensão de operação CC | |
| UB | 20 ... 28 V DC protegido contra polaridade reversa, regulado, ondulação restante<5%, PELV |
| Tempo de discrepância | max. 50 ms |
| Tempo de ligação | |
| Saídas de segurança LA / LB | max. 400 ms |
| Requisitos de proteção CEM | de acordo com EN IEC 60947-5-3 |
| Corrente residual Ir | max. 0.5 mA |
| Tempo de risco conforme EN 60947-5-3 | max. 250 ms |
| Classe de proteção | III |
| Consumo de corrente | |
| Com as saídas sem carga | max. 150 mA |
| Grau de contaminação (externo, conforme EN 60947-1) | 3 |
| Tempo de retardo | |
| Em estado de falha | 5 s (Durante este período, a chave permanece no estado de falha, antes que seja efetuado um reset.) |
| Alimentação de tensão das saídas | |
| Carga de saída da alimentação de tensão | |
| U(+LA)/U(+LB) | 20 ... 28 V DC (Alimentação de tensão igual a UB, mesmo potencial GND) |
| Saída de segurança LA | |
| Tipo de saída | Saída semicondutor, comutando em p, protegida contra curto-circuito |
| Tensão de saída | |
| HIGH U(LA) | U(+LA) - 1.5 ... U(+LA) V DC (Valores com uma corrente de comutação de 3,5A não se considerando o comprimento do cabo.) |
| LOW U(LA) | 0 ... 4 V DC |
| Corrente de curto-circuito nominal condicional | 100 A |
| Categoria de uso | |
| DC-13 | 24 V 3,5A (Cuidado: As saídas devem ser protegidas com um diodo de roda livre no caso de cargas indutivas.) |
| Corrente de comutação | 30 ... 3500 mA |
| Duração do pulso de teste | max. 6 ms (No caso de conexão em série, o valor se eleva conforme a quantidade de chaves utilizadas.) |
| Intervalo do impulso de teste | min. 10000 ms |
| Saída de segurança LB | |
| Tipo de saída | Saída semicondutor, comutando em p, protegida contra curto-circuito |
| Tensão de saída | |
| HIGH U(LB) | U(+LB) - 1.5 ... U(+LB) V DC (Valores com uma corrente de comutação de 3,5A não se considerando o comprimento do cabo.) |
| LOW U(LB) | 0 ... 4 V DC |
| Corrente de curto-circuito nominal condicional | 100 A |
| Categoria de uso | |
| DC-13 | 24 V 3,5A (Cuidado: As saídas devem ser protegidas com um diodo de roda livre no caso de cargas indutivas.) |
| Corrente de comutação | 30 ... 3500 mA |
| Duração do pulso de teste | max. 6 ms (No caso de conexão em série, o valor se eleva conforme a quantidade de chaves utilizadas.) |
| Intervalo do impulso de teste | min. 10000 ms |
| Entrada de partida | |
| Tensão de entrada | |
| HIGH | 8 ... UB V DC |
| LOW | 0 ... 2 V DC |
Valores mecânicos e ambiente
| Dimensões | 40 x 40 x 171 |
| Tipo de conexão | Conector de encaixe M23, 9 pinos |
| Torque de aperto | |
| Parafusos de fixação | max. 1 Nm |
| Retardo de prontidão | max. 3 s (Após ligar a tensão de serviço, durante o retardo de prontidão, as saídas de semicondutores são desligadas.) |
| Posição de montagem | qualquer |
| Frequência de comutação | max. 1 Hz |
| Temperatura de armazenamento | -25 ... 70 °C |
| Distância de montagem | |
| entre os comutadores | min. 80 mm |
| Resistência ao choque e a oscilação | de acordo com EN IEC 60947-5-3 |
| Classe de proteção | IP67 |
| Temperatura ambiente | |
| com I(LA) / I(LB)>3 A | -20 ... 55 °C (+70°C com I(LA) / I(LB)<3 A) |
| Duração de permanência | min. 0.5 s (O tempo de permanência de um atuador dentro e fora da área de resposta deve ser de no mínimo 0,5 s, para garantir uma identificação segura dos erros internos no dispositivo de avaliação (auto-monitoração).) |
| Material | |
| Caixa | Plástico, PBT |
Valores característicos de acordo com EN ISO 13849-1 e EN IEC 62061
| PL | SIL máximo | PFHD | Categoria | Duração de uso | |
|---|---|---|---|---|---|
| Monitorar a posição do dispositivo de proteção | PL d | - | 1.03x10-7 | 3 | 20 y |
Em combinação com o atuador CES-A-BPA-098775
| Distância s do atuador | |
| Distância mínima no sentido de aproximação lateral | min. 6 mm (Distância mínima para impedir a ligação na barra secundária da cabeça de leitura.) |
| Intervalo de ligação | 22 mm (com montagem não nivelada sobre alumínio; em ambiente não metálico, a distância típica de comutação aumenta para 30 mm) |
| Distância segura de desligamento sar | 58 mm |
| Distância de comutação segura sao | min. 18 mm |
| histerese de comutação | 1 ... 2 mm |
Em combinação com o atuador CES-A-BBA-071840, CES-A-BCA
| Distância s do atuador | |
| Distância mínima no sentido de aproximação lateral | min. 4 mm (Distância mínima para impedir a ligação na barra secundária da cabeça de leitura.) |
| Intervalo de ligação | 20 mm |
| Distância segura de desligamento sar | 40 mm |
| Distância de comutação segura sao | min. 18 mm (com montagem não nivelada do atuador) |
| histerese de comutação | 2 ... 3 mm (com montagem não nivelada do atuador) |
Em combinação com o atuador CES-A-BRN-100251
| Distância s do atuador | |
| Distância mínima no sentido de aproximação lateral | min. 6 mm (Distância mínima para impedir a ligação na barra secundária da cabeça de leitura.) |
| Intervalo de ligação | 27 mm |
| Distância segura de desligamento sar | 75 mm |
| Distância de comutação segura sao | min. 20 mm (Os valores se aplicam para a montagem não nivelada do atuador sobre o aço.) |
| histerese de comutação | 3 mm (Os valores se aplicam para a montagem não nivelada do atuador sobre o aço.) |
Acessórios
Downloads
Pacote completo
Efetuar o download de todos os documentos importantes com um clique
Contém
- O manual de instruções e, eventualmente, o seu complemento ou as breves instruções
- Eventualmente as fichas técnicas como complemento do manual de instruções
- A declaração de conformidade
Documentos isolados
Outros documentos
Macros ePlan
CAD/eCAD
Dados de encomenda
| Nº de pedido | 106300 |
| Designação do artigo | CES-AH-C03-AH-SM-106300 |
| Peso bruto | 0,45kg |
| Número da tarifa alfandegária | 85365019000 |
| ECLASS | 27-27-24-03 Safety-related transponder switch |





