GP3-2131A-C2307 (주문 번호 109621)
콘텐츠 선택
안전 스위치 GP, 플러그 커넥터 M12
- 플러그 커넥터 M12, 8-핀
- 순방향 구동 접점 3개
- NO 접점 1개

설명
스위칭 부재
2131 | 느린 동작 스위칭 접점 순방향 구동 접점 3개 |
액세서리 필요
액추에이터가 포함되지 않았습니다.
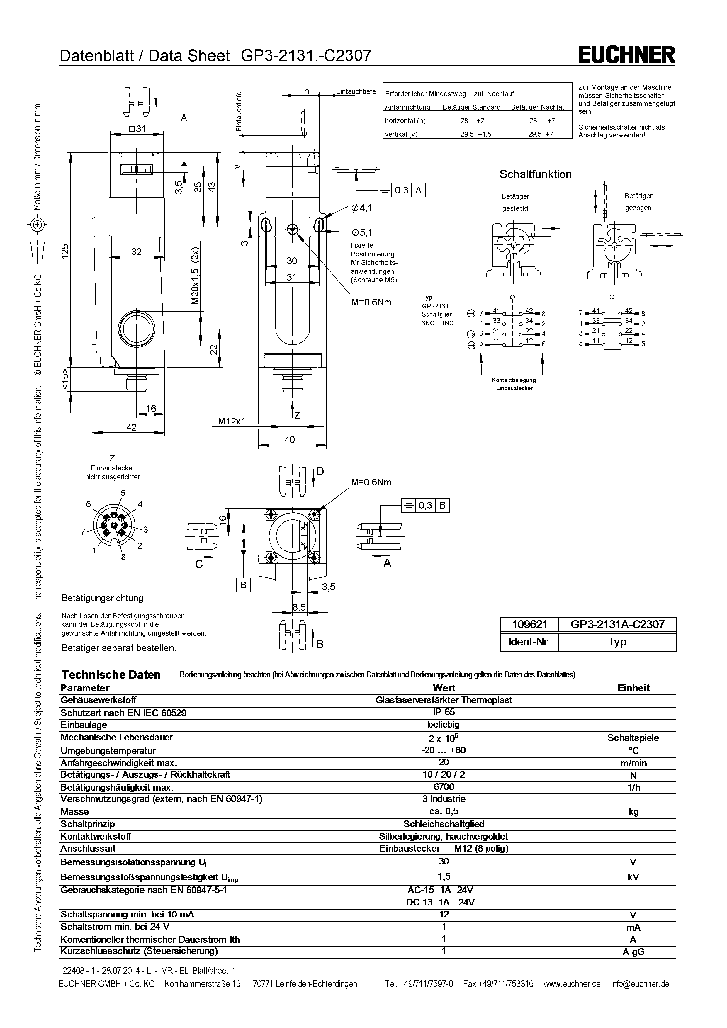
치수 도면

| 1 | 삽입 깊이 |
| 2 | 안전 애플리케이션을 위한 고정된 위치(스크루 M5) |
| Z | 일체형 커넥터 정렬되지 않음 |
연결 예시

기술 자료
승인


전기 연결 값
| 헤징 | max. 1 A gG |
| 정격 절연 전압 Ui | 30 V |
| 정격 임펄스 전압 Uimp | 1.5 kV |
| 활용 범주 | |
| DC-13 | 1A 24V |
| AC-15 | 1A 24V |
| 스위칭 전압 | |
| 최소 10mA에서 | 12 V |
| 스위칭 전류 | |
| 최소 24V에서 | 1 mA |
| 정격 열전류 Ith | 1 A |
기계적 가치 및 환경
| Anfahrgeschwindigkeit | max. 20 m/min |
| 접근 방향 | A |
| 연결 유형 | |
| 1번 | 플러그 커넥터 M12 (8-핀; PE 제외) |
| 도어 위치 NO 접점의 수량 | 1 |
| 도어 위치 순방향 구동 접점의 수량 | 3 |
| 인출력 | 20 N |
| 구동 주파수 | max. 6700 1/h |
| 구동력 | 10 N |
| 설치 방향 | 임의 |
| 수평 방향 삽입 깊이 | 28 mm |
| 수직 방향 삽입 깊이 | 29.5 mm |
| 보관 온도 | -25 ... 80 °C |
| 기계적 수명 | 2 x 10⁶ |
| 유지력 | 2 N |
| 전환 원리 | 느린 동작 스위칭 접점 |
| 보호 등급 | IP65 |
| 주변 온도 | -20 ... 80 °C |
| 재질 | |
| 접점 | 은합금, 금 도금 |
| 하우징 | 강화 열가소성 플라스틱 |
EN ISO 13849-1 및 EN IEC 62061에 따른 특성 값
| B10D | 임무 시간 | |
|---|---|---|
| 가드 위치의 모니터링 | 3x106 | 20 y |
| 중요! DC-13 100 mA/24V에서 유효한 값 | ||
기타
| C 번호 | |
| C2307 | 특수하게 배선한 플러그 커넥터 M12(8-핀) |
액추에이터 ACTUATOR- P-GNT와 결합하여
| 수평 방향 오버트래블 | 7 mm |
| 수직 방향 오버트래블 | 7 mm |
액추에이터 ACTUATOR- P-GT와 결합하여
| 수평 방향 오버트래블 | 2 mm |
| 수직 방향 오버트래블 | 1.5 mm |
부속품
금속제 볼트
다운로드
컴플리트 패키지
단 한번 클릭하여 중요한 모든 문서 다운로드.
내용물:
- 사용 설명서와 사용 설명서에 대한 보충 사항 또는 요약 설명서
- 사용 설명서를 보완하는 데이터 시트
- 적합성 선언
컴플리트 패키지 다운로드 (ZIP, 3,1 MB)
단일 문서
지침
Operating Instructions Safety Switch GP...
문서 번호
버전
언어
크기
Operating Instructions Safety Switch GP...
문서 번호
2090205
버전
07/25
언어
크기
0,8 MB
Mode d’emploi Interrupteur de sécurité GP...
문서 번호
2090205
버전
07/25
언어
크기
0,8 MB
Manual de instrucciones Interruptor de seguridad GP...
문서 번호
2090205
버전
07/25
언어
크기
0,8 MB
Betriebsanleitung Sicherheitsschalter GP...
문서 번호
2090205
버전
07/25
언어
크기
0,8 MB
Istruzioni di impiego Finecorsa di sicurezza GP...
문서 번호
2090205
버전
07/25
언어
크기
0,8 MB
기타 다른 문서
승인 및 인증서
WEEE
문서 번호
버전
언어
크기
WEEE
문서 번호
ECO20001806
버전
언어
크기
0,1 MB
Zulassung
문서 번호
버전
언어
크기
Zulassung
문서 번호
20001849
버전
언어
크기
0,0 MB
c UL us
문서 번호
버전
언어
크기
c UL us
문서 번호
버전
언어
크기
0,3 MB
영업 문서
Safety Switches with Plastic Housing
문서 번호
버전
언어
크기
Safety Switches with Plastic Housing
문서 번호
096956
버전
11-03/18
언어
크기
6,5 MB
Interrupteurs de sécurité avec boîtier plastique
문서 번호
100677
버전
11-03/18
언어
크기
6,6 MB
Interruptores de seguridad con carcasa plástica
문서 번호
104855
버전
11-03/18
언어
크기
6,6 MB
Sicherheitsschalter mit Kunststoffgehäuse
문서 번호
096955
버전
11-03/18
언어
크기
6,6 MB
塑料壳体 的安全开关
문서 번호
116243
버전
11-03/18
언어
크기
6,1 MB
Bezpečnostní spínače s plastovým pouzdrem
문서 번호
121649
버전
11-03/18
언어
크기
6,5 MB
ePlan 매크로
EUC.109621
문서 번호
버전
언어
크기
EUC.109621
문서 번호
버전
언어
크기
0,0 MB
주문 데이터
| 주문 번호 | 109621 |
| 품목 명칭 | GP3-2131A-C2307 |
| 총중량 | 0,216kg |
| 세관품목분류번호 | 85365019000 |
| ECLASS | 27-27-26-02 Safety switch with separate actuator (Type 2) |
+ 1 NO 접점





















