RIEGEL TP-AF (주문 번호 086186)
콘텐츠 선택
탈출 릴리스 장착 볼트, 안전 스위치 GP 및 TP용
- 볼트, 탈출 릴리스가 있는 안전 스위치 GP TP용
- 강철제 볼트
- 우측에 경첩으로 연결된 도어용
- 탈출 릴리스 핸들
- 열린 위치에 있는 디텐트 노브
- 약 15 mm의 도어 틈새에 적합

설명
인도 품목
- 볼트 부품
- 액추에이터
별도로 주문해야 함:
- 안전 스위치
열린 위치에서 걸림
열린 위치에 있는 래칭은 작업자가 내부에서 기계에 갇히는 것를 방지하기 위한 것입니다.
탈출 릴리스
탈출 릴리스 기능이 있는 볼트는 볼트가 가드 내부에서 열리도록 하는 탈출 레버라는 특징을 가지고 있습니다.
도어 타입 및 도어 경첩
경첩형 및 슬라이딩형 도어에 적합. 우측에 경첩이 부착된 도어에 적합. 도어 스톱 장착, 도어를 내측으로 열 수 있습니다.
잠금 바 내장
내장된 잠금 바를 이용하여, 예를 들어 자물쇠를 사용하여 볼트를 열린 위치에서 잠글 수 있습니다. 이를 통해 작업자가 위험 구역 내에 의도치 않게 갇히는 것을 방지할 수 있습니다.

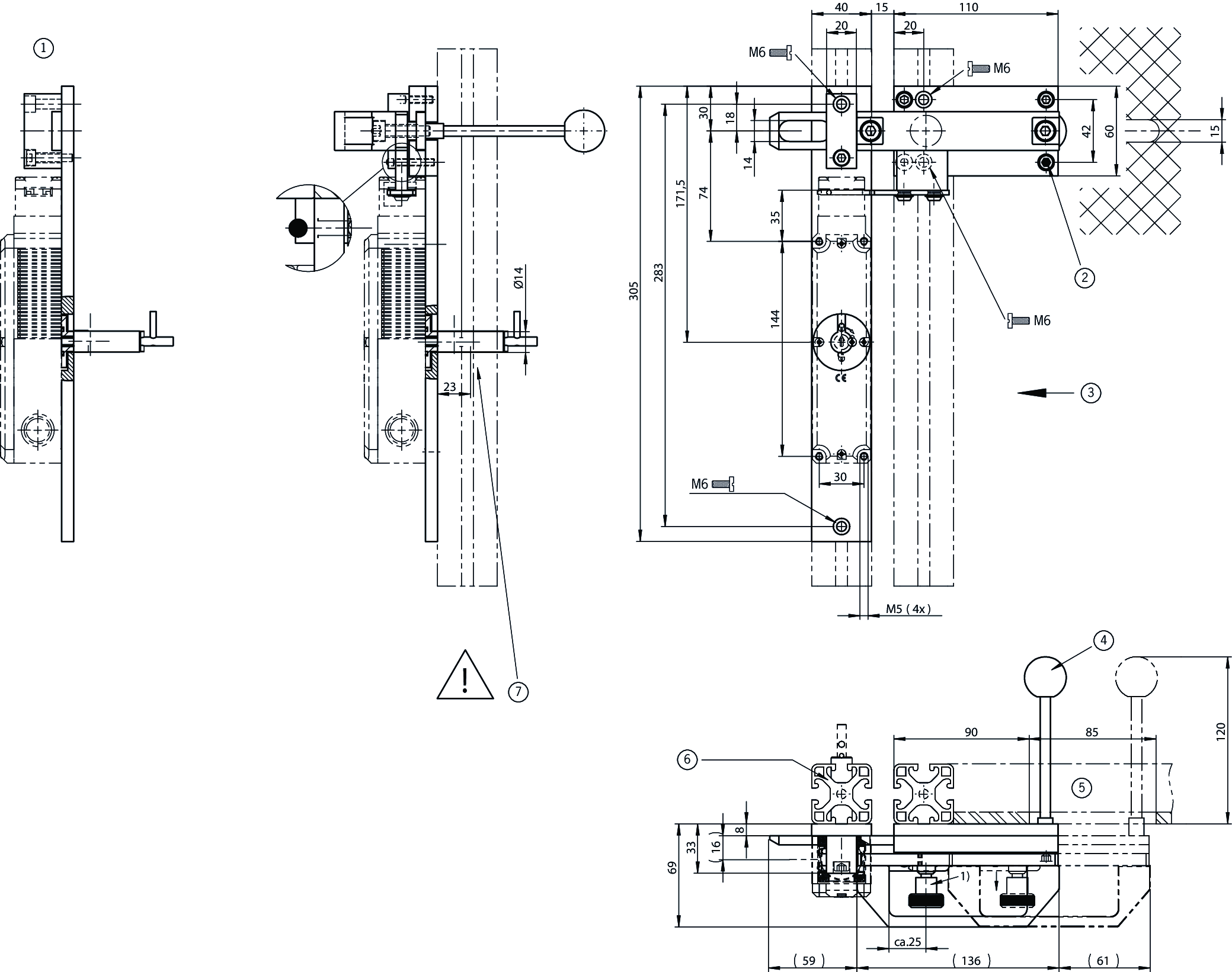
치수 도면

| 1 | 보기 B |
| 1) | 디텐트 매커니즘이 있는 볼트. 개방 위치에서 체결합니다 (볼트가 예상치 못하게 폐쇄되는 것을 방지합니다) 디텐트 노브를 위로 당겨 잠금 해제. |
| 2 | 스톱 스크루 잠김 |
| 3 | 안전 스위치 TP, 접근 방향 A |
| 4 | 느슨한 상태로 포함됨 |
| 5 | 우측에 경첩이 부착된 도어 |
| 6 | 안전 가드 프레임(40x40) |
| 7 | 스위치용 탈출 릴리스가 구동할 때 액추에이터는 장력(예를 들어, 도어에 가해진 힘이나 볼트용 레버 당김)을 받지 않는 상태여야 합니다. |
기술 자료
기계적 가치 및 환경
| 접근 방향 | A |
| 장착할 수 있는 안전 스위치의 수량 | 1 |
| 탈출 릴리스 | 예 |
| 보관 온도 | -25 ... 70 °C |
| 재질 | |
| 가이드 스트립 | 플라스틱 |
| 기판 | 아연 도금 강철 |
| 스위치 브래킷 | 분말 코팅 강철 |
| 핸들 | 플라스틱 |
기타
| 디텐트 메카니즘 열린 위치 | 볼트 디텐트 기계 장치 |
다운로드
컴플리트 패키지
단 한번 클릭하여 중요한 모든 문서 다운로드.
내용물:
- 사용 설명서와 사용 설명서에 대한 보충 사항 또는 요약 설명서
- 사용 설명서를 보완하는 데이터 시트
- 적합성 선언
컴플리트 패키지 다운로드 (ZIP, 9,3 MB)
단일 문서
지침
Safety Information for Bolts
문서 번호
버전
언어
크기
Safety Information for Bolts
Information de sécurité pour verrous-targettes
Información de seguridad para cerrojos
Sicherheitsinformation für Riegel
Information de sécurité pour verrous-targettes
Información de seguridad para cerrojos
Sicherheitsinformation für Riegel
문서 번호
2530033
버전
04-03/24
언어
크기
0,2 MB
Sicherheitsinformation für Riegel
문서 번호
2530033
버전
04-03/24
언어
크기
0,2 MB
Informação de segurança referente ao trinco
문서 번호
2530033
버전
04-03/24
언어
크기
0,4 MB
Informazioni sulla sicurezza per il chiavistello
문서 번호
2530033
버전
04-03/24
언어
크기
0,1 MB
Bezpečnostní informace pro petlice
문서 번호
2530033
버전
04-03/24
언어
크기
0,5 MB
Tolózár biztonsági információi
문서 번호
2530033
버전
04-03/24
언어
크기
0,5 MB
Информация за безопасност за ригели
문서 번호
2530033
버전
04-03/24
언어
크기
0,5 MB
Sikkerhedsinformation for bolte
문서 번호
2530033
버전
04-03/24
언어
크기
0,4 MB
Ohutusalane teave riivistuste kohta
문서 번호
2530033
버전
04-03/24
언어
크기
0,5 MB
Turvallisuustietoja salvalle
문서 번호
2530033
버전
04-03/24
언어
크기
0,4 MB
Πληροφορίες ασφαλείας για μάνδαλα
문서 번호
2530033
버전
04-03/24
언어
크기
0,5 MB
Sigurnosne informacije za brave
문서 번호
2530033
버전
04-03/24
언어
크기
0,5 MB
Aizbīdņu drošības informācija
문서 번호
2530033
버전
04-03/24
언어
크기
0,5 MB
Saugos informacija skląsčiui
문서 번호
2530033
버전
04-03/24
언어
크기
0,5 MB
Veiligheidsinformatie voor grendels
문서 번호
2530033
버전
04-03/24
언어
크기
0,4 MB
Sikkerhetsinformasjon for låser
문서 번호
2530033
버전
04-03/24
언어
크기
0,4 MB
Informacje o bezpieczeństwie dotyczące użytkowania zasuw
문서 번호
2530033
버전
04-03/24
언어
크기
0,5 MB
Säkerhetsinformation för regeln
문서 번호
2530033
버전
04-03/24
언어
크기
0,4 MB
Varnostne informacije o zapahu
문서 번호
2530033
버전
04-03/24
언어
크기
0,5 MB
Bezpečnostná informácia pre závory
문서 번호
2530033
버전
04-03/24
언어
크기
0,5 MB
Sürgüler için güvenlik bilgisi
문서 번호
2530033
버전
04-03/24
언어
크기
0,5 MB
Informații de siguranță privind zăvoarele
문서 번호
2530033
버전
04-03/24
언어
크기
0,5 MB
기타 다른 문서
영업 문서
Safety Switches with Plastic Housing
문서 번호
버전
언어
크기
Safety Switches with Plastic Housing
문서 번호
096956
버전
11-03/18
언어
크기
6,5 MB
Interrupteurs de sécurité avec boîtier plastique
문서 번호
100677
버전
11-03/18
언어
크기
6,6 MB
Interruptores de seguridad con carcasa plástica
문서 번호
104855
버전
11-03/18
언어
크기
6,6 MB
Sicherheitsschalter mit Kunststoffgehäuse
문서 번호
096955
버전
11-03/18
언어
크기
6,6 MB
塑料壳体 的安全开关
문서 번호
116243
버전
11-03/18
언어
크기
6,1 MB
Bezpečnostní spínače s plastovým pouzdrem
문서 번호
121649
버전
11-03/18
언어
크기
6,5 MB
CAD/eCAD
주문 데이터
| 주문 번호 | 086186 |
| 품목 명칭 | RIEGEL TP-AF |
| 총중량 | 2,1kg |
| 세관품목분류번호 | 83014090000 |

