EINBAULEUCHTE LED-F M20X1,5 (주문 번호 095510)
콘텐츠 선택
일체형 LED, 조명이 전면을 비춥니다

설명
일체형 LED는 로프 견인 스위치 RPS 및 안전 스위치 GP/TP/STP/STA에 있는 세 케이블 인입구의 M20 x 1.5 나사산 중 하나에 직접 설치하는 데 적합합니다. 일체형 LED는 스위치가 작동하는지 여부를 작업자에게 알려줍니다. 스위칭 부재를 개별적으로 배선할 수 있습니다. 작동 전압 DC 24V +10%, -15%.

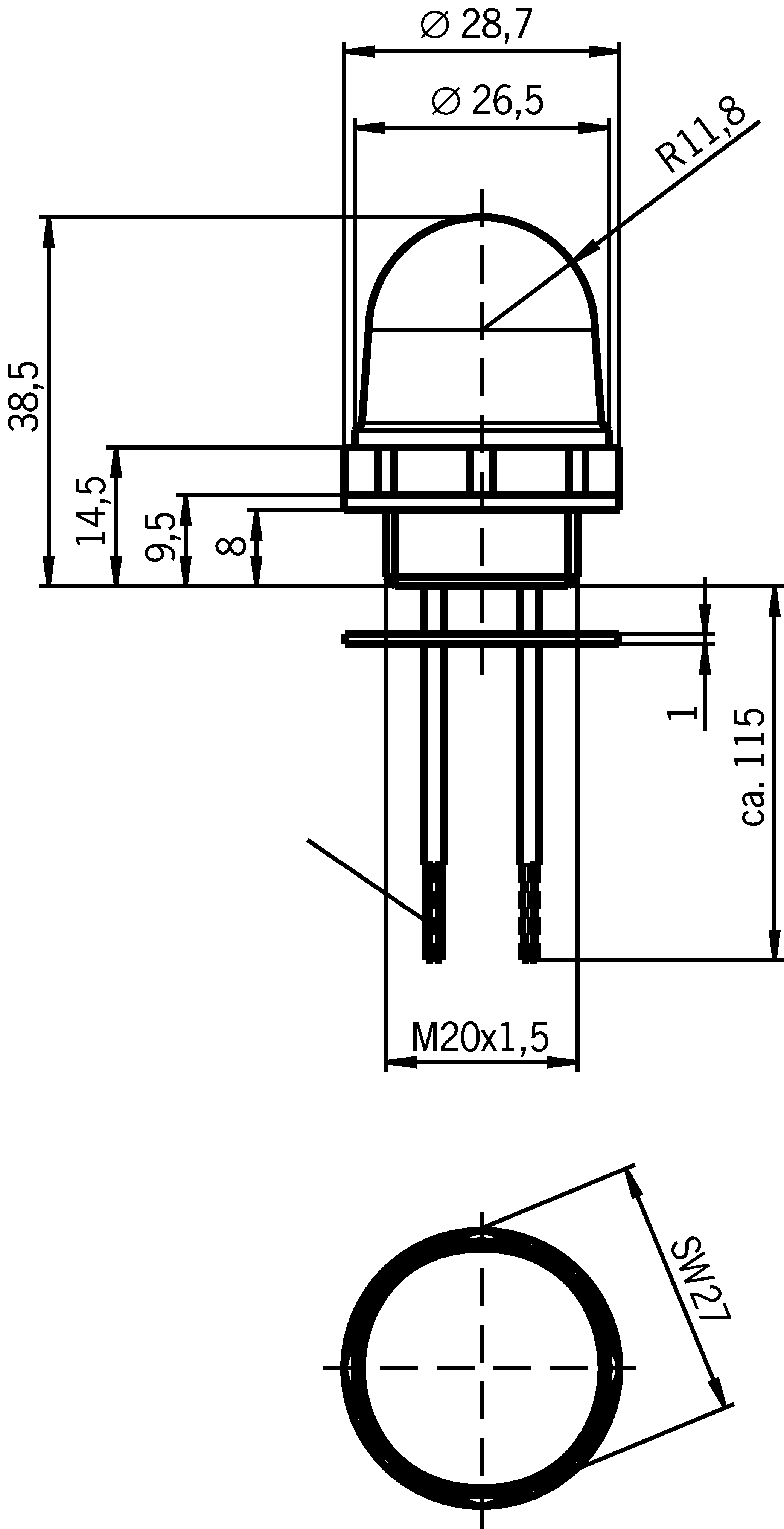
치수 도면

기술 자료
작동 및 디스플레이 요소
| LED 디스플레이 | LED 1개, 적색 |
전기 연결 값
| 작동 전압 | |
| LED | 24 V (정류기 장착 LED) |
기계적 가치 및 환경
| 나사산 | M20x1,5 |
| 보관 온도 | -25 ... 70 °C |
| 보호 등급 | IP65 |
| 재질 | 플라스틱 |
다운로드
컴플리트 패키지
단 한번 클릭하여 중요한 모든 문서 다운로드.
내용물:
- 사용 설명서와 사용 설명서에 대한 보충 사항 또는 요약 설명서
- 사용 설명서를 보완하는 데이터 시트
- 적합성 선언
컴플리트 패키지 다운로드 (ZIP, 0,6 MB)
단일 문서
기타 다른 문서
승인 및 인증서
WEEE
문서 번호
버전
언어
크기
WEEE
문서 번호
ECO20001806
버전
언어
크기
0,1 MB
영업 문서
Emergency Stop Devices/Rope Pull Switches
문서 번호
버전
언어
크기
Emergency Stop Devices/Rope Pull Switches
문서 번호
116448
버전
06-06/16
언어
크기
1,8 MB
Dispositifs d‘arrêt d‘urgence/interrupteurs à câble
문서 번호
116529
버전
06-06/16
언어
크기
1,8 MB
Dispositivos de parada de emergencia / Interruptores de accionamiento por cable
문서 번호
116530
버전
06-06/16
언어
크기
1,8 MB
Not-Halt-Geräte/Seilzugschalter
문서 번호
106210
버전
06-06/16
언어
크기
1,8 MB
Safety Switches with Plastic Housing
문서 번호
버전
언어
크기
Safety Switches with Plastic Housing
문서 번호
096956
버전
11-03/18
언어
크기
6,5 MB
Interrupteurs de sécurité avec boîtier plastique
문서 번호
100677
버전
11-03/18
언어
크기
6,6 MB
Interruptores de seguridad con carcasa plástica
문서 번호
104855
버전
11-03/18
언어
크기
6,6 MB
Sicherheitsschalter mit Kunststoffgehäuse
문서 번호
096955
버전
11-03/18
언어
크기
6,6 MB
塑料壳体 的安全开关
문서 번호
116243
버전
11-03/18
언어
크기
6,1 MB
Bezpečnostní spínače s plastovým pouzdrem
문서 번호
121649
버전
11-03/18
언어
크기
6,5 MB
CAD/eCAD
주문 데이터
| 주문 번호 | 095510 |
| 품목 명칭 | EINBAULEUCHTE LED-F M20X1,5 |
| 총중량 | 0,034kg |
| 세관품목분류번호 | 85389099990 |

