SN03R08-592-M (注文番号 120009)
コンテンツを選ぶ
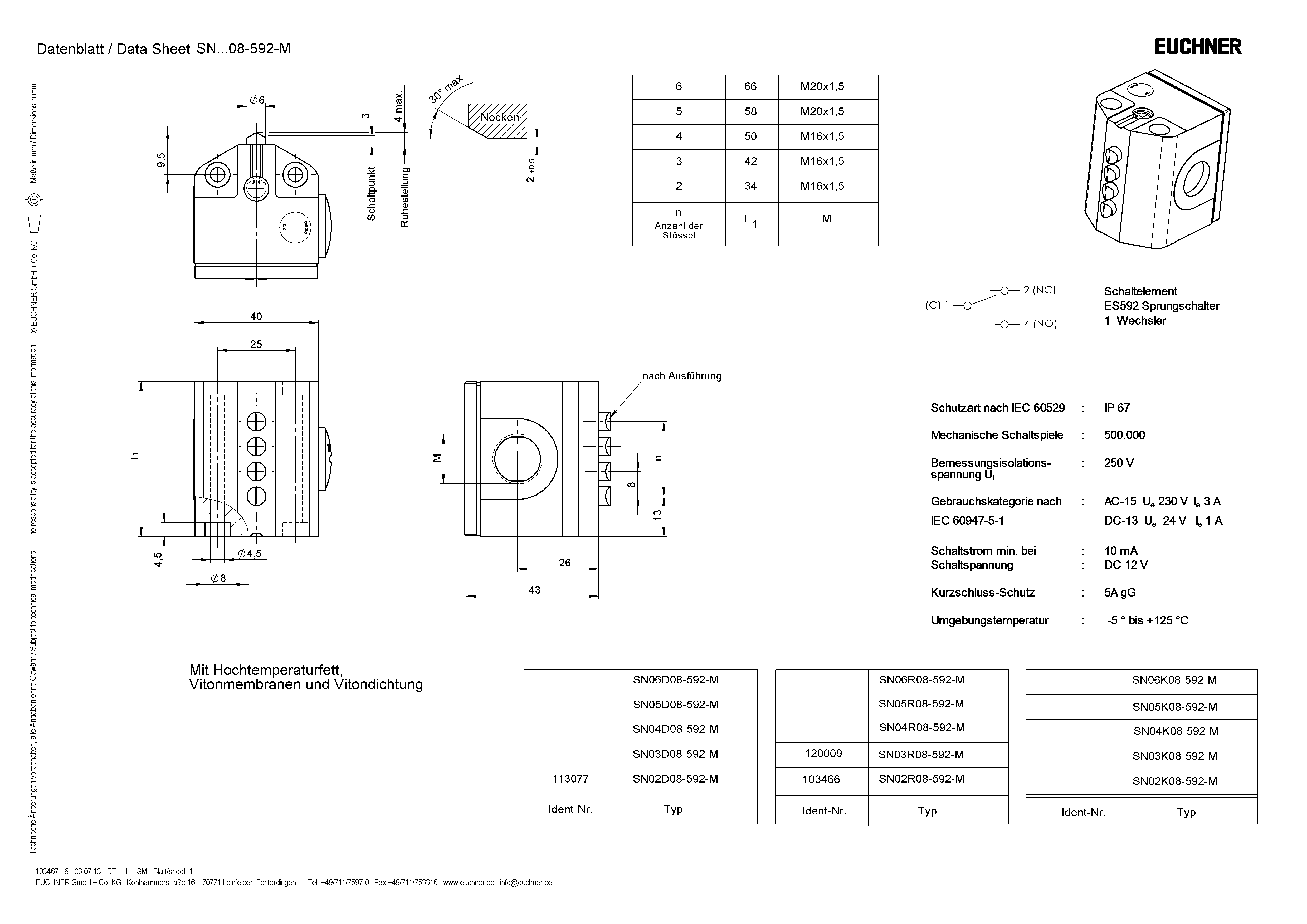
No description available for this article.
ダウンロード
一式
ワンクリックですべての重要文書をダウンロードできます。
コンテンツ:
- 操作説明書、およびその補足文書もしくは簡略説明書
- 操作説明書の補足データシート
- 適合宣言書
一式をダウンロード (ZIP, 2,0 MB)
単一文書
使用方法
Operating Instructions Precision Multiple Limit Switches GL, GS, SB, SN 8 mm
文書番号
バージョン
言語
サイズ
Operating Instructions Precision Multiple Limit Switches GL, GS, SB, SN 8 mm
文書番号
2076050
バージョン
02/26
言語
サイズ
0,5 MB
Mode d’emploi Boîtiers multipistes de précision GL, GS, SB, SN 8 mm
文書番号
2076050
バージョン
02/26
言語
サイズ
0,5 MB
Manual de instrucciones Final de carrera múltiple de precisión GL, GS, SB, SN 8 mm
文書番号
2076050
バージョン
02/26
言語
サイズ
0,5 MB
Betriebsanleitung Präzisions-Reihengrenztaster GL, GS, SB, SN 8 mm
文書番号
2076050
バージョン
02/26
言語
サイズ
0,5 MB
Istruzioni di impiego Finecorsa multipli di precisione GL, GS, SB, SN 8 mm
文書番号
2076050
バージョン
02/26
言語
サイズ
0,5 MB
その他の文書
認証・証明書
CCC
文書番号
バージョン
言語
サイズ
CCC
文書番号
20001849
バージョン
言語
サイズ
0,0 MB
WEEE
文書番号
バージョン
言語
サイズ
WEEE
文書番号
ECO20001806
バージョン
言語
サイズ
0,1 MB
c UL us
文書番号
バージョン
言語
サイズ
c UL us
文書番号
バージョン
言語
サイズ
0,3 MB
