CET4-AR-CRA-CH-50X-SG-111684 (注文番号 111684)

ガードロック付き安全スイッチ CET-AR-...、RFID、M12プラグコネクタ

  • 開回路電流方式
  • マルチコード
  • モニタリング出力ガードロック OUT
  • 信号出力ドア位置 OUT D
  • M12プラグコネクタ×2、5ピンおよび8ピン
CET4-AR-CRA-CH-50X-SG-111684 (注文番号 111684)

説明

アプローチ方向

90° 単位で調整可能

ガードロック方式

開回路電流 (電源オンでロック): 開回路電流方式ガードロックによるガードでは、ガードロック ソレノイドへの電源が遮断されるまでガードがロックされます。ロック解除はスプリング力で行われます。電気式ガードロックという用語も使われます。

マルチコード判定

システムは、アクチュエータのタイプがシステムで認識できるものかどうかをチェックします(マルチコード評価)。システムのコーディングレベルは低い。すべての適切なアクチュエータがスイッチに認識されます。

安全性

内部監視付きの2つの冗長安全出力(半導体出力)により、以下の用途に適しています。

  • EN 13849-1 に従ったカテゴリ 4 /PL e
    EN IEC 62061表4に準拠したSIL 3

使用されるOSSD出力は、テストパルスで短絡や交差回路の機能をチェックする。

LED インジケーター

LEDステート

ステータス LED

DIA LED

診断 LED

LED 1 赤

自由に設定可能

LED 2 緑

ドアが閉じているときに点灯

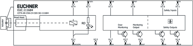
端子配列

プラグコネクター (接続側から見た図)ピン名称機能接続ケーブルのコンダクターの色

X 1.1IBイネーブル入力、チャンネル BWH
X 1.2UB電子回路の動作電圧、24 V DCBN
X 1.3OA安全出力チャンネルA

GN
X 1.4OB安全出力チャンネルB

YE
X 1.5OUTガードロック モニタリング出力GY
X 1.6IAイネーブル入力、チャンネル BPK
X 1.70 V UB電子回路の動作電圧、0 V DCBU
X 1.8RSTリセット入力RD
X 2.10 V UCMソレノイド動作電圧、0 V DCBN
X 2.2OUT Dドア位置モニタリング出力WH
X 2.3LED 1LED 1 赤、自由に割り当て可能、24 V DCBU
X 2.4ユーシーエムソレノイド動作電圧、24 V DCBK
X 2.5-フィードバック・ループなし、学習入力なしGY

アクセサリーが必要

アクチュエーターは含まれていません。

安全スイッチは、この目的のために用意されたアクチュエータと組み合わせてのみ操作できます。

寸法図
寸法図
配線図
配線図
CET: 使用ガードロック付きトランスポンダー コーデッド安全スイッチ

寸法図

寸法図

接続例

接続例

技術データ

認証取得状況

c_UL_us_E155795_3/8

ワークスペース

繰り返し精度 R 10 %

電気的接続値

ヘッジ
外部 (動作電圧 UB) 0.25 ... 8 A
外部 (ソレノイド動作電圧 UCM) 0.5 ... 8 A
電力消費量
ソレノイド 11 W
接続ケーブル 30V DC、2A (UL 規格 UL カテゴリー コード (CYJV/CYJV7) に対して)
動作電圧DC
LED 24 V DC -15% V DC ... +10% V DC
UB 24 V DC -15% ... +15% 逆極性保護、制御、残留リップル <5%、PELV
EMC の保護要件 EN IEC 60947-5-3 準拠
利用区分
DC-13 24 V 200 mA (注意: 誘導性負荷の場合、出力はフリーホイーリングダイオードで保護する必要がある。)
ソレノイド動作電圧 DC
UCM 24 V DC -15% ... +10% 逆極性保護、制御、残留リップル <5%、PELV
ソレノイドデューティサイクル 100 %
EN 60947-5-3 に準じたリスク時間 max. 400 ms
EN 60947-5-3に準拠したリスク時間、追加ユニットごとに延長。 max. 5 ms
スイッチング ロード
UL 準拠 24V DC、クラス 2 (あるいは操作説明書をご覧ください)
安全性の分類 III
消費電流
IB 80 mA
ICM 450 mA
テストパルス時間 max. 1 ms
汚染度 (外部、EN 60947-1 準拠) 3
モニタリング出力 OUT D
出力タイプ P スイッチング、短絡保護
出力電圧
OUT D 0.8xUB ... UB V DC
スイッチング電流
OUT D 1 ... 50 mA
状態変化からのスイッチング遅延 max. 700 ms
モニタリング出力 OUT
出力タイプ P スイッチング、短絡保護
出力電圧
OUT 0.8xUB ... UB V DC
スイッチング電流
OUT 1 ... 50 mA
状態変化からのスイッチング遅延 max. 400 ms
安全出力 OA / OB
出力タイプ 半導体出力 2 つ、p-スイッチング、短絡保護
出力電圧
高い U(OA、OB) UB-1.5V ... UB V DC
低い U(OA、OB) 0 ... 1 V DC
相違時間
両方の安全出力 max. 10 ms
スイッチオンタイム 400 ms
オフ状態電流 Ir max. 0.25 mA
スイッチング電流
安全出力 OA / OB あたり 1 ... 200 mA

機械的価値と環境

Anfahrgeschwindigkeit max. 20 m/min
接続形態 2個のプラグコネクター M12、5 ピンと 8 ピン
準備完了遅延 10 s
取り付け向き すべて
スイッチング周波数 max. 0.5 Hz
自由度 X ±5 mm
自由度 Y ±5 mm
自由度 Z ±4 mm
保管温度 -25 ... 70 °C
機械的寿命 2 x 10⁶
耐衝撃性および耐振動性 EN IEC 60947-5-3 準拠
保護等級 IP67 (挿入されネジがしっかりと締めこまれている状態)
周囲温度
UB = 24V DC で -20 ... 55 °C
素材
ランプ ステンレス鋼
安全スイッチハウジング ダイキャスト・アルミニウム
ロック保持力 Fmax 6500 N
ロック保持力 FZh 5000 N (FZH = FMAX/1.3)
ガードロック方式 開回路電流方式

EN ISO 13849-1およびEN IEC 62061に準拠した特性値。

せいぞうせきにん最大SILピーエフエイチDカテゴリー耐用時間
ガードロック モニタリングPL e-3.1x10-9420 y


その他

UL認証に関する注意事項 UL クラス 2 の電源かそれに相当する手段でのみ運転。操作説明書を参照してください。

アクセサリー

ダウンロード

一式

ワンクリックですべての重要文書をダウンロードできます。

コンテンツ:

  • 操作説明書、およびその補足文書もしくは簡略説明書
  • 操作説明書の補足データシート
  • 適合宣言書
一式をダウンロード (ZIP, 23,2 MB)

単一文書

文書番号
バージョン
言語
サイズ
文書番号 2110788
操作説明書 トランスポンダー コーデッド安全スイッチ ガードロック付き CET.-AR-… (ユニコード/マルチコード)
文書番号
2110788
バージョン
11/22
言語
サイズ
4,2 MB
文書番号 2110788
Operating Instructions Transponder-Coded Safety Switch with Guard Locking CET.-AR-… (Unicode/Multicode)
文書番号
2110788
バージョン
11/22
言語
サイズ
3,8 MB
文書番号 2110788
Mode d’emploi Interrupteur de sécurité à codage par transpondeur avec interverrouillage CET.-AR-… (unicode / multicode)
文書番号
2110788
バージョン
11/22
言語
サイズ
3,9 MB
文書番号 2110788
Manual de instrucciones Interruptor de seguridad con codificación por transponder con bloqueo CET.-AR-… (Unicode/Multicode)
文書番号
2110788
バージョン
11/22
言語
サイズ
3,8 MB
文書番号 2110788
Betriebsanleitung Transpondercodierter Sicherheitsschalter CET.-AR-…
文書番号
2110788
バージョン
11/22
言語
サイズ
3,8 MB
文書番号 2110788
Istruzioni di impiego Finecorsa di sicurezza con codifica a transponder con meccanismo di ritenuta CET.-AR-… (Unicode/Multicode)
文書番号
2110788
バージョン
11/22
言語
サイズ
3,8 MB
文書番号 2110788
使用说明书 应答机编码安全开关 配有门锁功能 CET.-AR-… (特殊/通用编码)
文書番号
2110788
バージョン
11/22
言語
サイズ
4,2 MB
文書番号 2110788
Návod k použití Bezpečnostní spínač s kódovaným transpondérem a jištěním ochranného krytu CET.-AR-… (Unicode/Multicode)
文書番号
2110788
バージョン
11/22
言語
サイズ
4,2 MB
文書番号 2110788
Driftsvejledning Transponderkodet sikkerhedsafbryder med tilholder CET.-AR-… (Uni-/Multicode)
文書番号
2110788
バージョン
11/22
言語
サイズ
4,0 MB
文書番号 2110788
Instrukcja obsługi Wyłącznik bezpieczeństwa kodowany transponderowo z blokadą CET.-AR-… (Uni-/Multicode)
文書番号
2110788
バージョン
11/22
言語
サイズ
4,2 MB
文書番号 2110788
Návod na prevádzku Bezpečnostný spínač kódovaný transpondérom s istením CET.-AR-… (Uni-/Multicode)
文書番号
2110788
バージョン
11/22
言語
サイズ
4,2 MB
文書番号 2110788
İşletim kılavuzu Kapalı tutma mekanizmalı aktarıcı kodlu emniyet şalteri CET.-AR-… (Uni-/Multicode)
文書番号
2110788
バージョン
11/22
言語
サイズ
4,2 MB
文書番号 2110788
Instrucțiuni de utilizare Întrerupător de siguranță codat cu transponder cu blocare de protecție CET.-AR-… (Uni-/Multicode)
文書番号
2110788
バージョン
11/22
言語
サイズ
4,2 MB

その他の文書

イープランマクロ

発注データ

注文番号 111684
品目指定 CET4-AR-CRA-CH-50X-SG-111684
総重量 1,267kg
関税番号 85365019000
ECLASS 27-27-24-05 Safety-related transponder switch with guardlocking