CET3-AP-CRA-AH-50X-SI-C2438-124589 (N.º de pedido 124589)
Interruptor de seguridad con bloqueo CET-AP-..., RFID, conector M12, para conexión a sistemas periféricos descentralizados
- Principio del bloqueo sin tensión
- Unicode
- Salida de monitorización de puerta OUT D
- 2 x conector M12, 5 polos
- para la conexión a sistemas periféricos descentralizados

Descripción
Conexión directa a sistemas periféricos descentralizados
La conexión mediante conectores M12 está optimizada para la conexión directa a módulos IO IP67, como ET200pro y ET200eco de SIEMENS, MVK de MURR y EP1957 de BECKHOFF.
Principio de bloqueo
Bloqueo sin tensión (power to unlock): en un resguardo con bloqueo según el principio del bloqueo sin tensión, el resguardo permanece bloqueado mediante fuerza de resorte hasta que se energiza el solenoide de bloqueo. El desbloqueo se produce mediante fuerza de solenoide. También se conoce como bloqueo mecánico.
Evaluación Unicode
Todos los actuadores cuentan con un alto nivel de codificación (Unicode). El interruptor solo reconoce los actuadores memorizados. Pueden memorizarse otros actuadores.
Únicamente se reconoce el actuador memorizado en último lugar.
Características de seguridad
Gracias a dos salidas de seguridad redundantes (salidas de semiconductor) con control interno, el dispositivo es adecuado para
- Categoría 4 /PL e según EN 13849-1
- SIL 3 según EN IEC 62061 Tabla 4
Las salidas OSSD utilizadas comprueban su funcionamiento para cortocircuitos y circuitos cruzados con pulsos de prueba.
Indicador LED
ESTADO DEL LED | LED de estado |
LED DIA | LED de diagnóstico |
LED 1 rd | se ilumina cuando el solenoide recibe tensión |
LED 2 gn | se ilumina cuando la puerta está cerrada |
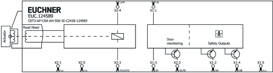
Asignación de contactos
Accesorios necesarios
El actuador no está incluido.
El interruptor de seguridad sólo puede accionarse en combinación con los actuadores previstos para ello.




Dibujos acotados

Ejemplos de conexión

Ejemplos de conexión

Datos técnicos
Homologaciones

Espacio de trabajo
| Precisión de repetición R | 10 % |
Valores de conexión eléctrica
| Cobertura | |
| Externo (tensión de servicio UB) | 0.25 ... 8 A |
| Externo (tensión de servicio del solenoide UCM) | 0.5 ... 8 A |
| Potencia de conexión | |
| Solenoide | 11 W |
| Cable de conexión | 30 V CC, 2 A (Para requisito UL Category-Code (CYJV/CYJV7)) |
| Tensión de servicio CC | |
| UB | 24 V DC -15% ... +15% protegida contra inversiones de polaridad, regulada, ondulación residual<5 %, PELV |
| LED | 24 V DC -15% V DC ... +10% V DC |
| Normas de protección de compatibilidad electromagnética (CEM) | Según EN IEC 60947-5-3 |
| Categoría de uso | |
| DC-13 | 24 V 200 mA (Atención: Las salidas deben protegerse con un diodo de indicación libre en caso de cargas inductivas.) |
| Tensión de servicio del solenoide CC | |
| UCM | 24 V DC -15% ... +10% protegida contra inversiones de polaridad, regulada, ondulación residual<5 %, PELV |
| Ciclo de trabajo del solenoide ED | 100 % |
| Periodo de riesgo según EN 60947-5-3 | max. 400 ms |
| Carga de activación | |
| Según UL | 24V CC, Class 2 (Alternativas en el manual de instrucciones) |
| Clase de protección | III |
| Consumo de corriente | |
| ICM | 450 mA |
| IB | 80 mA |
| Duración del impulso de prueba | max. 0.3 ms (Válido para una carga con C<= 30 nF y R<= 20 kOhm) |
| Grado de contaminación (externa, según EN 60947-1) | 3 |
| Salida de monitorización OUT D | |
| Tipo de salida | Conmutación p, protección contra cortocircuitos |
| Tensión de salida | |
| OUT D | 0.8xUB ... UB V DC |
| Corriente de conmutación | |
| OUT D | 1 ... 50 mA |
| Demora conexión desde modificación de estado | max. 700 ms |
| Salidas de seguridad OA/OB | |
| Tipo de salida | 2 salidas de semiconductor, conmutación p, protección contra cortocircuitos |
| Tensión de salida | |
| LOW U(OA,OB) | 0 ... 1 V DC |
| HIGH U(OA,OB) | UB-1.5V ... UB V DC |
| Tiempo de discrepancia | |
| de ambas salidas de seguridad | max. 10 ms |
| Tiempo de conexión | 400 ms |
| Corriente residual Ir | max. 0.25 mA |
| Corriente de conmutación | |
| Por salida de seguridad OA/OB | 1 ... 200 mA |
Valores mecánicos y entorno
| Anfahrgeschwindigkeit | max. 20 m/min |
| Tipo de conexión | 2 conector M12, 5 polos |
| Demora de operatividad | 1 s |
| Posición de montaje | Cualquiera |
| Frecuencia de conmutación | max. 0.5 Hz |
| Grado de libertad de movimiento X | ±5 mm |
| Grado de libertad de movimiento Y | ±5 mm |
| Grado de libertad de movimiento Z | ±4 mm |
| Temperatura de almacenamiento | -25 ... 70 °C |
| Vida mecánica | 2 x 10⁶ |
| Resistencia al choque y a la vibración | Según EN IEC 60947-5-3 |
| Clase de protección | IP67 (Cuando está enchufado y asegurado) |
| Temperatura ambiental | |
| Con UB = 24 V CC | -20 ... 55 °C |
| Material | |
| Carcasa del interruptor de seguridad | Fundición de aluminio a presión |
| Rampa | Acero inoxidable |
| Fuerza de bloqueo Fmáx. | 6500 N |
| Fuerza de bloqueo FZh | 5000 N |
| Principio de bloqueo | Principio del bloqueo sin tensión |
Valores característicos según EN ISO 13849-1 y EN IEC 62061
| PL | SIL máx. | PFHD | Categoría | Tiempo de servicio | |
|---|---|---|---|---|---|
| Supervisión del bloqueo | PL e | - | 3.1x10-9 | 4 | 20 y |
| PL | SIL máx. | Categoría | Tiempo de servicio | |
|---|---|---|---|---|
| Accionamiento del bloqueo | Dependiente del accionamiento externo del bloqueo | 20 y | ||
Varios
| Aviso para Homologaciones UL | Servicio solo con alimentación de tensión de la clase 2 según UL o medidas equivalentes, véase el manual de instrucciones |
Accesorios

AM-C-SW4-V3-161344
- Insertos de plástico para tornillos de hexágono interior con ancho de llave SW4
- Protección contra la manipulación eficiente para la fijación de interruptores de seguridad
- El suministro incluye insertos para 18 tornillos

AM-C-SW5-V3-161348
- Insertos de plástico para tornillos de hexágono interior con ancho de llave SW5
- Protección contra la manipulación eficiente para la fijación de interruptores de seguridad
- El suministro incluye insertos para 18 tornillos

RIEGEL CET-A-C
- Cerrojo para la familia de interruptores CET
- Cerrojo de acero
- Para puertas con sujeción a la derecha o a la izquierda
- Con sujeción de puerta
- Adecuado para una apertura de puerta de aprox. 15 mm

RIEGEL CET-A-C-C2308
- Cerrojo para la familia de interruptores CET
- Cerrojo de acero
- Para puertas con sujeción a la derecha o a la izquierda
- Sin tope de puerta
- Adecuado para una apertura de puerta de 15 mm

C-M12F05-05X025PU10,0-M12M05-115565
- Conector hembra M12, 5 polos (acodado) sobre conector M12 (recto)
- con conectores a ambos lados
- Cable de PUR
- Longitud del cable: 10 m
- Con salida de cable A (derecha)

C-M12F05-05X025PU10,0-M12M05-115566
- Conector hembra M12, 5 polos (acodado) sobre conector M12 (recto)
- con conectores a ambos lados
- Cable de PUR
- Longitud del cable: 10 m
- Con salida de cable C (izquierda)

C-M12F05-05X034PU10,0-M12M05-119947
- Conector hembra M12 sobre conector macho M12, 5 polos
- Conector hembra y macho recto
- Cable de PUR
- Longitud del cable: 10 m

C-M12F05-05X034PV10,0-M12M05-100181
- Conector hembra M12 sobre conector macho M12, 5 polos
- Conector hembra y macho recto
- Cable de PVC
- Longitud del cable: 10 m

C-M12F05-05X034PU20,0-M12M05-119971
- Conector hembra M12 sobre conector macho M12, 5 polos
- Conector hembra y macho recto
- Cable de PUR
- Longitud del cable: 20 m

C-M12F05-05X034PV20,0-M12M05-100182
- Conector hembra M12 sobre conector macho M12, 5 polos
- Conector hembra y macho recto
- Cable de PVC
- Longitud del cable: 20 m

C-M12F05-05X034PU05,0-M12M05-119932
- Conector hembra M12 sobre conector macho M12, 5 polos
- Conector hembra y macho recto
- Cable de PUR
- Longitud del cable: 5 m

C-M12F05-05X034PV05,0-M12M05-100180
- Conector hembra M12 sobre conector macho M12, 5 polos
- Conector hembra y macho recto
- Cable de PVC
- Longitud del cable: 5 m

C-M12F05-05X025PU10,0-MA-113187
- Conector hembra M12, 5 polos
- Conector acodado
- Cable de PUR
- Longitud del cable: 10 m
- Salida de cable A (derecha)
- Con extremo del cable abierto

C-M12F05-05X025PU10,0-MA-113190
- Conector hembra M12, 5 polos
- Conector acodado
- Cable de PUR
- Longitud del cable: 10 m
- Salida de cable C (izquierda)
- Con extremo del cable abierto
Descargas
Paquete completo
Descargue todos los documentos importantes con un solo clic.
Incluye:
- El manual de instrucciones y, en su caso, la documentación adicional correspondiente o las guías breves.
- En su caso, las fichas de datos como complemento al manual de instrucciones.
- La declaración de conformidad.
Documentos sueltos
Data sheet
Fiche technique
Datenblatt
Ficha de dados
数据表
データ シート
데이터 시트
Datový list
Data sheet
Fiche technique
Datenblatt
Ficha de dados
数据表
データ シート
데이터 시트
Datový list
Otros documentos
Datos de pedido
| N.º de pedido | 124589 |
| Nombre de artículo | CET3-AP-CRA-AH-50X-SI-C2438-124589 |
| Peso bruto | 1,24kg |
| Partida arancelaria | 85365019000 |
| ECLASS | 27-27-24-05 Safety-related transponder switch with guardlocking |























