CTS-C2-BP-CC-FLX-AP-VBB-176689 (Order no. 176689)

Safety switch with guard locking CTS-C2-BP FlexFunction, RFID, connection cable PVC with plug connector(s) M12, for connection to decentralized peripheral system

  • Open-circuit current principle
  • Guard locking for process protection
  • Connection cable, connecting cable PVC, 25 cm, 2 x plug connector(s) M12, 5-pin
  • for direct connection to decentralized peripheral systems: ArmorBlock Guard I/O
CTS-C2-BP-CC-FLX-AP-VBB-176689 (Order no. 176689)

Description

Direct connection to decentralized peripheral systems

The connection via M12 plug connector(s) is optimized for direct connection to ArmorBlock Guard I/O 1732ES-IB8XOBV4 and 732ES-IB12XOBV2 from Rockwell Automation.

FlexFunction

The function actuator configures the switch during setup. Depending on the function actuator selected, guard lock monitoring of the safety switch is active or inactive and the evaluation of the actuator code has a high or low coding level.

Guard locking principle

Open-circuit current (power on to lock): On a guard with guard locking based on the open-circuit current principle, the guard is locked until the power supply to the guard locking solenoid is interrupted. Unlocking is by spring force. The term electrical guard locking is also used.

Guard locking for process protection

The safety switch meets the requirements for interlocking devices with guard locking for process protection. It does not possess safe guard lock monitoring.

Auxiliary release

The auxiliary release on the front and rear side enables access to the machine in the event of a malfunction, e.g. a power failure.

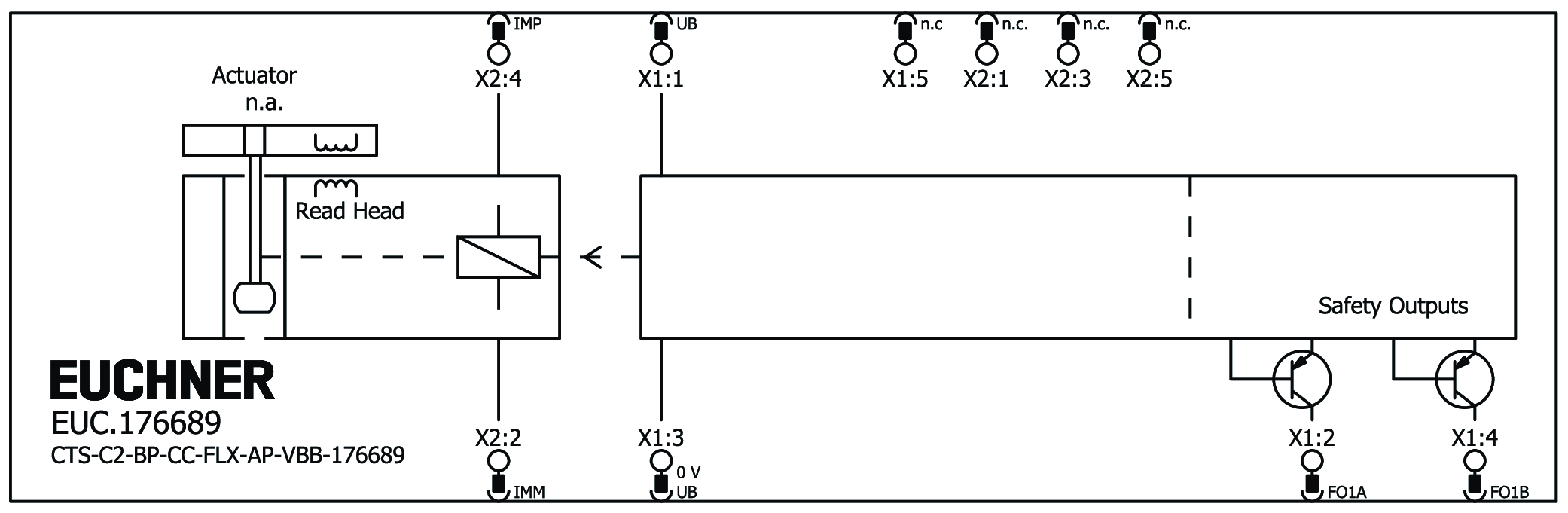
Terminal assignment

Plug connector (view of connection side)PinDesignationFunctionConnecting cable conductor coloring
ast_654553X 1.1UBElectronics operating voltage, 24 V DCBN
X 1.2FO1ASafety output, channel AWH
X 1.30 V UBElectronics operating voltage, 0 V DCBU
X 1.4FO1BSafety output, channel BBK
X 1.5-n.c.GY
X 2.1-n.c.BN
X 2.2IMMSolenoid operating voltage, 0 V DCWH
X 2.3-n.c.BU
X 2.4IMPSolenoid operating voltage, 24 V DCBK
X 2.5-n.c.GY

Accessories required

Actuator is not included.

Dimension drawing
Dimension drawing
Wiring diagram
Wiring diagram

Dimensional drawings

Dimensional drawings
1Auxiliary release
2LEDs

Connection examples

Connection examples

Technical data

Approvals

FCC_CTS_2AJ58-18c_UL_us_E93776_5/1

Electrical connection values

Fuse
UB 1 ... 8 A external
IMP 1 ... 8 A external
Power consumption 9 W
rated conditional short-circuit current 100 A
Rated insulation voltage Ui 32 V
Rated impulse voltage Uimp 0.8 kV
Operating voltage DC
UB 24 V DC -15% ... +20% (reverse polarity protected, regulated, residual ripple<5%, SELV)
Discrepancy time max. 10 ms
Turn-on time max. 400 ms
EMC protection requirements Acc. to EN IEC 60947-5-3
Solenoid operating voltage DC 24 V DC -15% ... +20% reverse polarity protected, regulated, residual ripple<5%, SELV
Solenoid duty cycle 100 %
Risk time according to EN 60947-5-3 max. 200 ms
Risk time according to EN 60947-5-3, extension for each additional device max. 10 ms
Switching load
according to UL DC 24 V, Class 2
Safety class III
Current consumption
IIMP 500 mA
IUB 50 mA
Degree of contamination (external, according to EN 60947-1) 3
Safety outputs FO1A, FO1B
Output type Semiconductor outputs, p-switching, short circuit-proof
Output voltage
UFO1A /UFO1B HIGH UB-4V ... UB V DC (Value at a switching current of 50mA without taking into account the cable lengths)
UFO1A /UFO1B LOW 0 ... 1 V DC
Output current
per safety output FO1A / FO1B 1 ... 75 mA
Utilization category
DC-13 24V 75mA (Caution: outputs must be protected with a free-wheeling diode in case of inductive loads)
Test pulse duration max. 0.3 ms
Test pulse interval min. 96 ms

Mechanical values and environment

Anfahrgeschwindigkeit max. 20 m/min
Extraction force 25 N
Ready delay max. 1 s
Actuating force 25 N
Installation orientation any
Storage temperature -25 ... 70 °C
Mechanical life 1 x 10⁶
Retention force 10 N
Shock and vibration resistance Acc. to EN IEC 60947-5-3
Degree of protection IP65/IP67/IP69/IP69K
Ambient temperature -20 ... 50 °C
Material
Safety switch housing Reinforced thermoplastic
Connecting cable PVC
Switch head cover Die-cast zinc
Locking force Fmax 5000 N
Locking force FZh 3800 N
Guard locking principle Open-circuit current principle
Connection X1/X2
Connection type Connecting cable with plug connector M12
Static bending radius 8x cable diameter
Cable outlet straight
Cable length 0.25 m
Number of pins 5
Safety outputs FO1A, FO1B
Switching frequency max. 0.2 Hz

Characteristic values according to EN ISO 13849-1 and EN IEC 62061

PLMaximum SILPFHDCategoryMission time
Monitoring of the guard positionPL e36.44x10-9420 y


Miscellaneous

Notices for UL approval Operation only with UL Class 2 power supply or equivalent measures; see operating instructions

Accessories

Downloads

Complete package

Download all important documents with a single click.

Content:

  • The operating instructions and any additions to the operating instructions or brief instructions
  • Any data sheets to supplement the operating instructions
  • The declaration of conformity
Download Complete Package (ZIP, 16,7 MB)

Single Documents

Other Documents

Ordering data

Ordernumber 176689
Item designation CTS-C2-BP-CC-FLX-AP-VBB-176689
Gross weight 0,57kg
Customs tariff number 85365019000
ECLASS 27-27-24-05 Safety-related transponder switch with guardlocking