MGB-A-MOUNTINGPLATE-L-109490 (Order no. 109490)
Choose content
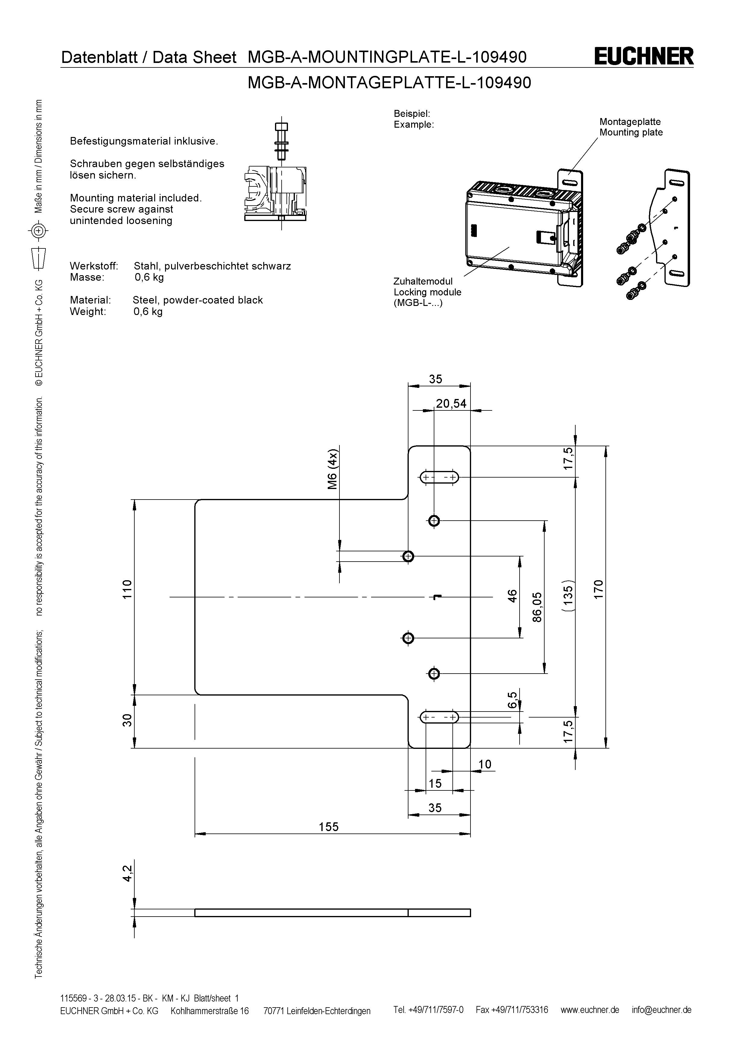
Mounting plate for evaluation modules MGB-L.-AR.-... and MGB-L.-AP.-...
- Easy and quick mounting (only two screws required)
- Quick module replacement
- Steel, powder coated
- Suitable for doors hinged on the right and left

Description
Mounting plate for evaluation module
Suitable for all interlocking or locking modules in the system families AR and AP. 2 screws are sufficient for fastening the mounting plates.
Important: Only use if the handle module is also fastened to a mounting plate.

Dimensional drawings

Technical data
Mechanical values and environment
| Storage temperature | -25 ... 70 °C |
| Material | Steel, powder coated |
Miscellaneous
| Color | black |
| Compatibility | For devices MGB-L |
| Additional feature | incl. fixing material for MGB-L on mounting plate |
Downloads
Complete package
Download all important documents with a single click.
Content:
- The operating instructions and any additions to the operating instructions or brief instructions
- Any data sheets to supplement the operating instructions
- The declaration of conformity
Download Complete Package (ZIP, 0,1 MB)
Single Documents
Other Documents
ePlan macros
EUC.109490
Doc. no.
Version
Language
Size
EUC.109490
Doc. no.
Version
Language
Size
0,0 MB
CAD/eCAD
Ordering data
| Ordernumber | 109490 |
| Item designation | MGB-A-MOUNTINGPLATE-L-109490 |
| Gross weight | 0,631kg |
| Global Trade Item Number (GTIN) | 4047048006706 |
| Customs tariff number | 85371098 |

