MGB-A-MOUNTINGPLATE-L-109490 (Obj. č. 109490)
Zvolte obsah
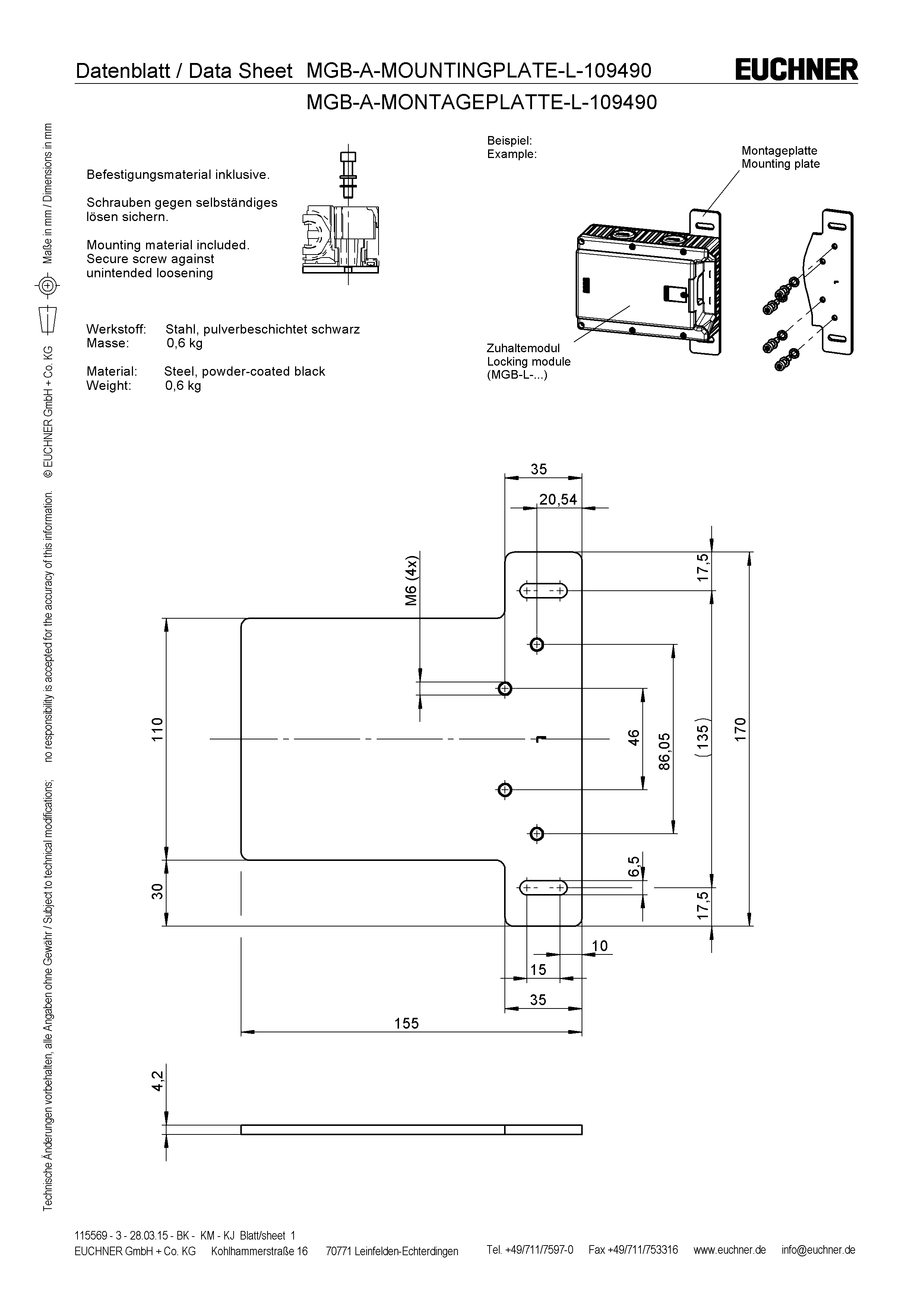
Montážní deska pro vyhodnocovací moduly MGB-L.-AR.-... a MGB-L.-AP.-...
- Snadná a rychlá montáž (potřebujete jen dva šrouby)
- Rychlá výměna modulu
- Ocel, práškový nástřik
- Vhodné pro dveře se závěsy napravo i nalevo

Popis
Montážní deska pro vyhodnocovací modul
Vhodná pro všechny blokovací moduly nebo vyhodnocovací moduly s jištěním ochranného krytu systémových rodin AR a AP. K upevnění montážních desek stačí dva šrouby.
Důležité: Používejte pouze tehdy, pokud je i modul vnější kliky upevněn na montážní desce.

Rozměrové výkresy

Technické údaje
Mechanické hodnoty a prostředí
| Teplota při skladování | -25 ... 70 °C |
| Materiál | Ocel, práškový nástřik |
Různé
| Barva | Černá |
| Kompatibilita | Pro přístroje MGB-L |
| Další funkce | Vč. upevňovacího materiálu pro MGB-L na montážní desce |
Ke stažení
Celé balení
Stáhněte si všechny důležité dokumenty jedním kliknutím.
Obsahuje:
- Návod k použití a příp. dodatky k návodu k použití nebo stručné návody
- Příp. datové listy jako dodatek k návodu k použití
- Prohlášení o shodě
Stáhnout kompletní balíček (ZIP, 0,1 MB)
Jednotlivé dokumenty
Ostatní dokumenty
Makra ePlan
EUC.109490
Č. dok.
Verze
Jazyk
Velikost
EUC.109490
Č. dok.
Verze
Jazyk
Velikost
0,0 MB
CAD/eCAD
Objednací údaje
| Obj. č. | 109490 |
| Název výrobku | MGB-A-MOUNTINGPLATE-L-109490 |
| Hmotnost brutto | 0,631kg |
| Global Trade Item Number (GTIN) | 4047048006706 |
| Číslo celního tarifu | 85371098 |

