SB02D08-552-M (Obj. č. 085295)
Zvolte obsah
Konstrukční řada SB... 8 mm, mechanický
- Vzdálenost plunžrů 8 mm
- Stojací provedení pouzdra, bez příruby
- Se zvětšeným připojovacím prostorem
- Krytí IP67 podle IEC 60529

Popis
Spínací jednotka
ES 552 | Mžikový spínací člen, 1 přepínací kontakt, standardní spínací jednotka |


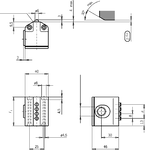
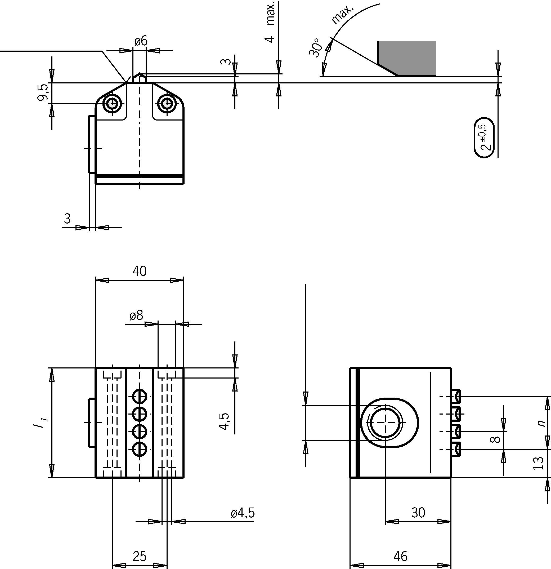
Rozměrové výkresy

Příklady připojení

Technické údaje
Hodnoty elektrického připojení
| Zajištění | max. 6 A gG |
| Průřez přípojky | 0.14 ... 1.0 mm² |
| Návrhové izolační napětí Ui | 250 V |
| Jmenovité impulzní napětí Uimp | 2.5 kV |
| Kategorie použití | |
| AC-15 | 2 A 230 V |
| DC-13 | 2 A 24 V |
| Spínací proud | |
| Min. při 24 V DC | min. 10 mA |
| Tepelný návrhový proud Ith | 6 A |
Mechanické hodnoty a prostředí
| Anfahrgeschwindigkeit | 0.01 ... 20 m/min |
| Typ připojení | |
| 1× | M16 × 1,5 |
| Počet spínacích jednotek | 2 |
| Počet přepínacích kontaktů | 2 |
| Utahovací moment | |
| Šroubová svorka | max. 0.2 Nm Imbus vel. 1,3 mm |
| Provedení | Provedení k instalaci nastojato |
| Ovládací prvek | Stříškový plunžr (Přesnost spínacího bodu ±0,02. Reprodukovatelná přesnost spínacího bodu platí pro axiální dráhu plunžru a spínací jednotku ES 502 zajetou cca 2 000 spínacími cykly.) |
| Ovládací síla | min. 15 N |
| Montážní poloha | Libovolná |
| Teplota při skladování | -25 ... 80 °C |
| Mechanická životnost | 10 x 10⁶ |
| Princip přepínání | Mžikový spínací člen (Doba odskoku ≤ 2 ms) |
| Třída ochrany | IP67 |
| Vzdálenost plunžrů | 8 mm |
| Okolní teplota | -5 ... 80 °C |
| Materiál | |
| Kontakt | Slitina stříbra, velmi tenké pozlacení |
| Pouzdro | Hliníkový tlakový odlitek eloxovaný |
Ke stažení
Celé balení
Stáhněte si všechny důležité dokumenty jedním kliknutím.
Obsahuje:
- Návod k použití a příp. dodatky k návodu k použití nebo stručné návody
- Příp. datové listy jako dodatek k návodu k použití
- Prohlášení o shodě
Stáhnout kompletní balíček (ZIP, 1,7 MB)
Jednotlivé dokumenty
Pokyny
Operating Instructions Precision Multiple Limit Switches GL, GS, SB, SN 8 mm
Č. dok.
Verze
Jazyk
Velikost
Operating Instructions Precision Multiple Limit Switches GL, GS, SB, SN 8 mm
Č. dok.
2076050
Verze
02/26
Jazyk
Velikost
0,5 MB
Mode d’emploi Boîtiers multipistes de précision GL, GS, SB, SN 8 mm
Č. dok.
2076050
Verze
02/26
Jazyk
Velikost
0,5 MB
Manual de instrucciones Final de carrera múltiple de precisión GL, GS, SB, SN 8 mm
Č. dok.
2076050
Verze
02/26
Jazyk
Velikost
0,5 MB
Betriebsanleitung Präzisions-Reihengrenztaster GL, GS, SB, SN 8 mm
Č. dok.
2076050
Verze
02/26
Jazyk
Velikost
0,5 MB
Istruzioni di impiego Finecorsa multipli di precisione GL, GS, SB, SN 8 mm
Č. dok.
2076050
Verze
02/26
Jazyk
Velikost
0,5 MB
Prohlášení o shodě
EU-Konformitätserklärung
Č. dok.
Verze
Jazyk
Velikost
EU-Konformitätserklärung
Č. dok.
EDC2539628
Verze
Jazyk
Velikost
0,2 MB
Ostatní dokumenty
Prodejní doklady
Position Switches and Multiple Limit Switches
Č. dok.
Verze
Jazyk
Velikost
Position Switches and Multiple Limit Switches
Č. dok.
157836
Verze
01-03/18
Jazyk
Velikost
4,1 MB
Interrupteurs de position et boîtiers multipistes
Č. dok.
157837
Verze
01-03/18
Jazyk
Velikost
4,1 MB
Positionsschalter und Reihengrenztaster
Č. dok.
157835
Verze
01-03/18
Jazyk
Velikost
4,1 MB
Schválení a certifikáty
WEEE
Č. dok.
Verze
Jazyk
Velikost
WEEE
Č. dok.
ECO20001806
Verze
Jazyk
Velikost
0,1 MB
CAD/eCAD
Objednací údaje
| Obj. č. | 085295 |
| Název výrobku | SB02D08-552-M |
| Hmotnost brutto | 0,133kg |
| Číslo celního tarifu | 85365019000 |
| ECLASS | 27-27-06-02 Multi-position switch |

