RIEGEL NZ/TZ-S1/AF (订货号 079786)
选择内容
适用于具有应急逃生解锁装置的NZ.VZ、NZ.VZ.VS和TZ安全开关
- 铝质门闩
- 适用于右开式铰链门
- 配有应急逃生杆的门闩
- 开启位置配有弹簧销
- 适用于约5 mm门间隙

说明
组合选项
- NZ.VZ系列安全开关
- TZ系列安全开关,带应急逃生解锁装置
交货范围
- 门闩部件
- 触发块
需单独订购:
- 安全开关
锁止在开启位置
在开启位置闩锁是为了防止人员被困在机器内部。门开启后,触发块通过一个内置复位弹簧自动回缩到门闩内。当关上铰链门时,这可防止触发块因被误用作机械式门挡块而损坏。
集成的挂锁装置
借助集成的挂锁装置,可将门闩固定在开启位置,例如使用挂锁。可以防止人员被意外锁在危险区域内。
门类型和门铰链
适用于右开式铰链门。无门挡块,门可以向内和向外打开。
应急逃生解锁装置
带应急逃生解锁装置的门闩配有一个应急逃生杆,可从安全门内部打开门闩。

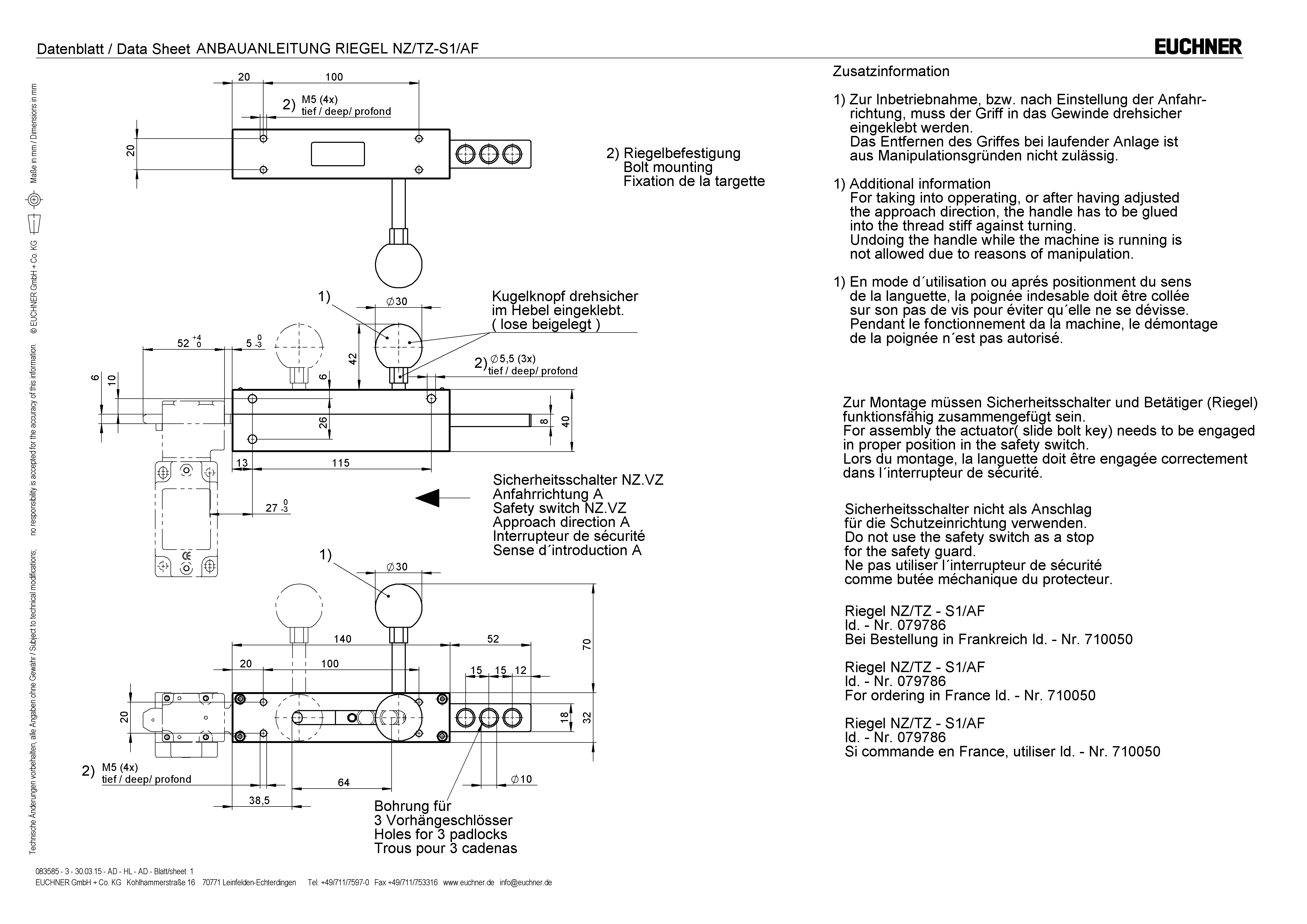
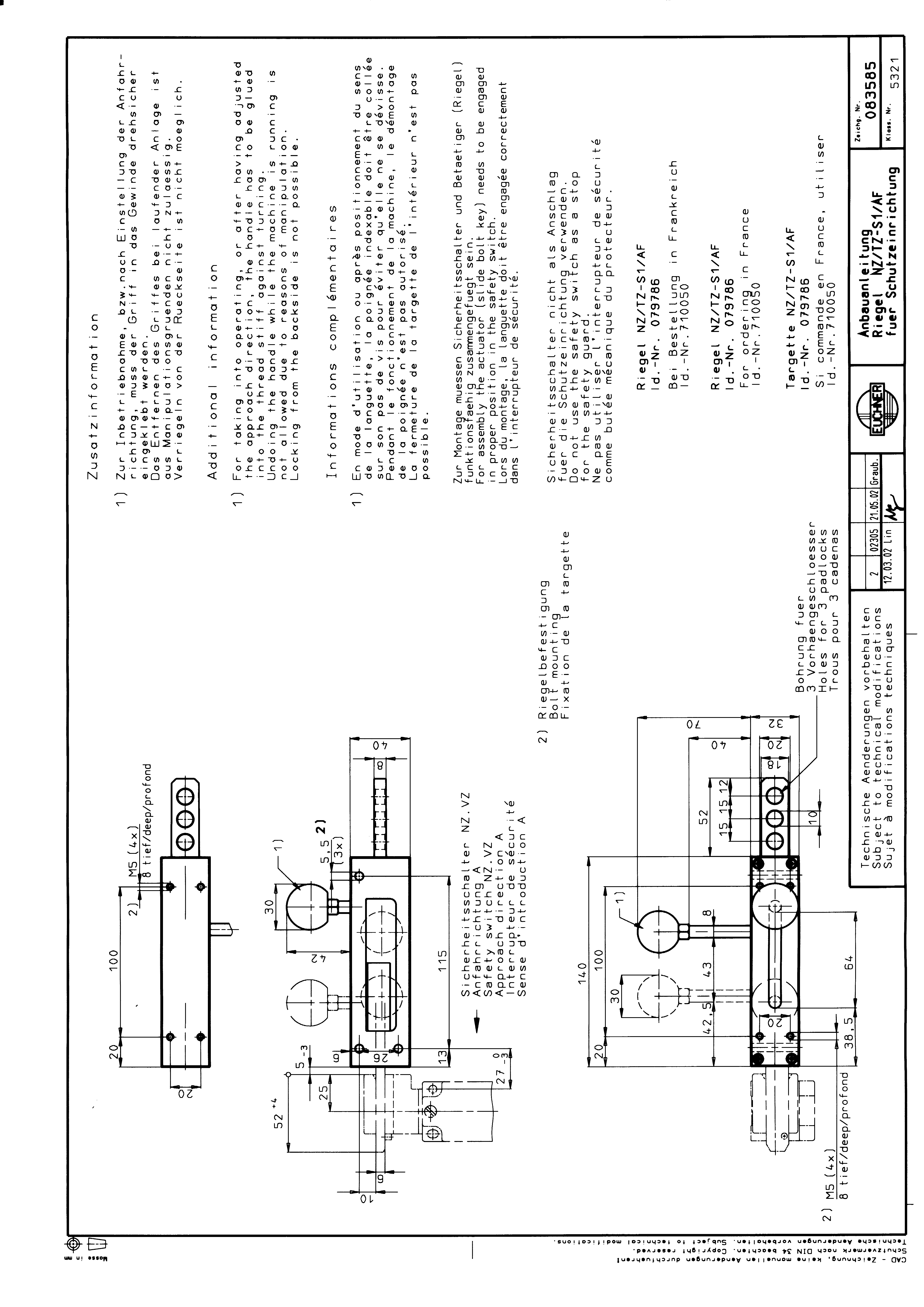
尺寸图

| 1 | 球型头粘合在杠杆内,使其不能转动。(内附件松动) |
| 1) | 附加信息:设置接近方向时,手柄必须牢固地粘合到螺纹内。禁止在系统工作期间拆除手柄,以防发生篡改。安装时必须正确结合安全开关与触发块(门闩)。安全开关不可作为安全门的终端挡块使用。 |
| 2 | NZ.VZ系列安全开关接近方向A |
| 2) | 门闩紧固 |
| 3 | 可用于3把挂锁的孔 |
技术数据
机械值和环境
| 接近方向 | A |
| 应急逃生解锁装置 | 是 |
| 存储温度 | -25 ... 70 °C |
| 材料 | |
| 滑动 | 铝质 |
| 壳体 | 铝质 |
| 手柄 | 塑料 |
杂项
| 机械制动装置 | 无 |
下载
完整软件包
仅需单击一次,即可下载所有重要文档。
目录:
- 操作说明以及操作说明或简要说明的所有附件
- 补充操作说明的所有数据表
- 符合性声明
下载完整软件包 (ZIP, 10,0 MB)
单个文档
说明
Safety Information for Bolts
文档编号
版本
语言
大小
Safety Information for Bolts
Information de sécurité pour verrous-targettes
Información de seguridad para cerrojos
Sicherheitsinformation für Riegel
Information de sécurité pour verrous-targettes
Información de seguridad para cerrojos
Sicherheitsinformation für Riegel
文档编号
2530033
版本
04-03/24
语言
大小
0,2 MB
Sicherheitsinformation für Riegel
文档编号
2530033
版本
04-03/24
语言
大小
0,2 MB
Informação de segurança referente ao trinco
文档编号
2530033
版本
04-03/24
语言
大小
0,4 MB
Informazioni sulla sicurezza per il chiavistello
文档编号
2530033
版本
04-03/24
语言
大小
0,1 MB
Bezpečnostní informace pro petlice
文档编号
2530033
版本
04-03/24
语言
大小
0,5 MB
Tolózár biztonsági információi
文档编号
2530033
版本
04-03/24
语言
大小
0,5 MB
Информация за безопасност за ригели
文档编号
2530033
版本
04-03/24
语言
大小
0,5 MB
Sikkerhedsinformation for bolte
文档编号
2530033
版本
04-03/24
语言
大小
0,4 MB
Ohutusalane teave riivistuste kohta
文档编号
2530033
版本
04-03/24
语言
大小
0,5 MB
Turvallisuustietoja salvalle
文档编号
2530033
版本
04-03/24
语言
大小
0,4 MB
Πληροφορίες ασφαλείας για μάνδαλα
文档编号
2530033
版本
04-03/24
语言
大小
0,5 MB
Sigurnosne informacije za brave
文档编号
2530033
版本
04-03/24
语言
大小
0,5 MB
Aizbīdņu drošības informācija
文档编号
2530033
版本
04-03/24
语言
大小
0,5 MB
Saugos informacija skląsčiui
文档编号
2530033
版本
04-03/24
语言
大小
0,5 MB
Veiligheidsinformatie voor grendels
文档编号
2530033
版本
04-03/24
语言
大小
0,4 MB
Sikkerhetsinformasjon for låser
文档编号
2530033
版本
04-03/24
语言
大小
0,4 MB
Informacje o bezpieczeństwie dotyczące użytkowania zasuw
文档编号
2530033
版本
04-03/24
语言
大小
0,5 MB
Säkerhetsinformation för regeln
文档编号
2530033
版本
04-03/24
语言
大小
0,4 MB
Varnostne informacije o zapahu
文档编号
2530033
版本
04-03/24
语言
大小
0,5 MB
Bezpečnostná informácia pre závory
文档编号
2530033
版本
04-03/24
语言
大小
0,5 MB
Sürgüler için güvenlik bilgisi
文档编号
2530033
版本
04-03/24
语言
大小
0,5 MB
Informații de siguranță privind zăvoarele
文档编号
2530033
版本
04-03/24
语言
大小
0,5 MB
其他文档
销售文件
金属壳体 的安全开关
文档编号
版本
语言
大小
金属壳体 的安全开关
文档编号
102453
版本
11-03/18
语言
大小
8,2 MB
Safety Switches with Metal Housing
文档编号
100369
版本
11-03/18
语言
大小
7,8 MB
Interrupteurs de sécurité avec boîtier métallique
文档编号
100676
版本
11-03/18
语言
大小
7,9 MB
Interruptores de seguridad con carcasa metálica
文档编号
104856
版本
11-03/18
语言
大小
14,0 MB
Sicherheitsschalter mit Metallgehäuse
文档编号
100319
版本
11-03/18
语言
大小
7,9 MB
Bezpečnostní spínače s kovovým pouzdrem
文档编号
121650
版本
11-03/18
语言
大小
7,8 MB
CAD/eCAD
订货数据
| 订货号 | 079786 |
| 项目名称 | RIEGEL NZ/TZ-S1/AF |
| 总重量 | 0,67kg |
| Global Trade Item Number (GTIN) | 4047048000100 |
| 海关税则号 | 83014090000 |

