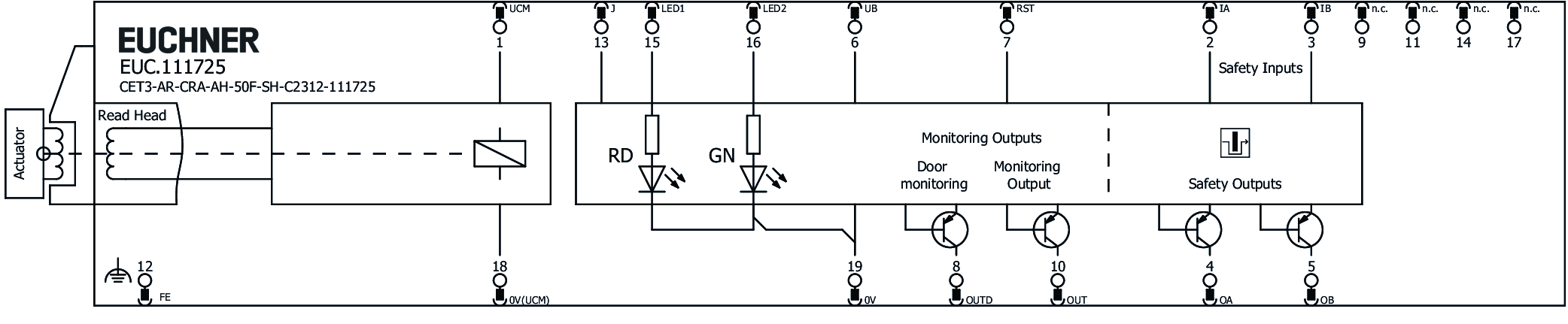
CET3-AR-CRA-AH-50F-SH-C2312-111725 (Sip. No. 111725)
Safety switch with guard locking CET-AR-..., RFID, plug connector(s) M23 (RC18), escape release
- Closed-circuit current principle
- Unicode
- Teach-in input J
- Monitoring output guard locking OUT
- Monitoring output door position OUT D
- Plug connector(s) M23 (RC18), 19-pole
- Escape release, 105 mm long

Açıklama
Guard locking principle
Power to unlock: On a guard with guard locking based on the closed-circuit current principle, the guard is locked by spring force until the guard locking solenoid is supplied with power. Unlocking is by solenoid force. The term mechanical guard locking is also used.
Unicode evaluation
Each actuator is highly coded (unicode). The switch detects only taught-in actuators. Additional actuators can be taught-in.
Only the last actuator taught-in is detected.
Safety characteristics
Thanks to two redundant safety outputs (semiconductor outputs) with internal monitoring, the device is suitable for:
- Category 4 /PL e according to EN 13849-1
- SIL 3 according to EN IEC 62061 Table 4
The OSSD outputs used check their function for short circuits and short circuits with test pulses.
Escape release
This is used for manual release of guard locking from the danger zone without tools.
LED indicator
LED STATE | Status LED |
DIA LED | Diagnostics LED |
LED 1 rd | freely configurable |
LED 2 gn | freely configurable |
Terminal assignment
Accessories required
Actuator is not included.
The safety switch can only be actuated in conjunction with the actuators provided for this purpose.
Dimensional drawings

Connection examples

Teknik Veriler
Approvals

Workspace
| Repeat accuracy R | 10 % |
Electrical connection values
| Fuse | |
| external (operating voltage UB) | 0.25 ... 8 A |
| external (solenoid operating voltage UCM) | 0.5 ... 8 A |
| Power consumption | |
| Solenoid | 11 W |
| Connecting cable | 30V DC, 2A (for UL requirement UL category code (CYJV2/CYJV8) or (CYJV/CYJV7)) |
| Operating voltage DC | |
| UB | 24 V DC -15% ... +15% reverse polarity protected, regulated, residual ripple<5%, PELV |
| LED | 24 V DC -15% V DC ... +10% V DC |
| EMC protection requirements | Acc. to EN IEC 60947-5-3 |
| Utilization category | |
| DC-13 | 24V 200mA (Caution: outputs must be protected with a free-wheeling diode in case of inductive loads) |
| Solenoid operating voltage DC | |
| UCM | 24 V DC -15% ... +10% reverse polarity protected, regulated, residual ripple<5%, PELV |
| Solenoid duty cycle | 100 % |
| Risk time according to EN 60947-5-3 | max. 400 ms |
| Risk time according to EN 60947-5-3, extension for each additional device | max. 5 ms |
| Switching load | |
| according to UL | 24V DC, Class 2 (For alternatives, see operating instructions) |
| Safety class | III |
| Current consumption | |
| IB | 80 mA |
| ICM | 450 mA |
| Test pulse duration | max. 1 ms |
| Degree of contamination (external, according to EN 60947-1) | 3 |
| Teach-in input | |
| Input voltage | |
| HIGH | 15 ... 27.6 V DC |
| LOW | 0 ... 1 V DC |
| Monitoring output OUT D | |
| Output type | p-switching, short circuit-proof |
| Output voltage | |
| OUT D | 0.8xUB ... UB V DC |
| Switching current | |
| OUT D | 1 ... 50 mA |
| Switching delay from state change | max. 700 ms |
| Monitoring output OUT | |
| Output type | p-switching, short circuit-proof |
| Output voltage | |
| OUT | 0.8xUB ... UB V DC |
| Switching current | |
| OUT | 1 ... 50 mA |
| Switching delay from state change | max. 400 ms |
| Safety outputs OA / OB | |
| Output type | 2 semiconductor outputs, p-switching, short circuit-proof |
| Output voltage | |
| HIGH U(OA,OB) | UB-1.5V ... UB V DC |
| LOW U(OA,OB) | 0 ... 1 V DC |
| Discrepancy time | |
| both safety outputs | max. 10 ms |
| Turn-on time | 400 ms |
| Off-state current Ir | max. 0.25 mA |
| Switching current | |
| per safety output OA / OB | 1 ... 200 mA |
Mechanical values and environment
| Anfahrgeschwindigkeit | max. 20 m/min |
| Connection type | 1 plug connector M23, 19-pin, RC18 |
| Ready delay | 10 s |
| Installation orientation | any |
| Switching frequency | max. 0.5 Hz |
| Degree of freedom X | ±5 mm |
| Degree of freedom Y | ±5 mm |
| Degree of freedom Z | ±4 mm |
| Storage temperature | -25 ... 70 °C |
| Mechanical life | 2 x 10⁶ |
| Shock and vibration resistance | Acc. to EN IEC 60947-5-3 |
| Degree of protection | IP65/IP67 (In the inserted and screwed tight state) |
| Ambient temperature | |
| at UB = 24 V DC | -20 ... 55 °C |
| Material | |
| Ramp | Stainless steel |
| Safety switch housing | Die-cast aluminum |
| Locking force Fmax | 6500 N |
| Locking force FZh | 5000 N FZH = FMAX/1.3 |
| Guard locking principle | Closed-circuit current principle |
Characteristic values according to EN ISO 13849-1 and EN IEC 62061
| PL | Maximum SIL | PFHD | Category | Mission time | |
|---|---|---|---|---|---|
| Guard lock monitoring | PL e | - | 3.1x10-9 | 4 | 20 y |
| PL | Maximum SIL | Category | Mission time | |
|---|---|---|---|---|
| Control of guard locking | Depending on external control of guard locking | 20 y | ||
Miscellaneous
| C number | |
| C2312 | extended escape release |
| Notices for UL approval | Operation only with UL Class 2 power supply or equivalent measures; see operating instructions |
Aksesuar
C-M23F19-19XDIFPU01,5-MA-092906
- M23 plug connector, 18-pin + PE
- Angled plug connector
- Cable exit C (left)
- PUR cable
- Cable length 1.5 m
- With flying lead
- Cores color-coded
C-M23F19-19XDIFPU01,5-MA-092907
- M23 plug connector, 18-pin + PE
- Angled plug connector
- Cable exit A (right)
- PUR cable
- Cable length 1.5 m
- With flying lead
- Cores color-coded
C-M23F19-19XDIFPU10,0-MA-092901
- M23 plug connector, 18-pin + PE
- Angled plug connector
- Cable exit C (left)
- PUR cable
- Cable length 10 m
- With flying lead
- Cores color-coded
C-M23F19-19XDIFPU10,0-MA-092902
- M23 plug connector, 18-pin + PE
- Angled plug connector
- Cable exit A (right)
- PUR cable
- Cable length 10 m
- With flying lead
- Cores color-coded
C-M23F19-19XDIFPU15,0-MA-077020
- M23 plug connector, 18-pin + PE
- Angled plug connector
- Cable exit C (left)
- PUR cable
- Cable length 15 m
- With flying lead
- Cores color-coded
C-M23F19-19XDIFPU15,0-MA-085196
- M23 plug connector, 18-pin + PE
- Angled plug connector
- Cable exit A (right)
- PUR cable
- Cable length 15 m
- With flying lead
- Cores color-coded
C-M23F19-19XDIFPU20,0-MA-092910
- M23 plug connector, 18-pin + PE
- Angled plug connector
- Cable exit C (left)
- PUR cable
- Cable length 20 m
- With flying lead
- Cores color-coded
C-M23F19-19XDIFPU20,0-MA-092911
- M23 plug connector, 18-pin + PE
- Angled plug connector
- Cable exit A (right)
- PUR cable
- Cable length 20 m
- With flying lead
- Cores color-coded
C-M23F19-19XDIFPU25,0-MA-092912
- M23 plug connector, 18-pin + PE
- Angled plug connector
- Cable exit C (left)
- PUR cable
- Cable length 25 m
- With flying lead
- Cores color-coded
C-M23F19-19XDIFPU25,0-MA-092913
- M23 plug connector, 18-pin + PE
- Angled plug connector
- Cable exit A (right)
- PUR cable
- Cable length 25 m
- With flying lead
- Cores color-coded
C-M23F19-19XDIFPU03,0-MA-092908
- M23 plug connector, 18-pin + PE
- Angled plug connector
- Cable exit C (left)
- PUR cable
- Cable length 3 m
- With flying lead
- Cores color-coded
C-M23F19-19XDIFPU03,0-MA-092909
- M23 plug connector, 18-pin + PE
- Angled plug connector
- Cable exit A (right)
- PUR cable
- Cable length 3 m
- With flying lead
- Cores color-coded
C-M23F19-19XDIFPU06,0-MA-077018
- M23 plug connector, 18-pin + PE
- Angled plug connector
- Cable exit C (left)
- PUR cable
- Cable length 6 m
- With flying lead
- Cores color-coded
C-M23F19-19XDIFPU06,0-MA-085194
- M23 plug connector, 18-pin + PE
- Angled plug connector
- Cable exit A (right)
- PUR cable
- Cable length 6 m
- With flying lead
- Cores color-coded
C-M23F19-19XDIFPU08,0-MA-077019
- RC18 plug connector, 18-pin + PE
- Angled plug connector
- Cable exit C (left)
- PUR cable
- Cable length 8 m
- With flying lead
- Cores color-coded
C-M23F19-19XDIFPU08,0-MA-085195
- M23 plug connector, 18-pin + PE
- Angled plug connector
- Cable exit A (right)
- PUR cable
- Cable length 8 m
- With flying lead
- Cores color-coded

AM-C-SW4-V3-161344
- Plastic inserts for hexagon socket screws a/f 4
- Efficient protection against tampering for safety switch mounting
- The packaging includes inserts for 18 screws

AM-C-SW5-V3-161348
- Plastic inserts for hexagon socket screws a/f 5
- Efficient protection against tampering for safety switch mounting
- The packaging includes inserts for 18 screws
İndirme
Komple paket
Tüm önemli belgeleri tek bir tıklama ile indirin.
İçerik:
- Kullanım talimatları ve kullanım talimatlarına veya kısa talimatlara yapılan tüm eklemeler
- Kullanım talimatlarını tamamlayan tüm veri sayfaları
- Uygunluk beyanı
Tek Belgeler
Diğer Belgeler
CAD Verileri
Sipariş verileri
| Sip. No. | 111725 |
| Makale adı | CET3-AR-CRA-AH-50F-SH-C2312-111725 |
| Ağırlık | 1,291kg |
| Gümrük sınıfı | 85365019000 |
| ECLASS | 27-27-24-05 Safety-related transponder switch with guardlocking |



























