CET ABDECKUNG LINKS (Sip. No. 098807)
Choose content
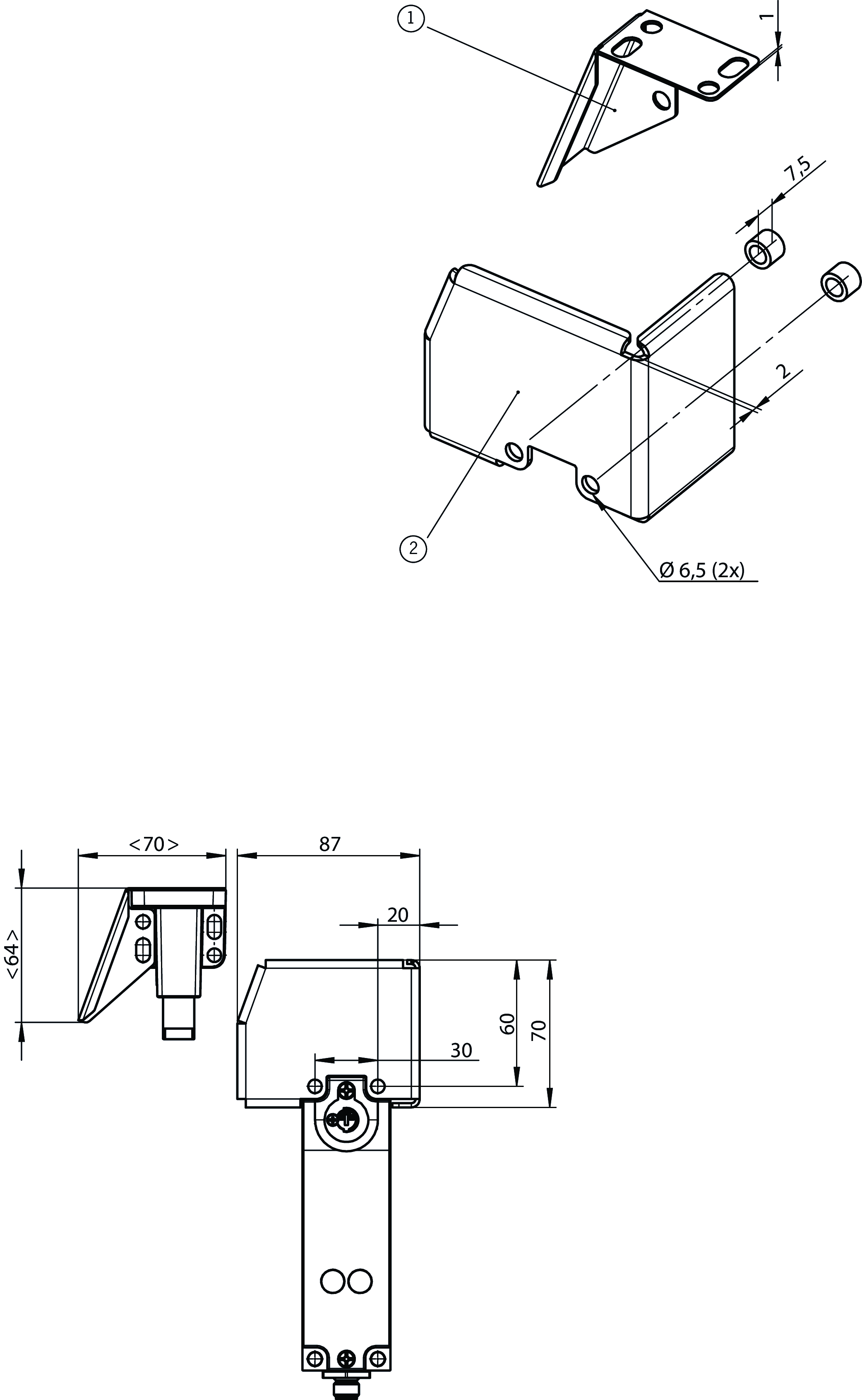
Cover for read head and actuator CET
- Cover for read heads / safety switches CET and actuators CET
- For approach direction C

Açıklama
With the CET cover, tampering on the CET is effectively prevented. The cover prevents the use of simple tools to manually press up the spring-mounted guard locking pin (on the actuator).
A cover for the actuator and for the slide on the read head /safety switch is included.

Dimensional drawings

| 1 | Mounting via actuator fixing screws |
| 2 | Mounting via switch fixing screws |
Teknik Veriler
Mechanical values and environment
| Storage temperature | -25 ... 70 °C |
| Material | Stainless steel |
İndirme
Komple paket
Tüm önemli belgeleri tek bir tıklama ile indirin.
İçerik:
- Kullanım talimatları ve kullanım talimatlarına veya kısa talimatlara yapılan tüm eklemeler
- Kullanım talimatlarını tamamlayan tüm veri sayfaları
- Uygunluk beyanı
Paketin tamamını indirin (ZIP, 0,2 MB)
Tek Belgeler
Diğer Belgeler
Sales documents
CAD Verileri
Sipariş verileri
| Sip. No. | 098807 |
| Makale adı | CET ABDECKUNG LINKS |
| Ağırlık | 0,213kg |
| Gümrük sınıfı | 85389099990 |

