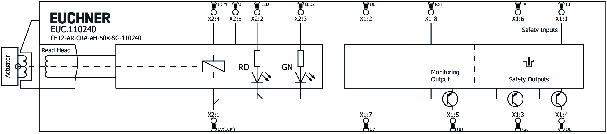
CET2-AR-CRA-AH-50X-SG-110240 (Sip. No. 110240)
Safety switch with guard locking CET-AR-..., RFID, plug connector(s) M12
- Open-circuit current principle
- Unicode
- Teach-in input J
- Monitoring output guard locking OUT
- 2 x plug connector(s) M12, 5-pin and 8-pin

Açıklama
Unicode evaluation
Each actuator is highly coded (unicode). The switch detects only taught-in actuators. Additional actuators can be taught-in.
Only the last actuator taught-in is detected.
Guard locking principle
Open-circuit current (power on to lock): On a guard with guard locking based on the open-circuit current principle, the guard is locked until the power supply to the guard locking solenoid is interrupted. Unlocking is by spring force. The term electrical guard locking is also used.
Safety characteristics
Thanks to two redundant safety outputs (semiconductor outputs) with internal monitoring, the device is suitable for:
- Category 4 /PL e according to EN 13849-1
- SIL 3 according to EN IEC 62061 Table 4
The OSSD outputs used check their function for short circuits and short circuits with test pulses.
LED indicator
LED STATE | Status LED |
DIA LED | Diagnostics LED |
LED 1 rd | freely configurable |
LED 2 gn | freely configurable |
Terminal assignment
Accessories required
Actuator is not included.
The safety switch can only be actuated in conjunction with the actuators provided for this purpose.
Dimensional drawings

Connection examples

Teknik Veriler
Approvals

Workspace
| Repeat accuracy R | 10 % |
Electrical connection values
| Fuse | |
| external (operating voltage UB) | 0.25 ... 8 A |
| external (operating voltage UCM) | 0.5 ... 8 A |
| Power consumption | |
| Solenoid | 11 W |
| Operating voltage DC | |
| UB | 24 V DC -15% ... +15% reverse polarity protected, regulated, residual ripple<5%, PELV |
| LED1, LED2 | 24 V DC -15% V DC ... +10% V DC |
| EMC protection requirements | Acc. to EN IEC 60947-5-3 |
| Utilization category | |
| DC-13 | 24V 200mA (Caution: outputs must be protected with a free-wheeling diode in case of inductive loads) |
| Solenoid operating voltage DC | |
| UCM | 24 V DC -15% ... +10% reverse polarity protected, regulated, residual ripple<5%, PELV |
| Solenoid duty cycle | 100 % |
| Risk time according to EN 60947-5-3 | max. 400 ms |
| Risk time according to EN 60947-5-3, extension for each additional device | max. 5 ms |
| Switching load | |
| according to UL | 24V DC, Class 2 (For alternatives, see operating instructions) |
| Safety class | III |
| Current consumption | |
| ICM | 450 mA |
| IB | 80 mA |
| Test pulse duration | max. 1 ms |
| Degree of contamination (external, according to EN 60947-1) | 3 |
| Teach-in input J | |
| Input voltage | |
| HIGH | 15 ... 27.6 V DC Teach-in input J |
| LOW | 0 ... 1 V DC Teach-in input J |
| Monitoring output OUT | |
| Output type | Semiconductor output, p-switching, short circuit-proof |
| Output voltage | |
| OUT | 0.8xUB ... UB V DC |
| Output current | |
| OUT | 1 ... 50 mA |
| Safety outputs OA / OB | |
| Output type | Semiconductor outputs, p-switching, short circuit-proof |
| Output voltage | |
| LOW U(OA,OB) | 0 ... 1 V DC |
| HIGH U(OA,OB) | UB-1.5V ... UB V DC (Values at a switching current of 50mA without taking into account the cable lengths) |
| Output current | |
| per safety output | 1 ... 200 mA |
| Discrepancy time | |
| both safety outputs | max. 10 ms |
| Turn-on time | |
| Safety outputs | 400 ms |
| Off-state current Ir | max. 0.25 mA |
Mechanical values and environment
| Anfahrgeschwindigkeit | max. 20 m/min |
| Connection type | 2 plug connectors M12, 5- and 8-pin |
| Ready delay | 10 s |
| Installation orientation | any |
| Switching frequency | max. 0.5 Hz |
| Degree of freedom X | ±5 mm |
| Degree of freedom Y | ±5 mm |
| Degree of freedom Z | ±4 mm |
| Storage temperature | -25 ... 70 °C |
| Mechanical life | 2 x 10⁶ |
| Shock and vibration resistance | Acc. to EN IEC 60947-5-3 |
| Degree of protection | IP67 (In the inserted and screwed tight state) |
| Ambient temperature | |
| at UB = 24 V DC | -20 ... 55 °C |
| Material | |
| Ramp | Stainless steel |
| Safety switch housing | Die-cast aluminum |
| Locking force Fmax | 6500 N |
| Locking force FZh | 5000 N |
| Guard locking principle | Open-circuit current principle |
Characteristic values according to EN ISO 13849-1 and EN IEC 62061
| PL | Maximum SIL | PFHD | Category | Mission time | |
|---|---|---|---|---|---|
| Guard lock monitoring | PL e | - | 3.1x10-9 | 4 | 20 y |
Miscellaneous
| Notices for UL approval | Operation only with UL Class 2 power supply or equivalent measures; see operating instructions |
Aksesuar

C-M12F05-05X034PU01,5-M12M05-159356
- M12 female plug to M12 plug connector, 5-pin
- Straight female plug and plug connector
- Connecting cable according to AIDA standard
- PUR cable, sheath color gray
- Cable length 1.5 m

C-M12F05-05X034PU01,5-M12M05-159363
- M12 female plug to M12 plug connector, 5-pin
- Straight female plug and plug connector
- Connecting cable according to AIDA standard
- PUR cable, sheath color yellow
- Cable length 1.5 m

C-M12F05-05X034PU10,0-M12M05-119947
- M12 female plug to M12 plug connector, 5-pin
- Straight female plug and plug connector
- PUR cable
- Cable length 10 m

C-M12F05-05X034PV10,0-M12M05-100181
- M12 female plug to M12 plug connector, 5-pin
- Straight female plug and plug connector
- PVC cable
- Cable length 10 m

C-M12F05-05X034PU10,0-M12M05-159360
- M12 female plug to M12 plug connector, 5-pin
- Straight female plug and plug connector
- Connecting cable according to AIDA standard
- PUR cable, sheath color gray
- Cable length 10 m

C-M12F05-05X034PU10,0-M12M05-159920
- M12 female plug to M12 plug connector, 5-pin
- Straight female plug and plug connector
- Connecting cable according to AIDA standard
- PUR cable, sheath color yellow
- Cable length 10 m

C-M12F05-05X034PU15,0-M12M05-159361
- M12 female plug to M12 plug connector, 5-pin
- Straight female plug and plug connector
- Connecting cable according to AIDA standard
- PUR cable, sheath color gray
- Cable length 15 m

C-M12F05-05X034PU15,0-M12M05-159921
- M12 female plug to M12 plug connector, 5-pin
- Straight female plug and plug connector
- Connecting cable according to AIDA standard
- PUR cable, sheath color yellow
- Cable length 15 m

C-M12F05-05X034PU01,0-M12M05-159355
- M12 female plug to M12 plug connector, 5-pin
- Straight female plug and plug connector
- Connecting cable according to AIDA standard
- PUR cable, sheath color gray
- Cable length 1 m

C-M12F05-05X034PU01,0-M12M05-159362
- M12 female plug to M12 plug connector, 5-pin
- Straight female plug and plug connector
- Connecting cable according to AIDA standard
- PUR cable, sheath color yellow
- Cable length 1 m

C-M12F05-05X034PU20,0-M12M05-119971
- M12 female plug to M12 plug connector, 5-pin
- Straight female plug and plug connector
- PUR cable
- Cable length 20 m

C-M12F05-05X034PV20,0-M12M05-100182
- M12 female plug to M12 plug connector, 5-pin
- Straight female plug and plug connector
- PVC cable
- Cable length 20 m

C-M12F05-05X034PU03,0-M12M05-159357
- M12 female plug to M12 plug connector, 5-pin
- Straight female plug and plug connector
- Connecting cable according to AIDA standard
- PUR cable, sheath color gray
- Cable length 3 m

C-M12F05-05X034PU03,0-M12M05-159364
- M12 female plug to M12 plug connector, 5-pin
- Straight female plug and plug connector
- Connecting cable according to AIDA standard
- PUR cable, sheath color yellow
- Cable length 3 m

C-M12F05-05X034PU05,0-M12M05-119932
- M12 female plug to M12 plug connector, 5-pin
- Straight female plug and plug connector
- PUR cable
- Cable length 5 m

C-M12F05-05X034PV05,0-M12M05-100180
- M12 female plug to M12 plug connector, 5-pin
- Straight female plug and plug connector
- PVC cable
- Cable length 5 m

C-M12F05-05X034PU05,0-M12M05-159358
- M12 female plug to M12 plug connector, 5-pin
- Straight female plug and plug connector
- Connecting cable according to AIDA standard
- PUR cable, sheath color gray
- Cable length 5 m

C-M12F05-05X034PU05,0-M12M05-159365
- M12 female plug to M12 plug connector, 5-pin
- Straight female plug and plug connector
- Connecting cable according to AIDA standard
- PUR cable, sheath color yellow
- Cable length 5 m

C-M12F05-05X034PU08,0-M12M05-159359
- M12 female plug to M12 plug connector, 5-pin
- Straight female plug and plug connector
- Connecting cable according to AIDA standard
- PUR cable, sheath color gray
- Cable length 8 m

C-M12F05-05X034PU08,0-M12M05-159919
- M12 female plug to M12 plug connector, 5-pin
- Straight female plug and plug connector
- Connecting cable according to AIDA standard
- PUR cable, sheath color yellow
- Cable length 8 m

C-M12F05-05X025PU10,0-M12M05-115565
- M12 female plug, 5-pin (angled) to M12 plug connector (straight)
- plug connectors at both ends
- PUR cable
- Cable length 10 m
- with cable exit A (right)

C-M12F05-05X025PU10,0-M12M05-115566
- M12 female plug, 5-pin (angled) to M12 plug connector (straight)
- plug connectors at both ends
- PUR cable
- Cable length 10 m
- with cable exit C (left)

AC-YD-V0,2-SBB-111696
- For the series connection of AR/BR safety switches in switch chains
- Y-distributor M12 with connecting cable, 2 x 5-pin, 1 x 8-pin
- Straight plug connector
- PVC cable
- Cable length 0.2 m

AC-YD-V1,0-SBB-112395
- For the series connection of AR/BR safety switches in switch chains
- Y-distributor M12 with connecting cable, 2 x 5-pin, 1 x 8-pin
- Straight plug connector
- PVC cable
- Cable length 1 m

AM-C-SW4-V3-161344
- Plastic inserts for hexagon socket screws a/f 4
- Efficient protection against tampering for safety switch mounting
- The packaging includes inserts for 18 screws

AM-C-SW5-V3-161348
- Plastic inserts for hexagon socket screws a/f 5
- Efficient protection against tampering for safety switch mounting
- The packaging includes inserts for 18 screws
İndirme
Komple paket
Tüm önemli belgeleri tek bir tıklama ile indirin.
İçerik:
- Kullanım talimatları ve kullanım talimatlarına veya kısa talimatlara yapılan tüm eklemeler
- Kullanım talimatlarını tamamlayan tüm veri sayfaları
- Uygunluk beyanı
Tek Belgeler
Diğer Belgeler
CAD Verileri
Sipariş verileri
| Sip. No. | 110240 |
| Makale adı | CET2-AR-CRA-AH-50X-SG-110240 |
| Ağırlık | 1,263kg |
| Gümrük sınıfı | 85365019000 |
| ECLASS | 27-27-24-05 Safety-related transponder switch with guardlocking |






























