RGBF06D12-502AM-M (Nº de pedido 087097)
Série RGBF...AM 12 mm mecânica
- Com membrana que se situa no exterior
- Distância do tucho 12 mm
- Forma construtiva da carcaça na vertical conforme DIN 43697
- Grau de proteção IP67 conforme IEC 60529

Descrição
Membrana que se situa no exterior
A membrana que se situa no exterior protege a condução do tucho contra a entrada de poeiras mais finas (pó de lixamento, fundição, de vidro, etc.), impedindo assim um emperramento do tucho. Simultaneamente, com esta versão AM pode ser impedida a colagem do tucho, provocada principalmente pelos lubrificantes para o arrefecimento com alto teor de resina, de maneira eficaz.
Elemento de comutação
ES 502 E | Elemento de comutação rápida 1 N/F + 1 N/A |


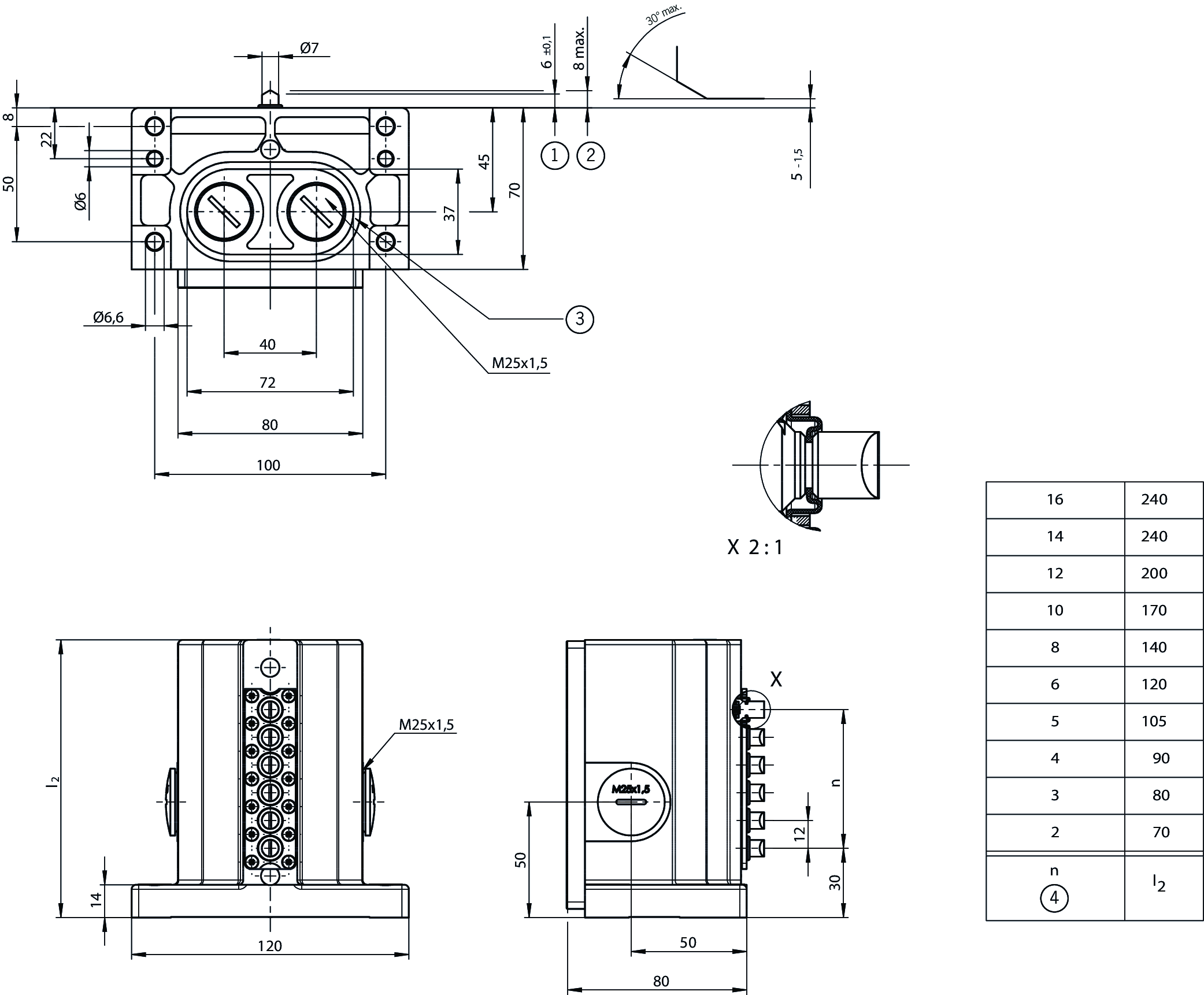
Desenhos dimensionais

| 1 | Ponto de comutação |
| 2 | Posição de repouso |
| 3 | Ranhura para o anel de vedação |
| 4 | Quantidade de tuchos |
Exemplos de conexão

Dados técnicos
Aprovações


Valores de conexão elétrica
| Hedging | max. 8 A gG |
| Seção transversal da conexão | 0.34 ... 1.5 mm² |
| Tensão nominal de isolamento Ui | 250 V |
| Tensão nominal de impulso Uimp | 2.5 kV |
| Categoria de uso | |
| AC-12 | 8 A 250 V |
| DC-13 | 6 A 24 V |
| AC-15 | 6 A 230 V |
| Corrente de comutação | |
| No mín. a CC 12 V | min. 10 mA |
| Corrente nominal térmica Ith | 8 A |
Valores mecânicos e ambiente
| Anfahrgeschwindigkeit | 0.01 ... 20 m/min |
| Tipo de conexão | |
| 4 x | M25 x 1,5 |
| Quantidade de contatos de abertura | 6 |
| Quantidade de elementos de comutação | 6 |
| Quantidade de contatos de trabalho | 6 |
| Forma construtiva | Na vertical, conforme DIN 43697 |
| Elemento de acionamento | Tucho de teto (Precisão do ponto de comutação ± 0,002. A precisão do ponto de comutação reprodutível refere-se ao curso axial do tucho e elemento de comutação ES 502 E submetido a aprox. 2000 ciclos de comutação.) |
| Força de acionamento | min. 20 N |
| Posição de montagem | qualquer |
| Temperatura de armazenamento | -25 ... 80 °C |
| Vida mecânica | 30 x 10⁶ |
| Princípio de troca | Elemento de comutação rápida (Tempo de fecho<4 ms de tempo de salto<3 ms) |
| Classe de proteção | IP67 |
| Distância do tucho | 12 mm |
| Temperatura ambiente | -5 ... 80 °C |
| Material | |
| Contato | Liga de prata, flash de ouro |
| Caixa | Fundição de alumínio anodizado |
Diversos
| Recurso adicional | (Membrana que se situa no exterior = AM A membrana que se situa no exterior protege adicionalmente a condução do tucho. A colagem do tucho, provocada principalmente pelos lubrificantes para o arrefecimento com alto teor de resina, pode ser impedida com esta versão AM.) |
Downloads
Pacote completo
Efetuar o download de todos os documentos importantes com um clique
Contém
- O manual de instruções e, eventualmente, o seu complemento ou as breves instruções
- Eventualmente as fichas técnicas como complemento do manual de instruções
- A declaração de conformidade
Documentos isolados
Outros documentos
CAD/eCAD
Dados de encomenda
| Nº de pedido | 087097 |
| Designação do artigo | RGBF06D12-502AM-M |
| Peso bruto | 1,03kg |
| Global Trade Item Number (GTIN) | 4047048002722 |
| Número da tarifa alfandegária | 85365019000 |
| ECLASS | 27-27-06-02 Multi-position switch |

