CES-AP-C01-CH-SA-100250 (Nº de pedido 100250)
Chave de segurança CES-AP-.-C01-…, RFID, conector de encaixe M12
- Multicode
- Saída de monitoração diagnóstico DIA
- Conector de encaixe M12, 8 pinos

Descrição
Sentido de aproximação e posição de montagem
1 superfície ativa, ajustável em 5 sentidos
Avaliação Multicode
O sistema verifica se o tipo do atuador pode ser reconhecido (avaliação multicode). O sistema possui um estágio de codificação mais baixo. Cada atuador adequado é identificado pela chave.
Valores característicos de segurança
Por meio de duas saídas de segurança estruturadas de modo redundante (saídas de semicondutores) com monitoração interna, o dispositivo é adequado para:
- Categoria 4 / PL e conforme EN 13849-1
- SIL 3 conforme EN IEC 62061 tabela 4
Verifique as saídas OSSD com impulsos de teste para assegurar que estejam funcionando e não haja curto-circuitos nem conexões incorretas.
Indicação de LED
STATE | LED de estado |
DIA | LED de diagnóstico |
Áreas de resposta típicas
Com o atuador CES-A-BBA e CES-A-BCA
A fim de não chegar à zona de resposta dos lóbulos laterais, no caso de sentido de aproximação lateral, deve ser mantida uma distância mínima do atuador e da chave de segurança de s = 4 mm.
Com o atuador CES-A-BPA
A fim de não chegar à zona de resposta dos lóbulos laterais, no caso de sentido de aproximação lateral, deve ser mantida uma distância mínima do atuador e da chave de segurança de s = 6 mm.
Atenção:
Dependendo do atuador, do material de base e da situação de montagem, a área de resposta pode variar. Você encontra outras áreas de resposta no manual de operação.
Conector de encaixe alinhado C01
Conector de encaixe ajustável em 6 alinhamentos.
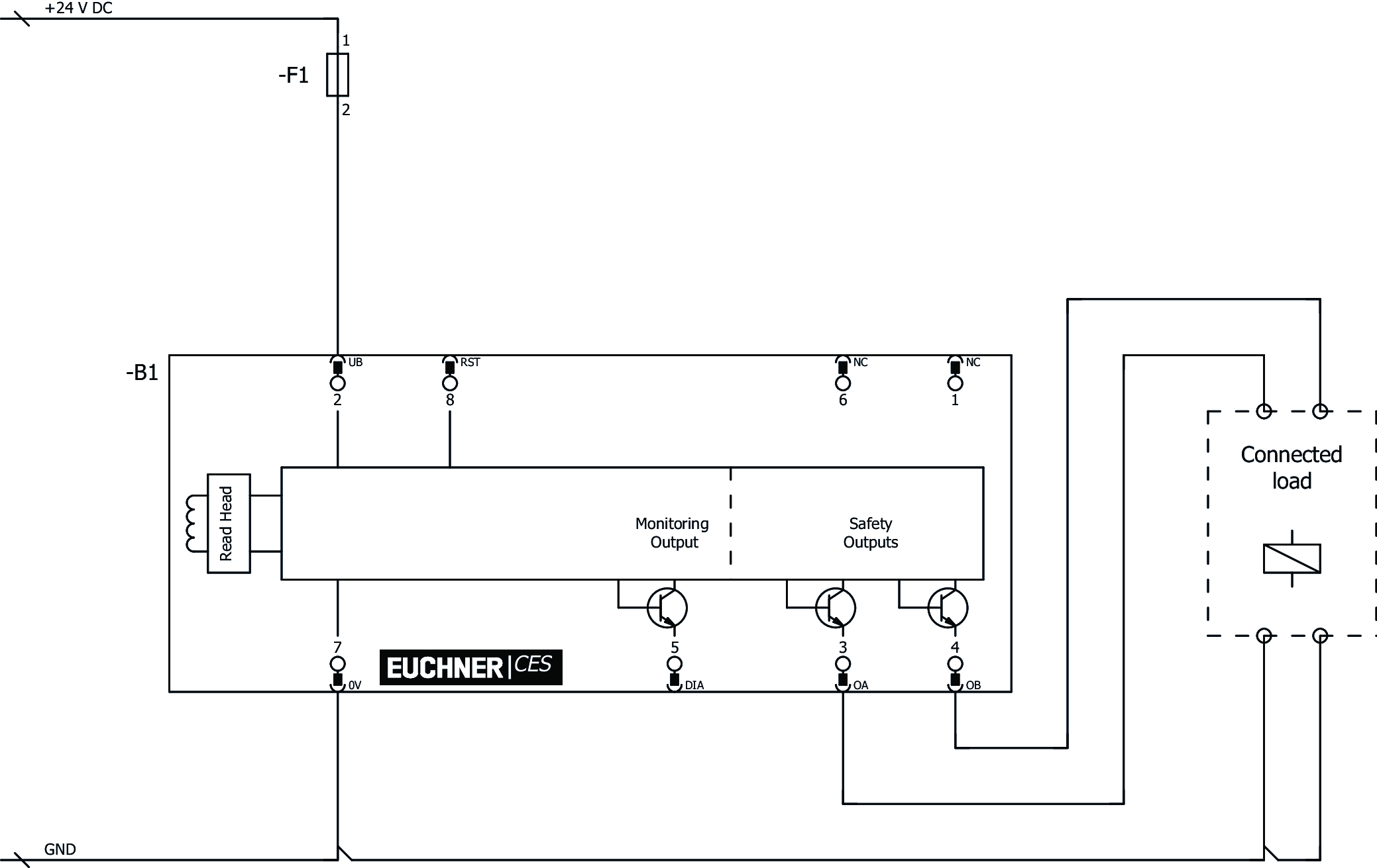
Diagrama de contatos
Acessórios necessários
O atuador não está incluído no fornecimento.


Desenhos dimensionais

Exemplos de conexão

Dados técnicos
Aprovações


Espaço de trabalho
| Precisão de repetição R | |
| conforme EN 60947-5-2 | 10 % |
Valores de conexão elétrica
| Hedging | |
| externo (tensão de serviço) | 0.25 ... 8 A |
| Tensão nominal de isolamento Ui | 75 V (Até 75 V, verificado por BG) |
| Tensão nominal de impulso Uimp | 1.5 kV |
| Tensão de operação CC | |
| UB | 24 V DC -15% ... +15% protegido contra polaridade reversa, regulado, ondulação restante<5%, PELV |
| Tempo de ligação | |
| Saídas de segurança | max. 400 ms |
| Requisitos de proteção CEM | de acordo com EN IEC 60947-5-3 |
| Tempo de risco conforme EN 60947-5-3 | max. 260 ms |
| Classe de proteção | III |
| Consumo de corrente | |
| Com as saídas sem carga | max. 50 mA |
| Grau de contaminação (externo, conforme EN 60947-1) | 3 |
| Saída de monitoração DIA | |
| Tipo de saída | comutando em p, seguro contra curto-circuito |
| Tensão de saída | 0.8 x UB ... UB V DC (Valores com uma corrente de comutação de 50mA não se considerando o comprimento do cabo.) |
| Corrente de comutação | max. 200 mA |
| Saídas de segurança OA / OB | |
| Tipo de saída | Saídas de semicondutor, comutando em p, protegido contra curto-circuito |
| Tensão de saída | |
| HIGH U(OA,OB) | UB-1.5 ... UB V DC (Valores com uma corrente de comutação de 50mA não se considerando o comprimento do cabo.) |
| LOW U(OA,OB) | 0 ... 1 V DC |
| Corrente de curto-circuito nominal condicional | 100 A |
| Tempo de discrepância | max. 10 ms |
| Categoria de uso | |
| DC-13 | 24 V 400mA (Cuidado: As saídas devem ser protegidas com um diodo de roda livre no caso de cargas indutivas.) |
| Corrente residual Ir | max. 0.25 mA |
| Corrente de comutação | |
| em cada saída de segurança | 1 ... 400 mA |
| Duração do pulso de teste | max. 0.4 ms |
Valores mecânicos e ambiente
| Tipo de conexão | Conector de encaixe M12, 8 pinos |
| Torque de aperto | |
| Parafusos de fixação | max. 1 Nm |
| Retardo de prontidão | 0.5 s |
| Posição de montagem | qualquer |
| Frequência de comutação | max. 1 Hz |
| Temperatura de armazenamento | -25 ... 70 °C |
| Distância de montagem | min. 40 mm |
| Resistência ao choque e a oscilação | de acordo com EN IEC 60947-5-3 |
| Classe de proteção | IP67 |
| Temperatura ambiente | -20 ... 55 °C |
| Material | |
| Caixa | Plástico, PBT |
Valores característicos de acordo com EN ISO 13849-1 e EN IEC 62061
| PL | SIL máximo | PFHD | Categoria | Duração de uso | |
|---|---|---|---|---|---|
| Monitorar a posição do dispositivo de proteção | PL e | - | 2.1x10-9 | 4 | 20 y |
Diversos
| Notas para aprovação UL | Operação somente com a alimentação de tensão UL-Class 2 ou medidas similares |
Em combinação com o atuador CES-A-BPA-098775
| Intervalo de ligação | 22 mm (Aplica-se para a montagem não nivelada sobre o alumínio Em ambiente sem metal a distância típica de comutação eleva-se para 30 mm) |
| Distância segura de desligamento sar | 58 mm |
| Distância de comutação segura sao | min. 18 mm |
| histerese de comutação | 1 ... 2 mm |
Em combinação com o atuador CES-A-BDA-18-156935
| Intervalo de ligação | 19 mm (com montagem não nivelada) |
| Distância segura de desligamento sar | 45 mm (com montagem não nivelada) |
| Distância de comutação segura sao | min. 10 mm (com montagem não nivelada) |
| histerese de comutação | 1 ... 3 mm (com montagem não nivelada) |
Em combinação com o atuador CES-A-BRN-100251
| Intervalo de ligação | 27 mm |
| Distância segura de desligamento sar | 75 mm |
| Distância de comutação segura sao | min. 20 mm (Os valores se aplicam para a montagem não nivelada do atuador sobre o aço.) |
| histerese de comutação | 3 mm (Os valores se aplicam para a montagem não nivelada do atuador sobre o aço.) |
Em combinação com o atuador CES-A-BBA-071840
| Intervalo de ligação | 18 mm |
| Distância segura de desligamento sar | 45 mm (com montagem não nivelada) |
| Distância de comutação segura sao | min. 15 mm (com montagem não nivelada) |
| histerese de comutação | 1 ... 3 mm (com montagem não nivelada) |
Acessórios

C-M12F08-08X025PU10,0-MA-115113
- Conector fêmea M12, 8 pinos
- Conector de encaixe reto
- Cabo PUR
- Comprimento do cabo 10 m
- Com extremidade aberta do cabo

C-M12F08-08X025PV10,0-MA-100178
- Conector fêmea M12, 8 pinos
- Conector de encaixe reto
- Cabo de PVC
- Comprimento do cabo 10 m
- Com extremidade aberta do cabo

C-M12F08-08X025PU20,0-MA-115114
- Conector fêmea M12, 8 pinos
- Conector de encaixe reto
- Cabo PUR
- Comprimento do cabo 20 m
- Com extremidade aberta do cabo

C-M12F08-08X025PV20,0-MA-100179
- Conector fêmea M12, 8 pinos
- Conector de encaixe reto
- Cabo de PVC
- Comprimento do cabo 20 m
- Com extremidade aberta do cabo

C-M12F08-08X025PU05,0-MA-115112
- Conector fêmea M12, 8 pinos
- Conector de encaixe reto
- Cabo PUR
- Comprimento do cabo 5 m
- Com extremidade aberta do cabo

C-M12F08-08X025PV05,0-MA-100177
- Conector fêmea M12, 8 pinos
- Conector de encaixe reto
- Cabo de PVC
- Comprimento do cabo 5 m
- Com extremidade aberta do cabo

C-M12F08-08X025PU10,0-MA-113188
- Conector fêmea M12, 8 pinos
- Conector de encaixe angular
- Saída do cabo A (à direita)
- Cabo PUR
- Comprimento do cabo 10 m
- Com extremidade aberta do cabo

C-M12F08-08X025PU10,0-MA-113189
- Conector fêmea M12, 8 pinos
- Conector de encaixe angular
- Saída do cabo C (à esquerda)
- Cabo PUR
- Comprimento do cabo 10 m
- Com extremidade aberta do cabo

C-M12F08-08X025PU20,0-MA-120998
- Conector fêmea M12, 8 pinos
- Conector de encaixe angular
- Saída do cabo A (à direita)
- Cabo PUR
- Comprimento do cabo 20 m
- Com extremidade aberta do cabo

C-M12F08-08X025PU20,0-MA-120999
- Conector fêmea M12, 8 pinos
- Conector de encaixe angular
- Saída do cabo C (à esquerda)
- Cabo PUR
- Comprimento do cabo 20 m
- Com extremidade aberta do cabo
Downloads
Pacote completo
Efetuar o download de todos os documentos importantes com um clique
Contém
- O manual de instruções e, eventualmente, o seu complemento ou as breves instruções
- Eventualmente as fichas técnicas como complemento do manual de instruções
- A declaração de conformidade
Documentos isolados
Outros documentos
Macros ePlan
CAD/eCAD
Dados de encomenda
| Nº de pedido | 100250 |
| Designação do artigo | CES-AP-C01-CH-SA-100250 |
| Peso bruto | 0,185kg |
| Número da tarifa alfandegária | 85365019000 |
| ECLASS | 27-27-24-03 Safety-related transponder switch |









