CET3-AR-CRA-CH-50X-SH-110104 (Nº de pedido 110104)
Chave de segurança com bloqueio CET-AR-..., RFID, conector de plugue M23 (RC18)
- Princípio da corrente de repouso
- Multicode
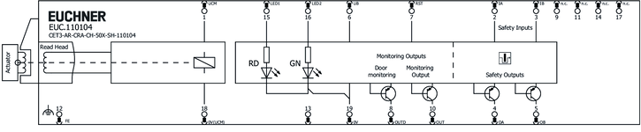
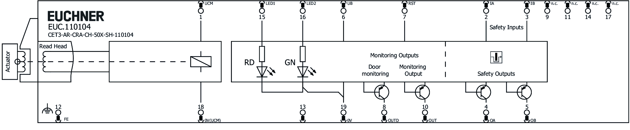
- Saída de sinalização da posição da porta OUT D
- Bloqueio de proteção da saída de monitoramento OUT
- Conector de plugue M23 (RC18), 19 pinos

Descrição
Princípio de bloqueio
Corrente de repouso (energia para desbloquear): Em um protetor com bloqueio conforme o princípio de circuito fechado, o protetor é bloqueado por força de mola até que o solenoide de bloqueio receba alimentação de corrente. O destravamento ocorre por força de solenoide. Esse bloqueio também é conhecido como bloqueio mecânico.
Avaliação Multicode
O sistema verifica se o tipo de atuador pode ser reconhecido pelo sistema (avaliação multicódigo). O sistema tem um nível de codificação baixo. Todo atuador adequado é reconhecido pela chave.
Características de segurança
Graças a duas saídas de segurança redundantes (saídas semicondutoras) com monitoramento interno, o dispositivo é adequado para
- Categoria 4 /PL e de acordo com a norma EN 13849-1
- SIL 3 de acordo com a norma EN IEC 62061 Tabela 4
As saídas OSSD usadas verificam sua função quanto a curtos-circuitos e circuitos cruzados com pulsos de teste.
Indicação de LED
ESTADO DO LED | LED de estado |
LED DIA | LED de diagnóstico |
LED 1 rd. | pode ser atribuído livremente |
LED 2 gn | pode ser atribuído livremente |
Diagrama de contatos
Acessórios necessários
O atuador não está incluído no fornecimento.
A chave de segurança só pode ser operada em conjunto com os atuadores fornecidos para esse fim.



Desenhos dimensionais

Exemplos de conexão

Dados técnicos
Aprovações

Espaço de trabalho
| Precisão de repetição R | 10 % |
Valores de conexão elétrica
| Hedging | |
| externo (tensão de serviço UB) | 0.25 ... 8 A |
| externo (tensão de serviço do solenóide UCM) | 0.5 ... 8 A |
| Cabo de conexão | |
| Solenóide | 11 W |
| Cabo de conexão observação (interno) | 30 V CC, 2 A (Para o requisito UL de UL Category-Code (CYJV2/CYJV8) ou (CYJV/CYJV7)) |
| Tensão de operação CC | |
| UB | 24 V DC -15% ... +15% protegido contra polaridade reversa, regulado, ondulação restante<5%, PELV |
| LED | 24 V DC -15% V DC ... +10% V DC |
| Requisitos de proteção CEM | de acordo com EN IEC 60947-5-3 |
| Categoria de uso | |
| DC-13 | 24 V 200mA (Cuidado: As saídas devem ser protegidas com um diodo de roda livre no caso de cargas indutivas) |
| Tensão operacional do solenóide CC | |
| UCM | 24 V DC -15% ... +10% protegido contra polaridade reversa, regulado, ondulação restante<5%, PELV |
| Duração de ligação do solenóide ED | 100 % |
| Tempo de risco conforme EN 60947-5-3 | max. 400 ms |
| Tempo de risco de acordo com a norma EN 60947-5-3, extensão para cada unidade adicional | max. 5 ms |
| Carga de comutação | |
| Conforme UL | 24 V CC, Class 2 (Consultar as alternativas no manual de operação) |
| Classe de proteção | III |
| Consumo de corrente | |
| IB | 80 mA |
| ICM | 450 mA |
| Duração do pulso de teste | max. 1 ms |
| Grau de contaminação (externo, conforme EN 60947-1) | 3 |
| Saída de monitoração OUT D | |
| Tipo de saída | comutando em p, seguro contra curto-circuito |
| Tensão de saída | |
| OUT D | 0.8xUB ... UB V DC |
| Corrente de comutação | |
| OUT D | 1 ... 50 mA |
| Retardo de comutação a partir da alteração de estado | max. 700 ms |
| Saída de monitoração OUT | |
| Tipo de saída | comutando em p, seguro contra curto-circuito |
| Tensão de saída | |
| OUT | 0.8xUB ... UB V DC |
| Corrente de comutação | |
| OUT | 1 ... 50 mA |
| Retardo de comutação a partir da alteração de estado | max. 400 ms |
| Saídas de segurança OA / OB | |
| Tipo de saída | 2 Saídas de semicondutor, comutando em p, protegidas contra curto-circuito |
| Tensão de saída | |
| HIGH U(OA,OB) | UB-1.5V ... UB V DC |
| LOW U(OA,OB) | 0 ... 1 V DC |
| Tempo de discrepância | |
| Ambas as saídas de segurança | max. 10 ms |
| Tempo de ligação | 400 ms |
| Corrente residual Ir | max. 0.25 mA |
| Corrente de comutação | |
| em cada saída de segurança OA / OB | 1 ... 200 mA |
Valores mecânicos e ambiente
| Anfahrgeschwindigkeit | max. 20 m/min |
| Tipo de conexão | 1 Conector de encaixe M23, 19 pinos, RC18 |
| Retardo de prontidão | 10 s |
| Posição de montagem | qualquer |
| Frequência de comutação | max. 0.5 Hz |
| Grau de liberdade X | ±5 mm |
| Grau de liberdade Y | ±5 mm |
| Grau de liberdade Z | ±4 mm |
| Temperatura de armazenamento | -25 ... 70 °C |
| Vida mecânica | 2 x 10⁶ |
| Resistência ao choque e a oscilação | de acordo com EN IEC 60947-5-3 |
| Classe de proteção | IP65/IP67 (Em estado encaixado e travado) |
| Temperatura ambiente | |
| com UB = 24V CC | -20 ... 55 °C |
| Material | |
| Carcaça da chave de segurança | Fundição de alumínio |
| Rampa | aço inoxidável |
| Força de bloqueio Fmax | 6500 N |
| Força de bloqueio FZh | 5000 N FZH = FMAX/1,3 |
| Princípio de bloqueio | Princípio da corrente de repouso |
Valores característicos de acordo com EN ISO 13849-1 e EN IEC 62061
| PL | SIL máximo | PFHD | Categoria | Duração de uso | |
|---|---|---|---|---|---|
| Monitoração do bloqueio | PL e | - | 3.1x10-9 | 4 | 20 y |
| PL | SIL máximo | Categoria | Duração de uso | |
|---|---|---|---|---|
| Ativação do bloqueio | Dependendo da ativação externa do bloqueio | 20 y | ||
Diversos
| Notas para aprovação UL | Operação somente com a alimentação de tensão UL-Class 2 ou medidas similares, consultar o manual de operação |
Acessórios

AM-C-SW4-V3-161344
- Inserções de plástico para os parafusos de sextavado interno de abertura da chave SW4
- Proteção eficiente contra a manipulação para a fixação das chaves de segurança
- Encontram-se anexadas à embalagem as inserções para 18 parafusos

AM-C-SW5-V3-161348
- Inserções de plástico para os parafusos de sextavado interno de abertura da chave SW5
- Proteção eficiente contra a manipulação para a fixação das chaves de segurança
- Encontram-se anexadas à embalagem as inserções para 18 parafusos
C-M23F19-19XDIFPU01,5-MA-092906
- Conector de encaixe M23, 18 pinos + PE
- Conector de encaixe angular
- Saída do cabo C (à esquerda)
- Cabo PUR
- Comprimento do cabo 1,5 m
- Com extremidade aberta do cabo
- Fios individuais codificados por cor
C-M23F19-19XDIFPU01,5-MA-092907
- Conector de encaixe M23, 18 pinos + PE
- Conector de encaixe angular
- Saída do cabo A (à direita)
- Cabo PUR
- Comprimento do cabo 1,5 m
- Com extremidade aberta do cabo
- Fios individuais codificados por cor
C-M23F19-19XDIFPU10,0-MA-092901
- Conector de encaixe M23, 18 pinos + PE
- Conector de encaixe angular
- Saída do cabo C (à esquerda)
- Cabo PUR
- Comprimento do cabo 10 m
- Com extremidade aberta do cabo
- Fios individuais codificados por cor
C-M23F19-19XDIFPU10,0-MA-092902
- Conector de encaixe M23, 18 pinos + PE
- Conector de encaixe angular
- Saída do cabo A (à direita)
- Cabo PUR
- Comprimento do cabo 10 m
- Com extremidade aberta do cabo
- Fios individuais codificados por cor
C-M23F19-19XDIFPU15,0-MA-077020
- Conector de encaixe M23, 18 pinos + PE
- Conector de encaixe angular
- Saída do cabo C (à esquerda)
- Cabo PUR
- Comprimento do cabo 15 m
- Com extremidade aberta do cabo
- Fios individuais codificados por cor
C-M23F19-19XDIFPU15,0-MA-085196
- Conector de encaixe M23, 18 pinos + PE
- Conector de encaixe angular
- Saída do cabo A (à direita)
- Cabo PUR
- Comprimento do cabo 15 m
- Com extremidade aberta do cabo
- Fios individuais codificados por cor
C-M23F19-19XDIFPU20,0-MA-092910
- Conector de encaixe M23, 18 pinos + PE
- Conector de encaixe angular
- Saída do cabo C (à esquerda)
- Cabo PUR
- Comprimento do cabo 20 m
- Com extremidade aberta do cabo
- Fios individuais codificados por cor
C-M23F19-19XDIFPU20,0-MA-092911
- Conector de encaixe M23, 18 pinos + PE
- Conector de encaixe angular
- Saída do cabo A (à direita)
- Cabo PUR
- Comprimento do cabo 20 m
- Com extremidade aberta do cabo
- Fios individuais codificados por cor
C-M23F19-19XDIFPU25,0-MA-092912
- Conector de encaixe M23, 18 pinos + PE
- Conector de encaixe angular
- Saída do cabo C (à esquerda)
- Cabo PUR
- Comprimento do cabo 25 m
- Com extremidade aberta do cabo
- Fios individuais codificados por cor
C-M23F19-19XDIFPU25,0-MA-092913
- Conector de encaixe M23, 18 pinos + PE
- Conector de encaixe angular
- Saída do cabo A (à direita)
- Cabo PUR
- Comprimento do cabo 25 m
- Com extremidade aberta do cabo
- Fios individuais codificados por cor
C-M23F19-19XDIFPU03,0-MA-092908
- Conector de encaixe M23, 18 pinos + PE
- Conector de encaixe angular
- Saída do cabo C (à esquerda)
- Cabo PUR
- Comprimento do cabo 3 m
- Com extremidade aberta do cabo
- Fios individuais codificados por cor
C-M23F19-19XDIFPU03,0-MA-092909
- Conector de encaixe M23, 18 pinos + PE
- Conector de encaixe angular
- Saída do cabo A (à direita)
- Cabo PUR
- Comprimento do cabo 3 m
- Com extremidade aberta do cabo
- Fios individuais codificados por cor
C-M23F19-19XDIFPU06,0-MA-077018
- Conector de encaixe M23, 18 pinos + PE
- Conector de encaixe angular
- Saída do cabo C (à esquerda)
- Cabo PUR
- Comprimento do cabo 6 m
- Com extremidade aberta do cabo
- Fios individuais codificados por cor
C-M23F19-19XDIFPU06,0-MA-085194
- Conector de encaixe M23, 18 pinos + PE
- Conector de encaixe angular
- Saída do cabo A (à direita)
- Cabo PUR
- Comprimento do cabo 6 m
- Com extremidade aberta do cabo
- Fios individuais codificados por cor
C-M23F19-19XDIFPU08,0-MA-077019
- Conector de encaixe RC18, 18 pinos + PE
- Conector de encaixe angular
- Saída do cabo C (à esquerda)
- Cabo PUR
- Comprimento do cabo 8 m
- Com extremidade aberta do cabo
- Fios individuais codificados por cor
C-M23F19-19XDIFPU08,0-MA-085195
- Conector de encaixe M23, 18 pinos + PE
- Conector de encaixe angular
- Saída do cabo A (à direita)
- Cabo PUR
- Comprimento do cabo 8 m
- Com extremidade aberta do cabo
- Fios individuais codificados por cor

RIEGEL CET-A-C
- Trinco para série de chaves CET
- Trinco de aço
- Para portas com batente à esquerda ou à direita
- Com batente da porta
- Adequado para uma folga de porta de aprox. 15 mm

RIEGEL CET-A-C-C2308
- Trinco para série de chaves CET
- Trinco de aço
- Para portas com batente à esquerda ou à direita
- Sem batente de porta
- Adequado para uma folga de porta de 15 mm
Downloads
Pacote completo
Efetuar o download de todos os documentos importantes com um clique
Contém
- O manual de instruções e, eventualmente, o seu complemento ou as breves instruções
- Eventualmente as fichas técnicas como complemento do manual de instruções
- A declaração de conformidade
Documentos isolados
Data sheet
Fiche technique
Ficha de datos
Datenblatt
数据表
データ シート
데이터 시트
Datový list
Data sheet
Fiche technique
Ficha de datos
Datenblatt
数据表
データ シート
데이터 시트
Datový list
Outros documentos
Macros ePlan
Dados de encomenda
| Nº de pedido | 110104 |
| Designação do artigo | CET3-AR-CRA-CH-50X-SH-110104 |
| Peso bruto | 1,295kg |
| Número da tarifa alfandegária | 85365019000 |
| ECLASS | 27-27-24-05 Safety-related transponder switch with guardlocking |





















