HomeProdutosChaves de segurança codificadas por transponder com bloqueioCEM-C60CEM-M2-C60-KZ-SE-163252
CEM-M2-C60-KZ-SE-163252 (Nº de pedido 163252)
Escolha o conteúdo
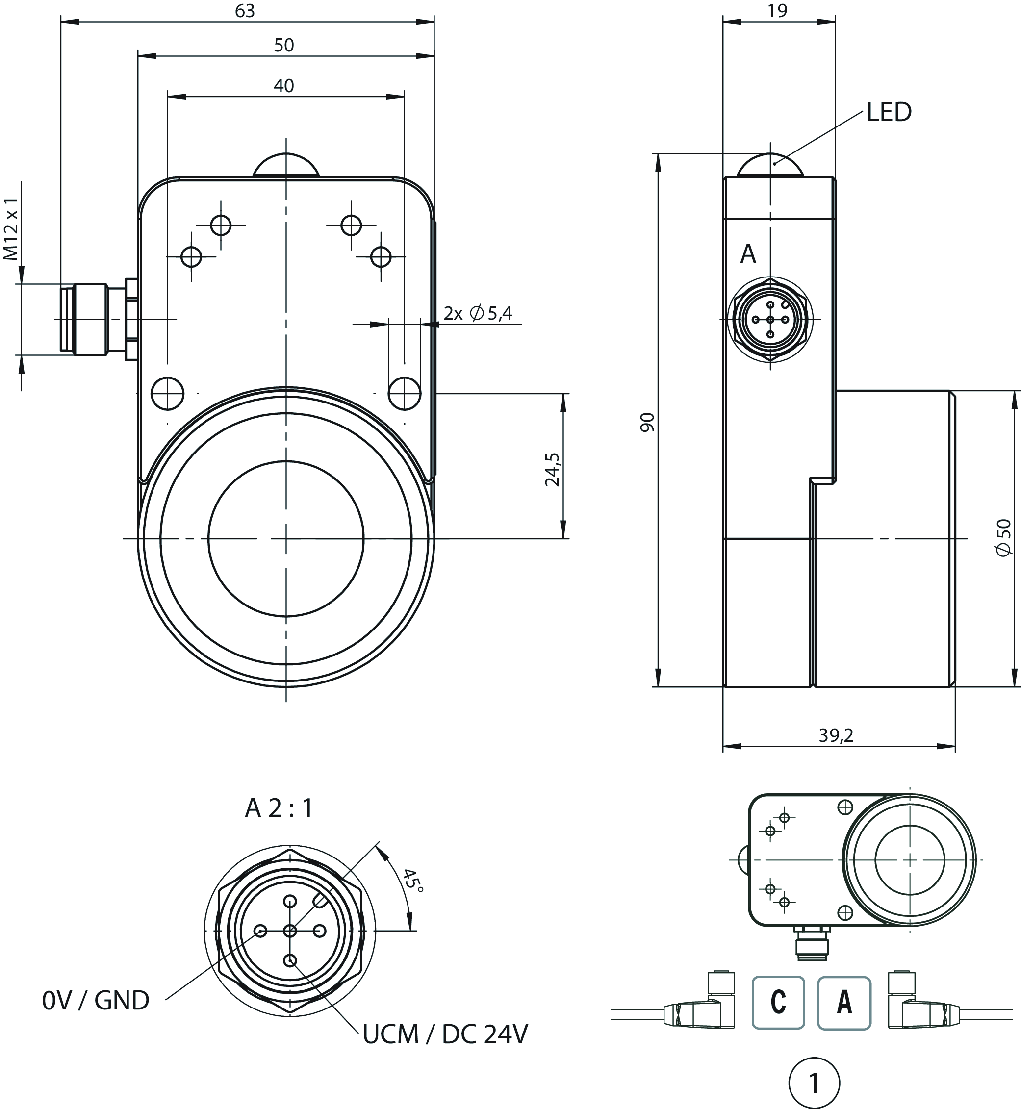
Bloqueio variável por solenóide CEM-C60 sem ímã permanente, conector de encaixe esquerdo
- Bloqueio por solenóide para a proteção do processo
- Força de bloqueio de 650 N (sem ímã permanente)
- Com remanência
- Ampliação da função para a chave de segurança CES-C04 / CES-C07
- Flexibilidade devido a uma ampla seleção de chaves de segurança
- O máximo nível de segurança PL e / categoria 4 para a identificação da posição da porta em combinação com CES-C04 / CES-C07
- A codificação por transponder possibilita uma elevada proteção contra manipulação
- Conexão simples do solenóide elétrico por meio do conector de encaixe M12, 5 pinos
- LED amarelo, para a indicação de tensão no solenóide
- Superfície do solenóide niquelada com elevada resistência à corrosão

Descrição
Desenhos dimensionais

| 1 | Na posição de montagem representada: Saída do cabo esquerda ou direita |
Exemplos de conexão

Exemplos de conexão

Dados técnicos
Aprovações

Espaço de trabalho
| Offset central | |
| Identificação do transponder (valor típico em temperatura ambiente) | 10 mm |
| Solenóide | 2.5 mm |
Valores de conexão elétrica
| Cabo de conexão | 2.4 W |
| Tensão de operação CC | |
| UCM | 24 V DC -15% ... +10% |
| Duração de ligação do solenóide ED | 100 % |
| Consumo de corrente | 100 mA |
Valores mecânicos e ambiente
| Tipo de conexão | M12, 5 pinos |
| Posição de montagem | qualquer |
| Força de aderência | |
| Pela remanescência | 10 N -25% ... +25% |
| Temperatura de armazenamento | -25 ... 70 °C |
| Vida mecânica | |
| No caso de utilização como batente da porta e 1 Joule de energia de impacto | 1 x 10⁶ |
| Classe de proteção | IP65/IP67 |
| Temperatura ambiente | -25 ... 50 °C |
| Material | |
| Caixa | Alumínio |
| Solenóide | Aço, niquelado |
| Força de bloqueio F | |
| (Não monitorado, no sentido axial) com UCM=24 V | 650 N |
| Princípio de bloqueio | Princípio do circuito aberto |
Em combinação cm a chave de segurança CES-I-AP-U-C04-USI-115150, CES-I-AP-U-C04-SK-115324, CES-I-AP-U-C04-USB-116502, CES-I-AP-U-C04-U05-116503, CES-I-AP-U-C04-U10-116504, CES-I-AP-U-C04-U20-116505, CES-I-AP-M-C04-USI-117323, CES-I-AP-M-C04-USB-117324, CES-I-AP-M-C04-SK-117325, CES-I-AP-M-C04-U05-117328, CES-I-AP-M-C04-U10-117329, CES-I-AP-M-C04-U20-117330, CES-I-AR-U-C04-SG-119469, CES-I-AR-U-C04-U05-119470, CES-I-AR-U-C04-U10-119471, CES-I-AR-U-C04-U20-119472, CES-I-AR-U-C04-USA-119473, CES-I-AR-M-C04-SG-119474, CES-I-AR-M-C04-U05-119475, CES-I-AR-M-C04-U10-119476, CES-I-AR-M-C04-U20-119477, CES-I-AR-M-C04-USA-119479, CES-I-AP-M-C04-USI-160832, CES-I-AR-F-C04-SG-161679, CES-I-AP-M-C04-USI-162592
| Distância segura de desligamento sar | 40 mm |
| Distância de comutação segura sao | |
| Com desvio do centro m=0 | min. 5 mm |
Em combinação com a chave de segurança CES-I-BP-M-C07-SB-160076, CES-I-BP-U-C07-SB-160080, CES-I-BR-U-C07-SA-157920, CES-I-BP-M-C07-SI-162813, CES-I-BP-U-C07-SI-162815, CES-I-BR-M-C07-SA-156233, CES-I-BR-S-C07-SA-165914
| Distância segura de desligamento sar | 17 mm |
| Distância de comutação segura sao | |
| Com desvio do centro m=0 | min. 2 mm |
Acessórios
Material de conexão
Cabo de conexão com conector de encaixe angular M12, 5 pinos, 10 m

113187
C-M12F05-05X025PU10,0-MA-113187
C-M12F05-05X025PU10,0-MA-113187
- Conector fêmea M12, 5 pinos
- Conector de encaixe angular
- Cabo PUR
- Comprimento do cabo 10 m
- Saída do cabo A (à direita)
- Com extremidade aberta do cabo

113190
C-M12F05-05X025PU10,0-MA-113190
C-M12F05-05X025PU10,0-MA-113190
- Conector fêmea M12, 5 pinos
- Conector de encaixe angular
- Cabo PUR
- Comprimento do cabo 10 m
- Saída do cabo C (à esquerda)
- Com extremidade aberta do cabo
Cabo de conexão com conector de encaixe reto M12, 5 pinos, 10 m

113640
C-M12F05-05X034PU10,0-MA-113640
C-M12F05-05X034PU10,0-MA-113640
- Conector fêmea M12, 5 pinos
- Conector de encaixe reto
- Cabo PUR
- Comprimento do cabo 10 m
- Com extremidade aberta do cabo

100184
C-M12F05-05X034PV10,0-MA-100184
C-M12F05-05X034PV10,0-MA-100184
- Conector fêmea M12, 5 pinos
- Conector de encaixe reto
- Cabo de PVC
- Comprimento do cabo 10 m
- Com extremidade aberta do cabo
Cabo de conexão com conector de encaixe reto M12, 5 pinos, 20 m

113682
C-M12F05-05X034PU20,0-MA-113682
C-M12F05-05X034PU20,0-MA-113682
- Conector fêmea M12, 5 pinos
- Conector de encaixe reto
- Cabo PUR
- Comprimento do cabo 20 m
- Com extremidade aberta do cabo

100185
C-M12F05-05X034PV20,0-MA-100185
C-M12F05-05X034PV20,0-MA-100185
- Conector fêmea M12, 5 pinos
- Conector de encaixe reto
- Cabo de PVC
- Comprimento do cabo 20 m
- Com extremidade aberta do cabo
Cabo de conexão com conector de encaixe reto M12, 5 pinos, 5 m

113620
C-M12F05-05X034PU05,0-MA-113620
C-M12F05-05X034PU05,0-MA-113620
- Conector fêmea M12, 5 pinos
- Conector de encaixe reto
- Cabo PUR
- Comprimento do cabo 5 m
- Com extremidade aberta do cabo

100183
C-M12F05-05X034PV05,0-MA-100183
C-M12F05-05X034PV05,0-MA-100183
- Conector fêmea M12, 5 pinos
- Conector de encaixe reto
- Cabo de PVC
- Comprimento do cabo 5 m
- Com extremidade aberta do cabo
Extensão M12 PUR 5 pinos, conector de encaixe em ambos os lados, 10 m

115565
C-M12F05-05X025PU10,0-M12M05-115565
C-M12F05-05X025PU10,0-M12M05-115565
- Conector fêmea M12, 5 pinos (angular) sobre o conector de encaixe M12 (reto)
- Conector de encaixe em ambos os lados
- Cabo PUR
- Comprimento do cabo 10 m
- Saída do cabo A (à direita)

115566
C-M12F05-05X025PU10,0-M12M05-115566
C-M12F05-05X025PU10,0-M12M05-115566
- Conector fêmea M12, 5 pinos (angular) sobre o conector de encaixe M12 (reto)
- Conector de encaixe em ambos os lados
- Cabo PUR
- Comprimento do cabo 10 m
- Saída do cabo C (à esquerda)
Downloads
Pacote completo
Efetuar o download de todos os documentos importantes com um clique
Contém
- O manual de instruções e, eventualmente, o seu complemento ou as breves instruções
- Eventualmente as fichas técnicas como complemento do manual de instruções
- A declaração de conformidade
Efetuar o download do pacote completo (ZIP, 0,9 MB)
Documentos isolados
Declarações de conformidade
EU-Konformitätserklärung
Nº do doc.
Versão
Idioma
Tamanho
EU-Konformitätserklärung
Nº do doc.
Versão
Idioma
Tamanho
0,1 MB
UKCA-Konformitätserklärung
Nº do doc.
Versão
Idioma
Tamanho
UKCA-Konformitätserklärung
Nº do doc.
EDC20001469
Versão
Idioma
Tamanho
0,1 MB
Outros documentos
Aprovações e certificados
WEEE
Nº do doc.
Versão
Idioma
Tamanho
WEEE
Nº do doc.
ECO20001806
Versão
Idioma
Tamanho
0,1 MB
c UL us
Nº do doc.
Versão
Idioma
Tamanho
c UL us
Nº do doc.
Versão
Idioma
Tamanho
0,3 MB
Documentos de venda
Transponder-coded safety systems - CEM with guard locking for process protection
Nº do doc.
Versão
Idioma
Tamanho
Transponder-coded safety systems - CEM with guard locking for process protection
Nº do doc.
136679
Versão
03-08/20
Idioma
Tamanho
4,2 MB
Systèmes de sécurité à codage par transpondeur CEM avec verrouillage pour la protection du process
Nº do doc.
136680
Versão
03-08/20
Idioma
Tamanho
3,8 MB
Sistemas de seguridad codificados por transponder CEM con bloqueo para la protección de procesos
Nº do doc.
136681
Versão
03-08/20
Idioma
Tamanho
2,1 MB
Transpondercodierte Sicherheitssysteme - CEM mit Zuhaltung für den Prozessschutz
Nº do doc.
129544
Versão
03-08/20
Idioma
Tamanho
4,2 MB
Sistemi di sicurezza con codifica a transponder CEM con meccanismo di ritenuta per la protezione del processo
Nº do doc.
168668
Versão
03-08/20
Idioma
Tamanho
9,0 MB
Macros ePlan
EUC.163252
Nº do doc.
Versão
Idioma
Tamanho
EUC.163252
Nº do doc.
Versão
Idioma
Tamanho
0,4 MB
CAD/eCAD
Dados de encomenda
| Nº de pedido | 163252 |
| Designação do artigo | CEM-M2-C60-KZ-SE-163252 |
| Peso bruto | 0,51kg |
| Número da tarifa alfandegária | 85389099990 |
| ECLASS | 27-27-24-05 Safety-related transponder switch with guardlocking |






