ZSM3100-103462 (Nº de pedido 103462)
ZSM, teclas + e -, chave de etapas
- Função de 3 estágios
- Teclas + e –
- Chave em etapas
- Cabo de conexão em espiral, 5 m

Descrição
Função de 3 estágios
Função enable somente no segundo estágio (posição central, ponto de pressão) ativo. Ao soltar ou pressionar (função pânico) a tecla até o fundo, o enable é revogado (dependendo do cabeamento, consultar a sequência de funcionamento).
Teclas + e –
Estas teclas podem ser atribuídas individualmente. Por exemplo, para deslocar os eixos no sentido positivo ou no negativo.
Chave em etapas
Dependendo da necessidade, as posições de engate ajustáveis podem ser utilizadas, por ex., para a seleção do eixo, da velocidade ou da área.
Cabo
Os cabos de conexão de alta qualidade podem ser adquiridos na versão em espiral.




Desenhos dimensionais

Exemplos de conexão

Exemplos de conexão

Exemplos de conexão

Dados técnicos
Aprovações


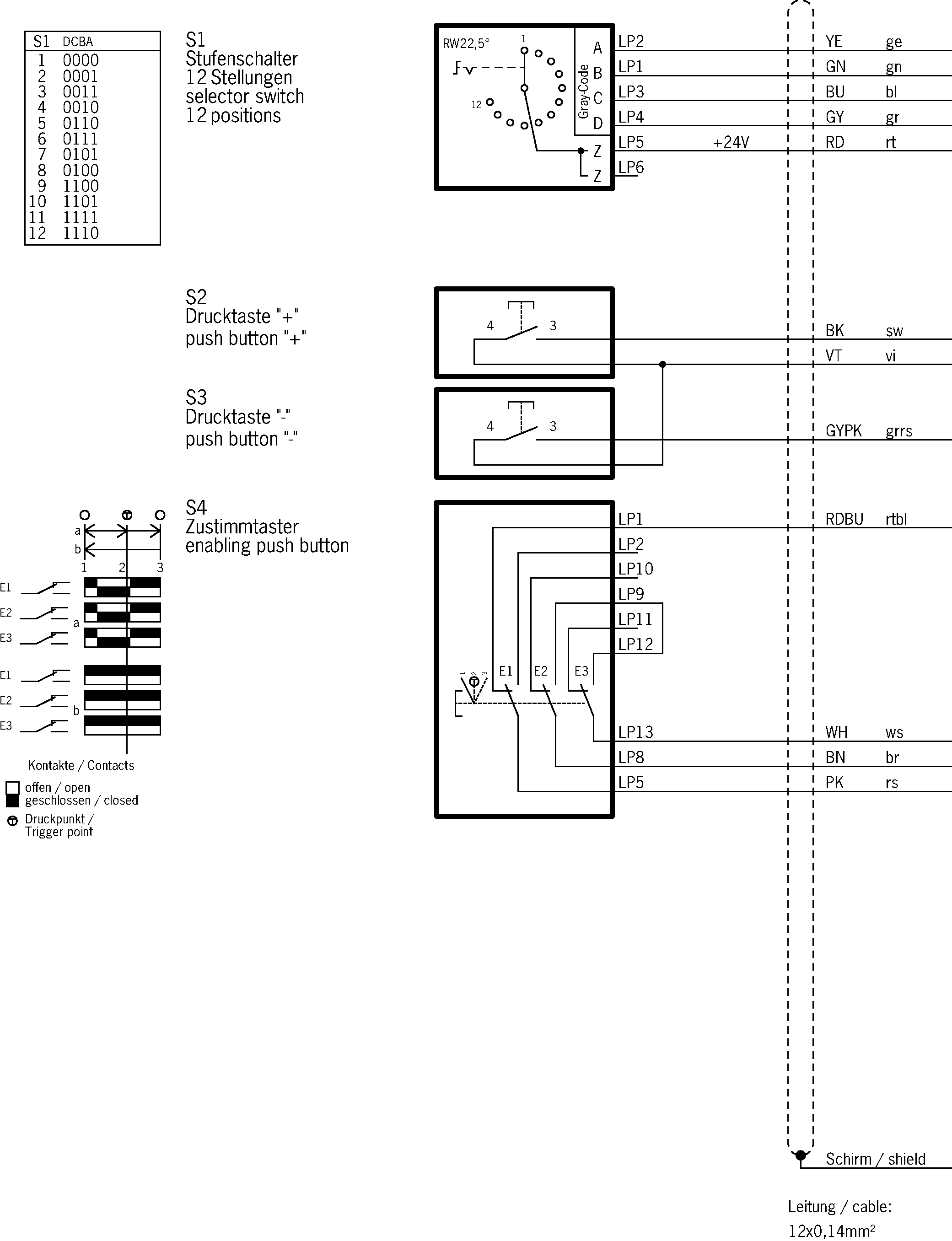
Elementos de operação e exibição
| Posição | Cor | Extras | Versão | Plaqueta de inserção | Placa de inserção | Elemento de comutação | Quantidade | Designação 1 | LED |
|---|---|---|---|---|---|---|---|---|---|
| Tecla de pressão - | 1 | ||||||||
| Chave de etapas com 12 posições | 1 | ||||||||
| Tecla de pressão + | 1 |
Valores de conexão elétrica
| Hedging | max. 2 A gG |
| Cabo de conexão observação (interno) | 12 x 0,14 mm² (blindado) |
| Corrente de curto-circuito nominal condicional | 100 A |
| Tensão nominal de isolamento Ui | 50 V |
| Tensão nominal de impulso Uimp | 0.5 kV |
| Categoria de uso | |
| DC-13 | 24 V 0,3A (Para os elementos de comando suplementares) |
| DC-13 | 30 V 0,1A (Na chave enable, cuidado: as saídas devem ser protegidas com um diodo de roda livre no caso de cargas indutivas) |
| Comportamento de comutação | Chave enable de 3 estágios |
| Grau de contaminação (externo, conforme EN 60947-1) | 3 |
Valores mecânicos e ambiente
| Tipo de conexão | Extremidade livre do cabo |
| Quantidade de comutadores | 3 (Interligação conforme o diagrama de blocos) |
| Temperatura de armazenamento | -25 ... 70 °C |
| Comprimento do cabo | |
| Em espiral | 5 m |
| Vida mecânica | 1 x 10⁶ |
| Princípio de troca | Chave de ação rápida |
| Classe de proteção | IP54 |
| Temperatura ambiente | -5 ... 60 °C |
| Material | PA, CR, TPE (Braço PAK) |
Valores característicos de acordo com EN ISO 13849-1 e EN IEC 62061
| B10D | Duração de uso | |
|---|---|---|
| Chave enable | 0.1x106 | 20 y |
Diversos
| Normas cumpridas | 60947-5-8 |
Acessórios
Downloads
Pacote completo
Efetuar o download de todos os documentos importantes com um clique
Contém
- O manual de instruções e, eventualmente, o seu complemento ou as breves instruções
- Eventualmente as fichas técnicas como complemento do manual de instruções
- A declaração de conformidade
Documentos isolados
Data sheet
Fiche technique
Ficha de datos
Datenblatt
数据表
データ シート
데이터 시트
Datový list
Data sheet
Fiche technique
Ficha de datos
Datenblatt
数据表
データ シート
데이터 시트
Datový list
Outros documentos
Macros ePlan
CAD/eCAD
Dados de encomenda
| Nº de pedido | 103462 |
| Designação do artigo | ZSM3100-103462 |
| Peso bruto | 1,009kg |
| Número da tarifa alfandegária | 85371098 |
| ECLASS | 27-37-12-38 Agreement switch |





