CET4-AP-CRA-AH-50X-SI-C2438-126763 (Nº de pedido 126763)
Chave de segurança com bloqueio CET-AP-..., RFID, conector de plugue M12, para conexão a sistemas periféricos descentralizados
- Princípio do circuito aberto
- Unicode
- Saída de sinalização da posição da porta OUT D
- 2 x conector de plugue M12, 5 pinos
- para conexão com sistemas periféricos descentralizados

Descrição
Conexão direta com sistemas periféricos descentralizados
A conexão por meio de conectores M12 é otimizada para conexão direta a módulos de E/S IP67, como o ET200pro e o ET200eco da SIEMENS, o MVK da MURR e o EP1957 da BECKHOFF.
Princípio de bloqueio
Corrente de operação (energia para bloquear): Em um protetor com bloqueio conforme o princípio de circuito aberto, o protetor é bloqueado até que a alimentação de corrente para o solenoide de bloqueio seja interrompida. O destravamento é efetuado por força de mola. Esse bloqueio também é conhecido como bloqueio elétrico.
Avaliação Unicode
Cada atuador é altamente codificado (Unicode). A chave identifica somente o atuador programado. Podem ser programados outros atuadores.
È identificado sempre apenas o último atuador programado.
Características de segurança
Graças a duas saídas de segurança redundantes (saídas semicondutoras) com monitoramento interno, o dispositivo é adequado para
- Categoria 4 /PL e de acordo com a norma EN 13849-1
- SIL 3 de acordo com a norma EN IEC 62061 Tabela 4
As saídas OSSD usadas verificam sua função quanto a curtos-circuitos e circuitos cruzados com pulsos de teste.
Indicação de LED
ESTADO DO LED | LED de estado |
LED DIA | LED de diagnóstico |
LED 1 rd. | Acende quando houver tensão no solenóide |
LED 2 gn | Acende quando a porta estiver fechada |
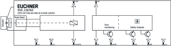
Diagrama de contatos
Acessórios necessários
O atuador não está incluído no fornecimento.
A chave de segurança só pode ser operada em conjunto com os atuadores fornecidos para esse fim.




Desenhos dimensionais

Exemplos de conexão

Exemplos de conexão

Dados técnicos
Aprovações

Espaço de trabalho
| Precisão de repetição R | 10 % |
Valores de conexão elétrica
| Hedging | |
| externo (tensão de serviço do solenóide UCM) | 0.5 ... 8 A |
| externo (tensão de serviço UB) | 0.25 ... 8 A |
| Cabo de conexão | |
| Solenóide | 11 W |
| Cabo de conexão observação (interno) | 30 V CC, 2 A (Para o requisito UL de UL Category-Code (CYJV/CYJV7)) |
| Tensão de operação CC | |
| LED | 24 V DC -15% V DC ... +10% V DC |
| UB | 24 V DC -15% ... +15% protegido contra polaridade reversa, regulado, ondulação restante<5%, PELV |
| Requisitos de proteção CEM | de acordo com EN IEC 60947-5-3 |
| Categoria de uso | |
| DC-13 | 24 V 200mA (Cuidado: As saídas devem ser protegidas com um diodo de roda livre no caso de cargas indutivas) |
| Tensão operacional do solenóide CC | |
| UCM | 24 V DC -15% ... +10% protegido contra polaridade reversa, regulado, ondulação restante<5%, PELV |
| Duração de ligação do solenóide ED | 100 % |
| Tempo de risco conforme EN 60947-5-3 | max. 400 ms |
| Carga de comutação | |
| Conforme UL | 24 V CC, Class 2 (Consultar as alternativas no manual de operação) |
| Classe de proteção | III |
| Consumo de corrente | |
| ICM | 450 mA |
| IB | 80 mA |
| Duração do pulso de teste | max. 0.3 ms (Válido para uma carga com C<= 30nF e R<= 20 kohms) |
| Grau de contaminação (externo, conforme EN 60947-1) | 3 |
| Saída de monitoração OUT D | |
| Tipo de saída | comutando em p, seguro contra curto-circuito |
| Tensão de saída | |
| OUT D | 0.8xUB ... UB V DC |
| Corrente de comutação | |
| OUT D | 1 ... 50 mA |
| Retardo de comutação a partir da alteração de estado | max. 700 ms |
| Saídas de segurança OA / OB | |
| Tipo de saída | 2 Saídas de semicondutor, comutando em p, protegidas contra curto-circuito |
| Tensão de saída | |
| LOW U(OA,OB) | 0 ... 1 V DC |
| HIGH U(OA,OB) | UB-1.5V ... UB V DC |
| Tempo de discrepância | |
| Ambas as saídas de segurança | max. 10 ms |
| Tempo de ligação | 400 ms |
| Corrente residual Ir | max. 0.25 mA |
| Corrente de comutação | |
| em cada saída de segurança OA / OB | 1 ... 200 mA |
Valores mecânicos e ambiente
| Anfahrgeschwindigkeit | max. 20 m/min |
| Tipo de conexão | 2 Conector M12, 5- pinos |
| Retardo de prontidão | 1 s |
| Posição de montagem | qualquer |
| Frequência de comutação | max. 0.5 Hz |
| Grau de liberdade X | ±5 mm |
| Grau de liberdade Y | ±5 mm |
| Grau de liberdade Z | ±4 mm |
| Temperatura de armazenamento | -25 ... 70 °C |
| Vida mecânica | 2 x 10⁶ |
| Resistência ao choque e a oscilação | de acordo com EN IEC 60947-5-3 |
| Classe de proteção | IP67 (Em estado encaixado e travado) |
| Temperatura ambiente | |
| com UB = 24V CC | -20 ... 55 °C |
| Material | |
| Rampa | aço inoxidável |
| Carcaça da chave de segurança | Fundição de alumínio |
| Força de bloqueio Fmax | 6500 N |
| Força de bloqueio FZh | 5000 N |
| Princípio de bloqueio | Princípio do circuito aberto |
Valores característicos de acordo com EN ISO 13849-1 e EN IEC 62061
| PL | SIL máximo | PFHD | Categoria | Duração de uso | |
|---|---|---|---|---|---|
| Monitoração do bloqueio | PL e | - | 3.1x10-9 | 4 | 20 y |
Diversos
| Notas para aprovação UL | Operação somente com a alimentação de tensão UL-Class 2 ou medidas similares, consultar o manual de operação |
Acessórios

AM-C-SW4-V3-161344
- Inserções de plástico para os parafusos de sextavado interno de abertura da chave SW4
- Proteção eficiente contra a manipulação para a fixação das chaves de segurança
- Encontram-se anexadas à embalagem as inserções para 18 parafusos

AM-C-SW5-V3-161348
- Inserções de plástico para os parafusos de sextavado interno de abertura da chave SW5
- Proteção eficiente contra a manipulação para a fixação das chaves de segurança
- Encontram-se anexadas à embalagem as inserções para 18 parafusos

C-M12F05-05X034PU01,5-M12M05-159356
- Conector fêmea M12 sobre o conector de encaixe M12, 5 pinos
- Conector fêmea e de encaixe reto
- Cabo de conexão de acordo com o padrão AIDA
- Cabo PUR, cor do invólucro cinza
- Comprimento do cabo 1,5 m

C-M12F05-05X034PU01,5-M12M05-159363
- Conector fêmea M12 sobre o conector de encaixe M12, 5 pinos
- Conector fêmea e de encaixe reto
- Cabo de conexão de acordo com o padrão AIDA
- Cabo PUR, cor do invólucro amarela
- Comprimento do cabo 1,5 m

C-M12F05-05X034PU10,0-M12M05-119947
- Conector fêmea M12 sobre o conector de encaixe M12, 5 pinos
- Conector fêmea e de encaixe reto
- Cabo PUR
- Comprimento do cabo 10 m

C-M12F05-05X034PV10,0-M12M05-100181
- Conector fêmea M12 sobre o conector de encaixe M12, 5 pinos
- Conector fêmea e de encaixe reto
- Cabo de PVC
- Comprimento do cabo 10 m

C-M12F05-05X034PU10,0-M12M05-159360
- Conector fêmea M12 sobre o conector de encaixe M12, 5 pinos
- Conector fêmea e de encaixe reto
- Cabo de conexão de acordo com o padrão AIDA
- Cabo PUR, cor do invólucro cinza
- Comprimento do cabo 10 m

C-M12F05-05X034PU10,0-M12M05-159920
- Conector fêmea M12 sobre o conector de encaixe M12, 5 pinos
- Conector fêmea e de encaixe reto
- Cabo de conexão de acordo com o padrão AIDA
- Cabo PUR, cor do invólucro amarela
- Comprimento do cabo 10 m

C-M12F05-05X034PU15,0-M12M05-159361
- Conector fêmea M12 sobre o conector de encaixe M12, 5 pinos
- Conector fêmea e de encaixe reto
- Cabo de conexão de acordo com o padrão AIDA
- Cabo PUR, cor do invólucro cinza
- Comprimento do cabo 15 m

C-M12F05-05X034PU15,0-M12M05-159921
- Conector fêmea M12 sobre o conector de encaixe M12, 5 pinos
- Conector fêmea e de encaixe reto
- Cabo de conexão de acordo com o padrão AIDA
- Cabo PUR, cor do invólucro amarela
- Comprimento do cabo 15 m

C-M12F05-05X034PU01,0-M12M05-159355
- Conector fêmea M12 sobre o conector de encaixe M12, 5 pinos
- Conector fêmea e de encaixe reto
- Cabo de conexão de acordo com o padrão AIDA
- Cabo PUR, cor do invólucro cinza
- Comprimento do cabo 1 m

C-M12F05-05X034PU01,0-M12M05-159362
- Conector fêmea M12 sobre o conector de encaixe M12, 5 pinos
- Conector fêmea e de encaixe reto
- Cabo de conexão de acordo com o padrão AIDA
- Cabo PUR, cor do invólucro amarela
- Comprimento do cabo 1 m

C-M12F05-05X034PU20,0-M12M05-119971
- Conector fêmea M12 sobre o conector de encaixe M12, 5 pinos
- Conector fêmea e de encaixe reto
- Cabo PUR
- Comprimento do cabo 20 m

C-M12F05-05X034PV20,0-M12M05-100182
- Conector fêmea M12 sobre o conector de encaixe M12, 5 pinos
- Conector fêmea e de encaixe reto
- Cabo de PVC
- Comprimento do cabo 20 m

C-M12F05-05X034PU03,0-M12M05-159357
- Conector fêmea M12 sobre o conector de encaixe M12, 5 pinos
- Conector fêmea e de encaixe reto
- Cabo de conexão de acordo com o padrão AIDA
- Cabo PUR, cor do invólucro cinza
- Comprimento do cabo 3 m

C-M12F05-05X034PU03,0-M12M05-159364
- Conector fêmea M12 sobre o conector de encaixe M12, 5 pinos
- Conector fêmea e de encaixe reto
- Cabo de conexão de acordo com o padrão AIDA
- Cabo PUR, cor do invólucro amarela
- Comprimento do cabo 3 m

C-M12F05-05X034PU05,0-M12M05-119932
- Conector fêmea M12 sobre o conector de encaixe M12, 5 pinos
- Conector fêmea e de encaixe reto
- Cabo PUR
- Comprimento do cabo 5 m

C-M12F05-05X034PV05,0-M12M05-100180
- Conector fêmea M12 sobre o conector de encaixe M12, 5 pinos
- Conector fêmea e de encaixe reto
- Cabo de PVC
- Comprimento do cabo 5 m

C-M12F05-05X034PU05,0-M12M05-159358
- Conector fêmea M12 sobre o conector de encaixe M12, 5 pinos
- Conector fêmea e de encaixe reto
- Cabo de conexão de acordo com o padrão AIDA
- Cabo PUR, cor do invólucro cinza
- Comprimento do cabo 5 m

C-M12F05-05X034PU05,0-M12M05-159365
- Conector fêmea M12 sobre o conector de encaixe M12, 5 pinos
- Conector fêmea e de encaixe reto
- Cabo de conexão de acordo com o padrão AIDA
- Cabo PUR, cor do invólucro amarela
- Comprimento do cabo 5 m

C-M12F05-05X034PU08,0-M12M05-159359
- Conector fêmea M12 sobre o conector de encaixe M12, 5 pinos
- Conector fêmea e de encaixe reto
- Cabo de conexão de acordo com o padrão AIDA
- Cabo PUR, cor do invólucro cinza
- Comprimento do cabo 8 m

C-M12F05-05X034PU08,0-M12M05-159919
- Conector fêmea M12 sobre o conector de encaixe M12, 5 pinos
- Conector fêmea e de encaixe reto
- Cabo de conexão de acordo com o padrão AIDA
- Cabo PUR, cor do invólucro amarela
- Comprimento do cabo 8 m

C-M12F05-05X025PU10,0-MA-113187
- Conector fêmea M12, 5 pinos
- Conector de encaixe angular
- Cabo PUR
- Comprimento do cabo 10 m
- Saída do cabo A (à direita)
- Com extremidade aberta do cabo

C-M12F05-05X025PU10,0-MA-113190
- Conector fêmea M12, 5 pinos
- Conector de encaixe angular
- Cabo PUR
- Comprimento do cabo 10 m
- Saída do cabo C (à esquerda)
- Com extremidade aberta do cabo

C-M12F05-05X034PU10,0-MA-113640
- Conector fêmea M12, 5 pinos
- Conector de encaixe reto
- Cabo PUR
- Comprimento do cabo 10 m
- Com extremidade aberta do cabo

C-M12F05-05X034PV10,0-MA-100184
- Conector fêmea M12, 5 pinos
- Conector de encaixe reto
- Cabo de PVC
- Comprimento do cabo 10 m
- Com extremidade aberta do cabo

C-M12F05-05X034PU20,0-MA-113682
- Conector fêmea M12, 5 pinos
- Conector de encaixe reto
- Cabo PUR
- Comprimento do cabo 20 m
- Com extremidade aberta do cabo

C-M12F05-05X034PV20,0-MA-100185
- Conector fêmea M12, 5 pinos
- Conector de encaixe reto
- Cabo de PVC
- Comprimento do cabo 20 m
- Com extremidade aberta do cabo

C-M12F05-05X034PU05,0-MA-113620
- Conector fêmea M12, 5 pinos
- Conector de encaixe reto
- Cabo PUR
- Comprimento do cabo 5 m
- Com extremidade aberta do cabo

C-M12F05-05X034PV05,0-MA-100183
- Conector fêmea M12, 5 pinos
- Conector de encaixe reto
- Cabo de PVC
- Comprimento do cabo 5 m
- Com extremidade aberta do cabo

C-M12F05-05X025PU10,0-M12M05-115565
- Conector fêmea M12, 5 pinos (angular) sobre o conector de encaixe M12 (reto)
- Conector de encaixe em ambos os lados
- Cabo PUR
- Comprimento do cabo 10 m
- Saída do cabo A (à direita)

C-M12F05-05X025PU10,0-M12M05-115566
- Conector fêmea M12, 5 pinos (angular) sobre o conector de encaixe M12 (reto)
- Conector de encaixe em ambos os lados
- Cabo PUR
- Comprimento do cabo 10 m
- Saída do cabo C (à esquerda)

RIEGEL CET-A-C
- Trinco para série de chaves CET
- Trinco de aço
- Para portas com batente à esquerda ou à direita
- Com batente da porta
- Adequado para uma folga de porta de aprox. 15 mm

RIEGEL CET-A-C-C2308
- Trinco para série de chaves CET
- Trinco de aço
- Para portas com batente à esquerda ou à direita
- Sem batente de porta
- Adequado para uma folga de porta de 15 mm
Downloads
Pacote completo
Efetuar o download de todos os documentos importantes com um clique
Contém
- O manual de instruções e, eventualmente, o seu complemento ou as breves instruções
- Eventualmente as fichas técnicas como complemento do manual de instruções
- A declaração de conformidade
Documentos isolados
Data sheet
Fiche technique
Ficha de datos
Datenblatt
数据表
データ シート
데이터 시트
Datový list
Data sheet
Fiche technique
Ficha de datos
Datenblatt
数据表
データ シート
데이터 시트
Datový list
Outros documentos
Macros ePlan
CAD/eCAD
Dados de encomenda
| Nº de pedido | 126763 |
| Designação do artigo | CET4-AP-CRA-AH-50X-SI-C2438-126763 |
| Peso bruto | 1,264kg |
| Número da tarifa alfandegária | 85365019000 |
| ECLASS | 27-27-24-05 Safety-related transponder switch with guardlocking |






















