AM-C-125503 (Nº de pedido 125503)
Escolha o conteúdo
Cobertura para o atuador CET
- Cobertura para o atuador CET
- Possibilidade de fixação horizontal e vertical no aturador
- Fixação com 4 parafusos M6x16 (não contidos no escopo de fornecimento)
- Adequado para a combinação com o adaptador de bloqueio para o atuador CET, AE-L-CET-156429

Descrição
Possibilidades de combinação
A cobertura pode ser combinada com os seguintes adaptadores de bloqueio:
- Adaptador de bloqueio AE-SET-LCHN-A1-155865 e suporte para atuador CET
- Adaptador de bloqueio AE-L-CET-156429 para atuador CET
Com a cobertura CET, uma manipulação na CET é evitada de forma eficaz. A cobertura impede o pressionamento manual para cima do pino de bloqueio apoiado na mola (no atuador) com as ferramentas simples.
A cobertura não é adequada para a combinação com o adaptador de bloqueio para o atuador AE-L-CET-122609

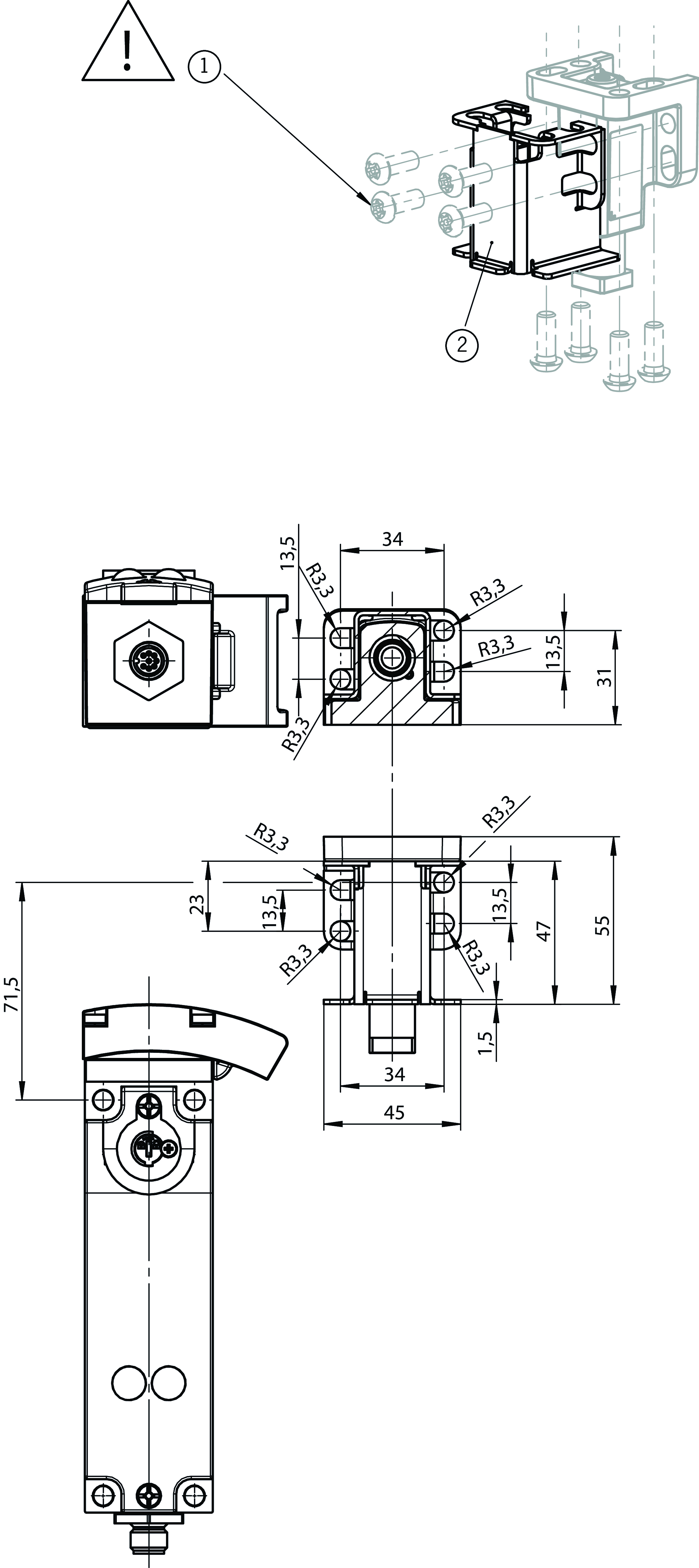
Desenhos dimensionais

| 1 | Usar parafusos de segurança M6x16 com diâmetro da cabeça máximo Ø 10,5 mm |
| 2 | A cobertura é montada com os parafusos de fixação do atuador |
Dados técnicos
Valores mecânicos e ambiente
| Temperatura de armazenamento | -25 ... 70 °C |
| Material | 1.4301 / Niro |
Componentes incluídos no conjunto
| Acessórios inclusos | COBERTURA CET |
Acessórios
Downloads
Pacote completo
Efetuar o download de todos os documentos importantes com um clique
Contém
- O manual de instruções e, eventualmente, o seu complemento ou as breves instruções
- Eventualmente as fichas técnicas como complemento do manual de instruções
- A declaração de conformidade
Efetuar o download do pacote completo (ZIP, 0,1 MB)
Dados de encomenda
| Nº de pedido | 125503 |
| Designação do artigo | AM-C-125503 |
| Peso bruto | 0,056kg |
| Número da tarifa alfandegária | 85389099990 |

