EKS-A-IUX-G30-STBM (주문 번호 157195)
콘텐츠 선택
USB 인터페이스 FHC가 있는 전자식 키 어댑터
- 하우징 G30에 USB 인터페이스가 있는 미니 전자식 키 어댑터
- 읽기/쓰기 시스템
- USB 인터페이스를 통한 전원 공급
- 미니 B 타입 소켓 연결부
- 하나의 하우징 내에 장착된 전자식 키 어댑터와 전자장치
- 공정을 위해 데이터를 전자식 키에서 제어 시스템으로 전송합니다
- PC와 연결
- 가상 직렬 COM 포트
- 레벨이 가장 낮은 공개된 통신 명령
- 3964R 프로토콜
- Windows®에서 ActiveX® 모듈을 통해 사용자 소프트웨어에 연결 가능
- 전자식 키는 전면에 끼우거나 제자리에 있도록 할 수 있습니다.
- 공간이 좁은 곳에 설치하는 데 적합한 소형 디자인
- 낮은 설치 깊이
- Ø 22.5mm의 표준 조립 구멍에 설치
- 위생 구역에서 사용할 있는 밀폐된 디자인, 둥근 외형
- 매체에 대한 내성이 강한 플라스틱제
- 상당히 거친 환경에서 사용할 수 있는 상당히 견고한 하우징
- 보호 등급: IP65/IP67/IP69K (설치됨)
- LED 인디케이터

설명

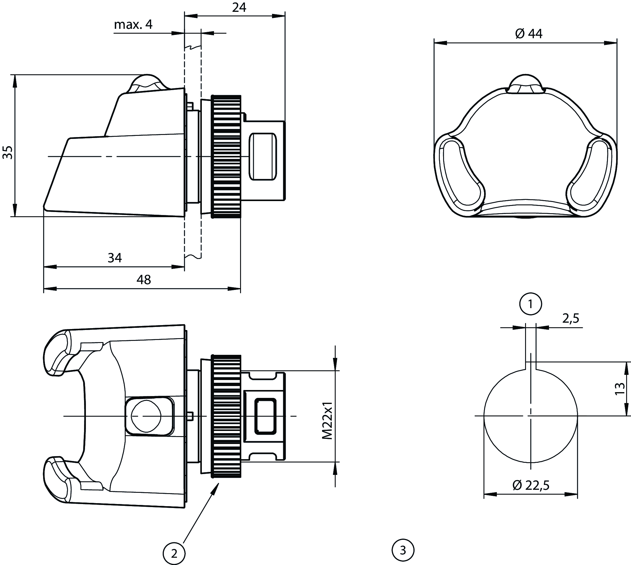
치수 도면

| 1 | 패널 컷아웃 |
| 2 | 고정 공구 |
| 3 | 참고: 조립, 연결 및 안전 지침에 대해서는 |
| 전자식 키 어댑터 매뉴얼(주문 번호 2094485) 참조 |
기술 자료
승인


작동 및 디스플레이 요소
| LED 디스플레이 | |
| yellow | 작동 범위 내의 키 |
| green | 작동 중 |
전기 연결 값
| 전원장치 | USB를 통해 |
| 전류 소비 | |
| IB | max. 100 mA |
기계적 가치 및 환경
| 설치 방향 | 전면에서 |
| 보관 온도 | -25 ... 70 °C |
| 마운팅 컷 아웃 | D22 (EN IEC 60947-5-1) |
| 보호 등급 | |
| 장착된 상태에서(접근 측면만) | IP65/IP67/IP69K |
| 주변 온도 | -20 ... 70 °C (최고 100 °C까지의 온도도 최대 3분 동안 가능합니다. 예를 들어, 청소 작업을 위해.) |
| 재질 | |
| 하우징 | PVDF GF20, 회색 |
| USB 인터페이스 | |
| 연결 유형 | USB 타입 미니-B 소켓 |
| 케이블 길이 | max. 3 m USB |
인터페이스
| USB 인터페이스 | |
| 데이터 프로토콜 | 3964R, USB에 의해 |
| 데이터 전송률 | 9.6 kbit/s |
| 인터페이스 | |
| PC까지 | USB Full Speed(모든 USB 버전과 호환 가능) |
부속품
전자식 키
전자식 키 읽기/쓰기

084735
EKS-A-K1BKWT32-EU
EKS-A-K1BKWT32-EU
- 메모리 116바이트 E²PROM(프로그래밍 가능) + 8바이트 ROM(시리얼 번호)

091045
EKS-A-K1BUWT32-EU
EKS-A-K1BUWT32-EU
- 메모리 116바이트 E²PROM(프로그래밍 가능) + 8바이트 ROM(시리얼 번호)

094839
EKS-A-K1GNWT32-EU
EKS-A-K1GNWT32-EU
- 메모리 116바이트 E²PROM(프로그래밍 가능) + 8바이트 ROM(시리얼 번호)

123098
EKS-A-K1OGWT32-EU
EKS-A-K1OGWT32-EU
- 메모리 116바이트 E²PROM(프로그래밍 가능) + 8바이트 ROM(시리얼 번호)

077859
EKS-A-K1RDWT32-EU
EKS-A-K1RDWT32-EU
- 메모리 116바이트 E²PROM(프로그래밍 가능) + 8바이트 ROM(시리얼 번호)

123097
EKS-A-K1WHWT32-EU
EKS-A-K1WHWT32-EU
- 메모리 116바이트 E²PROM(프로그래밍 가능) + 8바이트 ROM(시리얼 번호)

094840
EKS-A-K1YEWT32-EU
EKS-A-K1YEWT32-EU
- 메모리 116바이트 E²PROM(프로그래밍 가능) + 8바이트 ROM(시리얼 번호)
다운로드
컴플리트 패키지
단 한번 클릭하여 중요한 모든 문서 다운로드.
내용물:
- 사용 설명서와 사용 설명서에 대한 보충 사항 또는 요약 설명서
- 사용 설명서를 보완하는 데이터 시트
- 적합성 선언
컴플리트 패키지 다운로드 (ZIP, 5,4 MB)
단일 문서
지침
Electronic-Key-System Manual Electronic-Key Adapter EKS and EKS FSA with USB Interface
문서 번호
버전
언어
크기
Electronic-Key-System Manual Electronic-Key Adapter EKS and EKS FSA with USB Interface
문서 번호
2094485
버전
04/26
언어
크기
1,7 MB
Electronic-Key-System Handbuch Schlüsselaufnahme EKS und EKS FSA mit USB-Schnittstelle
문서 번호
2094485
버전
04/26
언어
크기
1,6 MB
Electronic-Key-System Příručka Klíčový adaptér EKS a EKS FSA s rozhraním USB
문서 번호
2094485
버전
04/26
언어
크기
2,0 MB
기타 다른 문서
승인 및 인증서
WEEE
문서 번호
버전
언어
크기
WEEE
문서 번호
ECO20001806
버전
언어
크기
0,1 MB
c UL us
문서 번호
버전
언어
크기
c UL us
문서 번호
버전
언어
크기
1,8 MB
ePlan 매크로
EUC.157195
문서 번호
버전
언어
크기
EUC.157195
문서 번호
버전
언어
크기
0,1 MB
CAD/eCAD
주문 데이터
| 주문 번호 | 157195 |
| 품목 명칭 | EKS-A-IUX-G30-STBM |
| 총중량 | 0,074kg |
| 세관품목분류번호 | 85364900 |
| ECLASS | 27-39-90-90 Property, access monitor (other, unspecified) |









