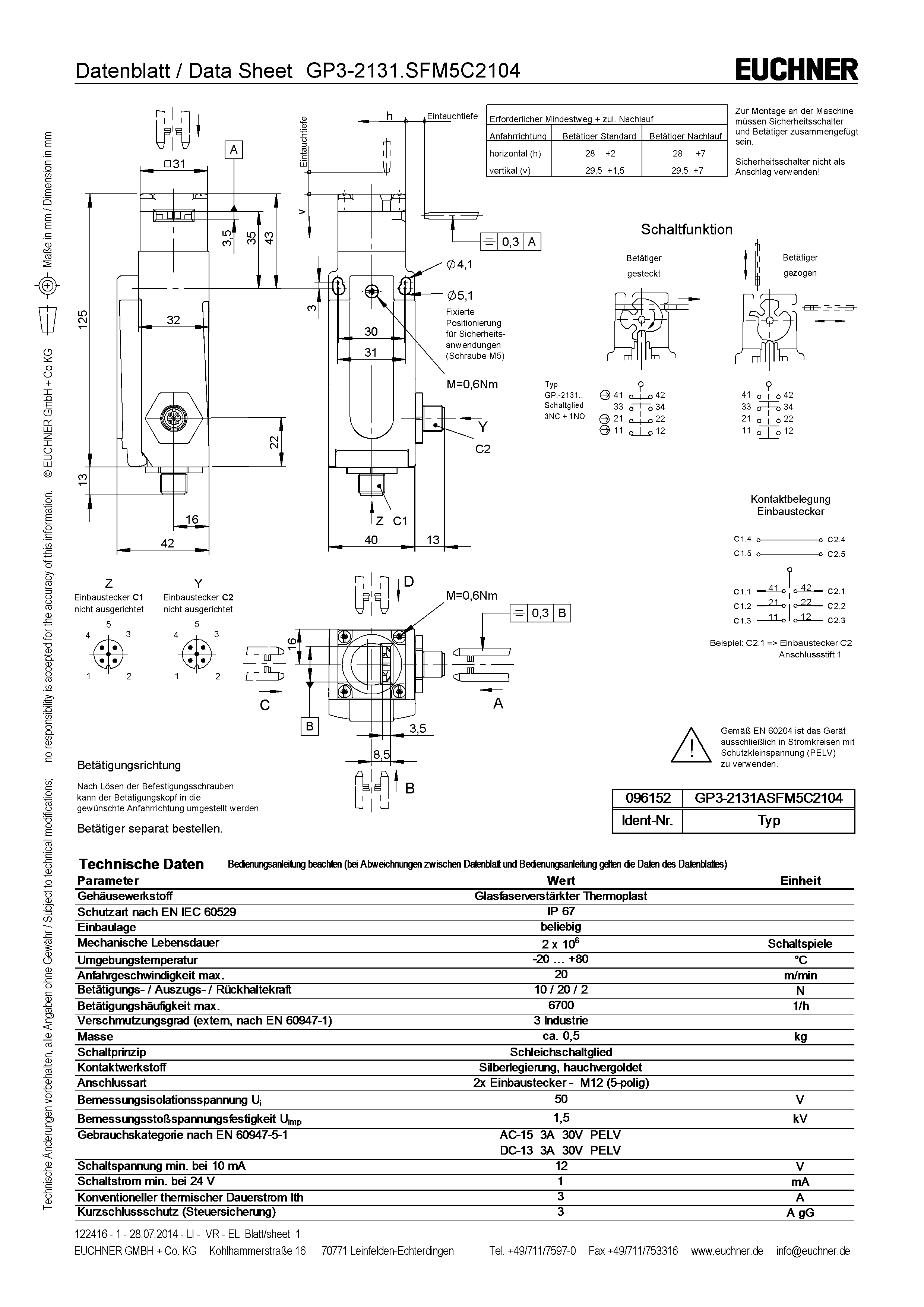
GP3-2131ASFM5C2104 (주문 번호 096152)
콘텐츠 선택
No description available for this article.
다운로드
컴플리트 패키지
단 한번 클릭하여 중요한 모든 문서 다운로드.
내용물:
- 사용 설명서와 사용 설명서에 대한 보충 사항 또는 요약 설명서
- 사용 설명서를 보완하는 데이터 시트
- 적합성 선언
컴플리트 패키지 다운로드 (ZIP, 3,1 MB)
단일 문서
지침
Operating Instructions Safety Switch GP...
문서 번호
버전
언어
크기
Operating Instructions Safety Switch GP...
문서 번호
2090205
버전
07/25
언어
크기
0,8 MB
Mode d’emploi Interrupteur de sécurité GP...
문서 번호
2090205
버전
07/25
언어
크기
0,8 MB
Manual de instrucciones Interruptor de seguridad GP...
문서 번호
2090205
버전
07/25
언어
크기
0,8 MB
Betriebsanleitung Sicherheitsschalter GP...
문서 번호
2090205
버전
07/25
언어
크기
0,8 MB
Istruzioni di impiego Finecorsa di sicurezza GP...
문서 번호
2090205
버전
07/25
언어
크기
0,8 MB
기타 다른 문서
승인 및 인증서
WEEE
문서 번호
버전
언어
크기
WEEE
문서 번호
ECO20001806
버전
언어
크기
0,1 MB
Zulassung
문서 번호
버전
언어
크기
Zulassung
문서 번호
20001849
버전
언어
크기
0,0 MB
c UL us
문서 번호
버전
언어
크기
c UL us
문서 번호
버전
언어
크기
0,3 MB
ePlan 매크로
EUC.096152
문서 번호
버전
언어
크기
EUC.096152
문서 번호
버전
언어
크기
0,0 MB
