GP3-2131ASFM5C2104 (Order no. 096152)
Choose content
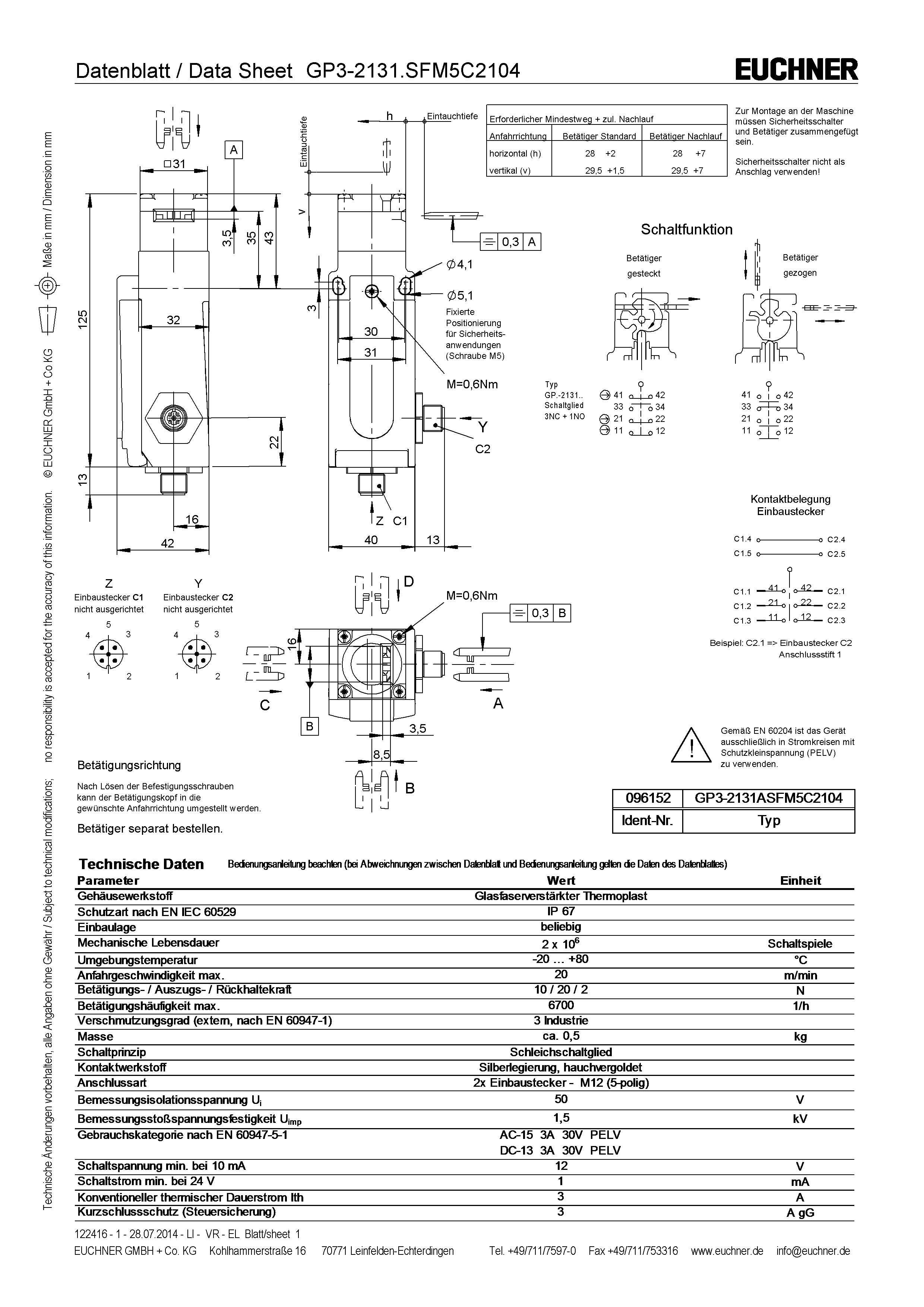
No description available for this article.
Downloads
Complete package
Download all important documents with a single click.
Content:
- The operating instructions and any additions to the operating instructions or brief instructions
- Any data sheets to supplement the operating instructions
- The declaration of conformity
Download Complete Package (ZIP, 3,1 MB)
Single Documents
Data sheets
Data sheet
Doc. no.
Version
Language
Size
Data sheet
Fiche technique
Ficha de datos
Datenblatt
Ficha de dados
数据表
データ シート
데이터 시트
Datový list
Fiche technique
Ficha de datos
Datenblatt
Ficha de dados
数据表
データ シート
데이터 시트
Datový list
Doc. no.
2122416
Version
01
Language
Size
0,2 MB
Data sheet
Fiche technique
Ficha de datos
Datenblatt
Ficha de dados
数据表
データ シート
데이터 시트
Datový list
Fiche technique
Ficha de datos
Datenblatt
Ficha de dados
数据表
データ シート
데이터 시트
Datový list
Doc. no.
2122416
Version
01
Language
Size
0,2 MB
Declarations of conformity
EU-Konformitätserklärung
Doc. no.
Version
Language
Size
EU-Konformitätserklärung
Doc. no.
EDC2539628
Version
Language
Size
0,2 MB
UKCA-Konformitätserklärung
Doc. no.
Version
Language
Size
UKCA-Konformitätserklärung
Doc. no.
EDC20001551
Version
Language
Size
0,1 MB
Instructions
Operating Instructions Safety Switch GP...
Doc. no.
Version
Language
Size
Operating Instructions Safety Switch GP...
Doc. no.
2090205
Version
07/25
Language
Size
0,8 MB
Mode d’emploi Interrupteur de sécurité GP...
Doc. no.
2090205
Version
07/25
Language
Size
0,8 MB
Manual de instrucciones Interruptor de seguridad GP...
Doc. no.
2090205
Version
07/25
Language
Size
0,8 MB
Betriebsanleitung Sicherheitsschalter GP...
Doc. no.
2090205
Version
07/25
Language
Size
0,8 MB
Istruzioni di impiego Finecorsa di sicurezza GP...
Doc. no.
2090205
Version
07/25
Language
Size
0,8 MB
Other Documents
Approvals and certificates
WEEE
Doc. no.
Version
Language
Size
WEEE
Doc. no.
ECO20001806
Version
Language
Size
0,1 MB
Zulassung
Doc. no.
Version
Language
Size
Zulassung
Doc. no.
20001849
Version
Language
Size
0,0 MB
c UL us
Doc. no.
Version
Language
Size
c UL us
Doc. no.
Version
Language
Size
0,3 MB
ePlan macros
EUC.096152
Doc. no.
Version
Language
Size
EUC.096152
Doc. no.
Version
Language
Size
0,0 MB
