KBS1T3P168 (주문 번호 072908)
콘텐츠 선택
시리즈 KB...
- IEC 947-5-1 D30에 따른 제어 패널 설치
- 스위치, 구동 방향 1
- 구동 방향이 1인 푸시버튼
- 각 구동 방향에 대해 탭 커넥터 6.3 x 0.8 IEC 760이 있는 한 개의 전환 접점

설명





기능 도면

기능 도면

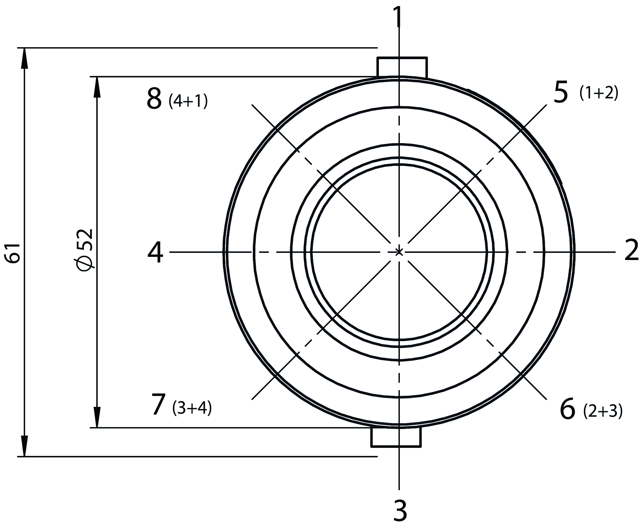
치수 도면

치수 도면

| 1 | 스위칭 방향 1 |
연결 예시

기술 자료
승인


전기 연결 값
| 헤징 | T10/F20 |
| 정격 절연 전압 Ui | 250 V |
| 정격 임펄스 전압 Uimp | 2.5 kV |
| 활용 범주 | |
| DC-13 | 24V 3A |
| AC-15 | 230V 5A |
| 스위칭 전압 | min. 12 V |
| 스위칭 전류 | |
| (24V에서) | min. 10 mA |
기계적 가치 및 환경
| 연결 유형 | 탭 커넥터 6.3x0.8 IEC760 |
| 모니터링 접점의 수량 | 2 (2-방향) |
| 구동 방향 | 2 (스위치 1개 / 푸시버튼 1개) |
| 보관 온도 | -25 ... 70 °C |
| 기계적 수명 | 1 x 10⁶ (스위치/푸시버튼) |
| 마운팅 컷 아웃 | D30 (EN IEC 60947-5-1) |
| 전환 원리 | 전환 접점 C, IEC 947-5-1 (스냅 동작 접점 부재, 디자인 ES517A) |
| 보호 등급 | |
| 송풍기 장착 전면에서 | IP65 |
| 주변 온도 | -5 ... 65 °C |
| 재질 | |
| 접점 | 은합금 |
| 스테인리스 스틸제 스위칭 레버 | |
| 열가소성 플라스틱 하우징 | |
| 송풍기, 탄성 중합체, 검은색 (낮은 PAH) |
기타
| P 번호 | |
| P168 |
다운로드
컴플리트 패키지
단 한번 클릭하여 중요한 모든 문서 다운로드.
내용물:
- 사용 설명서와 사용 설명서에 대한 보충 사항 또는 요약 설명서
- 사용 설명서를 보완하는 데이터 시트
- 적합성 선언
컴플리트 패키지 다운로드 (ZIP, 0,3 MB)
단일 문서
기타 다른 문서
승인 및 인증서
CCC
문서 번호
버전
언어
크기
CCC
문서 번호
20001849
버전
언어
크기
0,0 MB
WEEE
문서 번호
버전
언어
크기
WEEE
문서 번호
ECO20001806
버전
언어
크기
0,1 MB
주문 데이터
| 주문 번호 | 072908 |
| 품목 명칭 | KBS1T3P168 |
| 총중량 | 0,185kg |
| 세관품목분류번호 | 85365019000 |
| ECLASS | 27-37-14-04 Control switch, joystick |
