STP4A-4131A024SR11 (주문 번호 111259)
안전 스위치 STP, 플러그 커넥터 M26(SR11), 도어 위치용 접점
- 플러그 커넥터 M26(SR11)
- 도어 위치용 접점
- 보조 릴리스
- 개방회로 전류 원리

설명
접근 방향
수평 및 수직
90° 단계로 조정할 수 있습니다
수평으로 접근하는 방향에 대해 오버 트래블 증가.
도어를 닫았을 때 더 큰 유격이 필요한 경우, 오버트래블이 있는 액추에이터를 사용할 수 있습니다. 이러한 액추에이터를 사용하면 도어가 닫혔을 때 그 도어를 구동 방향으로 약간 움직일 수 있습니다. 이는 예를 들어 안전 도어에 고무 엔드 스톱이 있는 경우 중요합니다. 오버트래블이 있는 액추에이터를 사용하면 압축 고무에서 발생하는 지속적인 압력을 줄일 수 있습니다. 이렇게 하면 스위치 헤드와 도어 메커니즘에 가해지는 부하가 감소합니다.
가드 잠금 원리
개방회로 전류(전원을 켜서 잠금): 개방회로 전류 원리를 기반으로 한 가드 잠금 기능이 있는 가드의 경우, 가드 잠금 솔레노이드로의 전원 공급이 중단될 때까지 가드가 잠깁니다. 잠금은 스프링 힘에 의해 해제됩니다. 전기적 가드 잠금이라는 용어도 사용됩니다.
스위칭 부재
4131 | 느린 동작 스위칭 접점 |
가드 잠금용 점점: 2개의 순방향 구동 접점 | |
도어 모니터링용 접점: 1 NO 접점 |
보조 릴리스
전면에 위치한 보조 릴리스는 정전과 같은 고장 발생 시 장비에 접근할 수 있도록 합니다. 잠금 해제는 공구나 키를 사용하여 수행합니다. 보조 릴리스는 오용(실링, 래커)으로부터 보호되어야 합니다.
액세서리 필요
액추에이터가 포함되지 않았습니다.
기능 도면

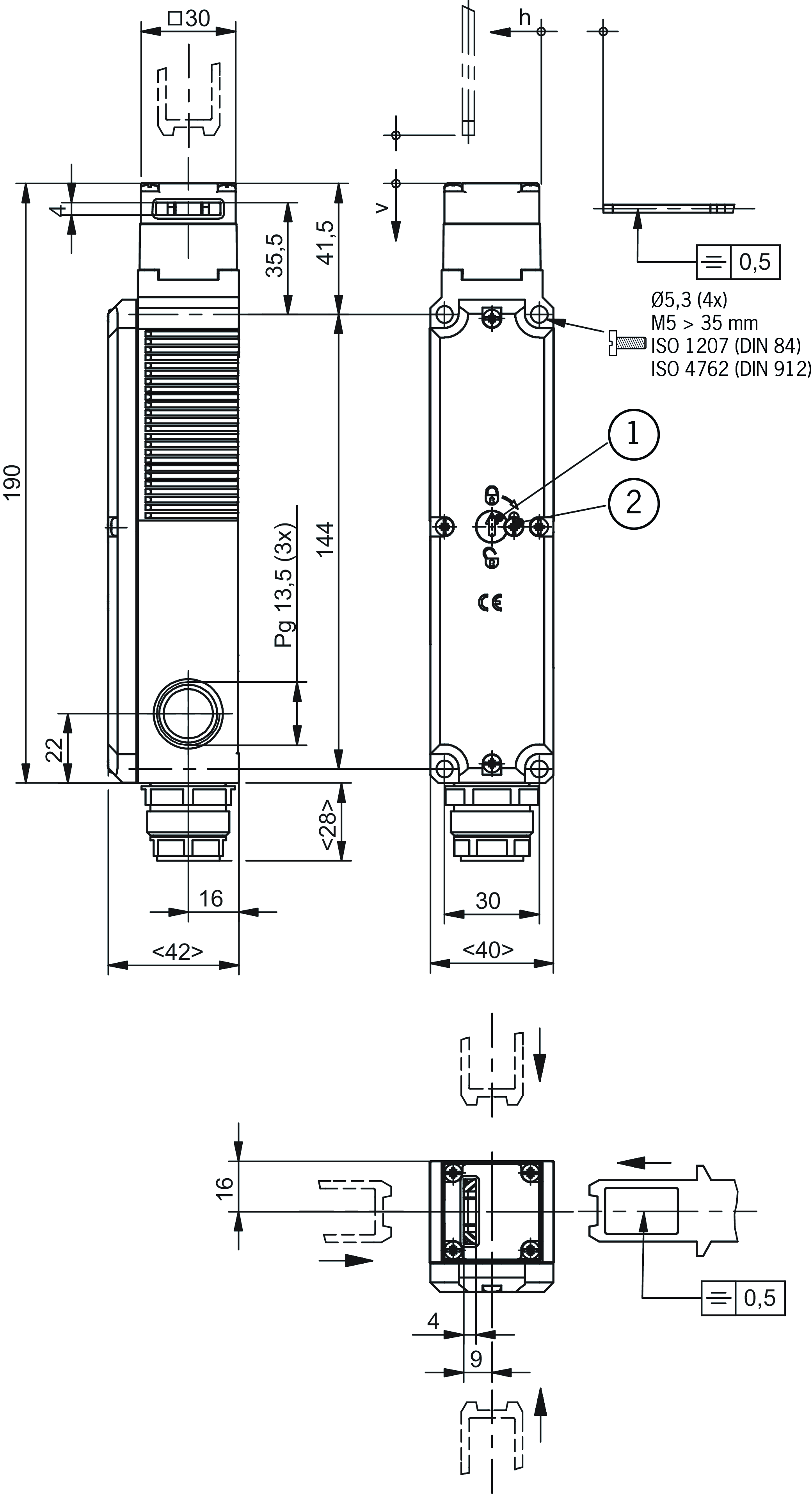
치수 도면

| 1 | 보조 릴리스 |
| 2 | 잠금 스크루 |
연결 예시

![]() | 도어 모니터링 |
![]() | 솔레노이드 모니터링 |
기술 자료
승인



전기 연결 값
| 헤징 | max. 4 A gG |
| 전력 소비량 | 8 W |
| 연결 단면도 | 0.34 ... 1.5 mm² |
| 정격 절연 전압 Ui | 50 V |
| 정격 임펄스 전압 Uimp | 1.5 kV |
| 활용 범주 | |
| DC-13 | 4A 24V |
| AC-15 | 4A 50V |
| 솔레노이드 작동 전압 | |
| AC/DC | 24 V -15% ... +10% |
| 솔레노이드 듀티 사이클 | 100 % |
| 스위칭 전압 | |
| 최소 10mA에서 | 12 V |
| 스위칭 전류 | |
| 최소 24V에서 | 1 mA |
| 정격 열전류 Ith | 4 A |
기계적 가치 및 환경
| Anfahrgeschwindigkeit | max. 20 m/min |
| 접근 방향 | A |
| 연결 유형 | |
| 1번 | 플러그 커넥터 SR11 (11-핀) |
| 도어 위치 NO 접점의 수량 | 1 |
| 도어 잠금 모니터링 NO 접점의 수량 | 1 |
| 가드 로크 모니터링 순방향 구동 접점의 수량 | 2 |
| 인출력 | 30 N |
| 구동 주파수 | max. 1200 1/h |
| 구동력 | 35 N |
| 설치 방향 | 임의 |
| 삽입 깊이 | 24.5 mm |
| 보관 온도 | -25 ... 70 °C |
| 기계적 수명 | 1 x 10⁶ |
| 유지력 | 20 N |
| 전환 원리 | 느린 동작 스위칭 접점 |
| 보호 등급 | IP65 |
| 주변 온도 | -20 ... 55 °C |
| 재질 | |
| 하우징 | 강화 열가소성 플라스틱 |
| 접점 | 은합금, 금 도금 |
| 잠금력 Fmax | 2500 N |
| 잠금력 FZh | 2000 N |
| 가드 잠금 원리 | 개방회로 전류 원리 |
EN ISO 13849-1 및 EN IEC 62061에 따른 특성 값
| B10D | 임무 시간 | |
|---|---|---|
| 가드 잠금장치의 모니터링 | 5x106 | 20 y |
| 중요! DC-13 100 mA/24V에서 유효한 값 | ||
액추에이터 ACTUATOR-S-GT-SN과 결합하여
| 오버트래블 | 5 mm |
부속품
AE-B-A1-02,0-096230
- 탈출 릴리스 또는 비상 릴리스로서 사용될 수 있습니다
- 자동 복귀 아님
- 덮개 길이 2m(로프 길이 6m)
AE-B-A1-02,0-F-097747
- 탈출 릴리스 또는 비상 릴리스로서 사용될 수 있습니다
- 자동 복귀
- 덮개 길이 2m(로프 길이 6m)
AE-B-A1-03,0-098313
- 탈출 릴리스 또는 비상 릴리스로서 사용될 수 있습니다
- 자동 복귀 아님
- 덮개 길이 3m(로프 길이 6m)
AE-B-A1-03,0-F-111233
- 탈출 릴리스 또는 비상 릴리스로서 사용될 수 있습니다
- 자동 복귀
- 덮개 길이 3m(로프 길이 6m)
AE-B-A1-04,0-098314
- 탈출 릴리스 또는 비상 릴리스로서 사용될 수 있습니다
- 자동 복귀 아님
- 덮개 길이 4m(로프 길이 6m)
AE-B-A1-06,0-125582
- 탈출 릴리스 또는 비상 릴리스로서 사용될 수 있습니다
- 자동 복귀 아님
- 로프 길이 6m(덮개 제외)
AE-B-A1-06,0-F-124770
- 탈출 릴리스 또는 비상 릴리스로서 사용될 수 있습니다
- 자동 복귀
- 로프 길이 6m(덮개 제외)
다운로드
컴플리트 패키지
단 한번 클릭하여 중요한 모든 문서 다운로드.
내용물:
- 사용 설명서와 사용 설명서에 대한 보충 사항 또는 요약 설명서
- 사용 설명서를 보완하는 데이터 시트
- 적합성 선언
단일 문서
기타 다른 문서
ePlan 매크로
CAD/eCAD
주문 데이터
| 주문 번호 | 111259 |
| 품목 명칭 | STP4A-4131A024SR11 |
| 총중량 | 0,517kg |
| 세관품목분류번호 | 85365019000 |
| ECLASS | 27-27-26-03 Safety switch with guard control |
+ 1 NO 접점
































