STP4A-2131A024SM8C2627 (주문 번호 170801)
콘텐츠 선택
안전 스위치 STP, 도어 모니터링 접점 장착
- 금속제 구동 헤드
- 전면의 보조 릴리스
- 도어 모니터링 접점 장착
- 플러그 커넥터 M12, 8-핀

설명
솔레노이드 작동 전압
- AC/DC 24 V +10 %, -15%
가드 잠금 타입
STP4 | 개방회로 전류 원리, 전압을 가드 잠금 솔레노이드에 가하여 가드 잠금. 스프링 힘에 의해 릴리스 |
스위칭 부재
2131 | 느린 동작 스위칭 접점, NC 2개 |
보조 릴리스
이것은 공구를 사용하여 가드 잠금을 릴리스하는 데 사용됩니다. 조작을 방지하기 위해 보조 릴리스를 실링 래커로 밀폐하였습니다.
기능 도면

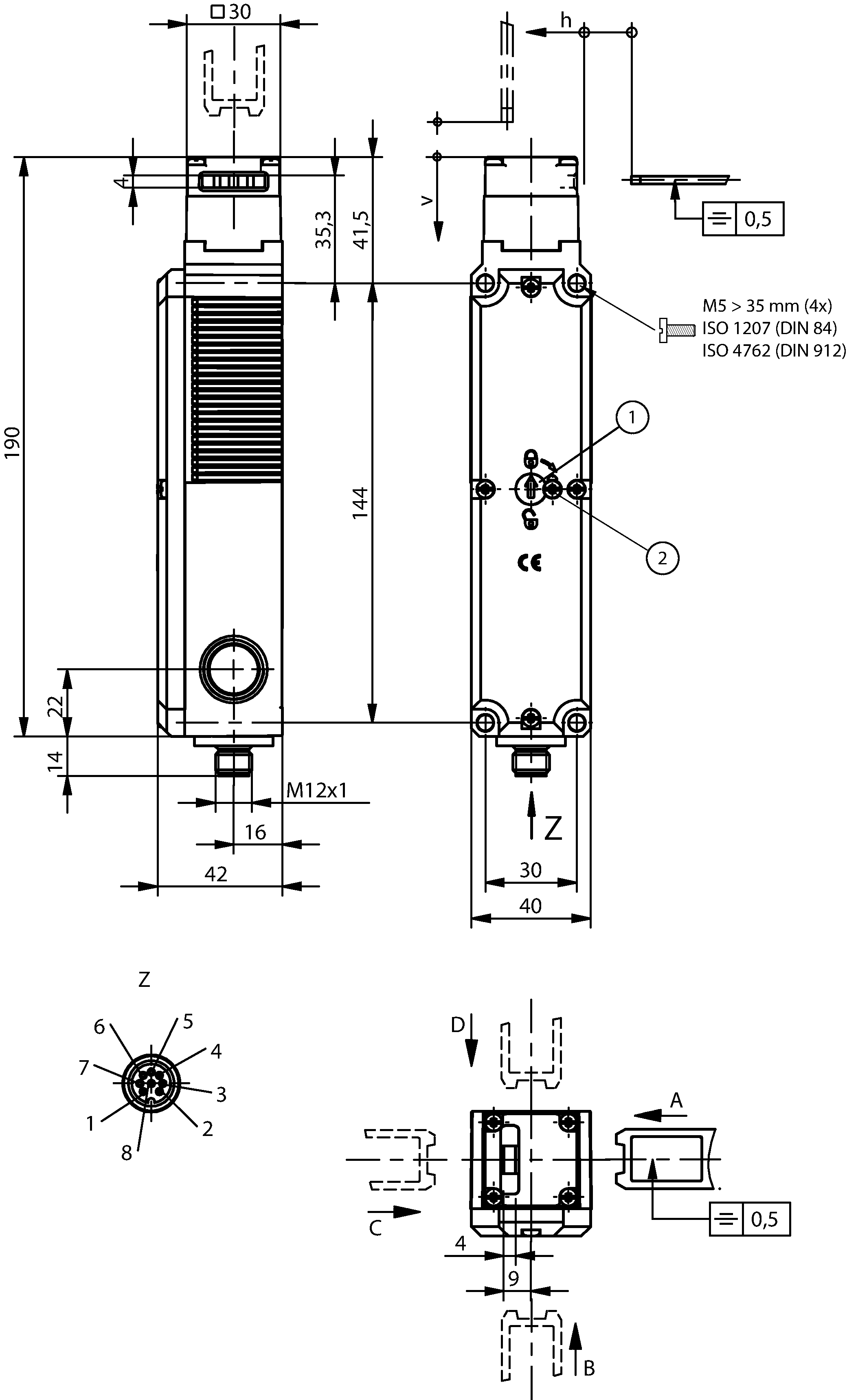
치수 도면

| 1 | 보조 릴리스 |
| 2 | 잠금 스크루 |
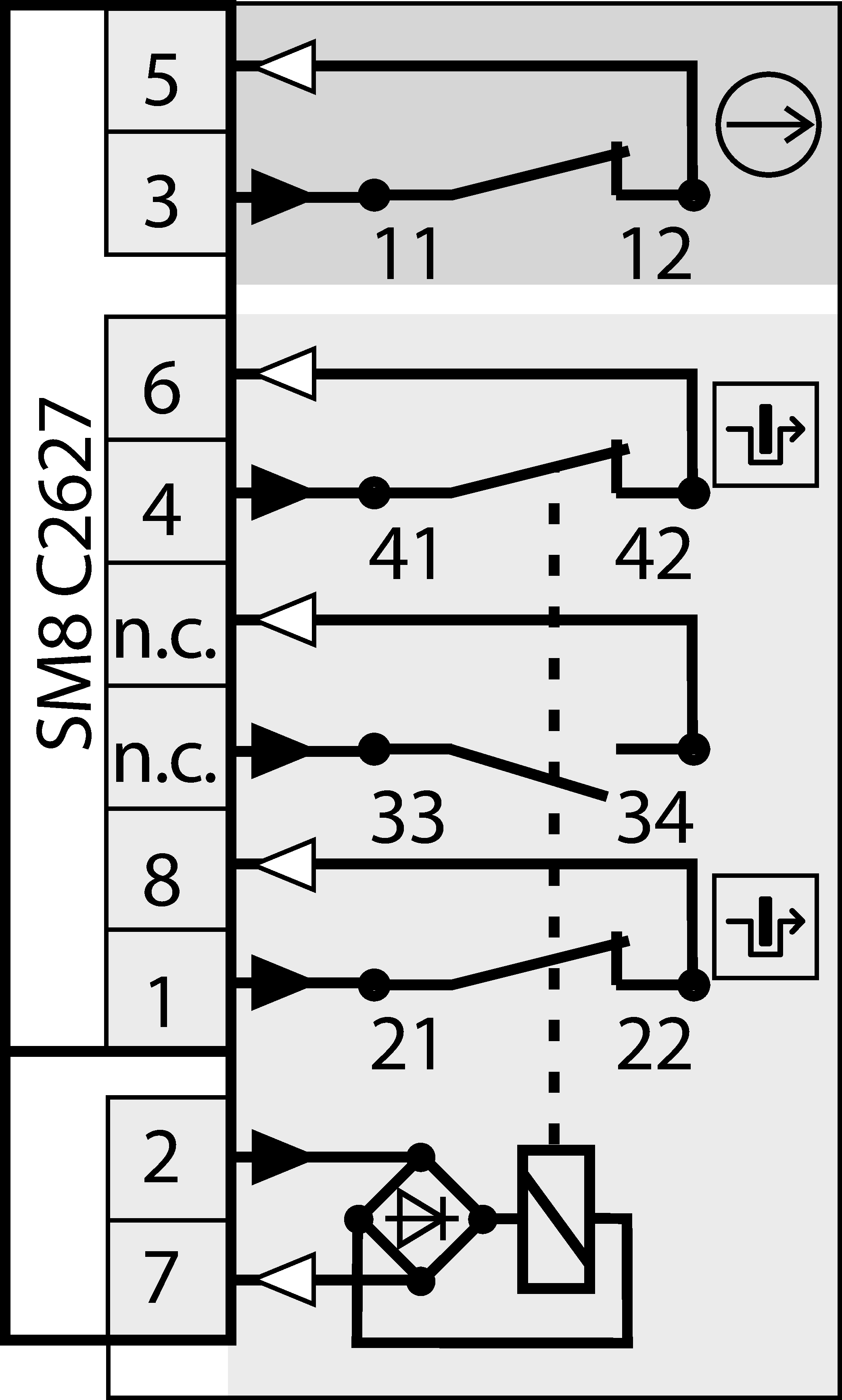
연결 예시

기술 자료
승인



전기 연결 값
| 헤징 | max. 1 A gG |
| 전력 소비량 | 8,5 W |
| 연결 단면도 | |
| 정격 절연 전압 Ui | 30 V |
| 정격 임펄스 전압 Uimp | 1.5 kV |
| 활용 범주 | |
| AC-15 | 1A 24V |
| DC-13 | 1A 24V |
| 솔레노이드 작동 전압 | |
| AC/DC | 24 V -15% ... +10% |
| 솔레노이드 듀티 사이클 | 100 % |
| 스위칭 전압 | |
| 최소 10mA에서 | 12 V |
| 스위칭 전류 | |
| 최소 24V에서 | 1 mA |
| 정격 열전류 Ith | 1 A |
기계적 가치 및 환경
| Anfahrgeschwindigkeit | max. 20 m/min |
| 접근 방향 | A |
| 연결 유형 | |
| 1번 | 플러그 커넥터 M12 (8-핀) |
| 도어 잠금 모니터링 NO 접점의 수량 | 1 |
| 도어 위치 순방향 구동 접점의 수량 | 1 |
| 가드 로크 모니터링 순방향 구동 접점의 수량 | 2 |
| 인출력 | 30 N |
| 구동 주파수 | max. 1200 1/h |
| 구동력 | 35 N |
| 설치 방향 | 임의 |
| 삽입 깊이 | 24.5 mm |
| 보관 온도 | -25 ... 70 °C |
| 기계적 수명 | 1 x 10⁶ |
| 유지력 | 20 N |
| 전환 원리 | 느린 동작 스위칭 접점 |
| 보호 등급 | IP67 |
| 주변 온도 | -20 ... 55 °C |
| 재질 | |
| 접점 | 은합금, 금 도금 |
| 하우징 | 강화 열가소성 플라스틱 |
| 잠금력 Fmax | 2500 N |
| 잠금력 FZh | 2000 N |
| 가드 잠금 원리 | 개방회로 전류 원리 |
EN ISO 13849-1 및 EN IEC 62061에 따른 특성 값
| B10D | 임무 시간 | |
|---|---|---|
| 가드 위치의 모니터링 | 5x106 | 20 y |
| 중요! DC-13 100 mA/24V에서 유효한 값 | ||
| 가드 잠금장치의 모니터링 | 5x106 | 20 y |
| 중요! DC-13 100 mA/24V에서 유효한 값 | ||
기타
| C 번호 | |
| C2627 | 순방향 구동 접점으로서의 도어 모니터링 접점, 세 개의 순방향 구동 접접 |
액추에이터 ACTUATOR-S-GT-SN과 결합하여
| 오버트래블 | 5 mm |
부속품
기능 확장
와이어 전면 릴리스(보우덴)
096230
AE-B-A1-02,0-096230
AE-B-A1-02,0-096230
- 탈출 릴리스 또는 비상 릴리스로서 사용될 수 있습니다
- 자동 복귀 아님
- 덮개 길이 2m(로프 길이 6m)
097747
AE-B-A1-02,0-F-097747
AE-B-A1-02,0-F-097747
- 탈출 릴리스 또는 비상 릴리스로서 사용될 수 있습니다
- 자동 복귀
- 덮개 길이 2m(로프 길이 6m)
098313
AE-B-A1-03,0-098313
AE-B-A1-03,0-098313
- 탈출 릴리스 또는 비상 릴리스로서 사용될 수 있습니다
- 자동 복귀 아님
- 덮개 길이 3m(로프 길이 6m)
111233
AE-B-A1-03,0-F-111233
AE-B-A1-03,0-F-111233
- 탈출 릴리스 또는 비상 릴리스로서 사용될 수 있습니다
- 자동 복귀
- 덮개 길이 3m(로프 길이 6m)
098314
AE-B-A1-04,0-098314
AE-B-A1-04,0-098314
- 탈출 릴리스 또는 비상 릴리스로서 사용될 수 있습니다
- 자동 복귀 아님
- 덮개 길이 4m(로프 길이 6m)
125582
AE-B-A1-06,0-125582
AE-B-A1-06,0-125582
- 탈출 릴리스 또는 비상 릴리스로서 사용될 수 있습니다
- 자동 복귀 아님
- 로프 길이 6m(덮개 제외)
124770
AE-B-A1-06,0-F-124770
AE-B-A1-06,0-F-124770
- 탈출 릴리스 또는 비상 릴리스로서 사용될 수 있습니다
- 자동 복귀
- 로프 길이 6m(덮개 제외)
액추에이터
다운로드
컴플리트 패키지
단 한번 클릭하여 중요한 모든 문서 다운로드.
내용물:
- 사용 설명서와 사용 설명서에 대한 보충 사항 또는 요약 설명서
- 사용 설명서를 보완하는 데이터 시트
- 적합성 선언
컴플리트 패키지 다운로드 (ZIP, 5,3 MB)
단일 문서
지침
Operating Instructions Safety Switch STP…
문서 번호
버전
언어
크기
Operating Instructions Safety Switch STP…
문서 번호
2095803
버전
04/25
언어
크기
1,9 MB
Mode d’emploi Interrupteur de sécurité STP…
문서 번호
2095803
버전
04/25
언어
크기
1,9 MB
Manual de instrucciones Interruptor de seguridad STP…
문서 번호
2095803
버전
04/25
언어
크기
1,9 MB
Betriebsanleitung Sicherheitsschalter STP…
문서 번호
2095803
버전
04/25
언어
크기
1,9 MB
Istruzioni di impiego Finecorsa di sicurezza STP…
문서 번호
2095803
버전
04/25
언어
크기
1,9 MB
İşletim kılavuzu Emniyet şalteri STP…
문서 번호
2095803
버전
04/25
언어
크기
2,3 MB
기타 다른 문서
승인 및 인증서
CCC
문서 번호
버전
언어
크기
CCC
문서 번호
20001849
버전
언어
크기
0,0 MB
WEEE
문서 번호
버전
언어
크기
WEEE
문서 번호
ECO20001806
버전
언어
크기
0,1 MB
c UL us
문서 번호
버전
언어
크기
c UL us
문서 번호
버전
언어
크기
0,3 MB
영업 문서
Safety Switches with Plastic Housing
문서 번호
버전
언어
크기
Safety Switches with Plastic Housing
문서 번호
096956
버전
11-03/18
언어
크기
6,5 MB
Interrupteurs de sécurité avec boîtier plastique
문서 번호
100677
버전
11-03/18
언어
크기
6,6 MB
Interruptores de seguridad con carcasa plástica
문서 번호
104855
버전
11-03/18
언어
크기
6,6 MB
Sicherheitsschalter mit Kunststoffgehäuse
문서 번호
096955
버전
11-03/18
언어
크기
6,6 MB
塑料壳体 的安全开关
문서 번호
116243
버전
11-03/18
언어
크기
6,1 MB
Bezpečnostní spínače s plastovým pouzdrem
문서 번호
121649
버전
11-03/18
언어
크기
6,5 MB
주문 데이터
| 주문 번호 | 170801 |
| 품목 명칭 | STP4A-2131A024SM8C2627 |
| 총중량 | 0,55kg |
| 세관품목분류번호 | 85365019000 |
| ECLASS | 27-27-26-03 Safety switch with guard control |
+ NO 1개 + NC 1개 





























