STP3D-4141A024M (주문 번호 097891)

안전 스위치 STP, 케이블 인입구 M20 x 1.5, 도어 신호 접점 포함

  • 케이블 인입구 3개, M20 x 1.5
  • 도어 위치용 접점
  • 보조 릴리스
  • 삽입 깔대기
  • 폐쇄회로 전류 원리
STP3D-4141A024M (주문 번호 097891)

설명

접근 방향

수평 및 수직

90° 단계로 조정할 수 있습니다

수평으로 접근하는 방향에 대해 오버 트래블 증가.

도어를 닫았을 때 더 큰 유격이 필요한 경우, 오버트래블이 있는 액추에이터를 사용할 수 있습니다. 이러한 액추에이터를 사용하면 도어가 닫혔을 때 그 도어를 구동 방향으로 약간 움직일 수 있습니다. 이는 예를 들어 안전 도어에 고무 엔드 스톱이 있는 경우 중요합니다. 오버트래블이 있는 액추에이터를 사용하면 압축 고무에서 발생하는 지속적인 압력을 줄일 수 있습니다. 이렇게 하면 스위치 헤드와 도어 메커니즘에 가해지는 부하가 감소합니다.

가드 잠금 원리

잠금을 해제하는 전원: 폐쇄회로 전류 원리를 기반으로 한 가드 잠금 기능이 있는 가드의 경우, 가드는 가드 잠금 솔레노이드로 전원이 공급될 때까지 스프링 힘에 의해 잠깁니다. 잠금은 솔레노이드 힘에 의해 해제됩니다. 기계적 가드 잠금이라는 용어도 사용됩니다.

스위칭 부재

4141

느린 동작 스위칭 접점

가드 잠금용 점점: 2개의 순방향 구동 접점

도어 모니터링용 점점: 2개의 순방향 구동 접점

보조 릴리스

전면에 위치한 보조 릴리스는 정전과 같은 고장 발생 시 장비에 접근할 수 있도록 합니다. 잠금 해제는 공구나 키를 사용하여 수행합니다. 보조 릴리스는 오용(실링, 래커)으로부터 보호되어야 합니다.

액세서리 필요

액추에이터가 포함되지 않았습니다.

스위칭 기능
스위칭 기능
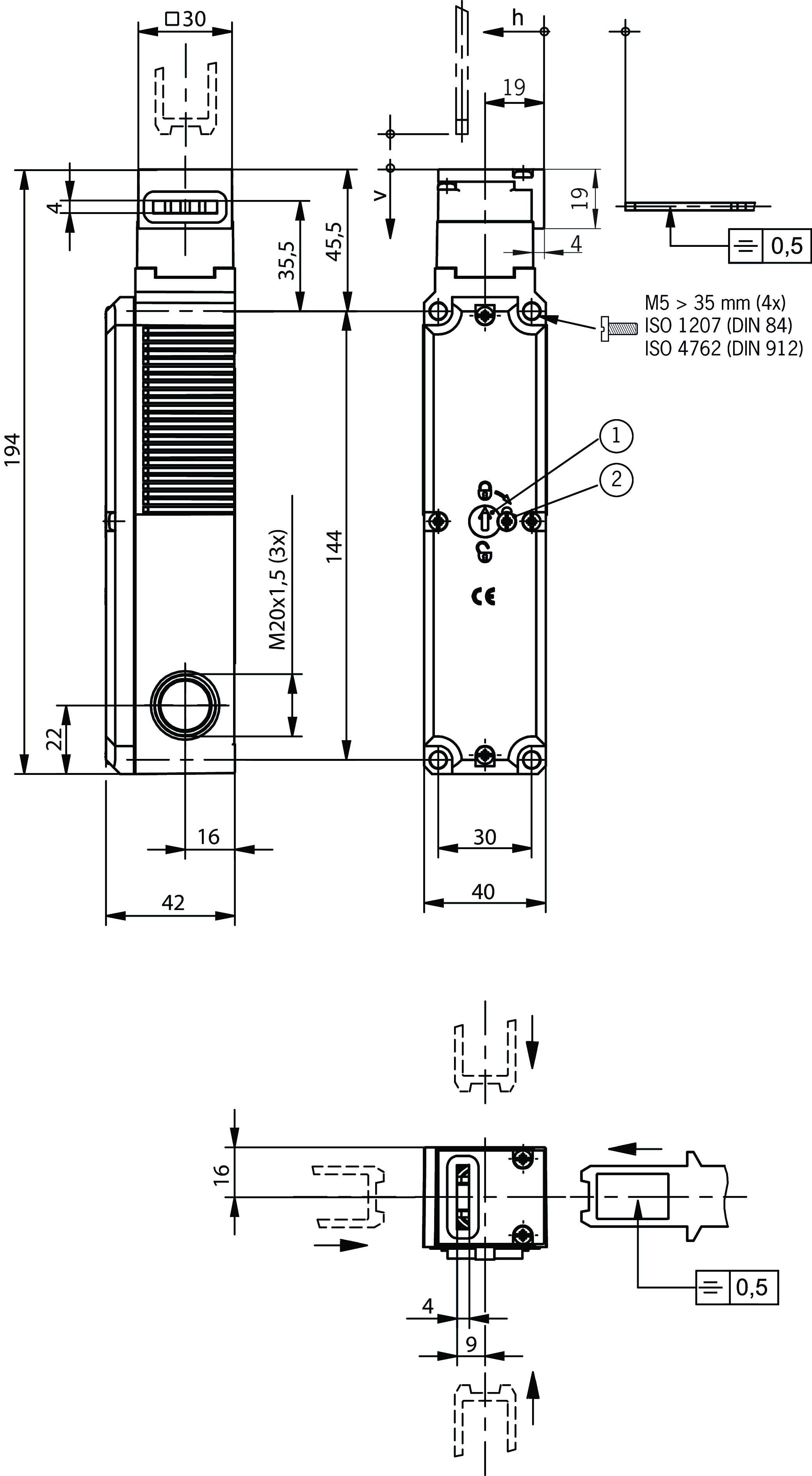
치수도
치수도
배선도 4141
배선도 4141
전자기계식 안전 스위치 사용 중

기능 도면

기능 도면

치수 도면

치수 도면
1보조 릴리스
2잠금 스크루

연결 예시

연결 예시
도어 모니터링
솔레노이드 모니터링

기술 자료

승인

DGUV_STP_ET20006_ET20007CCC2024010305643586_SafetySwitch T_STc_UL_us_E155795_2/1

전기 연결 값

헤징 max. 4 A gG
전력 소비량 8 W
연결 단면도 0.34 ... 1.5 mm²
정격 절연 전압 Ui 250 V
정격 임펄스 전압 Uimp 2.5 kV
활용 범주
DC-13 4A 24V
AC-15 4A 230V
솔레노이드 작동 전압
AC/DC 24 V -15% ... +10%
솔레노이드 듀티 사이클 100 %
스위칭 전압
최소 10mA에서 12 V
스위칭 전류
최소 24V에서 1 mA
정격 열전류 Ith 4 A

기계적 가치 및 환경

Anfahrgeschwindigkeit max. 20 m/min
접근 방향 A
연결 유형
3번 M20 x 1.5
도어 위치 순방향 구동 접점의 수량 2
가드 로크 모니터링 순방향 구동 접점의 수량 2
인출력 30 N
구동 주파수 max. 1200 1/h
구동력 35 N
설치 방향 임의
삽입 깊이 28.5 mm
보관 온도 -25 ... 70 °C
기계적 수명 1 x 10⁶
유지력 20 N
전환 원리 느린 동작 스위칭 접점
보호 등급 IP67
주변 온도 -20 ... 55 °C
재질
하우징 강화 열가소성 플라스틱
접점 은합금, 금 도금
잠금력 Fmax 2500 N
잠금력 FZh 2000 N
가드 잠금 원리 폐쇄회로 전류 원리

EN ISO 13849-1 및 EN IEC 62061에 따른 특성 값

B10D임무 시간
가드 위치의 모니터링5x10620 y
중요! DC-13 100 mA/24V에서 유효한 값
가드 잠금장치의 모니터링5x10620 y
중요! DC-13 100 mA/24V에서 유효한 값


PL최대 SIL범주임무 시간
가드 잠금의 제어가드 잠금의 외부 제어에 따라 다름20 y


액추에이터 ACTUATOR-S-GT-LN과 결합하여

오버트래블 5 mm

부속품

다운로드

컴플리트 패키지

단 한번 클릭하여 중요한 모든 문서 다운로드.

내용물:

  • 사용 설명서와 사용 설명서에 대한 보충 사항 또는 요약 설명서
  • 사용 설명서를 보완하는 데이터 시트
  • 적합성 선언
컴플리트 패키지 다운로드 (ZIP, 4,9 MB)

단일 문서

기타 다른 문서

ePlan 매크로

주문 데이터

주문 번호 097891
품목 명칭 STP3D-4141A024M
총중량 0,515kg
세관품목분류번호 85365019000
ECLASS 27-27-26-03 Safety switch with guard control