CET1-AR-CRA-AH-50X-SH-110203 (注文番号 110203)
コンテンツを選ぶ
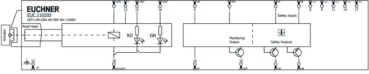
ガードロック付き安全スイッチ CET-AR-...、RFID、プラグコネクタ M23 (RC18)
- 閉回路電流方式
- ユニコード
- ティーチイン入力 J
- モニタリング出力ガードロック OUT
- プラグコネクタ M23(RC18)、19ピン

説明
ガードロック方式
電源オンでロック解除: 閉回路電流方式ガードロックによるガードでは、ガードロック ソレノイドに電源が供給されるまでスプリング力によりそのガードがロックされます。ソレノイド力によりロック解除されます。メカニカル ガードロックという用語も使われます。
ユニコード判定
アクチュエーターそれぞれは高度にコーディングされています (ユニコード)。このスイッチはティーチインされたアクチュエーターのみを検出。追加アクチュエーターもティーチ・インできます。
最後にティーチインされたアクチュエーターだけに反応します。
安全性
内部監視付きの2つの冗長安全出力(半導体出力)により、以下の用途に適しています。
- EN 13849-1 に従ったカテゴリ 4 /PL e
EN IEC 62061表4に準拠したSIL 3
使用されるOSSD出力は、テストパルスで短絡や交差回路の機能をチェックする。
LED インジケーター
LEDステート | ステータス LED |
DIA LED | 診断 LED |
LED 1 赤 | 自由に設定可能 |
LED 2 緑 | 自由に設定可能 |
端子配列
アクセサリーが必要
アクチュエーターは含まれていません。
安全スイッチは、この目的のために用意されたアクチュエータと組み合わせてのみ操作できます。
寸法図

接続例

技術データ
認証取得状況

ワークスペース
| 繰り返し精度 R | 10 % |
電気的接続値
| ヘッジ | |
| 外部 (動作電圧 UCM) | 0.5 ... 8 A |
| 外部 (動作電圧 UB) | 0.25 ... 8 A |
| 電力消費量 | |
| ソレノイド | 11 W |
| 動作電圧DC | |
| LED1, LED2 | 24 V DC -15% V DC ... +10% V DC |
| UB | 24 V DC -15% ... +15% 逆極性保護、制御、残留リップル <5%、PELV |
| EMC の保護要件 | EN IEC 60947-5-3 準拠 |
| 利用区分 | |
| DC-13 | 24 V 200 mA (注意: 誘導性負荷の場合、出力はフリーホイーリングダイオードで保護する必要がある。) |
| ソレノイド動作電圧 DC | |
| UCM | 24 V DC -15% ... +10% 逆極性保護、制御、残留リップル <5%、PELV |
| ソレノイドデューティサイクル | 100 % |
| EN 60947-5-3 に準じたリスク時間 | max. 400 ms |
| EN 60947-5-3に準拠したリスク時間、追加ユニットごとに延長。 | max. 5 ms |
| スイッチング ロード | |
| UL 準拠 | 24V DC、クラス 2 (あるいは操作説明書をご覧ください) |
| 安全性の分類 | III |
| 消費電流 | |
| ICM | 450 mA |
| IB | 80 mA |
| テストパルス時間 | max. 1 ms |
| 汚染度 (外部、EN 60947-1 準拠) | 3 |
| ティーチイン入力 J | |
| 入力電圧 | |
| 高 | 15 ... 27.6 V DC ティーチイン入力 J |
| 低 | 0 ... 1 V DC ティーチイン入力 J |
| モニタリング出力 OUT | |
| 出力タイプ | 半導体出力、p-スイッチング、短絡保護 |
| 出力電圧 | |
| OUT | 0.8xUB ... UB V DC |
| 出力電流 | |
| OUT | 1 ... 50 mA |
| 安全出力 OA / OB | |
| 出力タイプ | 半導体出力、P スイッチング、短絡保護 |
| 出力電圧 | |
| 低い U(OA、OB) | 0 ... 1 V DC |
| 高い U(OA、OB) | UB-1.5V ... UB V DC (スイッチング電流 50mA での値 (ケーブル長を考慮せず)) |
| 出力電流 | |
| 安全出力あたり | 1 ... 200 mA |
| 相違時間 | |
| 両方の安全出力 | max. 10 ms |
| スイッチオンタイム | |
| 安全出力 | 400 ms |
| オフ状態電流 Ir | max. 0.25 mA |
機械的価値と環境
| Anfahrgeschwindigkeit | max. 20 m/min |
| 接続形態 | プラグコネクター M23、19 ピン、RC18、1 個 |
| 準備完了遅延 | 10 s |
| 取り付け向き | すべて |
| スイッチング周波数 | max. 0.5 Hz |
| 自由度 X | ±5 mm |
| 自由度 Y | ±5 mm |
| 自由度 Z | ±4 mm |
| 保管温度 | -25 ... 70 °C |
| 機械的寿命 | 2 x 10⁶ |
| 耐衝撃性および耐振動性 | EN IEC 60947-5-3 準拠 |
| 保護等級 | IP65/IP67 (挿入されネジがしっかりと締めこまれている状態) |
| 周囲温度 | |
| UB = 24V DC で | -20 ... 55 °C |
| 素材 | |
| 安全スイッチハウジング | ダイキャスト・アルミニウム |
| ランプ | ステンレス鋼 |
| ロック保持力 Fmax | 6500 N |
| ロック保持力 FZh | 5000 N |
| ガードロック方式 | 閉回路電流方式 |
EN ISO 13849-1およびEN IEC 62061に準拠した特性値。
| せいぞうせきにん | 最大SIL | ピーエフエイチD | カテゴリー | 耐用時間 | |
|---|---|---|---|---|---|
| ガードロック モニタリング | PL e | - | 3.1x10-9 | 4 | 20 y |
| せいぞうせきにん | 最大SIL | カテゴリー | 耐用時間 | |
|---|---|---|---|---|
| ガードロックの制御 | ガードロックの外部制御による | 20 y | ||
その他
| UL認証に関する注意事項 | UL クラス 2 の電源かそれに相当する手段でのみ運転。操作説明書を参照してください。 |
アクセサリー
取り付けアクセサリー
拡張機能
接続部品
ダウンロード
一式
ワンクリックですべての重要文書をダウンロードできます。
コンテンツ:
- 操作説明書、およびその補足文書もしくは簡略説明書
- 操作説明書の補足データシート
- 適合宣言書
一式をダウンロード (ZIP, 23,3 MB)
単一文書
使用方法
操作説明書 トランスポンダー コーデッド安全スイッチ ガードロック付き CET.-AR-… (ユニコード/マルチコード)
文書番号
バージョン
言語
サイズ
操作説明書 トランスポンダー コーデッド安全スイッチ ガードロック付き CET.-AR-… (ユニコード/マルチコード)
文書番号
2110788
バージョン
11/22
言語
サイズ
4,2 MB
Operating Instructions Transponder-Coded Safety Switch with Guard Locking CET.-AR-… (Unicode/Multicode)
文書番号
2110788
バージョン
11/22
言語
サイズ
3,8 MB
Mode d’emploi Interrupteur de sécurité à codage par transpondeur avec interverrouillage CET.-AR-… (unicode / multicode)
文書番号
2110788
バージョン
11/22
言語
サイズ
3,9 MB
Manual de instrucciones Interruptor de seguridad con codificación por transponder con bloqueo CET.-AR-… (Unicode/Multicode)
文書番号
2110788
バージョン
11/22
言語
サイズ
3,8 MB
Betriebsanleitung Transpondercodierter Sicherheitsschalter CET.-AR-…
文書番号
2110788
バージョン
11/22
言語
サイズ
3,8 MB
Istruzioni di impiego Finecorsa di sicurezza con codifica a transponder con meccanismo di ritenuta CET.-AR-… (Unicode/Multicode)
文書番号
2110788
バージョン
11/22
言語
サイズ
3,8 MB
使用说明书 应答机编码安全开关 配有门锁功能 CET.-AR-… (特殊/通用编码)
文書番号
2110788
バージョン
11/22
言語
サイズ
4,2 MB
Návod k použití Bezpečnostní spínač s kódovaným transpondérem a jištěním ochranného krytu CET.-AR-… (Unicode/Multicode)
文書番号
2110788
バージョン
11/22
言語
サイズ
4,2 MB
Driftsvejledning Transponderkodet sikkerhedsafbryder med tilholder CET.-AR-… (Uni-/Multicode)
文書番号
2110788
バージョン
11/22
言語
サイズ
4,0 MB
Instrukcja obsługi Wyłącznik bezpieczeństwa kodowany transponderowo z blokadą CET.-AR-… (Uni-/Multicode)
文書番号
2110788
バージョン
11/22
言語
サイズ
4,2 MB
Návod na prevádzku Bezpečnostný spínač kódovaný transpondérom s istením CET.-AR-… (Uni-/Multicode)
文書番号
2110788
バージョン
11/22
言語
サイズ
4,2 MB
İşletim kılavuzu Kapalı tutma mekanizmalı aktarıcı kodlu emniyet şalteri CET.-AR-… (Uni-/Multicode)
文書番号
2110788
バージョン
11/22
言語
サイズ
4,2 MB
Instrucțiuni de utilizare Întrerupător de siguranță codat cu transponder cu blocare de protecție CET.-AR-… (Uni-/Multicode)
文書番号
2110788
バージョン
11/22
言語
サイズ
4,2 MB
その他の文書
営業資料
認証・証明書
WEEE
文書番号
バージョン
言語
サイズ
WEEE
文書番号
ECO20001806
バージョン
言語
サイズ
0,1 MB
c UL us
文書番号
バージョン
言語
サイズ
c UL us
文書番号
バージョン
言語
サイズ
0,3 MB
イープランマクロ
EUC.110203
文書番号
バージョン
言語
サイズ
EUC.110203
文書番号
バージョン
言語
サイズ
0,2 MB
発注データ
| 注文番号 | 110203 |
| 品目指定 | CET1-AR-CRA-AH-50X-SH-110203 |
| 総重量 | 1,154kg |
| 関税番号 | 85365019000 |
| ECLASS | 27-27-24-05 Safety-related transponder switch with guardlocking |




























