N01D593-MC2512 (N° de commande 163001)
Choisir le contenu
Fin de course monopiste de précision N01, poussoir en toit, pour température jusqu’à 140 °C
- Pour hautes températures jusqu’à +140 °C
- Poussoir en acier inoxydable
- avec raccordement pour connecteur coudé M12 (connecteur(s) à commander séparément)

Description


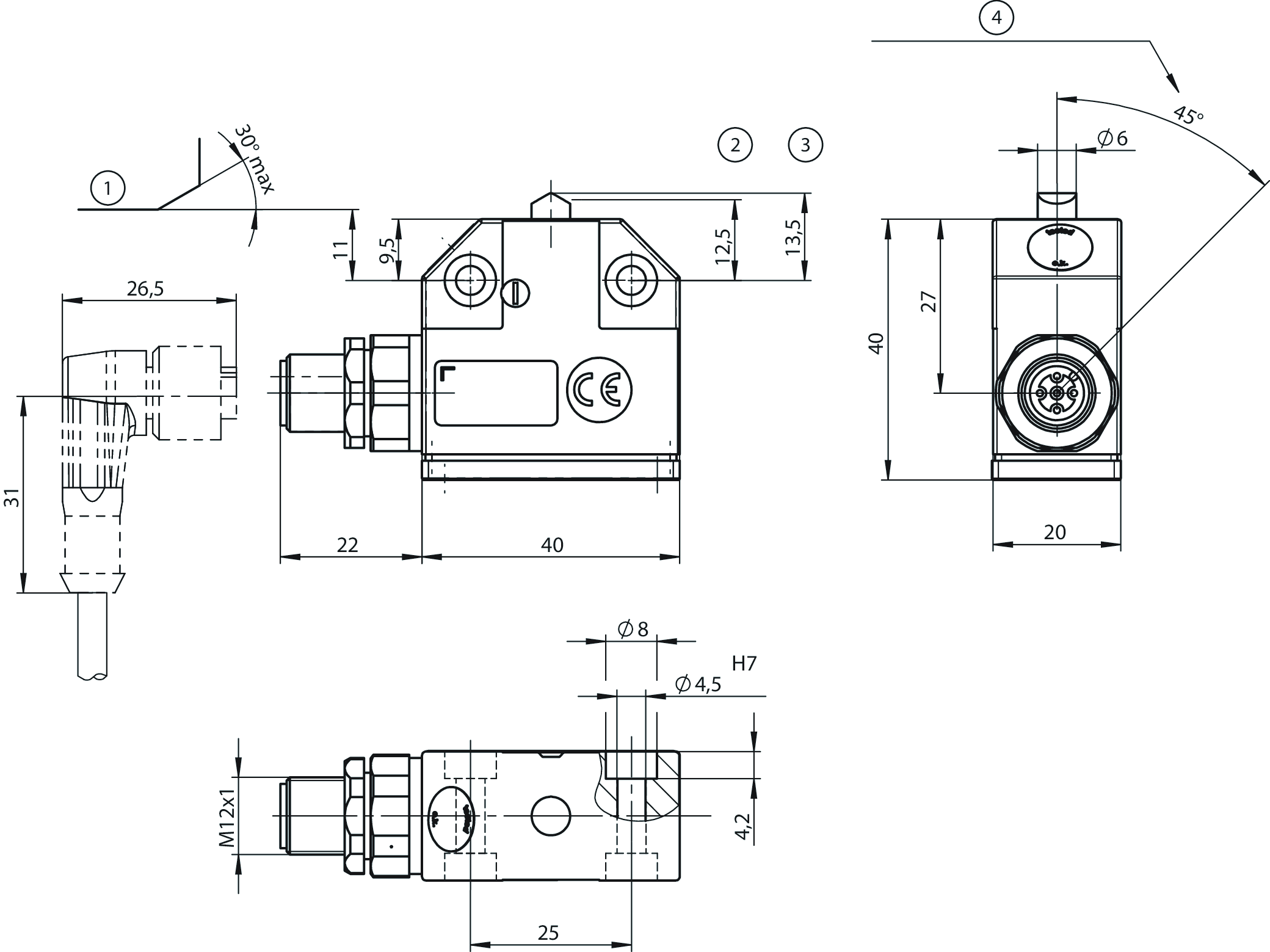
Dessins cotés

| 1) | Came |
| 2) | Point d’action |
| 3) | Position de repos |
| 4) | Détrompeur orienté |
Exemples de connexion

Caractéristiques techniques
Autorisations

Puissance électrique connectée
| Couverture | max. 2 A gG |
| Tension assignée d’isolement Ui | 250 V |
| Tension de choc assignée Uimp | 1.5 kV |
| Catégorie d’emploi | |
| DC-13 | 1 A 24 V |
| Courant de commutation | |
| min. à DC 24 V | 10 mA |
| Classe de protection | I |
Valeurs mécaniques et environnement
| Anfahrgeschwindigkeit | 0.01 ... 20 m/min |
| Type de connexion | |
| 1 x | Connecteur M12 x 1, réglable, haute temp. (5 broches) |
| Nombre de contacts à ouverture position de porte | 1 |
| Nombre d’éléments de commutation | 1 |
| Nombre de contacts à fermeture position de porte | 1 |
| Nombre d’inverseurs | 1 |
| Élément d’actionnement | Poussoir en toit |
| Force d’actionnement | 15 ... 20 N |
| Position de montage | Au choix |
| Température de stockage | -25 ... 140 °C |
| Durée de vie mécanique | 0.5 x 10⁶ |
| Principe de commutation | Inverseur avec action brusque |
| Précision de répétabilité du point d’action | ± 0,02 (La précision de répétabilité du point d’action se réfère à l’actionnement axial, après env. 2 000 manœuvres.) |
| Indice de protection | IP65 |
| Température ambiante | -5 ... 140 °C |
| Matériau | |
| Contact | Argent pur (Ag) |
| Boîtier | Aluminium moulé sous pression anodisé |
Divers
| Caractéristique supplémentaire | (Connecteur de câble correspondant avec câble de raccordement haute température TPE (PUR) pour températures jusqu’à 100 °C - 30 000 h / 125 °C - 8 000 h / 150 °C - 2 000 h (homologation supplémentaire par Conec pour 140 °C - 2 000 h) à commander séparément.) |
Téléchargements
Ensemble complet
Télécharger tous les documents importants en un seul clic.
Contient :
- Le mode d’emploi et, le cas échéant, compléments du mode d’emploi ou brèves instructions
- Le cas échéant, fiches techniques en complément du mode d’emploi
- La déclaration de conformité
Télécharger l’ensemble complet (ZIP, 2,7 MB)
Documents individuels
Déclarations de conformité
EU-Konformitätserklärung
N° doc.
Version
Langue
Taille
EU-Konformitätserklärung
N° doc.
EDC2539628
Version
Langue
Taille
0,2 MB
UKCA-Konformitätserklärung
N° doc.
Version
Langue
Taille
UKCA-Konformitätserklärung
N° doc.
EDC20001551
Version
Langue
Taille
0,1 MB
Instructions
Mode d’emploi Fins de course monopistes de précision N01/NB01/SN01
N° doc.
Version
Langue
Taille
Mode d’emploi Fins de course monopistes de précision N01/NB01/SN01
N° doc.
2105376
Version
05/25
Langue
Taille
0,7 MB
Operating Instructions Precision Single Limit Switch N01/NB01/SN01
N° doc.
2105376
Version
05/25
Langue
Taille
0,7 MB
Manual de instrucciones Final de carrera unitario de precisión N01/NB01/SN01
N° doc.
2105376
Version
05/25
Langue
Taille
0,7 MB
Betriebsanleitung Präzisions-Einzelgrenztaster N01/NB01/SN01
N° doc.
2105376
Version
05/25
Langue
Taille
0,7 MB
Istruzioni di impiego Finecorsa di precisione singoli N01/NB01/SN01
N° doc.
2105376
Version
05/25
Langue
Taille
0,7 MB
Autres documents
Agréments et certificats
DNV-GL
N° doc.
Version
Langue
Taille
DNV-GL
N° doc.
Version
Langue
Taille
0,2 MB
WEEE
N° doc.
Version
Langue
Taille
WEEE
N° doc.
ECO20001806
Version
Langue
Taille
0,1 MB
Données de commande
| N° de commande | 163001 |
| Désignation article | N01D593-MC2512 |
| Poids brut | 0,kg |
| Code douanier | 85365019000 |
| ECLASS | 27-27-06-01 Position switch (Type 1) |
